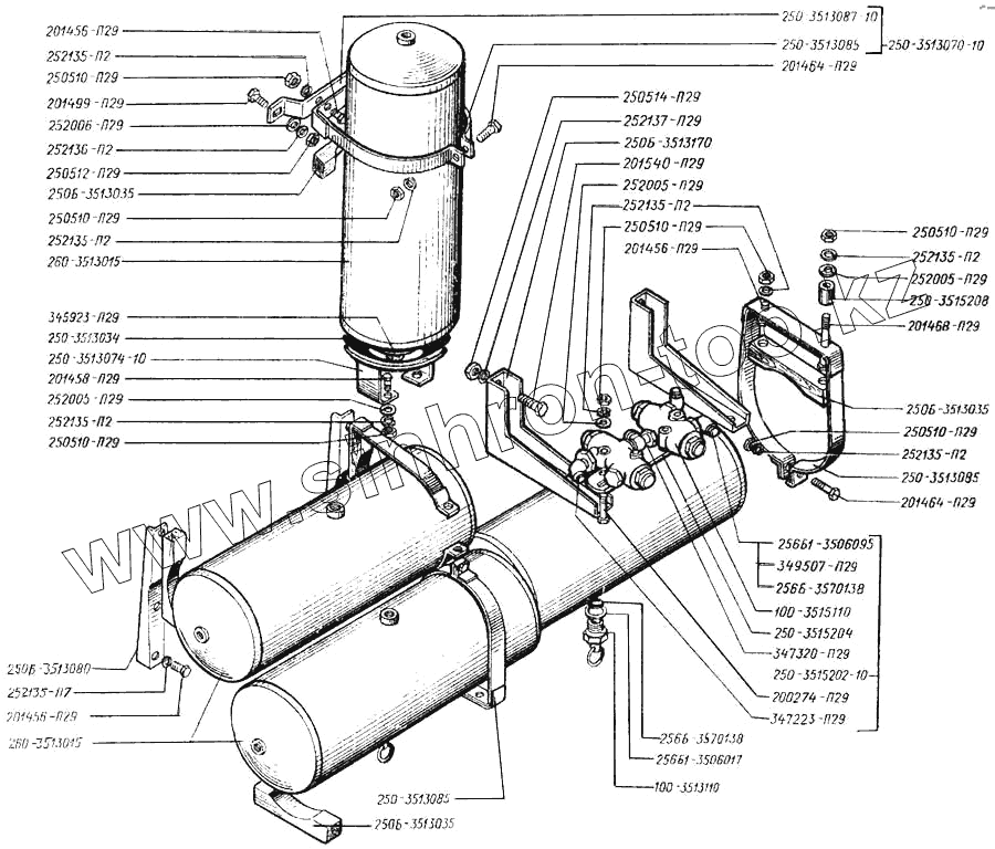
Каталог запасных частей к технике: КрАЗ-250. Баллоны воздушные
347320-П29
250-3515204
250Б-3513080
250-3513087-10
250-3513070-10
250Б-3513035
250Б-3513035
250Б-3513035
250-3513074-10
345923-П29
250-3513034
250Б-3513170
256Б1-3506095
347223-П29
250-3513085
250-3513085
250-3513085
256Б1-3506017
252005-П29
252005-П29
252005-П29
252006-П29
252135-П2
252135-П2
252135-П2
252135-П2
252135-П2
252135-П2
252135-П2
252136-П2
252137-П2
250-3515208
250-3515202-10
200274-П29
201456-П29
201456-П29
201456-П29
201458-П29
201464-П29
201464-П29
201468-П29
201499-П29
201540-П29
260-3513015
260-3513015
250510-П29
250510-П29
250510-П29
250510-П29
250510-П29
250510-П29
250512-П29
250514-П29
349507-П29
100-3515110
100-3513110
256Б-3570138
256Б-3570138
| Позиция на иллюстрации | Заводской номер детали | Название детали | |
|---|---|---|---|
| 347320-П29 | 347320-П29 | Тройник | |
| 250-3515204 | 250-3515204 | Кронштейн | |
| 250Б-3513080 | 250Б-3513080 | Кронштейн верхнего воздушного баллона | |
| 256Б1-3513120 | 256Б1-3513120 | Ниппель переходной | |
| 250-3513087-10 | 250-3513087-10 | Планка | |
| 250-3513070-10 | 250-3513070-10 | Планка крепления баллона в сборе | |
| 250Б-3513035 | 250Б-3513035 | Подкладка баллона | |
| 250-3513074-10 | 250-3513074-10 | Подпятник | |
| 345923-П29 | 345923-П29 | Заглушка | |
| 250-3513034 | 250-3513034 | Прокладка подпятника | |
| 250Б-3513170 | 250Б-3513170 | Кронштейн | |
| 256Б1-3506095 | 256Б1-3506095 | Угольник | |
| 347223-П29 | 347223-П29 | Угольник М22х1,5 | |
| 250-3513085 | 250-3513085 | Хомут воздушного баллона | |
| 256Б1-3506017 | 256Б1-3506017 | Шайба уплотнительная | |
| 252005-П29 | 252005-П29 | Шайба 8 | |
| 252006-П29 | 252006-П29 | Шайба 10 | |
| 252135-П2 | 252135-П2 | Шайба 8 пружинная | |
| 252136-П2 | 252136-П2 | Шайба 10 пружинная | |
| 252137-П2 | 252137-П2 | Шайба 12 пружинная | |
| 250-3515208 | 250-3515208 | Втулка опорная | |
| 250-3515202-10 | 250-3515202-10 | Блок двойных защитных клапанов в сборе | |
| 200274-П29 | 200274-П29 | Болт М8х75 | |
| 201456-П29 | 201456-П29 | Болт М8х1,25х20 | |
| 201458-П29 | 201458-П29 | Болт М8х1,25х25 | |
| 201464-П29 | 201464-П29 | Болт М8х1,25х40 | |
| 201468-П29 | 201468-П29 | Болт М8х1,25х50 | |
| 201499-П29 | 201499-П29 | Болт М10х1,5х30 | |
| 201540-П29 | 201540-П29 | Болт М12х1,75х30 | |
| 260-3513015 | 260-3513015 | Ресивер А40-280 | |
| Баллоны воздушные | Баллоны воздушные | Баллоны воздушные | |
| 250510-П29 | 250510-П29 | Гайка М8 | |
| 250512-П29 | 250512-П29 | Гайка М10х1,5 | |
| 250514-П29 | 250514-П29 | Гайка М12х1,75 | |
| 349507-П29 | 349507-П29 | Гайка М22х1,5 | |
| 100-3515110 | 100-3515110 | Клапан защитный двойной в сборе | |
| 100-3513110 | 100-3513110 | Клапан слива конденсата | |
| 256Б-3570138 | 256Б-3570138 | Кольцо резиновое уплотнительное Н1-25х20х2 | |
| 200-3515010-А | 200-3515010-А | Кран спускной |
Содержащиеся в справочниках-каталогах запасные части и детали не предлагаются к продаже, а носят исключительно информационный характер