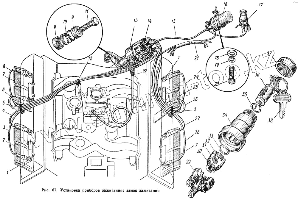
Каталог запасных частей к технике: КАЗ 608. Установка приборов зажигания, замок зажигания
1
4
6
8
9
10
11
12
13
14
15
16
17
18
19
20
21
22
23
24
25
26
27
28
29
30
31
32
33
34
35
36
37
38
| Позиция на иллюстрации | Заводской номер детали | Название детали | |
|---|---|---|---|
| 608-3705030 | 608-3705030 | Кронштейн катушки зажигания | |
| 250508-П8 | 250508-П8 | Гайка | |
| 608-3724455 | 608-3724455 | Пучок проводов от электродвигателя отопителя к переключателю в сборе | |
| 608-3724032 | 608-3724032 | Пучок проводов от генератора к реле регулятору | |
| 608-3724045-Ж | 608-3724045-Ж | Пучок проводов задний в сборе | |
| 608-3724038-Б | 608-3724038-Б | Провод питания приборов в сборе | |
| 608-3724118-В | 608-3724118-В | Провод плафона в сборе | |
| 120-3724316-А1 | 120-3724316-А1 | Провод от штепсельной розетки на «массу» в сборе | |
| 005-3724051 | 005-3724051 | Провод от указателя уровня топлива к переключателю в сборе | |
| 608-3724140 | 608-3724140 | Провод низкого напряжения от индукционной катушки к распределителю в сборе | |
| 130-3707090-А | 130-3707090-А | Провод к свече первого цилиндра в сборе | |
| 130-3707078-А | 130-3707078-А | Провод высокого напряжения и защитные колпачки- комплект | |
| 608-3724039-Б | 608-3724039-Б | Провод питания приборов в сборе | |
| 1 | 130-3707010 | Свеча зажигании типа А15-В в сборе | |
| 2 | 130-3707060-А | Щиток свечи передний правый в сборе | |
| 4 | 130-3707095-А | Провод к свече второго цилиндра в сборе | |
| 5 | 130-3707071 | Держатель проводов к свечам на крышке головки блока двигателя | |
| 6 | 130-3707100-А | Провод к свече третьего цилиндра в сборе | |
| 7 | 130-3707061-А | Щиток передний левый в сборе | |
| 8 | 130-3707105-А | Провод к свече четвертого цилиндра в сборе | |
| 9 | 305636-П8 | Шайба чашкообразная | |
| 10 | 120-3721040 | Пружина контакта с "массой" кнопки сигнала | |
| 11 | 301197-П8 | Болт крепления распределителя | |
| 12 | 130-3707201 | Держатель проводов к свечам на трубке вентиляции картера двигателя | |
| 13 | 130-3706010 | Распределитель типа Р4-В2 в сборе | |
| 14 | 110-3707148 | Колпачок провода высокого напряжения защитный | |
| 15 | 130-3707150-Б | Провод высокого напряжения от катушки зажигания к рас | |
| 16 | 130-3705010 | Катушка зажигания типа Б13 маслонаполненная в сборе | |
| 17 | 130-3704010-А | Включатель зажигания с запорным цилиндром и ключами в сборе (ВК21-Е или Г-К350) | |
| 18 | 252004-П8 | Шайба | |
| 19 | 252134-П2 | Шайба пружинная | |
| 20 | 201418-П8 | Болт крепления кронштейна | |
| 21 | 608-3724010-Ж | Пучок проводов основной в сборе | |
| 22 | 300162-П8 | Штуцер вверткой к карбюратору и к распределителю | |
| 23 | 130-3706315 | Трубка от распределителя к карбюратору в сборе | |
| 24 | 130-3707125-А | Провод к свече восьмого цилиндра в сборе | |
| 25 | 130-3707065 | Щиток свечи задний в сборе | |
| 26 | 130-3707120-А | Провод к свече седьмого цилиндра в сборе | |
| 27 | 130-3707115-А | Провод к свече шестого цилиндра в сборе | |
| 28 | 130-3707110-А | Провод к свече пятого цилиндра в сборе | |
| 29 | ВК21-3704100-Е | Основание включателя зажигания в сборе | |
| 30 | ВК21-3704020-Д | Ротор включателя зажигания в сборе | |
| 31 | Шарик 2/4" включателя зажигания | Шарик 2/4" включателя зажигания | |
| 32 | ВК21-3704011-Д | Пружина ротора | |
| 33 | ВК21-3704012-Д | Кольцо ротора | |
| 34 | ВК21-3704010-Е | Корпус включателя зажигания | |
| 35 | 130-3704107 | Пружина запорного цилиндра стопорная | |
| 36 | 130-3704016 | Цилиндр включателя зажигания запорный в сборе | |
| 37 | 130-3704098 | Облицовка включателя зажигания | |
| 38 | 120-3704100 | Ключ включателя зажигания |
Содержащиеся в справочниках-каталогах запасные части и детали не предлагаются к продаже, а носят исключительно информационный характер