Каталог запасных частей к технике: КАЗ 608. Шоферский инструмент
1
2
3
4
5
6
7
8
9
10
11
12
13
14
15
16
17
18
19
20
21
22
23
24
25
26
27
28
29
30
31
32
33
34
35
36
37
| Позиция на иллюстрации | Заводской номер детали | Название детали | |
|---|---|---|---|
| 608-3901828 | 608-3901828 | Храповик удлинителя заводной рукоятки | |
| 130-3901230 | 130-3901230 | Автовулканизатор камер в сборе | |
| 258054-П8 | 258054-П8 | Шплинт крышки картера | |
| 51-3901472-А | 51-3901472-А | Шланг для прокачивания сцепления в сборе | |
| 608-3901826 | 608-3901826 | Шайба храповика рукоятки замковая | |
| 252020-П8 | 252020-П8 | Шайба удлинителя | |
| 252136-П2 | 252136-П2 | Шайба пружинная | |
| 252135-П8 | 252135-П8 | Шайба пружинная | |
| 608-3914100 | 608-3914100 | Чехол облицовки передка утеплительный в сборе | |
| 608-3914200-В | 608-3914200-В | Чехол двигателя утеплительный в сборе | |
| 608-3901810-Б | 608-3901810-Б | Удлинитель заводной рукоятки со штифтом в сборе | |
| 608-3901800-Б | 608-3901800-Б | Удлинитель заводной рукоятки в сборе | |
| 308495-П | 308495-П | Сумка инструментальная в сборе | |
| 250510-П8 | 250510-П8 | Гайка | |
| 201456-П8 | 201456-П8 | Болт крепления сиденья | |
| 201497-П8 | 201497-П8 | Болт крепления задней опоры | |
| 250512-П8 | 250512-П8 | Гайка клина | |
| 608-3901824 | 608-3901824 | Пружина удлинителя заводной рукоятки | |
| 608-5000021 | 608-5000021 | Кабина обитая и окрашенная с сиденьями и электрооборудованием без отопителя в сборе | |
| 608-5000018 | 608-5000018 | Кабина в сборе | |
| 608-3901814 | 608-3901814 | Кольцо удлинителя заводной рукоятки уплотнительное | |
| 608-3901818 | 608-3901818 | Кронштейн передний удлинителя заводной рукоятки | |
| 608-3901832-Б | 608-3901832-Б | Кронштейн удлинителя заводной рукоятки задний | |
| 308025-П | 308025-П | Лампа накаливания типа А12 - 6 плафона в сборе | |
| 608-3901830-Б | 608-3901830-Б | Основание заднего кронштейна удлинителя заводной рукоятки в сборе | |
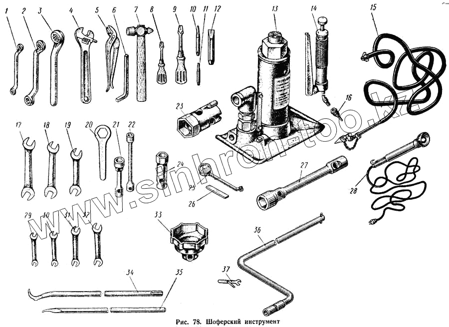
| 1 | А307330-П4 | Ключ гаек головки блока цилиндров и крепления стартера накидной 14-17 | |
| 2 | 130-3916193 | Ключ крепления фланца карданного вала и гаек полуоси накидной 19-22 | |
| 3 | А307397-П4 | Ключ гаек стремянок рессор накидной 32 | |
| 4 | А307384-П | Ключ гаек разводной 1,36 в сборе | |
| 5 | А307380-П | Плоскогубцы с кривым захватом в сборе | |
| 6 | 307335-П4 | Ключ спускной пробки картера заднего моста | |
| 7 | 308401-П | Молоток А3 в сборе | |
| 8 | А308466-Э | Отвертка 175Х0,7 | |
| 9 | А308464-Э | Отвертка 300Х1 | |
| 10 | 308414-П2 | Бородок слесарный 4 | |
| 11 | 308454-П2 | Бородок слесарный 2 | |
| 12 | 308415-П2 | Зубило слесарное | |
| 13 | 205-3901502-Б | Домкрат гидравлический в сборе | |
| 14 | 164-3911010 | Шприц рычажно-плунжерный для смазки в сборе | |
| 15 | 130-3917044-Б | Шланг для накачивания шин с соплом для продувания топливопроводов в сборе | |
| 16 | 485-3901340 | Насадок к шприцу для смазки игольчатых подшипников кардана в сборе | |
| 17 | А289512-П4 | Ключ гаечный двусторонний 22-24 | |
| 18 | А289511-П4 | Ключ гаечный двусторонний 19-22 | |
| 19 | А289509-П4 | Ключ гаечный двусторонний 17-19 | |
| 20 | 307328-П4 | Ключ гайки сошки руля накидной 41 | |
| 21 | А307324-П4 | Ключ гаек головки блока цилиндров и крышки головки блока 14-17 | |
| 22 | А307398-П4 | Ключ торцовый 12 | |
| 23 | 130-3924038 | Ключ гаек поворотного кулака торцовый в сборе 50 | |
| 24 | 308478-П8 | Ключ торцовый свечной 22 | |
| 25 | 130-3901259 | Указатель типа МД227 давления воздуха в шинах в сборе | |
| 26 | 308400-П | Пластина для зачистки контактов прерывателя | |
| 27 | А308437-П4 | Ключ торцовый для колес 22-38 | |
| 28 | 120-8715010-Б | Лампа типа ПЛТМ-36 переносная в сборе | |
| 29 | А289502-П4 | Ключ гаечный двусторонний 9-11 | |
| 30 | А289503-П4 | Ключ гаечный двусторонний 10-12 | |
| 31 | А289505-П4 | Ключ гаечный двусторонний 12-14 | |
| 32 | А269508-П4 | Ключ гаечный двусторонний 14-17 | |
| 33 | 130-3901105 | Ключ гаек подшипников ступиц заднего колеся торцовый 104 | |
| 34 | 130-3901219 | Лопатка -вороток комбинированная | |
| 35 | 130-3901223 | Вороток к ключу для колес | |
| 36 | 164-3901021 | Рукоятка заводная в сборе | |
| 37 | Р22-3706034 | Ключ распределителя в сборе |
Содержащиеся в справочниках-каталогах запасные части и детали не предлагаются к продаже, а носят исключительно информационный характер