Каталог запасных частей к технике: КАЗ 608. Схема контактно-транзисторной системы зажигания
1
2
3
4
5
5
6
7
8
9
9
10
10
11
| Позиция на иллюстрации | Заводской номер детали | Название детали | |
|---|---|---|---|
| 201418-П8 | 201418-П8 | Болт крепления кронштейна | |
| 608-3801011-Б | 608-3801011-Б | Щиток приборов с приборами в сборе | |
| 608-3801011 | 608-3801011 | Щиток приборов с приборами в сборе | |
| 252234-П8 | 252234-П8 | Шайба пружинная зубчатая | |
| 252004-П8 | 252004-П8 | Шайба | |
| 130-3702010-Б | 130-3702010-Б | Реле-регулятор типа РР350-Д в сборе | |
| 130-3702010 | 130-3702010 | Реле-регулятор типа РР130 в сборе | |
| 608-3724045-Г1 | 608-3724045-Г1 | Пучок проводов задний в сборе | |
| 608-3724045-Е | 608-3724045-Е | Пучок проводов задний в сборе | |
| 608-3724038-Б | 608-3724038-Б | Провод питания приборов в сборе | |
| 608-3724039-Б | 608-3724039-Б | Провод питания приборов в сборе | |
| 608-3724038 | 608-3724038 | Провод питания приборов в сборе | |
| 608-3724039 | 608-3724039 | Провод питания приборов в сборе | |
| 608-3713010 | 608-3713010 | Патрон лампы в сборе | |
| 130-3803021 | 130-3803021 | Лампа заряда аккумуляторной батареи, перегрева воды и указателя давления воздуха типа ПД20-Е (красная) контрольная в сборе | |
| 608-5000018-Б | 608-5000018-Б | Кабина в сборе | |
| 608-5000018 | 608-5000018 | Кабина в сборе | |
| 130Я5-1000120 | 130Я5-1000120 | Двигатель в сборе | |
| 130Я5-1000120-Б | 130Я5-1000120-Б | Двигатель в сборе | |
| 130-3701010-В | 130-3701010-В | Генератор типа Г250И1 в сборе | |
| 130-3701010 | 130-3701010 | Генератор типа Г130 в сборе | |
| 250508-П8 | 250508-П8 | Гайка | |
| 201422-П8 | 201422-П8 | Болт крепления рамки | |
| 608-3811010 | 608-3811010 | Амперметр | |
| 608-3724070 | 608-3724070 | Провод к лампе амперметра в сборе | |
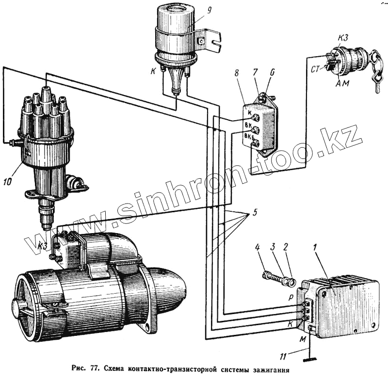
| 1 | 130-3734010 | Коммутатор транзисторный в сборе | |
| 2 | 252004-П8 | Шайба | |
| 3 | 252134-П2 | Шайба пружинная | |
| 4 | 220107-П8 | Винт крепления кронштейна | |
| 5 | 608-3724010-Е | Пучок проводов основном в сборе | |
| 5 | 608-3724010-Г | Пучок проводов основном в сборе | |
| 6 | 252134-П2 | Шайба пружинная | |
| 7 | 220105-П8 | Винт крепления ручки | |
| 8 | 130-3705059 | Сопротивление катушки зажигания добавочное а сборе (типа СЭ107) | |
| 9 | 130-3705010-В | Катушка зажигания в сборе (типа Б114) | |
| 9 | 130-3705010-А | Катушка зажигания в сборе (типа Б13) | |
| 10 | 130-3706010 | Распределитель типа Р4-В2 в сборе | |
| 10 | 130-3706010-Б | Распределитель в сборе | |
| 11 | 608-3724060 | Провод транзисторного коммутатора массный в сборе |
Содержащиеся в справочниках-каталогах запасные части и детали не предлагаются к продаже, а носят исключительно информационный характер