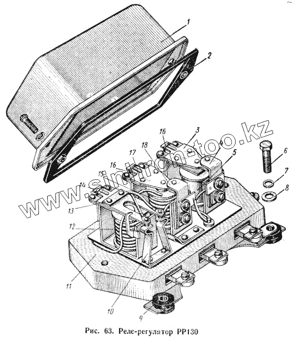
Каталог запасных частей к технике: КАЗ 608. Реле-регулятор РР130
1
2
3
4
5
6
7
8
9
10
11
12
13
14
15
16
17
18
| Позиция на иллюстрации | Заводской номер детали | Название детали | |
|---|---|---|---|
| РР24-3702547 | РР24-3702547 | Сопротивление 13 Ом в сборе | |
| РР24-3702541 | РР24-3702541 | Сопротивление 30 Ом в сборе | |
| РР24-3702542 | РР24-3702542 | Сопротивление 80 Ом в сборе | |
| 608-3702100-Б | 608-3702100-Б | Кронштейн реле-регулятора и реле-стартера в сборе | |
| 1 | РР130-3702003 | Крышка реле-регулятора | |
| 2 | РР24-3702008-Б | Прокладка крышки уплотнительная | |
| 3 | РР107-3702420 | Якорь регулятора напряжения в сборе | |
| 4 | РР24-3702440 | Держатель регулятора напряжения с контактом и сборе - | |
| 5 | РР101-3702400-Б1М | Регулятор напряжения (ярмо с обмотками в сборе) | |
| 6 | 201422-П8 | Болт крепления рамки | |
| 7 | 252134-П2 | Шайба пружинная | |
| 8 | 252004-П2 | Шайба | |
| 9 | РР24-3702006-Б | Втулка амортизационная | |
| 10 | РР101-3702217 | Держатель с контактами в сборе | |
| 11 | РР101-3702100 | Основание реле-регулятора в сборе | |
| 12 | РР101-3702200-М | Ярмо с обмотками реле обратного тока в сборе | |
| 13 | РР101-3702205 | Якорь реле обратного тока в сборе | |
| 14 | РР24-2702418 | Пружина | |
| 15 | РР101-3702300-М | Ярмо с обмотками ограничителя тока в сборе | |
| 16 | РР45-3702418 | Пружина | |
| 17 | РР101-3702305 | Якорь ограничителя тока в сборе | |
| 18 | РР24-3702320 | Держатель ограничителя тока с контактом в сборе |
Содержащиеся в справочниках-каталогах запасные части и детали не предлагаются к продаже, а носят исключительно информационный характер