Каталог запасных частей к технике: КАЗ 608. Подвеска двигателя, установка масляных фильтров
1
2
3
3
4
5
6
7
8
9
10
10
11
12
13
14
15
16
17
18
19
20
21
22
23
24
25
26
27
28
29
30
31
32
33
34
35
36
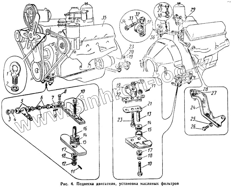
| Позиция на иллюстрации | Заводской номер детали | Название детали | |
|---|---|---|---|
| 301463-П8 | 301463-П8 | Болт крепления кронштейна к крышке распределительных шестерен | |
| 130-1002006-Б | 130-1002006-Б | Блок цилиндров с крышками подшипников коленчатого вала, втулками распределительного вала, картером сцепления и его креплением, установочными штифтами, пробками и заглушками и сборе (без гильз) | |
| 258041-П | 258041-П | Шплинт | |
| 305790-П8 | 305790-П8 | Шайба | |
| 608-1001060-Б | 608-1001060-Б | Тяга соединения двигателя с рамой в сборе | |
| 608-1001095 | 608-1001095 | Пластина накладки полушек передней опоры двигателя | |
| 608-1001018 | 608-1001018 | Накладка подушек передней подвески двигателя | |
| 130-1001015-Б | 130-1001015-Б | Кронштейн передней опоры двигателя | |
| 250869-П8 | 250869-П8 | Гайка | |
| 305100-П | 305100-П | Втулка | |
| 608-1001016 | 608-1001016 | Накладка подушек передней подвески двигателя в сборе | |
| 1 | 127-2402174 | Винт подъема двигателя грузовой | |
| 2 | 305561-П | Шайба грузового винта | |
| 3 | 250513-П8 | Гайка | |
| 3 | 250513-П8 | Гайка | |
| 4 | 110-1302038 | Чашка подушки тяги | |
| 5 | 120-1001106 | Подушка тяги соединения двигателя с рамой | |
| 6 | 608-1001061-Б | Тяга соединения двигателя с рамой | |
| 7 | 509503-П8 | Вилка тяги соединения двигателя с рамой | |
| 8 | 260058-П8 | Палец | |
| 9 | 258025-П | Шплинт | |
| 10 | 301144-П8 | Болт крепления накладки подушек задней опоры двигателя | |
| 10 | 301144-П8 | Болт крепления накладки подушек задней опоры двигателя | |
| 11 | 258041-П | Шплинт | |
| 12 | 250869-П8 | Гайка | |
| 13 | 608-1001056 | Втулка подушек задней опоры двигателя распорная | |
| 14 | 130-1001045 | Подушка передней и задней опор двигателя верхний | |
| 15 | 130-1001033 | Гнездо верхней подушки | |
| 16 | 608-1001047 | Втулка подушек передней опоры двигателя распорная | |
| 17 | 130-1001051 | Подушка передней и задней опор двигателя нижняя | |
| 18 | 305729-П8 | Шайба подушек | |
| 19 | 258057-П | Шплинт | |
| 20 | 250907-П8 | Гайка | |
| 21 | 608-1001093 | Пластина накладки подушек задней опоры двигателя | |
| 22 | 608-1001054 | Накладка подушек заднем опоры двигателя | |
| 23 | 301183-П8 | Болт крепления задней опоры двигателя | |
| 24 | 130-1012237 | Щиток масляного фильтра грубой очистки | |
| 25 | 252157-П2 | Шайба пружинная | |
| 26 | 201538-П | Болт крепления щитка | |
| 27 | 252136-П2 | Шайба пружинная | |
| 28 | 201501-П8 | Болт кропления корпуса масляного фильтра | |
| 29 | 130-1012009 | Фильтр грубой очистки с центрифугой в сборе | |
| 30 | 252006-П8 | Шайба | |
| 31 | 130-1001140 | Ушко подъема двигателя заднее | |
| 32 | 252137-П2 | Шайба пружинная | |
| 33 | 414103-П8 | Шпилька крепления ушка | |
| 34 | 250515-П8 | Гайка | |
| 35 | 130Я5-1000120 | Двигатель в сборе | |
| 36 | 130-1012100 | Прокалка корпуса масляного фильтра |
Содержащиеся в справочниках-каталогах запасные части и детали не предлагаются к продаже, а носят исключительно информационный характер