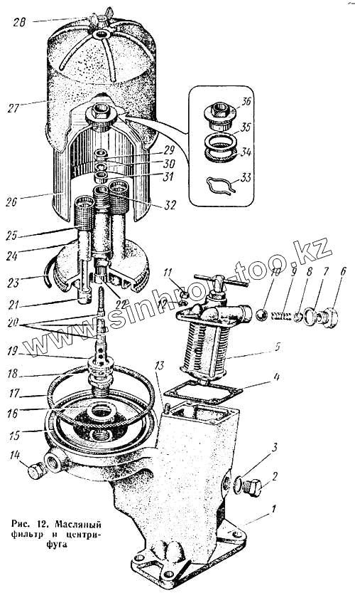
Каталог запасных частей к технике: КАЗ 608. Масляный фильтр и центрифуга
1
2
3
4
5
6
7
8
9
10
11
12
13
14
15
16
17
18
19
20
21
22
23
24
25
26
27
28
29
30
31
32
33
34
35
36
| Позиция на иллюстрации | Заводской номер детали | Название детали | |
|---|---|---|---|
| 1 | 130-1012016 | Корпус масляного фильтра в сборе | |
| 2 | 306507-П | Пробка корпуса масляного фильтра | |
| 3 | 307226-П | Прокладка пробки | |
| 4 | 111-1012069 | Прокладка крышки фильтрующего элемента | |
| 5 | 130-1012035 | Элемент масляного фильтра грубой очистки фильтрующий в сборе | |
| 6 | 111-1012041 | Штуцер перепускного клапана | |
| 7 | 307270-П | Прокладка пробок клапанов | |
| 8 | 111-1012043 | Стакан штуцера перепускного клапана | |
| 9 | 120-1012091-Б | Пружина перепускного клапана | |
| 10 | 306200-П | Шарик перепускного клапана | |
| 11 | 250512-П8 | Гайка клина | |
| 12 | 252156-П2 | Шайба пружинная | |
| 13 | 307171-П8 | Шпилька крепления фильтрующего элемента | |
| 14 | 262542-П8 | Пробка корпуса масляного фильтра | |
| 15 | 164-1012045 | Щиток корпуса отражательный | |
| 16 | 305770-П8 | Шайба оси центрифуги | |
| 17 | 164-1017327 | Прокладка кожуха центрифуги | |
| 18 | 164-1017357 | Подшипник центрифуги упорный | |
| 19 | 164-1017427 | Кольцо подшипника упорное | |
| 20 | 164-1017337 | Ось центрифуги | |
| 21 | 164-1017353 | Жиклер центрифуги | |
| 22 | 120-1011034-Б | Втулка центрифуги нижняя | |
| 23 | 164-1017349 | Кольцо крышки уплотнительное | |
| 24 | 164-1017336 | Корпус центрифуги с втулками в сборе | |
| 25 | 164-1017362 | Фильтр центрифуги в сборе | |
| 26 | 164-1017335 | Крышка корпуса центрифуги | |
| 27 | 130-1017322 | Кожух центрифуги в сборе | |
| 28 | 251513-П8 | Гайка-барашек | |
| 29 | 250510-П8 | Гайка | |
| 30 | 252135-П2 | Шайба пружинная | |
| 31 | 164-1017343 | Шайба оси упорная | |
| 32 | 164-1017415 | Втулка центрифуги верхняя | |
| 33 | 307743-П | Кольцо стопорное | |
| 34 | 164-1017351 | Прокладка гайки | |
| 35 | 164-1017355 | Шайба гайки | |
| 36 | 164-1017398 | Гайка центрифуги |
Содержащиеся в справочниках-каталогах запасные части и детали не предлагаются к продаже, а носят исключительно информационный характер