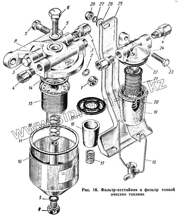
Каталог запасных частей к технике: КАЗ 608. Фильтр отстойник и фильтр тонкой очистки топлива
1
2
3
4
4
5
6
7
7
8
9
10
11
12
13
14
15
16
17
18
19
20
21
22
23
24
25
26
27
28
| Позиция на иллюстрации | Заводской номер детали | Название детали | |
|---|---|---|---|
| 130-1117010-Б | 130-1117010-Б | Фильтр тонкой очистки топлива керамический в сборе | |
| 130-1117020-В | 130-1117020-В | Корпус фильтра | |
| 1 | 250512-П8 | Гайка клина | |
| 2 | 252136-П2 | Шайба пружинная | |
| 3 | 262542-П | Пробка дополнительного топливного бака сливная | |
| 4 | 300304-П8 | Штуцер фильтра | |
| 4 | 309882-П8 | Штуцер фильтра-отстойника | |
| 5 | 150В-1105033 | Прокладка болта и пробки | |
| 6 | 150В-1105035 | Болт крепления крышки | |
| 7 | 201500-П8 | Болт крепления крышки | |
| 7 | 201500-П8 | Болт крепления крышки | |
| 8 | 150В-1105015 | Крышка фильтра-отстойника | |
| 9 | 150В-1105081 | Пробка сливная | |
| 10 | 150В-1105060 | Корпус фильтра-отстойника в сборе | |
| 11 | 485-1105075 | Прокладка крышки фильтра отстойника | |
| 12 | 150В-1105048 | Пружина фильтра-отстойника | |
| 13 | 150В-1105020 | Элемент фильтрующий в сборе | |
| 14 | 150В-1105045 | Прокладка фильтрующего элемента | |
| 15 | 130-1117021 | Прокладка корпуса фильтра | |
| 16 | 130-1117074 | Элемент фильтрующий (керамический) | |
| 17 | 130-1117035 | Пружина фильтрующего элемента | |
| 18 | 120-1106030 | Скоба крепления стакана фильтра в сборе | |
| 19 | 130-1117041-А | Стакан фильтра | |
| 20 | 111-1117035 | Пружиня фильтрующего элемента | |
| 21 | 130-1117050 | Элемент фильтрующий (сетчатый) с каркасом в сборе | |
| 22 | 111-1117021 | Прокладка корпуса | |
| 23 | 201460-П8 | Болт крепления фильтра к кронштейну | |
| 24 | 130-1117020-Г | Корпус фильтра | |
| 25 | 375-1117135 | Кронштейн крепления фильтра тонкой очи тки | |
| 26 | 252005-П8 | Шайба тяги | |
| 27 | 252135-П2 | Шайба пружинная | |
| 28 | 250510-П8 | Гайка |
Содержащиеся в справочниках-каталогах запасные части и детали не предлагаются к продаже, а носят исключительно информационный характер