Вернуться на главную
Поиск
Каталоги запчастей к технике
Грузовые автомобили и прицепы
Камский автозавод
6522
Установка датчиков механизма переключения передач
Каталог запасных частей к технике: Камский автозавод 6522. Установка датчиков механизма переключения передач
zoom-in
zoom-out
enlarge
shrink
circle-right
circle-left
file-text2
info
cart
Тип техники
Не выбрано
Легковые автомобили
Грузовые автомобили и прицепы
Автобусы
Сельхозтехника
Спецтехника
Двигатели
Мототехника
Марка
Не выбрано
BAW
DAF
DongFeng
FAW
Foton
HOWO
Hyundai
IVECO
JAC Motors
LGMG
MAN
Shaanxi
SITRAK
Studebaker
Tata
Volvo
Автокомпонент Плюс
БелАЗ
Брянский Арсенал
ГАЗ
ЗИЛ
КАЗ
Камский автозавод
КрАЗ
Мадара
МАЗ
МЗКТ
МоАЗ
Нефтекамский автозавод
Ставропольский Завод АвтоПрицепов
ТАТРА
Тонар
УралАЗ
ЧМЗАП
Модель
Не выбрано
4308 (2004)
4308 (2008)
4308 (Евро 3) (2013)
4308 (Евро 4) (2012)
4308-C4 (2019)
4308-C4 (2019)
4308-H3 (2019)
4308-R4 (2019)
4310
4310
43101
43114
43118 (2002)
43118 (Евро 4) (2012)
43253 (Часть-1) (2011)
43253 (Часть-2) (2011)
43253, 43255 (Евро-4) (2012)
43255 (Евро-2) (2012)
43255 (Евро-3) (2012)
4326 (2001)
4326 (2003г)
43261 (Евро-1, 2) (2007)
4350 (4х4) (2004)
43501 (4х4) (2007)
43502 (Евро 4) (2013)
45141 (2009)
45142 (2009)
45143 (2009)
5308 (Евро 3) (2012)
5308 (Евро 4) (2013)
5315
5320
53212
53228, 65111 (2004)
53229 (Евро 2) (2010)
5350 (6х6) (2004)
53501 (6х6) (2007)
53504 (6х6) (2007)
5360
53605 (Евро-4) (2013)
5410
54112
5460
5460 (2005)
5490 (2016)
55102
5511 (2003)
6350 (8х8) (2004)
63501 (8х8) (2007)
6450 (8х8) (2007)
6460
6460 (Евро 3, 4) (2013)
6460 (Евро 4) (2013)
65111 (2008)
65111 (Евро 4) (2012)
65115 (2001)
65115 (2009)
65115 (Евро-3) (2013)
65115, 65116 (Евро-4) (2010)
65116 (2006)
6520
6520 (Euro-2, 3) (2009)
6520 (Euro-4) (2012)
6520 (Euro-4) (2016)
65201 (2007)
65201 Евро 2-3 (2016)
6522 (2005)
6522 (Euro-2, 3) (2009)
6522 (Евро-4) (2016)
65226 (2009)
65226 (2013)
6540
KNORR-BREMSE применяемых на технике Камского автозавода
Общий (5320, 53212, 5410, 54112, 5511, 55102)
Самосв. установка 6520 (2011)
Схема
>
Не выбрано
Переднее крепление и механизм уравновешивания кабины
Установка кабины с оперением
Установка кабины с оперением
Кабина с дверьми окрашенная
Кабина с дверьми окрашенная
Установка механизма опрокидывания кабины
Установка механизма опрокидывания кабины
Установка задней подвески кабины
Кронштейн переднего крепления кабины верхний
Рессора кабины
Установка ограничителя подъема кабины
Шпилька стопорная
Гидроцилиндр
Цилиндр опрокидывания механизма кабины
Гидроцилиндр МОК
Поршень
Запор кабины правый
Запор кабины правы
Запор кабины левый
Запор кабины
Корпус запора кабины правый
Корпус запора кабины левый
Кронштейн запора кабины правый/левый
Окно ветровое и установка зеркал заднего вида
Установка стеклоочистителя
Стеклоочиститель электрический
Установка омывателя электрического
Установка панели приборов
Панель передка съемная левая
Ящик вещевой
Дверка вещевого ящика
Ограничитель
Установка вентиляционного люка крыши
Установка стекол и арматуры двери правая/левая
Установка стекол и арматуры двери правая/левая
Дверь правая
Дверь левая
Стеклоподъемник двери левый в сборе
Замок двери правый/левый
Фиксатор замка правый/левый в сборе
Привод замка двери правый/левый в сборе
Ручка двери наружная в сборе
Ограничитель двери
Установка сидений
Сиденье водителя
Сиденье пассажирское с ящиком
Механизм подрессоривания сиденья водителя
Установка системы отопления кабины
Кран сливной
Кран отопления
Установка подогревателя 15.8106
Установка подогревателя 15.8106
Установка подогревателя 14ТС-10
Установка подогревателя 14ТС-10
Установка подогревателя, электродвигателя с насосом и топливного фильтра
Установка подогревателя, электродвигателя с насосом и топливного фильтра
Привод управления отоплением
Колесо рабочее
Установка ремней безопасности
Ручка правая/левая
Пепельница в сборе
Установка бокового знака
Установка знаков двигателя и "320 TURBO"
Установка знаков двигателя и "360 TURBO", Engine
Установка надоконной полки и противосолнечных козырьков
Козырек противосолнечный с обивкой левый/правый
Установка оперения кабины
Установка оперения кабины
Панель облицовочная
Установка задней части переднего крыла правая/левая
Установка задних крыльев
Установка грязевого настила
Установка брызговиков
Установка нижней подножки правая/левая
Установка лестницы
Замок панели
Обтекатель правый
Установка спойлера
Установка панели фар
Установка боковой защиты
Установка платформы
Установка запоров заднего борта
Стабилизатор
Самосвальная установка
Надрамник
Ловитель амортизатор
Установка гидроцилиндра
Гидроцилиндр
Установка фитингов насоса
Установка блока электропневмоклапанов
Гидрораспределитель
Золотник с предохранительным клапаном
Клапан предохранительный вспомогательный
Поршень
Установка гидробака
Клапан ограничительный
Агрегат силовой 740.51-320,укомплектованный для установки на автомобиль
Агрегат силовой 740.51-320,укомплектованный для установки на автомобиль
Агрегат силовой 740.51-360,укомплектованный для установки на автомобиль
Агрегат силовой
Агрегат силовой
Двигатель с оборудованием
Двигатель с оборудованием
Двигатель с оборудованием
Двигатель с оборудованием
Двигатель с оборудованием
Установка силового агрегата
Установка силового агрегата
Башмак задней опоры силового агрегата
Установка картера агрегатов
Установка картера маховика
Блок цилиндров в сборе
Блок цилиндров в сборе
Заглушка водяной полости
Крышка блока цилиндров передняя
Картер маховика
Картер агрегатов
Установка газораспределительного механизма
Головка цилиндров
Головка цилиндров с втулками
Втулка с кольцами
Заглушка с кольцом
Поршень с шатуном и кольцами
Шатун
Клапан форсунки охлаждения поршня в сборе
Установка форсунки охлаждения поршня
Установка коленчатого вала
Коленчатый вал
Шестерня коленчатого вала
Шкив коленчатого вала
Установка гасителя крутильных колебаний и полумуфты отбора мощности
Установка шкива коленчатого вала
Установка маховика и фиксатора
Маховик
Маховик
Установка привода отбора мощности переднего
Корпус подшипника
Фиксатор маховика в сборе
Привод агрегатов
Вал отбора мощности
Распределительный вал
Корпус подшипника распределительного вала с втулкой
Стойка коромысел в сборе
Коромысло клапана в сборе
Установка газопровода
Установка картера масляного
Трубка указателя уровня с кольцом
Установка масляного насоса
Масляный насос с маслозаборником в сборе
Масляный насос с шестерней
Насос масляный
Крышка масляного насоса с клапаном
Корпус насоса
Крышка масляного насоса в сборе
Шестерня ведомая масляного насоса
Маслозаборник
Установка фильтра и теплообменника
Фильтр масляный с теплообменником
Фильтр очистки масла
Корпус масляного фильтра в сборе
Колпак масляного фильтра
Теплообменник масляный
Сердцевина
Установка системы вентиляции
Трубка сапуна с втулкой
Угольник сапуна
Установка электромагнитного клапана
Клапан с кронштейном и трубкой
Шестерня ведущая в сборе
Ось ведущей шестерни
Установка топливных баков, ФГОТ и топлипроводов
Установка топливных баков, ФГОТ и топлипроводов
Установка топливных баков, ФГОТ и топлипроводов
Бак топливный
Бак топливный
Труба наливная топливного бака с выдвижной трубой
Пробка топливного бака
Установка топлипроводов
Установка топлипроводов
Топливозаборник
Трубка приемная с фильтром
Фильтр грубой очистки с насосом предпусковой прокачки топлива
Фильтр грубой очистки топлива в сборе
Фильтр грубой очистки топлива с подогревателем
Топливный насос низкого давления
Привод управления регулятором
Управление подачей топлива
Кронштейн с валом привода
Кронштейн вала привода
Толкатель
Тяга привода управления регулятором
Наконечник тяги рычага управления регулятором
Наконечник
Установка воздушного фильтра
Установка воздушного фильтра
Установка воздухоочистителя мультициклонного
Воздухоочиститель с кронштейном
Установка тройника
Установка тройника
Фильтр воздушный
Фильтр воздушный
Элемент фильтрующий с предочистителем
Крышка регулятора верхняя в сборе
Державка грузов регулятора
Корректор подачи топлива по наддуву
Установка и привод ТНВД
Насос топливный высокого давления
Насос топливный высокого давления
Секция топливного насоса
Корпус заднего подшипника
Вал привода ТНВД
Установка форсунки
Форсунка
Установка системы впуска
Фильтр тонкой очистки топлива
Пружина
Установка турбокомпрессора
Шестерня ведомая привода ТНВД
Насос предпусковой прокачки топлива
Установка системы ОНВ
Установка системы выпуска
Установка системы выпуска
Установка системы выпуска
Коробка переключения газов
Установка радиатора и уплотнителей радиатора
Установка радиатора и уплотнителей радиатора
Установка кожуха радиатора
Установка водяных труб
Установка корпуса водяных каналов
Корпус водяных каналов
Установка кранов сливных системы охлаждения привода управления
Кран сливной системы охлаждения
Пробка крана
Пробка с шариком и держателем
Установка водяного насоса
Водяной насос
Установка вентилятора с муфтой привода
Установка обечайки вентилятора
Установка расширительного бачка
Бачок расширительный
Пробка расширительного бачка
Скоба верхняя
Установка педали и привода выключения сцепления
Педаль сцепления с кронштейном и главным цилиндром
Педаль сцепления
Главный цилиндр управления сцепления
Главный цилиндр
Бачок главного цилиндра привода сцепления
Толкатель
Установка сцепления
Установка картера сцепления
Установка цилиндра сцепления
Вилка выключения сцепления
Привод управления механизмом переключения передач
Привод управления механизмом переключения передач
Опора рычага переключения передач
Тяга реактивная
Установка пневмопривода управлением переключения передач
Картер коробки передач с пробками
Установка нижней крышки картера и трубки распылителя
Первичный вал
Установка крышки первичного вала
Промежуточный вал
Установка насоса
Основной вал
Установка пробок картера
Штоки вилок переключения передач
Механизм переключения передач
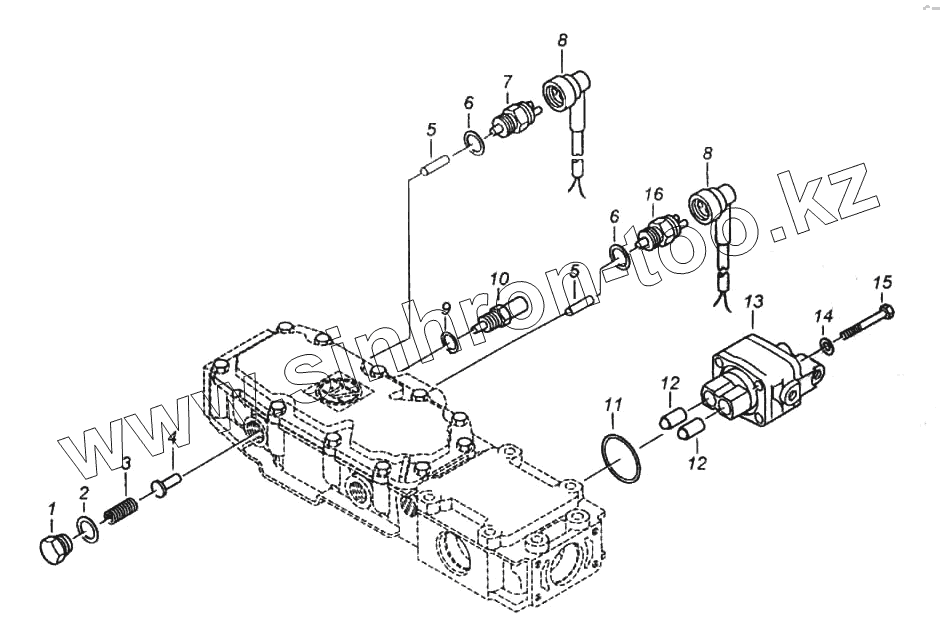
Установка датчиков механизма переключения передач
Установка боковых крышек механизма переключения передач
Комплект пружин
Механизм управления демультипликатором
Установка задней крышки картера
Картер планетарной передачи
Привод планетарной передачи
Установка заднего фланца
Синхронизатор планетарной передачи
Управление планетарной передачей
Механизм выбора передаточного числа
Пломбировка датчика тахографа на коробке передач
Установка раздаточной коробки
Установка управления раздаточной коробки
Кран управления раздаточной коробки
Установка карданных валов
Вал карданный заднего моста
Крестовина карданного вала
Мост передний
Передача главная переднего моста
Дифференциал переднего моста
Мост задний
Картер заднего моста
Передача главная заднего моста
Шестерня ведущая заднего моста
Стакан подшипников
Крышка подшипника
Дифференциал моста заднего
Сателлит в сборе
Вилка блокировки в сборе
Привод блокировки межколесных дифференциалов
Мост средний
Передача главная среднего моста
Шестерня ведущая среднего моста
Крышка подшипника
Дифференциал моста среднего
Межосевой дифференциал среднего моста
Сателлит межосевого дифференциала с втулкой
Привод блокировки межосевого дифференциала
Кран включения блокировки
Шток
Рама
Рама
Установка буксирной поперечины
Установка заднего буфера
Установка буксирной вилки
Вилка буксирная с пружиной
Подвеска передняя
Подвеска задняя
Подвеска задняя
Рессора передняя
Ушко с втулкой и манжетами
Ушко с втулкой
Кронштейн стабилизатора
Рессора задняя
Башмак рессоры с втулками и манжетой
Башмак рессоры с втулками
Штанга реактивная
Установка передних колес
Установка сдвоенных колес
Колесо 8,5-20 с шиной левое
Установка запасного колеса
Ворот
Установка рулевого механизма
Установка колонки рулевого управления
Установка трубопроводов рулевого управления
Установка насоса рулевого усилителя
Установка насоса гидроусилителя руля
Тяга сошки с наконечниками
Вал карданный
Шарнир карданный
Шарнир с втулкой
Рулевая колонка с карданным валом
Рулевая колонка
Корпус колонки с кронштейном рулевого управления
Установка пневмотормозов
Установка пневмотормозов
Установка пневмотормозов
Установка осушителя
Установка воздушных ресиверов
Установка двухсекционного тормозного крана
Установка четырехконтурного защитного клапана
Установка ускорительного клапана
Установка клапана управления тормозами прицепа
Установка регулятора тормозных сил
Установка кабелей АБС
Установка кабелей АБС
Установка модуляторов АБС
Установка модуляторов АБС
Установка клапана двухмагистрального
Установка пневмоуправления системой АБС
Установка пневмоуправления системой АБС
Установка охладителя
Установка пневмовыводов к полуприцепу
Установка компрессора
Компрессор
Картер в сборе
Головка цилиндра с крышкой
Крышка задняя в сборе
Поршень в сборе
Кран слива конденсата
Кран тормозной двухсекционный с педалью
Кран тормозной двухсекционный
Клапан контрольного вывода
Клапан защитный четырехконтурный
Кран экстренного растормаживания
Тормозная камера тип 30
Камера тормозная
Тормозная камера тип 30/24
Установка электронного блока управления АБС
Установка цилиндра выключения подачи топлива
Корпус вспомогательного тормоза с заслонкой
Вал заслонки
Цилиндр пневматический с тягой
Цилиндр выключения подачи топлива пневматический
Цилиндр управления заслонкой
Электрооборудование. Расположение на автомобиле
Установка генератора
Установка аккумуляторных батарей
Установка стартера
Панель выключателей
Панель выключателей
Установка фар и переднего указателя поворота правый
Установка фар дополнительных и противотуманных
Установка плафонов
Установка плафона освещения спального места
Установка плафона освещения вещевого ящика
Установка подкапотной лампы
Установка задних фонарей
Установка фонарей освещения номерного знака
Установка электромеханического корректора
Установка звуковых электрических сигналов
Установка предохранителей
Установка розетки внешнего запуска
Установка розеток прицепа
Установка розеток переносной лампы
Установка проводов на шасси
Установка проводов на шасси
Установка проводов на шасси
Установка проводов на шасси
Установка проводов на кабине
Установка проводов на кабине
Установка проводов на кабине
Установка бокового повторителя указателей поворота
Установка прерывателя указателей поворота
Установка прожектора освещения сцепного устройства
Установка рабочей фары
Установка боковых габаритных фонарей
Установка боковых габаритных фонарей
Установка малогабаритного выключателя массы
Установка фонарей автопоезда
Установка габаритных фонарей
Установка электрооборудования подогревателя
Установка электрооборудования подогревателя
Пульт управления подогревателем
Установка терморегулятора
Установка блока управления
Установка реле
Установка реле
Установка преобразователя напряжения
Установка электрооборудования
Установка электрооборудования
Щиток приборов
Установка трубопроводов к манометру
Установка датчиков аварийного давления воздуха
Радиооборудование
Установка автомагнитолы
Установка громкоговорителей
Установка седельного устройства
Установка надрамника
Установка коробки отбора мощности
Установка управления коробки отбора мощности
Комплекты для запасных частей
1
2
3
4
5
5
6
6
7
8
8
9
9
9
9
9
9
9
9
9
9
9
9
9
9
9
10
11
12
12
13
14
15
Позиция на иллюстрации
Заводской номер детали
Название детали
1
1315307 019
Пробка
2
0730 009 515
Уплотнительное кольцо
3
0732 041 612
Нажимная пружина
4
1315 307 173
Винт
5
0731 208 230
Штифт
6
0634 801 062
Кольцо уплотнительное
7
0501 210 058
Выключатель
8
6029 199 111
Поставка в разобранном виде
9
0730 007 620
Шайба (толщина 2.70 мм)
9
0730 007 612
Шайба (толщина 1.90 мм)
9
0730 007 613
Шайба (толщина 2.00 мм)
9
0730 007 614
Шайба (толщина 2.10 мм)
9
0730 007 615
Шайба (толщина 2.20 мм)
9
0730 007 616
Шайба (толщина 2.30 мм)
9
0730 007 617
Шайба (толщина 2.40 мм)
9
0730 007 618
Шайба (толщина 2.50 мм)
9
0730 007 619
Шайба (толщина 2.60 мм)
9
0730 007 621
Шайба (толщина 2.80 мм)
9
0730 007 831
Шайба (толщина 2.90 мм)
9
0730 007 832
Шайба (толщина 3.00 мм)
9
0730 007 833
Шайба (толщина 3.10 мм)
9
0730 007 834
Шайба (толщина 3.20 мм)
9
0730 007 835
Шайба (толщина 3.30 мм)
10
1315 207 015
Ограничитель
11
0634 313 505
Прокладка кольцеобразная
12
0501 209 188
Шариковый подшипник
13
6038 202 035
Разделительный клапан
14
0630 001 075
Шайба
15
0636 010 575
Болт
Содержащиеся в справочниках-каталогах запасные части и детали не предлагаются к продаже, а носят исключительно информационный характер
Дополнительная информация
×
Название:
Номер:
Примечание: