Вернуться на главную
Поиск
Каталоги запчастей к технике
Грузовые автомобили и прицепы
Камский автозавод
65226
Установка воздушных ресиверов
Каталог запасных частей к технике: Камский автозавод 65226. Установка воздушных ресиверов
zoom-in
zoom-out
enlarge
shrink
circle-right
circle-left
file-text2
info
cart
Тип техники
Не выбрано
Легковые автомобили
Грузовые автомобили и прицепы
Автобусы
Сельхозтехника
Спецтехника
Двигатели
Мототехника
Марка
Не выбрано
BAW
DAF
DongFeng
FAW
Foton
HOWO
Hyundai
IVECO
JAC Motors
LGMG
MAN
Shaanxi
SITRAK
Studebaker
Tata
Volvo
Автокомпонент Плюс
БелАЗ
Брянский Арсенал
ГАЗ
ЗИЛ
КАЗ
Камский автозавод
КрАЗ
Мадара
МАЗ
МЗКТ
МоАЗ
Нефтекамский автозавод
Ставропольский Завод АвтоПрицепов
ТАТРА
Тонар
УралАЗ
ЧМЗАП
Модель
Не выбрано
4308 (2004)
4308 (2008)
4308 (Евро 3) (2013)
4308 (Евро 4) (2012)
4308-C4 (2019)
4308-C4 (2019)
4308-H3 (2019)
4308-R4 (2019)
4310
4310
43101
43114
43118 (2002)
43118 (Евро 4) (2012)
43253 (Часть-1) (2011)
43253 (Часть-2) (2011)
43253, 43255 (Евро-4) (2012)
43255 (Евро-2) (2012)
43255 (Евро-3) (2012)
4326 (2001)
4326 (2003г)
43261 (Евро-1, 2) (2007)
4350 (4х4) (2004)
43501 (4х4) (2007)
43502 (Евро 4) (2013)
45141 (2009)
45142 (2009)
45143 (2009)
5308 (Евро 3) (2012)
5308 (Евро 4) (2013)
5315
5320
53212
53228, 65111 (2004)
53229 (Евро 2) (2010)
5350 (6х6) (2004)
53501 (6х6) (2007)
53504 (6х6) (2007)
5360
53605 (Евро-4) (2013)
5410
54112
5460
5460 (2005)
5490 (2016)
55102
5511 (2003)
6350 (8х8) (2004)
63501 (8х8) (2007)
6450 (8х8) (2007)
6460
6460 (Евро 3, 4) (2013)
6460 (Евро 4) (2013)
65111 (2008)
65111 (Евро 4) (2012)
65115 (2001)
65115 (2009)
65115 (Евро-3) (2013)
65115, 65116 (Евро-4) (2010)
65116 (2006)
6520
6520 (Euro-2, 3) (2009)
6520 (Euro-4) (2012)
6520 (Euro-4) (2016)
65201 (2007)
65201 Евро 2-3 (2016)
6522 (2005)
6522 (Euro-2, 3) (2009)
6522 (Евро-4) (2016)
65226 (2009)
65226 (2013)
6540
KNORR-BREMSE применяемых на технике Камского автозавода
Общий (5320, 53212, 5410, 54112, 5511, 55102)
Самосв. установка 6520 (2011)
Схема
>
Не выбрано
Переднее крепление и механизм уравновешивания кабины
Установка кабины с оперением
Кабина с дверями окрашенная
Установка механизма опрокидывания кабины и запасного колеса
Установка задней подвески кабины
Кронштейн переднего крепления кабины верхний
Рессора кабины
Установка ограничителя подъема кабины
Шпилька стопорная
Запор кабины правый
Запор кабины
Корпус запора кабины правый
Установка стеклоочистителя
Стеклоочиститель электрический
Установка омывателя электрического
Установка панели приборов
Ящик вещевой
Дверка вещевого ящика
Ограничитель
Установка вентиляционного люка крыши
Установка стекол и арматуры двери левая
Дверь правая
Дверь левая
Стеклоподъемник двери
Механизм стеклоподъемника двери
Замок двери правый/левый
Фиксатор замка левый
Привод замка двери правый/левый в сборе
Ручка двери наружная в сборе
Ограничитель двери
Установка сидений
Сидение водителя
Механизм подрессоривания сиденья водителя
Механизм перемещения сиденья водителя
Сиденье пассажирское с ящиком
Установка системы отопления
Кран сливной
Кран отопления
Привод управления отоплением
Колесо рабочее с электродвигателем
Установка подогревателя 15.8106
Установка подогревателя 15.8106
Установка подогревателя, электродвигателя с насосом и топливного фильтра
Подключение подогревателя к системе охлаждения двигателя "Deutz"
Установка зеркал заднего вида
Ручка правая/левая
Пепельница в сборе
Козырек противосолнечный с обивкой левый/правый
Установка проблесковых маяков
Установка надоконной полки и противосолнечных козырьков
Установка ремней безопасности
Установка оперения кабины
Панель облицовочная
Установка задней части переднего крыла правая, левая
Установка задних крыльев
Установка настила
Установка нижней подножки левая
Установка лестницы
Замок панели
Обтекатель правый
Установка спойлера
Установка панели фар
Агрегат силовой, укомплектованный для установки на автомобиль
Установка силового агрегата
Установка указателя уровня масла
Кронштейн передней опоры
Кронштейн задней опоры левый
Установка топливного бака, ФГОТ и топливопроводов
Бак топливный
Установка топливопроводов
Топливозаборник
Трубка слива в бак с угольником
Установка управления подачей топлива
Установка воздушных фильтров
Фильтр воздушный
Элемент фильтрующий с предочистителем
Установка системы охлаждения наддувочного воздуха
Установка системы выпуска
Установка радиатора
Блок радиаторов
Установка труб теплообменника ретардера
Установка вентилятора с вязкостной муфтой
Установка расширительного бачка
Установка ложементов
Установка педали и привода выключения сцепления
Педаль сцепления с кронштейном и главным цилиндром
Педаль сцепления
Главный цилиндр управления сцеплением
Привод управления механизмом переключения передач
Привод управления механизмом переключения передач
Опора рычага переключения
Тяга реактивная
Рычаг с кронштейном
Установка теплообменника
Установка пневмопривода управлением переключения передач
Установка раздаточной коробки
Установка управления раздаточной коробки
Кран управления раздаточной коробки
Раздаточная коробка VG 2700/400
Картер
Клапанный блок, трубопроводы давления
Первичный вал, крышка подшипника
Промежуточный вал, масляный насос
Ведомый вал, дифференциал
Фланцы
Пневматическое переключение передач
Установка карданных валов
Мост передний
Мост передний
Передача главная переднего моста
Дифференциал переднего моста
Мост задний
Мост задний
Сапун
Передача главная заднего моста
Картер редуктора заднего моста
Шестерня ведущая заднего моста
Стакан подшипников
Крышка подшипника
Сателлит дифференциала заднего моста с втулкой
Дифференциал моста заднего
Вилка блокировки
Привод блокировки межколесных дифференциалов
Мост средний
Мост средний
Передача главная среднего моста
Крышка подшипника
Крышка подшипника
Дифференциал моста среднего
Межосевой дифференциал среднего моста
Сателлит межосевого дифференциала с втулкой
Привод блокировки межосевого дифференциала
Кран включения блокировки
Шток
Рама
Установка надрамника
Установка буксирной поперечины
Установка буксирной вилки
Вилка буксирная с пружиной
Установка защитного ограждения
Установка передней подвески
Установка задней подвески
Рессора передняя
Рессора задняя
Кронштейн стабилизатора
Кронштейн балансира с осью
Башмак рессоры с втулками и манжетой
Башмак рессоры с втулками
Штанга реактивная
Штанга реактивная
Установка передних колес
Установка сдвоенных колес
Колесо 8,5-20 с шиной левое
Держатель запасного колеса
Установка рулевого управления
Установка рулевой колонки
Установка трубопроводов
Сошка с подшипником
Тяга сошки
Вал карданный
Шарнир карданный
Шарнир с втулкой
Рулевая колонка с карданным валом
Рулевая колонка
Корпус колонки с кронштейном рулевого управления
Установка пневмотормозов
Установка пневмотормозов
Установка осушителя
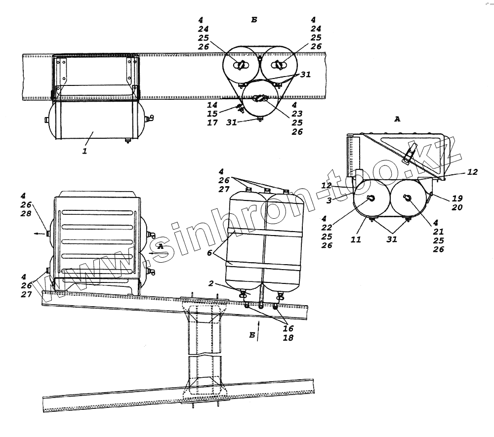
Установка воздушных ресиверов
Установка двухсекционного тормозного крана
Установка четырехконтурного защитного клапана
Установка ускорительного клапана
Установка клапана управления тормозами прицепа
Установка регулятора тормозных сил
Установка кабелей АБС
Установка кабелей АБС
Установка модуляторов АБС
Установка двухмагистрального клапана
Установка пневмоуправления системой АБС
Установка пневмоуправления системой АБС
Установка охладителя
Установка пневмовыводов к полуприцепу
Кран слива конденсата
Кран тормозной двухсекционный с педалью
Кран тормозной двухсекционный
Клапан контрольного вывода
Клапан защитный четырехконтурный
Кран экстренного растормаживания
Клапан ускорительный в сборе
Установка электронного блока управления АБС
Электрооборудование. Расположение на автомобиле
Установка аккумуляторных батарей
Панель выключателей
Установка фар и передних указателей поворота
Установка фар дополнительных и противотуманных
Установка плафонов
Установка плафона освещения спального места
Установка плафона освещения вещевого ящика
Установка подкапотной лампы
Установка задних фонарей
Установка фонарей освещения номерного знака
Установка электромеханического корректора
Установка звуковых электрических сигналов
Установка розетки внешнего запуска
Установка розеток прицепа
Установка розетки переносной лампы
Установка бокового повторителя указателей поворота
Установка прерывателя указателей поворота
Установка прожектора освещения сцепного устройства
Установка боковых габаритных фонарей
Установка малогабаритного выключателя массы
Установка фонарей автопоезда
Установка габаритных фонарей
Установка проблесковых фонарей
Установка электрооборудования подогревателя Webasto 15.8106
Пульт управления подогревателем
Установка терморегулятора
Установка блока управления подогревателем
Установка реле
Установка реле
Установка преобразователя напряжения
Щиток приборов
Установка трубопроводов к манометру
Установка датчиков аварийного давления воздуха
Установка электрооборудования АБС
Радиооборудование
Установка автомагнитолы
Установка громкоговорителей
Установка седельно-сцепного устройства
1
2
3
4
4
4
4
4
4
4
4
6
11
12
12
14
15
16
17
18
19
20
21
22
23
24
24
25
25
25
25
25
26
26
26
26
26
26
26
26
27
27
28
31
31
31
Позиция на иллюстрации
Заводской номер детали
Название детали
1
53205-3513015
Ресивер в сборе сварка
2
54112-3513081-10
Кронштейн
3
5320-3513185-10
Хомут
4
740-1003439
Кольцо уплотнительное
6
54112-3513185-10
Хомут
11
5320-1311068-30
Прокладка хомута
12
5320-1311073
Прокладка хомута
14
1/58887/21
Болт М10х1,25-6gх55
15
1/21647/11
Гайка М10х1,25-6Н
16
1/21641/11
Гайка М16х1,5-6Н
17
1/05168/77
Шайба 10 пружинная
18
1/05172/77
Шайба 16 пружинная
19
1/26467/01
Шайба плоская 8х20
20
251645
Гайка М8-6Н ОСТ 37.001.197-75
21
861005
Угольник ввертный
22
861007
Угольник
23
861013
Тройник ввертный
24
861015
Тройник
25
861021
Гайка М22х1,5-6Н
26
861024
Шайба
27
864323
Пробка М22х1,5-6Н
28
864806
Переходник
31
16-3513110
Кран слива конденсата в сборе
Содержащиеся в справочниках-каталогах запасные части и детали не предлагаются к продаже, а носят исключительно информационный характер
Дополнительная информация
×
Название:
Номер:
Примечание: