Вернуться на главную
Поиск
Каталоги запчастей к технике
Грузовые автомобили и прицепы
Камский автозавод
6520 (Euro-4)
5460-1311005 Установка бачка расширительного
Каталог запасных частей к технике: Камский автозавод 6520 (Euro-4). 5460-1311005 Установка бачка расширительного
zoom-in
zoom-out
enlarge
shrink
circle-right
circle-left
file-text2
info
cart
Тип техники
Не выбрано
Легковые автомобили
Грузовые автомобили и прицепы
Автобусы
Сельхозтехника
Спецтехника
Двигатели
Мототехника
Марка
Не выбрано
BAW
DAF
DongFeng
FAW
Foton
HOWO
Hyundai
IVECO
JAC Motors
LGMG
MAN
Shaanxi
SITRAK
Studebaker
Tata
Volvo
Автокомпонент Плюс
БелАЗ
Брянский Арсенал
ГАЗ
ЗИЛ
КАЗ
Камский автозавод
КрАЗ
Мадара
МАЗ
МЗКТ
МоАЗ
Нефтекамский автозавод
Ставропольский Завод АвтоПрицепов
ТАТРА
Тонар
УралАЗ
ЧМЗАП
Модель
Не выбрано
4308 (2004)
4308 (2008)
4308 (Евро 3) (2013)
4308 (Евро 4) (2012)
4308-C4 (2019)
4308-C4 (2019)
4308-H3 (2019)
4308-R4 (2019)
4310
4310
43101
43114
43118 (2002)
43118 (Евро 4) (2012)
43253 (Часть-1) (2011)
43253 (Часть-2) (2011)
43253, 43255 (Евро-4) (2012)
43255 (Евро-2) (2012)
43255 (Евро-3) (2012)
4326 (2001)
4326 (2003г)
43261 (Евро-1, 2) (2007)
4350 (4х4) (2004)
43501 (4х4) (2007)
43502 (Евро 4) (2013)
45141 (2009)
45142 (2009)
45143 (2009)
5308 (Евро 3) (2012)
5308 (Евро 4) (2013)
5315
5320
53212
53228, 65111 (2004)
53229 (Евро 2) (2010)
5350 (6х6) (2004)
53501 (6х6) (2007)
53504 (6х6) (2007)
5360
53605 (Евро-4) (2013)
5410
54112
5460
5460 (2005)
5490 (2016)
55102
5511 (2003)
6350 (8х8) (2004)
63501 (8х8) (2007)
6450 (8х8) (2007)
6460
6460 (Евро 3, 4) (2013)
6460 (Евро 4) (2013)
65111 (2008)
65111 (Евро 4) (2012)
65115 (2001)
65115 (2009)
65115 (Евро-3) (2013)
65115, 65116 (Евро-4) (2010)
65116 (2006)
6520
6520 (Euro-2, 3) (2009)
6520 (Euro-4) (2012)
6520 (Euro-4) (2016)
65201 (2007)
65201 Евро 2-3 (2016)
6522 (2005)
6522 (Euro-2, 3) (2009)
6522 (Евро-4) (2016)
65226 (2009)
65226 (2013)
6540
KNORR-BREMSE применяемых на технике Камского автозавода
Общий (5320, 53212, 5410, 54112, 5511, 55102)
Самосв. установка 6520 (2011)
Схема
>
Не выбрано
6520-1000264-13 Агрегат силовой 740.73-400, укомплектованный для установки на автомобиль
6520-1000264-14 Агрегат силовой 740.74-420, укомплектованный для установки на автомобиль
740.73-1000304 Агрегат силовой 740.73-400
740.74-1000304 Агрегат силовой 740.74-420
740.73-1000404 Двигатель 740.73-400 с оборудованием
740.74-1000404 Двигатель 740.74-420 с оборудованием
65205-1001000 Установка кронштейнов силового агрегата
740.70-1002004 Установка картера маховика
740.70-1002310 Картер маховика
740.70-1029115 Шестерня ведущая
740.30-1029125 Ось ведущей шестерни
740.21-1002010 Блок цилиндров
740.21-1002011 Блок цилиндров
740.90-1003000 Установка головок цилиндра и механизма газораспределения
740.90-1003010 Головка цилиндра с клапанами и стойкой коромысел
740.90-1003014 Головка цилиндра
7406.1007140 Коромысло клапана
740.21-1006010 Распределительный вал
740.60-1004000-96 Установка цилиндропоршневой группы и форсунок охлаждения поршня
740.60-1004010-42 Поршень с шатуном и кольцами
740.1004045 Шатун
740.50-1005007 Установка коленчатого вала
740.50-1005008 Коленчатый вал
740.21-1005059-10 Установка гасителя крутильных колебаний и полумуфты отбора мощности
7406.1005060-20 Установка шкива коленчатого вала
740.60-1005100-20 Установка маховика
740.70-1005200 Установка привода отбора мощности переднего
740.70-1005500-10 Привод агрегатов
740.63-1002260 Крышка блока цилиндров передняя
740.74-1008000 Установка газопровода
740.63-1009001-20 Установка картера масляного
740.60-1011001 Установка масляного насоса
740.60-1011005 Насос масляный с маслозаборником
740.60-1011010 Масляный насос с шестерней
740.90-1012001 Установка фильтра и теплообменника
740.90-1012006 Фильтр масляный с теплообменником
7406.1012010 Фильтр очистки масла
7406.1012015 Корпус масляного фильтра
740.63-1014100 Установка системы вентиляции
740.70-1022800 Установка магнитного клапана и штифтовых факельных свечей
740.70-1022860-10 Клапан с кронштейном, штуцером и трубкой
65222-1001005-01 Установка силового агрегата
5320-1001062-10 Башмак задней опоры силового агрегата
6520-1080010-20 Капотирование нижнее моторного отсека
6520-1100075 Установка топливного бака, ФГОТ и топливопроводов
53215-1101010-05 Бак топливный
53215-1103001 Установка крышки топливного бака
6520-1109001 -60 Установка воздушного фильтра
6520-1109002-60 Фильтр воздушный в сборе с переходником и патрубком с датчиком
6520-1109003-60 Установка воздухозаборника
6520-1200012 Установка системы выпуска
6520-A208003 Установка бака нейтрализующей жидкости
6520-1208500-10 Установка насоса дозирующего
6520-1208500-20 Установка насоса дозирующего
6520-1208020-10 Установка датчиков и форсунки
6520-1208020-10 Установка датчиков и форсунки
6520-1208070-10 Установка трубопроводов системы нейтрализации
6520-1208070-20 Установка трубопроводов системы нейтрализации
6520-1208550-10 Модуль подающий
6520-1208550-20 Насос дозирующий
6520-1300023-50 Установка блока охлаждения
6520-1301005-50 Блок охлаждения
65224-1301500-30 Установка кожуха защитного радиатора
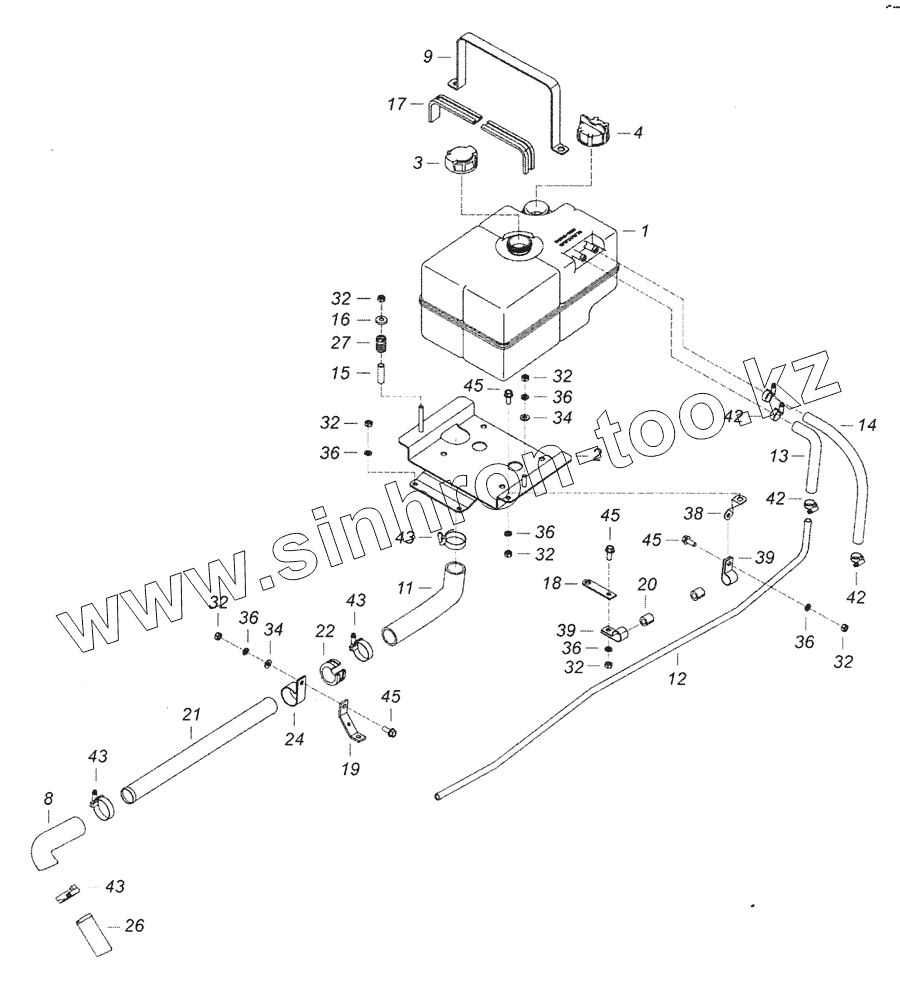
5460-1311005 Установка бачка расширительного
5320-1311060 Пробка расширительного бачка
7406.1303002 Установка водяных труб
7406.1303100-10 Труба водяная правая
740.63-1303005-30 Установка корпуса водяных каналов
740.63-1303010-30 Корпус водяных каналов с термостатами
740.63-1307005 Установка водяного насоса
740.63-1307010 Насос водяной
740.65-1307500 Установка привода агрегатов переднего
740.74-1308005 Установка вентилятора с вязкостной муфтой
6520-1580004 Установка шумоизоляционного экрана КПП
5460-1600006-19 Установка педали и привода выключения сцепления
5460-1602008 Педаль сцепления с кронштейном и главным цилиндром
6460-1602010 Педаль сцепления
5320-1602510-10 Главный цилиндр управления сцеплением
20.1600010 Сцепление
65205-1600300-10 Установка трубок вентиляции
6520-1700005-30 Установка коробки передач на двигатель
65225-1700005 Установка деталей крепления коробки передач на двигателе
6520-1703005-41 Установка привода управления механизмом переключения передач
53602-1703204 Опора рычага переключения передач
6540-1703325-06 Тяга
43085-1703520 Тяга реактивная
6520-1703460-41 Тяга задняя
6460-1772005-04 Установка пневмопривода управления переключением передач
6520-2200001-30 Установка карданных валов
6520-2201011-11 Вал карданный заднего моста
6520-2201015-11 Вал карданный
6520-2400015-10 Мост задний
6520-2401007 Картер моста заднего с механизмом блокировки
55102-2409016 Вилка блокировки
43081-2401114 Сапун
6520-2402011-10 Передача главная заднего моста
6520-2402015 Картер редуктора заднего моста
6520-2402021-10 Шестерня ведущая коническая
6520-2402048 Стакан подшипников
6520-2402050-01 Крышка подшипника - Bearing cover
6520-2403011-10 Дифференциал моста заднего
53212-2403054 Сателлит дифференциала заднего моста с втулкой
6520-2405024 Водило с кожухом и сателлитами
6520-2405061 Шестерня ведомая колесной передачи
6520-2500011-10 Мост средний
6520-2502011-10 Передача главная среднего моста
6520-2502015 Картер редуктора среднего моста
6520-2502050-01 Крышка подшипника
6520-2502208-01 Крышка подшипника
6520-2503011-10 Дифференциал моста среднего
6520-2506010 Межосевой дифференциал среднего моста
6520-2800010-56 Рама
6520-2804003-06 Установка заднего буфера
6520-2900001-50 Установка передней подвески
6520-2902012-20 Рессора передняя
65115-2905535 Кронштейн амортизатора левый
65115-2906070 Кронштейн стабилизатора
6520-2900002 Установка задней подвески
6520-2912012 Рессора задняя
6520-2918050 Кронштейн балансира с осью
6520-2918068 Башмак рессоры с втулками и чашкой - Spring shoe with bushings and cup
6520-3000012 Ось передняя с тормозами
6520-3000015 Ось передняя
6520-3001012 Кулак поворотный
65205-3101002 Установка передних колес
65205-3101003 Установка сдвоенных колес
65205-3101011 Колесо с шиной
6520-3103009 Ступица переднего колеса с барабаном, подшипником и манжетой
6520-3104009 Ступица заднего колеса с манжетами
6520-3105010-10 Держатель запасного колеса
6520-3105010-21 Держатель запасного колеса
6520-3105060 Ворот
6520-3400004-40 Установка колонки рулевого управления
6520-3400002-19 Установка рулевого колеса
5460-3400002-19 Установка рулевого колеса
6520-3400006-19 Установка круиз-контроля
6520-3406014-19 Установка крана регулировки рулевой колонки
6520-3422008-30 Вал карданный
6520-3422010-30 Вал карданный
6520-3422010-31 Вал карданный
6520-3444075-19 Колонка рулевого управления с кронштейном
6520-3444008-19 Колонка рулевого управления
6520-3444010-19 Колонка рулевого управления
6520-3400012-40 Установка рулевого механизма
6520-3400012-35 Установка рулевого механизма
6520-3401001-40 Механизм рулевой с сошкой
65222-3400018-20 Установка трубопроводов ГУР
6520-3400018-34 Установка трубопроводов
6520-3414010-40 Тяга сошки с наконечниками
6520-3407001-40 Установка насоса рулевого усилителя
6520-3414052 Тяга рулевой трапеции
6520-3414055 Наконечник тяги
6520-3500006-01 Установка пневмопривода тормозов
6460-3511001 Блок подготовки воздуха
6460-3500011-84 Установка осушителя
6520-3513011-86 Ресивер
6520-3511001-86 Осушитель
5460-3531010 Клапан накачки шин и кран экстренного растормаживания
5460-3500080-05 Установка пневмопривода в кабине
6520-3500014-34 Установка двухсекционного тормозного крана
5320-3514108 Кран тормозной двухсекционный с педалью
100-3514108-10 Кран тормозной двухсекционный
16-3515310 Клапан контрольного вывода
6520-3513012 Блок ресиверов
16-3513110 Кран слива конденсата
5460-3542005 Блок модуляторов АБС
6520-3518010-04 Блок управления тормозами задней тележки
2233-3518010-20 Ускорительный клапан с глушителем
2233-3522010-10 Клапан управления тормозами прицепа с двухпроводным приводом и глушителем
6520-3506003 Установка жгута управления тормозами прицепа
65225-3506010-04 Жгут трубопроводов правый
6522-3515010 Четырехконтурный защитный клапан в сборе с фитингами и двухмагистральным клапаном
65201-3506170-07 Установка охладителя
6520-3513023 Ресивер в сборе с соединительной арматурой
6540-3542005 Модуляторы с соединительной арматурой
6460-3570009 Клапан электромагнитный с фитингами
6520-3501011-12 Тормоз передний
6520-3502011-12 Тормоз задний
6520-3501012 Суппорт тормоза
6520-3501090-40 Колодка тормоза с накладками
6520-3501090-41 Колодка тормоза с накладками
6520-3501121 Кронштейн тормозной камеры и разжимного кулака
6520-3502128 Кронштейн с втулками
7406.3509003-05 Установка компрессора
740.30-3509004-01 Установка компрессора
53205-3541109-01 Датчик скорости с втулкой
65115-3570010-04 Корпус вспомогательного тормоза с заслонкой
65115-3570014-04 Корпус вспомогательного тормоза с заслонкой
53205-3570205 Пневмоцилиндр вспомогательного тормоза
6520-3700011-50 Электрооборудование. Расположение на автомобиле
6520-3700060-50 Электрооборудование. Расположение на панели приборов
6520-3700011-50 Светотехника на автомобиле
740.60-3701001-10 Установка генератора
53605-3703001-30 Установка аккумуляторных батарей
5308-3710004 Установка выключателя аккумуляторной батареи
65115-3710007 Установка выключателя ЭФУ
740.60-3708005 Установка стартера и фиксатора
65201-3710001-64 Установка выключателей
6520-3710001-50 Установка выключателей
53205-3711040 Установка таблички регулировки пучка света фар
65228-3710002 Установка выключателя коробки отбора мощности
6520-3740001 Установка блока управления ЭФУ
6520-3718001 Установка блока управления корректором фар
5320-3721001-10 Установка звуковых электрических сигналов
65115-3722002 Установка блока предохранителей
4308-3722001-30 Установка предохранителей
6520-3723003-34 Установка розеток прицепа
53205-3723005 Установка розетки переносной лампы
6520-3724002-50 Установка проводов на панели приборов
740.70-3724010 Установка жгута проводов
740.70-3724050 Установка блока управления
740.70-3724060 Блок управления в сборе
6540-3737001 Установка выключателя массы
65115-3741016-70 Установка электрооборудования системы подогрева топлива на панели приборов
5308-3741001 Установка электрооборудования подогревателя
65115-3741018 Установка электрооборудования обогрева зеркал на кабине
65115-3741017 Установка оборудования обогрева зеркал
4308-3747001-50 Установка реле
5308-3802001 Пломбировка спидометра
4308-3830005 Установка датчиков указателя давления воздуха
5308-3805001 Установка щитка приборов
5308-3805010 Щиток приборов
53205-3830002 Установка датчиков аварийного давления воздуха
6520-3840002-50 Пломбировка датчика скорости
65115-3840001 Установка тахографа
6520-4000012-30 АБС. Расположение на автомобиле
43253-4000120-10 АБС. Расположение на панели приборов
43253-4000220-10 АБС. Расположение на кабине
6520-4000320-30 Управление АБС с функцией ПБС. Расположение на шасси ABS.
6520-4000010-74 Система управления двигателем. Расположение на автомобиле
6520-4000016-70 Система нейтрализации отработавших газов.
65201-5000007-10 Установка подвески кабины и ограничителя подъема кабины. Условная сборочная единица.
65201-5001006-10 Установка задней подвески кабины
65201-5000003 Установка передней подвески кабины
65201-5002051-10 Установка ограничителя подъма кабины
4310-5002074 Шпилька стопорная
43253-5000012-06 Кабина в сборе с оперением
6520-5000014-83 Кабина с дверями окрашенная
6520-5000079-50 Установка механизма опрокидывания кабины
6520-5003179-20 Механизм опрокидывания кабины
5460-5000121 Установка сиденья водителя
5460-5000122 Установка сиденья пассажира
6460-5000080 Установка заглушек на крыше
53205-5101250 Установка облицовок порогов
6520-5205001 Установка стеклоочистителя
65115-5206005 Установка ветровых стекол
65115-5208004 Установка омывателя
6560-5300023-10 Установка панели приборов
6560-5325300 Щиток нижний с приборами
6522-5325160 Установка поручней панели приборов и облицовок стоек
53205-5310001 Установка ручки передка
65115-5603005 Установка стекол окна задка
6520-5614200-30 Установка шумоизоляционного экрана над двигателем
53205-5713008 Установка вентиляционного люка крыши
53205-6100015 Дверь
65115-6108005 Установка косынок передка и ограничителя открывания двери
65115-6100005 Установка стекол и арматуры двери
65115-6105011 Установка замков и ручек двери левая
65115-6102005 Установка обивок двери
65115-6100005 Установка стекол и арматуры двери
5320-6105011 Установка замков и ручек двери левая
5320-6105021-10 Замок двери левый
5320-6105035-10 Фиксатор замка левый
5320-6105080 Привод замка двери правый в сборе
5320-6105150 Ручка двери наружная
65115-6104005 Установка стеклоподъемников двери
65115-6110005 Установка опускных стекол
65115-6114005 Установка подлокотников двери
54115-6800900-02 Схема подключения пневмосистемы сидений
6460-6800900-02 Схема подключения пневмосистемы сидений
4308-7900010 Радиооборудование. Расположение на панели приборов
4308-7900020 Радиооборудование. Расположение на кабине
4308-8100005-91 Установка системы отопления кабины
5320-8105160-02 Кран отопления
5320-8109020-10 Привод управления отоплением
5320-8118069 Колесо рабочее с электродвигателем
6520-8106002-93 Установка топливного бачка и топливопроводов подогревателя
65115-1015265 Бачок топливный
6520-8106003-92 Установка жидкостных рукавов
6520-8106005-92 Установка подогревателя и электронасоса
5460-8201002-01 Установка зеркал заднего вида
6522-8202005 Установка поручней входа
5460-8207020-10 Установка столика-крышки
65115-8212180 Установка маркировки светоотражающей на кабине
65115-8213005 Установка надоконных полок
53205-8212300 Установка окантовок и уплотнителей
65115-8217006-01 Установка ремня безопасности пассажира
6520-8212008-01 Установка заводских боковых знаков
43255-8400006 Установка оперения кабины
63501-8401009 Установка облицовочной панели
6520-8403010-42 Установка задней части переднего крыла правая
6520-8403011-42 Установка задней части переднего крыла левая
6520-8404005-30 Установка задних крыльев
6520-8410003-71 Установка боковой защиты
53205-8415002 Установка аэродинамического козырька
65222-8416009 Нижний пояс «Рестайлинг».Условная сборочная единица
65222-8416009-50 Нижний пояс «Рестайлинг».Условная сборочная единица
5460-8416012-10 - Установка облицовки буфера
5460-8416012-50 - Установка облицовки буфера
65222-8405011 Установка подножек левая
6520-4202005-20 Установка коробки отбора мощности с насосом
6520-2700010 Установка подрамника и сцепных устройств
1
2
3
3
4
8
9
11
12
13
14
15
16
17
18
19
20
21
22
24
26
27
32
32
32
32
32
32
32
34
34
36
36
36
36
36
36
38
39
39
42
42
42
43
43
43
43
45
45
45
45
Позиция на иллюстрации
Заводской номер детали
Название детали
1
6520-1311010
Бачок расширительный
2
5460-1311025-10
Кронштейн расширительного бачка
3
9527-1311060-02
Пробка расширительного бачка
3
5320-1311060
Пробка расширительного бачка в сборе
4
6520-1311100
Крышка наливной горловины
8
7405.1013292-01
Рукав
9
5297-1303079-10
Прокладка хомута
11
65115-1311049
Рукав
12
5460-1311061
Трубка пароотводящая
13
6520-1311066
Рукав
14
5320-1311066-31
Рукав
15
5320-1311075
Втулка
16
5320-1311080
Тарелка пружины
17
5460-1311087
Скоба верхняя
18
740.70-1311088
Кронштейн
19
740.70-1311089
Кронштейн трубы перепускной
20
5320-1311089
Прокладка хомута
21
5460-1311091
Труба перепускная
22
6520-1311093-76
Прокладка хомута
24
54115-1311094
Хомут
26
740.70-1311261
Штуцер подводящий
27
4310-3122017
Пружина
32
1/61008/11
Гайка М8х1,25-6Н
34
1/05196/01
Шайба плоская 8х17
36
1/05166/77
Шайба 8 пружинная
38
853925
Скоба специальная
39
864411
Хомут 20 специальный
42
45104998011090
Хомут с червячной резьбой ТОRR0 12-22/9-С7W1
43
45104998011290
Хомут TORRO 30-45/12-C7W1
45
45104991008200
Болт М8-6gх20
Содержащиеся в справочниках-каталогах запасные части и детали не предлагаются к продаже, а носят исключительно информационный характер
Дополнительная информация
×
Название:
Номер:
Примечание: