Каталог запасных частей к технике: Камский автозавод 6520. Замок, фиксатор замка, ручка двери
2
3
4
5
9
10
11
12
12
13
13
14
15
15
16
17
18
19
20
21
22
23
24
25
26
26
27
27
28
28
36
37
38
39
40
41
42
44
45
46
49
50
50
51
52
53
54
55
55
56
57
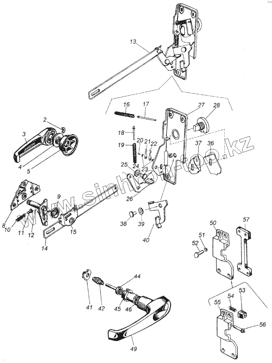
| Позиция на иллюстрации | Заводской номер детали | Название детали | |
|---|---|---|---|
| 5320-6105150 | 5320-6105150 | Ручка двери наружная в сборе | |
| 5320-6105081 | 5320-6105081 | Привод замка двери левый в сборе | |
| 5320-6105080 | 5320-6105080 | Привод замка двери правый в сборе | |
| 2 | 5320-6104067 | Чека крепления ручки | |
| 3 | 5320-6105180 | Ручка двери внутренняя | |
| 4 | 5320-6105197 | Втулка розетки ручки | |
| 5 | 5320-6105196-01 | Розетка ручки | |
| 8 | 5320-6105086 | Корпус правый | |
| 8 | 5320-6105087 | Корпус левый | |
| 9 | 5320-6105088 | Пружина привода замка спиральная | |
| 10 | 5320-6105108 | Пружина цилиндрическая | |
| 11 | 5320-6105109 | Толкатель пружины | |
| 12 | 5320-6105098 | Поводок привода замка правый | |
| 12 | 5320-6105099 | Поводок привода замка левый | |
| 13 | 5320-6105020-10 | Замок двери правый в сборе | |
| 13 | 5320-6105021-10 | Замок двери левый в сборе | |
| 14 | 5320-6105075-10 | Тяга привода замка двери | |
| 15 | 5320-6105095 | Крышка привода левая | |
| 15 | 5320-6105094 | Крышка привода правая | |
| 16 | 5320-6105108-10 | Пружина поводка | |
| 17 | 5320-6105123-10 | Ось | |
| 18 | 5320-6105047 | Ось | |
| 19 | 5320-6105039 | Пружина фиксатора замка | |
| 20 | 1/05315/50 | Заклепка 3х8 | |
| 21 | 5320-6105127-10 | Пружина-фиксатор сбрасывателя | |
| 22 | 5320-6105127 | Пружина-фиксатор сбрасывателя | |
| 23 | 2101-1107650 | Шайба | |
| 24 | 2103-8406037 | Ось крючка замка капота | |
| 25 | 5320-6105102 | Шайба 8 пружинная | |
| 26 | 5320-6105124-10 | Рычаг тяги замка правый | |
| 26 | 5320-6105125-10 | Рычаг тяги замка левый | |
| 27 | 5320-6105022-10 | Корпус замка двери правый | |
| 27 | 5320-6105023-10 | Корпус замка двери левый | |
| 28 | 5320-6105128-10 | Ротор замка двери левый, правый | |
| 28 | 5320-6105129-10 | Ротор замка двери левый | |
| 36 | 5320-6105121-10 | Храповик замка двери | |
| 37 | 5320-6105118-10 | Поводок замка двери правый | |
| 38 | 2103-8406037 | Ось крючка замка капота | |
| 39 | 5320-6105102 | Шайба 8 пружинная | |
| 40 | 5320-6105113-10 | Защелка замка двери правая | |
| 41 | 5320-6105293 | Крышка кнопки | |
| 42 | 5320-6105292 | Пружина кнопки | |
| 44 | 5320-6105228 | Шток кнопки в сборе | |
| 45 | 5320-6105212 | Кнопка в сборе | |
| 46 | 5320-6105315 | Прокладка кнопки | |
| 49 | 5320-6105152 | Ручка наружная | |
| 50 | 5320-6105034-10 | Фиксатор замка правый в сборе | |
| 50 | 5320-6105035-10 | Фиксатор замка левый в сборе | |
| 51 | 1/05164/77 | Шайба 6 пружинная | |
| 52 | 1/09024/21 | Болт М6-6gх20 | |
| 53 | 5320-6105038 | Колодка фиксатора | |
| 54 | 5320-6105039 | Пружина фиксатора замка | |
| 55 | 5320-6105036-10 | Фиксатор замка двери правый | |
| 55 | 5320-6105037-10 | Фиксатор замка двери левый | |
| 56 | 5320-6105047 | Ось | |
| 57 | 5320-6105041 | Пластина крепления фиксатора |
Содержащиеся в справочниках-каталогах запасные части и детали не предлагаются к продаже, а носят исключительно информационный характер