Вернуться на главную
Поиск
Каталоги запчастей к технике
Грузовые автомобили и прицепы
Камский автозавод
6520
Масляный насос
Каталог запасных частей к технике: Камский автозавод 6520. Масляный насос
zoom-in
zoom-out
enlarge
shrink
circle-right
circle-left
file-text2
info
cart
Тип техники
Не выбрано
Легковые автомобили
Грузовые автомобили и прицепы
Автобусы
Сельхозтехника
Спецтехника
Двигатели
Мототехника
Марка
Не выбрано
BAW
DAF
DongFeng
FAW
Foton
HOWO
Hyundai
IVECO
JAC Motors
LGMG
MAN
Shaanxi
SITRAK
Studebaker
Tata
Volvo
Автокомпонент Плюс
БелАЗ
Брянский Арсенал
ГАЗ
ЗИЛ
КАЗ
Камский автозавод
КрАЗ
Мадара
МАЗ
МЗКТ
МоАЗ
Нефтекамский автозавод
Ставропольский Завод АвтоПрицепов
ТАТРА
Тонар
УралАЗ
ЧМЗАП
Модель
Не выбрано
4308 (2004)
4308 (2008)
4308 (Евро 3) (2013)
4308 (Евро 4) (2012)
4308-C4 (2019)
4308-C4 (2019)
4308-H3 (2019)
4308-R4 (2019)
4310
4310
43101
43114
43118 (2002)
43118 (Евро 4) (2012)
43253 (Часть-1) (2011)
43253 (Часть-2) (2011)
43253, 43255 (Евро-4) (2012)
43255 (Евро-2) (2012)
43255 (Евро-3) (2012)
4326 (2001)
4326 (2003г)
43261 (Евро-1, 2) (2007)
4350 (4х4) (2004)
43501 (4х4) (2007)
43502 (Евро 4) (2013)
45141 (2009)
45142 (2009)
45143 (2009)
5308 (Евро 3) (2012)
5308 (Евро 4) (2013)
5315
5320
53212
53228, 65111 (2004)
53229 (Евро 2) (2010)
5350 (6х6) (2004)
53501 (6х6) (2007)
53504 (6х6) (2007)
5360
53605 (Евро-4) (2013)
5410
54112
5460
5460 (2005)
5490 (2016)
55102
5511 (2003)
6350 (8х8) (2004)
63501 (8х8) (2007)
6450 (8х8) (2007)
6460
6460 (Евро 3, 4) (2013)
6460 (Евро 4) (2013)
65111 (2008)
65111 (Евро 4) (2012)
65115 (2001)
65115 (2009)
65115 (Евро-3) (2013)
65115, 65116 (Евро-4) (2010)
65116 (2006)
6520
6520 (Euro-2, 3) (2009)
6520 (Euro-4) (2012)
6520 (Euro-4) (2016)
65201 (2007)
65201 Евро 2-3 (2016)
6522 (2005)
6522 (Euro-2, 3) (2009)
6522 (Евро-4) (2016)
65226 (2009)
65226 (2013)
6540
KNORR-BREMSE применяемых на технике Камского автозавода
Общий (5320, 53212, 5410, 54112, 5511, 55102)
Самосв. установка 6520 (2011)
Схема
>
Не выбрано
Кабина
Установка кронштейнов и механизма уравновешивания кабины
Подвеска задняя кабины
Запор кабины правый
Запор кабины левый
Установка механизма опрокидывания кабины
Окно ветровое, зеркала
Установка вентиляционного люка крышки
Стеклоочиститель и его привод Насос водяной очистки стекла
Экран защитный
Дверь
Дверь
Замок, фиксатор замка, ручка двери
Стеклоподъемник двери
Сидение водителя
Механизм регулирования положения сиденья водителя
Установка сидений
Элементы отопления и вентиляции кабины
Кран отопления в сборе
Привод управления отоплением
Установка подогревателя 15.8106
Подогреватель жидкостный в сборе
Установка задней части переднего крыла правая, левая
Крыло, брызговик и подножка
Установка боковой защиты
Установка брызговиков
Установка задних крыльев
Установка нижней подножки
Опрокидывающее устройство платформы 6522-8600010
Силовой агрегат
Силовой агрегат
Опора передняя с подушками
Опора силового агрегата задняя
Опора силового агрегата поддерживающая
Двигатель с оборудованием
Комплекты для запасных частей
Комплекты для запасных частей
Комплекты для запасных частей
Комплекты для запасных частей
Комплекты запасных частей
Установка картера агрегатов
Установка картера маховика
Картер маховика в сборе
Установка фиксатора маховика
Блок цилиндров в сборе
Блок цилиндров
Блок цилиндров (Комплект для запасных частей)
Газораспределительный механизм
Головка цилиндра
Головка цилиндра (Комплект для запасных частей)
Головка цилиндра с втулками
Коромысло клапана в сборе
Вал распределительный
Поршень с шатуном и кольцами в сборе
Установка форсунки охлаждения поршня
Клапан форсунки охлаждения поршня
Установка вала коленчатого и маховика
Вал коленчатый
Маховик
Установка шкива коленчатого вала
Установка привода отбора мощности переднего
Установка газопровода
Установка картера масляного
Установка масляного насоса
Масляный насос с маслозаборником в сборе
Масляный насос с шестерней
Комплект: насос масляный с шестерней (для запасных частей)
Масляный насос
Крышка масляного насоса с клапаном в сборе
Корпус масляного насоса
Крышка масляного насоса в сборе
Шестерня ведомая масляного насоса
Маслозаборник
Установка фильтра и теплообменника
Фильтр масляный с теплообменником
Фильтр очистки масла
Корпус масляного фильтра в сборе
Колпак фильтра очистки масла
Теплообменник масляный
Сердцевина в сборе
Установка системы вентиляции
Установка электромагнитного клапана
Система питания двигателя
Клапан в сборе
Фильтр тонкой очистки топлива
Установка и привод ТНВД
Вал привода ТНВД
Насос топливный высокого давления
Топливный насос низкого давления
Крышка регулятора верхняя в сборе
Державка грузов регулятора
Корректор подачи топлива по наддуву
Рычаг регулятора
Секция топливного насоса
Установка форсунок
Форсунка
Установка турбокомпрессора
Установка топливного бака, ФГОТ и топливопроводов
Фильтр грубой очистки с насосом предпусковой прокачки топлива
Бак топливный
Установка управления подачи топлива
Система питания воздухом
Фильтр воздушный в сборе
Установка тройника
Установка системы охладителя наддувочного воздуха
Система впуска
Система выпуска газа
Установка водяных труб
Установка корпуса водяных каналов
Корпус водяных каналов
Установка водяного насоса
Водяной насос
Установка радиатора и уплотнителей радиатора
Установка кожуха радиатора
Сцепление
Установка педали и привода выключения сцепления
Вилка выключения сцепления
Установка цилиндра сцепления
Установка картера сцепления
Картер коробки передач с пробками
Установка нижней крышки картера и трубки распылителя
Первичный вал
Установка крышки первичного вала
Промежуточный вал
Установка насоса
Основной вал
Установка пробок картера
Штоки вилок переключения передач
Механизм переключения передач
Установка боковых крышек механизма переключения передач
Установка датчиков механизма переключения передач
Комплект пружин
Механизм управления демультипликатором
Установка задней крышки картера
Картер планетарной передачи
Привод планетарной передачи
Установка заднего фланца
Синхронизатор планетарной передачи
Управление планетарной передачей
Механизм выбора передаточного числа
Комплекты для запасных частей
Установка пневмопривода управлением переключения передач
Привод управления механизмом переключения передач
Тяга реактивная в сборе
Опора рычага переключения передач в сборе
Установка карданных валов
Вал карданный заднего моста
Вал карданный среднего моста
Мост задний в сборе
Картер моста заднего с механизмом блокировки в сборе
Вилка блокировки
Передача главная заднего моста
Шестерня ведущая заднего моста
Дифференциал моста заднего
Сателлит в сборе
Водило с кожухом и сателлитами
Водило планетарной передачи
Шестерня ведомая колесной передачи
Привод блокировки межколесных дифференциалов
Мост средний в сборе
Картер моста среднего с механизмом блокировки в сборе
Вилка блокировки
Передача главная среднего моста
Шестерня ведущая среднего моста
Крышка подшипника в сборе
Дифференциал моста среднего
Межосевой дифференциал моста среднего
Привод блокировки межосевого дифференциала
Установка буксирной поперечины
Установка заднего буфера
Установка буксирной вилки
Подвеска передняя в сборе
Рессора передняя
Подвеска задняя в сборе
Рессора задняя
Кронштейн балансира с осью
Башмак рессоры с втулками и манжетами
Башмак рессоры с втулками
Штанга реактивная в сборе
Ось передняя с тормозами
Ось передняя
Кулак поворотный
Установка передних колес
Установка сдвоенных колес
Колесо с шиной 8.5-20
Колесо дисковое 8,5-20
Установка запасного колеса
Ворот
Ступица переднего колеса
Ступица с тормозным барабаном
Ступица заднего колеса с манжетами
Ступица заднего колеса с болтами
Стакан с манжетами
Манжета
Ступица заднего колеса с тормозным барабаном и кожухом
Ступица с тормозным барабаном. Комплект для запчастей.
Установка рулевого механизма
Тяга сошки с наконечниками
Тяга
Наконечники тяги рулевой трапеции
Колонка рулевого управления
Установка трубопроводов рулевого управления
Установка насоса рулевого управления
Тормоз передний
Установка компрессора
Суппорт тормоза
Колодка тормоза с накладками
Тормоз задний
Суппорт тормоза задний
Кронштейн с втулками
Установка пневмотормозов
Кран экстренного растормаживания
Компрессор пневмотормозов
Установка осушителя
Установка охладителя
Ресивер
Установка воздушных ресиверов
Кран тормозной двухсекционный
Кран тормозной двухсекционный с педалью
Клапан контрольного вывода
Клапан защитный четырехконтурный
Установка ускорительного клапана
Камера тормозная в сборе
Установка клапана двухмагистрального
Цилиндр вспомогательного тормоза пневматический
Цилиндр выключения подачи топлива пневматический
Установка регулятора тормозных сил
Генератор
Установка батарей аккумуляторных
Стартер
Установка розетки внешнего запуска
Предохранители электрических цепей и электродвигатель вентилятора
Установка приборов освещения на кабине
Установка фар дополнительных и противотуманных
Установка рабочей фары
Сигналы звуковые низкого тона высокого тона
Прожектор прерыватель указателей поворота и резистор факельного устройства облегчения пуска
Электропровода
Установка фонарей освещения номерного знака
Установка реле
Установка боковых габаритных фонарей
Установка электрооборудования подогревателя
Панель выключателей
Щиток приборов
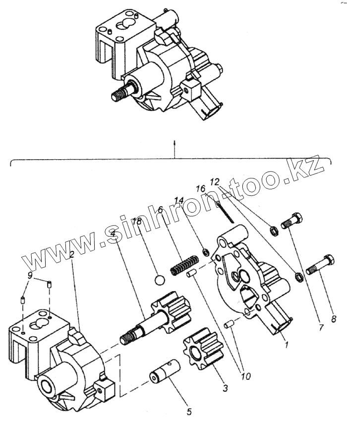
1
2
3
4
5
6
7
8
9
10
12
14
16
18
Позиция на иллюстрации
Заводской номер детали
Название детали
1
740.11-1011016
Крышка масляного насоса с клапаном с боре
2
740.1011018-05
Корпус насоса в сборе
3
740.1011030-50
Шестерня ведомая масляного насоса в сборе
4
740.11-1011040
Шестерня ведущая в сборе
5
740.1011025-50
Ось
6
7408.1011058
Пружина клапана
7
1/59709/21
Болт М10х1,25-6gх35
8
1/13437/21
Болт М10х1,25-6gх65
9
870771
Штифт цилиндрический 8х16
10
870768
Штифт цилиндрический 5х13
12
870860
Шайба тарельчатая 10
14
1/26428/01
Шайба плоская 4,45х12,5х1
16
1/07348/01
Шплинт 2,7х40
18
864753
Шарик 12,7-100 ГОСТ 3722-81
Содержащиеся в справочниках-каталогах запасные части и детали не предлагаются к продаже, а носят исключительно информационный характер
Дополнительная информация
×
Название:
Номер:
Примечание: