Вернуться на главную
Поиск
Каталоги запчастей к технике
Грузовые автомобили и прицепы
Камский автозавод
65115
Регулятор давления пневмотормозов
Каталог запасных частей к технике: Камский автозавод 65115. Регулятор давления пневмотормозов
zoom-in
zoom-out
enlarge
shrink
circle-right
circle-left
file-text2
info
cart
Тип техники
Не выбрано
Легковые автомобили
Грузовые автомобили и прицепы
Автобусы
Сельхозтехника
Спецтехника
Двигатели
Мототехника
Марка
Не выбрано
BAW
DAF
DongFeng
FAW
Foton
HOWO
Hyundai
IVECO
JAC Motors
LGMG
MAN
Shaanxi
SITRAK
Studebaker
Tata
Volvo
Автокомпонент Плюс
БелАЗ
Брянский Арсенал
ГАЗ
ЗИЛ
КАЗ
Камский автозавод
КрАЗ
Мадара
МАЗ
МЗКТ
МоАЗ
Нефтекамский автозавод
Ставропольский Завод АвтоПрицепов
ТАТРА
Тонар
УралАЗ
ЧМЗАП
Модель
Не выбрано
4308 (2004)
4308 (2008)
4308 (Евро 3) (2013)
4308 (Евро 4) (2012)
4308-C4 (2019)
4308-C4 (2019)
4308-H3 (2019)
4308-R4 (2019)
4310
4310
43101
43114
43118 (2002)
43118 (Евро 4) (2012)
43253 (Часть-1) (2011)
43253 (Часть-2) (2011)
43253, 43255 (Евро-4) (2012)
43255 (Евро-2) (2012)
43255 (Евро-3) (2012)
4326 (2001)
4326 (2003г)
43261 (Евро-1, 2) (2007)
4350 (4х4) (2004)
43501 (4х4) (2007)
43502 (Евро 4) (2013)
45141 (2009)
45142 (2009)
45143 (2009)
5308 (Евро 3) (2012)
5308 (Евро 4) (2013)
5315
5320
53212
53228, 65111 (2004)
53229 (Евро 2) (2010)
5350 (6х6) (2004)
53501 (6х6) (2007)
53504 (6х6) (2007)
5360
53605 (Евро-4) (2013)
5410
54112
5460
5460 (2005)
5490 (2016)
55102
5511 (2003)
6350 (8х8) (2004)
63501 (8х8) (2007)
6450 (8х8) (2007)
6460
6460 (Евро 3, 4) (2013)
6460 (Евро 4) (2013)
65111 (2008)
65111 (Евро 4) (2012)
65115 (2001)
65115 (2009)
65115 (Евро-3) (2013)
65115, 65116 (Евро-4) (2010)
65116 (2006)
6520
6520 (Euro-2, 3) (2009)
6520 (Euro-4) (2012)
6520 (Euro-4) (2016)
65201 (2007)
65201 Евро 2-3 (2016)
6522 (2005)
6522 (Euro-2, 3) (2009)
6522 (Евро-4) (2016)
65226 (2009)
65226 (2013)
6540
KNORR-BREMSE применяемых на технике Камского автозавода
Общий (5320, 53212, 5410, 54112, 5511, 55102)
Самосв. установка 6520 (2011)
Схема
>
Не выбрано
Кабина (53215, 54115)
Кабина (55111, 65115)
Установка кронштейнов и механизма уравновешивания кабины
Подвеска задняя кабины
Запор кабины правый
Запор кабины левый
Стеклоочиститель и его привод. Насос водяной очистки стекла
Дверка вещевого ящика
Ящик вещевой
Установка вентиляционного люка крыши
Дверь
Стеклоподъемник двери
Запор роторного типа
Сидение водителя
Установка сидений (53215, 54115)
Установка сидений (55111, 65115)
Подогреватель жидкостный в сборе
Установка подогревателя 15.8106
Установка топливного бачка и топливопроводов для подогревателя 15.8106
Элементы отопления и вентиляции кабины
Козырек противосолнечный
Зеркала
Крыло, брызговик и подножка
Брызговики
Платформа (53215)
Основные борта платформы (53215)
Надставные борта платформы (53215)
Запоры бортов платформы (53215)
Установка полога надставных бортов (53215)
Установка каркаса тента платформы (53215)
Каркас тента платформы (53215)
Запор стойки №3 каркаса тента (53215)
Установка платформы (55111, 65115)
Платформа (55111)
Платформа в сборе (65115)
Установка запоров заднего борта (55111, 65115)
Ограничитель опрокидывания платформы (55111, 65115)
Насос опрокидывающего механизма (55111, 65115)
Надрамник опрокидывающего механизма (55111, 65115)
Гидроцилиндр опрокидывающего механизма (55111, 65115)
Кран управления (55111, 65115)
Устройство опрокидывающее платформы (55111, 65115)
Двигатель (740.11-1000410-21, 740.11-100410-03, 740.11-1000411-75, 740.13-1000400-22)
Двигатель (740.11-1000410-21, 740.11-100410-03, 740.11-1000411-75, 740.13-1000400-22)
Установка силового агрегата
Комплект вкладышей (комплекты для запасных частей 53215, 54115, 55111, 65115)
Комплект вкладышей (комплекты для запасных частей)
Комплект колец (комплекты для запасных частей 53215, 54115, 55111, 65115)
Коленвал (комплекты для запасных частей)
Гильза цилиндра с поршнем, пальцем, кольцами (комплекты для запасных частей 53215, 54115, 55111, 65115)
Установка картера маховика и крышки блока передней
Блок цилиндров в сборе
Картер масляный в сборе
Газораспределительный механизм
Головка цилиндра
Поршень с шатуном и кольцами
Вал коленчатый в сборе (740.1005008-40, 740.13-1005008)
Вал коленчатый в сборе (740.1005009-40, 740.13-1005008)
Вал коленчатый с маховиком
Маховик в сборе
Вал распределительный
Толкатели газораспределительного механизма
Насос масляный с маслозаборником
Фильтр масляный с теплообменником
Фильтр очистки масла
Вентиляция картера двигателя
Привод распределительного вала и топливного насоса
Установка предпускового подогревателя
Агрегат насосный предпускового подогревателя
Насос топливный предпускового подогревателя
Котел подогревателя
Нагнетатель насосного агрегата предпускового подогревателя
Крепление котла подогревателя
Крепление топливного бачка подогревателя
Газопровод
Установка и привод ТНВД
Установка топливного бака, ФГОТ и топливопроводов (53215)
Установка топливного бака, ФГОТ и топливопроводов (54115, 55111, 65115)
Фильтр грубой очистки топлива в сборе
Фильтр тонкой очистки топлива
Привод акселератора
Привод акселератора
Система питания двигателя
Система питания двигателя
Топливный насос низкого давления
Регулятор частоты вращения
Крышка регулятора верхняя в сборе
Державка грузов регулятора в сборе
Топливный насос высокого давления
Корпус топливного насоса в сборе
Корпус топливного насоса
Секция топливного насоса
Форсунка
Муфта опережения впрыскивания
Насос предпусковой прокачки топлива
Установка электромагнитного клапана
Система питания воздухом (53215, 54115)
Система питания воздухом (55111, 65115)
Фильтр воздушный в сборе
Установка тройника (53215, 54115)
Установка тройника (55111, 65115)
Трубопроводы впускные
Установка турбокомпрессора
Система выпуска газа (53215, 55111)
Система выпуска газа (54115)
Система выпуска газа (65115)
Установка радиатора и уплотнителей радиатора
Установка жалюзи радиатора
Трубы и шланги
Трубы водяные
Насос водяной в сборе
Установка расширительного бачка
Гидромуфта привода вентилятора
Включатель гидромуфты
Сцепление
Усилитель привода управления сцеплением
Привод управления сцеплением
Коробка передач (142.1700100)
Коробка передач (152.1700050)
Картер коробки передач с валами
Валы и шестерни коробки передач
Механизм переключения передач
Привод управления механизмом переключения передач (14.1713005)
Привод управления механизмом переключения передач (14.1703006)
Опора с рычагом переключения передач
Опора рычага переключения передач
Делитель передач с управление
Установка механизма переключения делителя передач
Механизм переключения делителя передач
Привод управления механизмом переключения делителя передач
Воздухораспределитель
Клапан включения делителя
Клапан редукционный
Кран управления делителем
Установка карданных валов (53215, 54115, 55111)
Вал карданный заднего моста
Вал карданный среднего моста с карданами в сборе
Установка карданных валов (53215, 54115, 55111, 65115)
Вал карданный заднего моста
Вал карданный среднего моста
Мост задний в сборе (для автомобилей КАМАЗ до 2001 года выпуска)
Мост задний в сборе
Картер заднего моста в сборе
Передача главная заднего моста
Передача главная заднего моста (для автомобилей КАМАЗ до 2001 года выпуска)
Передача главная заднего моста
Передача главная заднего моста
Передача главная заднего моста
Передача главная заднего моста
Вилка блокировки
Мост средний в сборе (для автомобилей КАМАЗ до 2001 года выпуска)
Мост средний в сборе
Картер среднего моста в сборе
Передача главная среднего моста (для автомобилей КАМАЗ до 2001 года выпуска)
Передача главная среднего моста
Передача главная среднего моста
Передача главная среднего моста
Передача главная среднего моста
Передача главная среднего моста
Дифференциал среднего моста
Межосевой дифференциал среднего моста
Привод включения блокировки межосевого дифференциала
Кран включения блокировки межосевого дифференциала
Механизм блокировки МКД среднего и заднего мостов
Рама в сборе
Проушина буксирная
Подвеска передняя в сборе (53215, 54115, 55111, 65115)
Рессора передняя (53215, 54115, 55111)
Подвеска передняя (53215, 54115, 55111)
Подвеска передняя в сборе (65115)
Подвеска задняя в сборе (53215, 54115, 55111, 65115)
Башмак рессоры с втулками и сальником (53215, 54115, 55111, 65115)
Штанга реактивная в сборе (53215, 54115, 55111)
Штанга реактивная в сборе (65115)
Рессора задняя (53215, 54115, 55111)
Рессора задняя (65115)
Ось передняя в сборе
Колесо дисковое с шиной
Установка сдвоенных дисковых колес
Ступица переднего колеса
Ступица задних колес
Держатель запасного колеса (53215, 54115)
Держатель запасного колеса (55111)
Держатель запасного колеса (65115)
Механизм рулевого управления в сборе
Установка рулевого механизма
Редуктор угловой в сборе
Клапан управления гидроусилителем руля
Колесо рулевое, вал карданный и колонка рулевого управления
Насос гидроусилителя руля левого вращения
Тяги рулевые
Трубопроводы и радиатор масляный гидроусилителя руля
Тормоза рабочие передние
Тормоза рабочие задние
Рычаг тормоза
Водоотделитель пневмотормозов тормозной системы
Установка пневмотормозов
Компрессор пневмотормозов
Установка компрессора
Ресиверы пневмотормозов
Регулятор давления пневмотормозов
Кран тормозной двухсекционный с педалью
Клапан защитный четырехконтурный
Камера тормозная в сборе
Цилиндр выключения подачи топлива пневматический
Камера тормозная с пружинным энергоаккумулятором типа 20/20 в сборе (53215, 54115, 55111, 65115)
Камера тормозная с пружинным энергоаккумулятором типа 20/20 в сборе (53215, 55111)
Цилиндр вспомогательного тормоза пневматический
Регулятор тормозных сил в сборе
Клапан ускорительный в сборе
Привод вспомогательного тормоза
Клапан контрольного вывода
Привод включения блокировки межосевого дифференциала
Генератор
Установка аккумуляторных батарей и выключателя массы
Стартер
Подрулевой переключатель света
Панель выключателей
Розетка штепсельная переносной лампы на раме в сборе
Предохранители электрических цепей
Фары и фонари передние
Установка приборов освещения на кабине
Боковые габаритные фонари
Боковые габаритные фонари
Сигналы звуковые низкого и высокого тона
Электропровода
Установка реле
Щиток приборов
Выключатели и спидометр
Устройство буксирное
Установка седельного устройства
Устройство седельно-сцепное
1
2
3
4
5
6
7
8
9
10
11
12
13
14
15
16
17
18
18
19
20
21
22
22
23
24
25
26
27
28
29
30
31
32
33
34
35
36
37
37
38
39
40
41
42
43
44
45
46
47
48
48
49
49
50
51
52
53
54
55
56
57
58
58
59
60
61
62
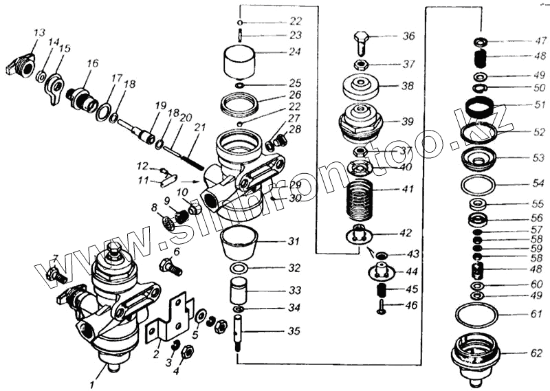
Позиция на иллюстрации
Заводской номер детали
Название детали
1
100-3512010-10
Регулятор давления в сборе
2
5320-3512019
Кронштейн
3
1/05166/77
Шайба 8 пружинная
4
1/61008/11
Гайка М8х1,25-6Н
5
1/05196/01
Шайба плоская 8х17
6
1/60436/21
Болт М8-6gх25
7
1/60434/21
Болт М8-6gх20
8
100-3512057
Шайба
9
100-3512056-10
Пружина
10
100-3512054
Клапан в сборе
11
100-3512099
Табличка
12
304183
Заклепка пустотелая
13
100-3512068
Гайка-барашек
14
100-3512067
Кольцо уплотнительное
15
100-3512069
Лента
16
100-3512066
Штуцер
17
309793
Кольцо уплотнительное
18
100-3512063
Кольцо
19
100-3512062
Корпус клапана
20
258619
Штифт 4х30
21
100-3512060
Пружина
22
100-3512045
Клапан
23
100-3512042
Корпус клапана
24
100-3512040
Поршень
25
100-3512049
Кольцо
26
100-3512050
Манжета
27
309795
Кольцо уплотнительное
28
100-3512023
Винт запорный
29
100-3512020
Корпус
30
100-3512022
Штифт-заглушка
31
100-3512035
Фильтр
32
100-3512025
Кольцо
33
100-3512024
Поршень
34
489327
Кольцо упорное
35
100-3512026
Тяга клапана
36
302203
Винт
37
250612
Гайка
38
100-3512053
Колпак
39
100-3512052
Крышка верхняя
40
100-3512016
Тарелка пружины
41
100-3512015
Пружина
42
100-3512043
Направляющая пружины в сборе
43
100-3512048
Кольцо упорное
44
100-3512044
Направляющая
45
100-3512047
Пружина
46
100-3512046
Толкатель
47
100-3512027
Тарелка пружины
48
100-3512028
Пружина
49
100-3512029
Шайба
50
489304
Кольцо упорное
51
100-3512036
Пружина
52
489325
Кольцо упорное
53
100-3512030
Седло клапана
54
100-3512031
Кольцо
55
100-3512033
Кольцо уплотнительное
56
100 3512032
Корпус клапана
57
305887
Шайба 6 пружинная
58
250508
Гайка М6-6Н
59
252234
Шайба
60
305906
Шайба
61
100-3512037
Кольцо
62
100-3512034
Крышка нижняя
Содержащиеся в справочниках-каталогах запасные части и детали не предлагаются к продаже, а носят исключительно информационный характер
Дополнительная информация
×
Название:
Номер:
Примечание: