Вернуться на главную
Поиск
Каталоги запчастей к технике
Грузовые автомобили и прицепы
Камский автозавод
65115
Насос гидроусилителя руля левого вращения
Каталог запасных частей к технике: Камский автозавод 65115. Насос гидроусилителя руля левого вращения
zoom-in
zoom-out
enlarge
shrink
circle-right
circle-left
file-text2
info
cart
Тип техники
Не выбрано
Легковые автомобили
Грузовые автомобили и прицепы
Автобусы
Сельхозтехника
Спецтехника
Двигатели
Мототехника
Марка
Не выбрано
BAW
DAF
DongFeng
FAW
Foton
HOWO
Hyundai
IVECO
JAC Motors
LGMG
MAN
Shaanxi
SITRAK
Studebaker
Tata
Volvo
Автокомпонент Плюс
БелАЗ
Брянский Арсенал
ГАЗ
ЗИЛ
КАЗ
Камский автозавод
КрАЗ
Мадара
МАЗ
МЗКТ
МоАЗ
Нефтекамский автозавод
Ставропольский Завод АвтоПрицепов
ТАТРА
Тонар
УралАЗ
ЧМЗАП
Модель
Не выбрано
4308 (2004)
4308 (2008)
4308 (Евро 3) (2013)
4308 (Евро 4) (2012)
4308-C4 (2019)
4308-C4 (2019)
4308-H3 (2019)
4308-R4 (2019)
4310
4310
43101
43114
43118 (2002)
43118 (Евро 4) (2012)
43253 (Часть-1) (2011)
43253 (Часть-2) (2011)
43253, 43255 (Евро-4) (2012)
43255 (Евро-2) (2012)
43255 (Евро-3) (2012)
4326 (2001)
4326 (2003г)
43261 (Евро-1, 2) (2007)
4350 (4х4) (2004)
43501 (4х4) (2007)
43502 (Евро 4) (2013)
45141 (2009)
45142 (2009)
45143 (2009)
5308 (Евро 3) (2012)
5308 (Евро 4) (2013)
5315
5320
53212
53228, 65111 (2004)
53229 (Евро 2) (2010)
5350 (6х6) (2004)
53501 (6х6) (2007)
53504 (6х6) (2007)
5360
53605 (Евро-4) (2013)
5410
54112
5460
5460 (2005)
5490 (2016)
55102
5511 (2003)
6350 (8х8) (2004)
63501 (8х8) (2007)
6450 (8х8) (2007)
6460
6460 (Евро 3, 4) (2013)
6460 (Евро 4) (2013)
65111 (2008)
65111 (Евро 4) (2012)
65115 (2001)
65115 (2009)
65115 (Евро-3) (2013)
65115, 65116 (Евро-4) (2010)
65116 (2006)
6520
6520 (Euro-2, 3) (2009)
6520 (Euro-4) (2012)
6520 (Euro-4) (2016)
65201 (2007)
65201 Евро 2-3 (2016)
6522 (2005)
6522 (Euro-2, 3) (2009)
6522 (Евро-4) (2016)
65226 (2009)
65226 (2013)
6540
KNORR-BREMSE применяемых на технике Камского автозавода
Общий (5320, 53212, 5410, 54112, 5511, 55102)
Самосв. установка 6520 (2011)
Схема
>
Не выбрано
Кабина (53215, 54115)
Кабина (55111, 65115)
Установка кронштейнов и механизма уравновешивания кабины
Подвеска задняя кабины
Запор кабины правый
Запор кабины левый
Стеклоочиститель и его привод. Насос водяной очистки стекла
Дверка вещевого ящика
Ящик вещевой
Установка вентиляционного люка крыши
Дверь
Стеклоподъемник двери
Запор роторного типа
Сидение водителя
Установка сидений (53215, 54115)
Установка сидений (55111, 65115)
Подогреватель жидкостный в сборе
Установка подогревателя 15.8106
Установка топливного бачка и топливопроводов для подогревателя 15.8106
Элементы отопления и вентиляции кабины
Козырек противосолнечный
Зеркала
Крыло, брызговик и подножка
Брызговики
Платформа (53215)
Основные борта платформы (53215)
Надставные борта платформы (53215)
Запоры бортов платформы (53215)
Установка полога надставных бортов (53215)
Установка каркаса тента платформы (53215)
Каркас тента платформы (53215)
Запор стойки №3 каркаса тента (53215)
Установка платформы (55111, 65115)
Платформа (55111)
Платформа в сборе (65115)
Установка запоров заднего борта (55111, 65115)
Ограничитель опрокидывания платформы (55111, 65115)
Насос опрокидывающего механизма (55111, 65115)
Надрамник опрокидывающего механизма (55111, 65115)
Гидроцилиндр опрокидывающего механизма (55111, 65115)
Кран управления (55111, 65115)
Устройство опрокидывающее платформы (55111, 65115)
Двигатель (740.11-1000410-21, 740.11-100410-03, 740.11-1000411-75, 740.13-1000400-22)
Двигатель (740.11-1000410-21, 740.11-100410-03, 740.11-1000411-75, 740.13-1000400-22)
Установка силового агрегата
Комплект вкладышей (комплекты для запасных частей 53215, 54115, 55111, 65115)
Комплект вкладышей (комплекты для запасных частей)
Комплект колец (комплекты для запасных частей 53215, 54115, 55111, 65115)
Коленвал (комплекты для запасных частей)
Гильза цилиндра с поршнем, пальцем, кольцами (комплекты для запасных частей 53215, 54115, 55111, 65115)
Установка картера маховика и крышки блока передней
Блок цилиндров в сборе
Картер масляный в сборе
Газораспределительный механизм
Головка цилиндра
Поршень с шатуном и кольцами
Вал коленчатый в сборе (740.1005008-40, 740.13-1005008)
Вал коленчатый в сборе (740.1005009-40, 740.13-1005008)
Вал коленчатый с маховиком
Маховик в сборе
Вал распределительный
Толкатели газораспределительного механизма
Насос масляный с маслозаборником
Фильтр масляный с теплообменником
Фильтр очистки масла
Вентиляция картера двигателя
Привод распределительного вала и топливного насоса
Установка предпускового подогревателя
Агрегат насосный предпускового подогревателя
Насос топливный предпускового подогревателя
Котел подогревателя
Нагнетатель насосного агрегата предпускового подогревателя
Крепление котла подогревателя
Крепление топливного бачка подогревателя
Газопровод
Установка и привод ТНВД
Установка топливного бака, ФГОТ и топливопроводов (53215)
Установка топливного бака, ФГОТ и топливопроводов (54115, 55111, 65115)
Фильтр грубой очистки топлива в сборе
Фильтр тонкой очистки топлива
Привод акселератора
Привод акселератора
Система питания двигателя
Система питания двигателя
Топливный насос низкого давления
Регулятор частоты вращения
Крышка регулятора верхняя в сборе
Державка грузов регулятора в сборе
Топливный насос высокого давления
Корпус топливного насоса в сборе
Корпус топливного насоса
Секция топливного насоса
Форсунка
Муфта опережения впрыскивания
Насос предпусковой прокачки топлива
Установка электромагнитного клапана
Система питания воздухом (53215, 54115)
Система питания воздухом (55111, 65115)
Фильтр воздушный в сборе
Установка тройника (53215, 54115)
Установка тройника (55111, 65115)
Трубопроводы впускные
Установка турбокомпрессора
Система выпуска газа (53215, 55111)
Система выпуска газа (54115)
Система выпуска газа (65115)
Установка радиатора и уплотнителей радиатора
Установка жалюзи радиатора
Трубы и шланги
Трубы водяные
Насос водяной в сборе
Установка расширительного бачка
Гидромуфта привода вентилятора
Включатель гидромуфты
Сцепление
Усилитель привода управления сцеплением
Привод управления сцеплением
Коробка передач (142.1700100)
Коробка передач (152.1700050)
Картер коробки передач с валами
Валы и шестерни коробки передач
Механизм переключения передач
Привод управления механизмом переключения передач (14.1713005)
Привод управления механизмом переключения передач (14.1703006)
Опора с рычагом переключения передач
Опора рычага переключения передач
Делитель передач с управление
Установка механизма переключения делителя передач
Механизм переключения делителя передач
Привод управления механизмом переключения делителя передач
Воздухораспределитель
Клапан включения делителя
Клапан редукционный
Кран управления делителем
Установка карданных валов (53215, 54115, 55111)
Вал карданный заднего моста
Вал карданный среднего моста с карданами в сборе
Установка карданных валов (53215, 54115, 55111, 65115)
Вал карданный заднего моста
Вал карданный среднего моста
Мост задний в сборе (для автомобилей КАМАЗ до 2001 года выпуска)
Мост задний в сборе
Картер заднего моста в сборе
Передача главная заднего моста
Передача главная заднего моста (для автомобилей КАМАЗ до 2001 года выпуска)
Передача главная заднего моста
Передача главная заднего моста
Передача главная заднего моста
Передача главная заднего моста
Вилка блокировки
Мост средний в сборе (для автомобилей КАМАЗ до 2001 года выпуска)
Мост средний в сборе
Картер среднего моста в сборе
Передача главная среднего моста (для автомобилей КАМАЗ до 2001 года выпуска)
Передача главная среднего моста
Передача главная среднего моста
Передача главная среднего моста
Передача главная среднего моста
Передача главная среднего моста
Дифференциал среднего моста
Межосевой дифференциал среднего моста
Привод включения блокировки межосевого дифференциала
Кран включения блокировки межосевого дифференциала
Механизм блокировки МКД среднего и заднего мостов
Рама в сборе
Проушина буксирная
Подвеска передняя в сборе (53215, 54115, 55111, 65115)
Рессора передняя (53215, 54115, 55111)
Подвеска передняя (53215, 54115, 55111)
Подвеска передняя в сборе (65115)
Подвеска задняя в сборе (53215, 54115, 55111, 65115)
Башмак рессоры с втулками и сальником (53215, 54115, 55111, 65115)
Штанга реактивная в сборе (53215, 54115, 55111)
Штанга реактивная в сборе (65115)
Рессора задняя (53215, 54115, 55111)
Рессора задняя (65115)
Ось передняя в сборе
Колесо дисковое с шиной
Установка сдвоенных дисковых колес
Ступица переднего колеса
Ступица задних колес
Держатель запасного колеса (53215, 54115)
Держатель запасного колеса (55111)
Держатель запасного колеса (65115)
Механизм рулевого управления в сборе
Установка рулевого механизма
Редуктор угловой в сборе
Клапан управления гидроусилителем руля
Колесо рулевое, вал карданный и колонка рулевого управления
Насос гидроусилителя руля левого вращения
Тяги рулевые
Трубопроводы и радиатор масляный гидроусилителя руля
Тормоза рабочие передние
Тормоза рабочие задние
Рычаг тормоза
Водоотделитель пневмотормозов тормозной системы
Установка пневмотормозов
Компрессор пневмотормозов
Установка компрессора
Ресиверы пневмотормозов
Регулятор давления пневмотормозов
Кран тормозной двухсекционный с педалью
Клапан защитный четырехконтурный
Камера тормозная в сборе
Цилиндр выключения подачи топлива пневматический
Камера тормозная с пружинным энергоаккумулятором типа 20/20 в сборе (53215, 54115, 55111, 65115)
Камера тормозная с пружинным энергоаккумулятором типа 20/20 в сборе (53215, 55111)
Цилиндр вспомогательного тормоза пневматический
Регулятор тормозных сил в сборе
Клапан ускорительный в сборе
Привод вспомогательного тормоза
Клапан контрольного вывода
Привод включения блокировки межосевого дифференциала
Генератор
Установка аккумуляторных батарей и выключателя массы
Стартер
Подрулевой переключатель света
Панель выключателей
Розетка штепсельная переносной лампы на раме в сборе
Предохранители электрических цепей
Фары и фонари передние
Установка приборов освещения на кабине
Боковые габаритные фонари
Боковые габаритные фонари
Сигналы звуковые низкого и высокого тона
Электропровода
Установка реле
Щиток приборов
Выключатели и спидометр
Устройство буксирное
Установка седельного устройства
Устройство седельно-сцепное
1
2
3
4
5
6
6
7
8
8
9
9
10
10
11
12
13
14
15
16
17
18
19
20
21
22
23
24
25
26
27
28
29
30
31
32
33
34
35
36
37
38
39
40
41
42
42
43
43
44
44
45
46
47
48
49
50
51
52
53
54
55
56
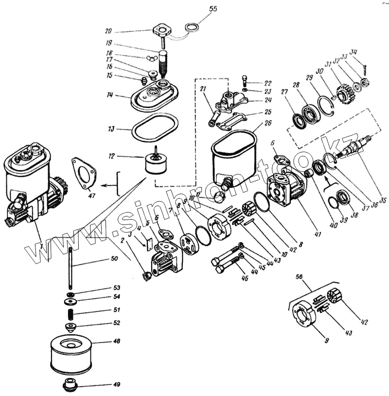
Позиция на иллюстрации
Заводской номер детали
Название детали
1
4310-3407200-01
Насос в сборе
2
853889
Пробка транспортная
3
Заклепка 2х6,37
Заклепка 2х6,37
4
130-3903183-04
Табличка 40х20
5
53212-3407212
Крышка в сборе
6
5320-3407437-01
Прокладка уплотнительная
7
5320-3407255
Диск распределительный
8
864217
Кольцо уплотнительное
9
5320-3407253
Статор насоса
10
853757
Штифт 5х43
11
853883-01
Пробка транспортная
12
4310-3407338-10
Фильтр в сборе
13
5320-3407413
Прокладка уплотнительная крышки бачка
14
53212-3407400
Крышка бачка в сборе
15
864000
Клапан предохранительный на давление 0,12-0,24 кг/см2
16
864218
Кольцо уплотнительное
17
1/26470/01
Шайба плоская 8,45х25х2,5
18
1/01020/01
Гайка-барашек
19
5320-3407328
Фильтр заливной в сборе
20
5320-3407350
Пробка заливной горловины бачка в сборе
21
5320-3407441
Трубка бачка
22
1/09026/21
Болт М6-6gх25
23
1/05194/01
Шайба плоская 6х12х1,5
24
5320-3407435
Коллектор насоса
25
5320-3407439
Прокладка коллектора насоса
26
5320-3407300-01
Бачок насоса в сборе
27
5320-3407220
Кольцо маслоотгонное
28
305А
Подшипник 305А
29
862806
Кольцо Б 62 ГОСТ 13943-68
30
853803
Шпонка сегментная 5х7,5х19
31
5320-3407240
Шестерня привода насоса гидроусилителя руля
32
1/35507/01
Шайба плоская 16х30
33
853536
Гайка М16х1,5-6Н
34
1/07970/01
Шплинт 4х30
35
5320-3407217
Валик насоса
36
740.1308131
Кольцо Б47
37
864121
Манжета 24х46 в сборе
38
864122
Корпус манжеты
39
864424
Пружина
40
154901Е
Подшипник игольчатый
41
5320-3407211
Корпус насоса
42
5320-3407248
Ротор насоса
43
5320-3407251
Лопасть насоса
44
1/05168/77
Шайба 10 пружинная
45
853043
Болт М10х1,25-6gх90
46
853041
Болт М10х1,25-6gх70
47
740-3407032
Прокладка насоса
48
4310-3407359-10
Элемент фильтрующий
49
4310-3407361
Труба
50
4310-3407362
Шпилька
51
4310-3407363
Пружина
52
4310-3407763
Шайба
53
258012
Шплинт
54
1/26470/01
Шайба плоская 8,45х25х2,5
55
5320-3407358
Прокладка пробки
56
5320-3407244
Статор и ротор с лопастями насоса гидроусилителя руля
Содержащиеся в справочниках-каталогах запасные части и детали не предлагаются к продаже, а носят исключительно информационный характер
Дополнительная информация
×
Название:
Номер:
Примечание: