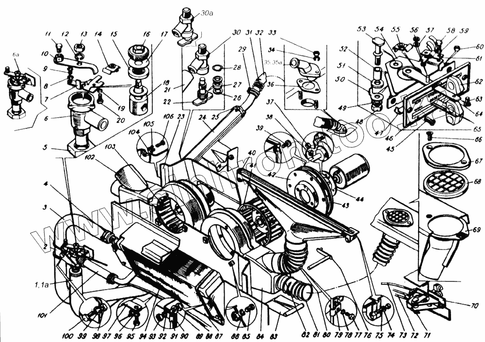
Каталог запасных частей к технике: Камский автозавод 65115. Элементы отопления и вентиляции кабины
1
2
3
4
5
6
7
8
9
10
11
12
13
14
15
16
17
18
19
20
21
22
23
24
25
26
27
28
29
30
31
32
33
34
35
36
37
38
39
40
41
42
43
44
45
46
47
48
49
50
51
52
53
54
55
56
57
58
59
60
61
62
63
64
65
66
67
68
69
70
71
72
73
74
75
76
77
78
79
80
81
81
82
83
84
85
86
87
88
89
90
91
92
93
94
95
96
97
98
99
100
100
101
102
103
104
105
106
600
3000
3500
| Позиция на иллюстрации | Заводской номер детали | Название детали | |
|---|---|---|---|
| 1 | 5320-8120110 | Шланг подводящий средний в сборе | |
| 2 | 5320-8120167 | Скоба отводящего шланга | |
| 3 | 53205-8120132 | Шланг отопителя отводящий в сборе | |
| 4 | 1/21710/90 | Хомут в сборе L=310 | |
| 5 | 1/07269/11 | Гайка М24х1,5-6Н | |
| 6 | 5320-8105165 | Корпус крана отопления | |
| 7 | 5320-8105199 | Кронштейн прижима | |
| 8 | 1/11967/77 | Шайба пружинная | |
| 9 | 1/32718/01 | Винт М4-6gх8 | |
| 10 | 5320-8105260 | Рычаг крана в сборе | |
| 11 | 853013 | Болт М5-6gх10 | |
| 12 | 1/05166/77 | Шайба 8 пружинная | |
| 13 | 1/61008/11 | Гайка М8х1,25-6Н | |
| 14 | 5320-8109055 | Прижим оболочки тяги | |
| 15 | 5320-8105231 | Уплотнитель | |
| 16 | 5320-8105271 | Втулка | |
| 17 | 852501 | Шайба уплотнительная | |
| 18 | 5320-8105269 | Пробка | |
| 19 | 1/1 1954/70 | Шайба пружинная | |
| 20 | 853013 | Болт М5-6gх10 | |
| 21 | 5320-8120063 | Шланг сливной | |
| 22 | 5320-8105015 | Пробка крана | |
| 23 | 5320-8118101-01 | Кожух | |
| 24 | 5320-8120018 | Трубка отводящая в сборе | |
| 25 | 1/21710/90 | Хомут в сборе L=310 | |
| 26 | 5320-81015032 | Шайба | |
| 27 | 5320-8105039 | Сальник | |
| 28 | 5320-8105038 | Кольцо замочное | |
| 29 | 1/01690/90 | Хомут 25 | |
| 30 | 5320-8105013 | Корпус сливного крана | |
| 31 | 5320-8120149 | Оболочка шланга | |
| 32 | 5320-8120111 | Шланг отопителя подводящий | |
| 33 | 1/58962/11 | Гайка ЕМ6-6Н | |
| 34 | 1/05164/77 | Шайба 6 пружинная | |
| 35 | 5320-8120019 | Патрубок отбора воды | |
| 36 | 5320-8120023 | Прокладка патрубка | |
| 37 | 1/58964/11 | Гайка М5-6Н | |
| 38 | 1/37461/01 | Винт М6-6gх8 | |
| 39 | 1/32740/01 | Винт М5-6gх12 | |
| 40 | 5320-8102030 | Сопло обдува в сборе | |
| 41 | 5320-8118069 | Колесо рабочее с электродвигателем в сборе | |
| 42 | 5320-8118092 | Фланец крепления электродвигателя в сборе | |
| 43 | 5320-8118093 | Кольцо фланца | |
| 44 | 5320-8118085 | Прокладка электродвигателя | |
| 45 | 1/32742/01 | Винт М5-6gх16 | |
| 46 | 5320-8109229 | Шкала | |
| 47 | 5320-8109053 | Планка | |
| 48 | 251645 | Гайка М8-6Н ОСТ 37.001.197-75 | |
| 49 | 853633 | Шайба волнистая 8,2 | |
| 50 | 5320-8109051 | Разделитель рычагов | |
| 51 | 1/26467 | Шайба | |
| 52 | 5320-8109049 | Втулка оси | |
| 53 | 5320-8109048 | Ось рычага | |
| 54 | 5320-8109022 | Корпус в сборе | |
| 55 | 5320-8109055 | Прижим оболочки тяги | |
| 56 | 2101-3402068 | Шайба стопорная | |
| 57 | 1/05192/01 | Шайба плоская 4х9 | |
| 58 | 853013 | Болт М5-6gх10 | |
| 59 | 1/11954/70 | Шайба 5 пружинная | |
| 60 | 1/40898/01 | Гайка М5-6Н | |
| 61 | 5320-8109137 | Прижим троса | |
| 62 | 5320-8109044 | Ручка | |
| 63 | 231550 | Винт | |
| 64 | 5320-8109226 | Рычаг в сборе | |
| 65 | 5320-8109210 | Рычаг в сборе | |
| 66 | 1/33112/01 | Винт М5-6gх20 | |
| 67 | 5320-8102047 | Фланец крепления распределителя | |
| 68 | 5320-8102026-01 | Распределитель | |
| 69 | 5320-8102050 | Патрубок подводящий в сборе | |
| 70 | 5320-8109020-10 | Привод управления отоплением | |
| 71 | 5320-8109114 | Трос управления правой заслонкой в сборе | |
| 72 | 5320-8109240 | Трос управления левой заслонкой в сборе | |
| 73 | 5320-8109354 | Трос управления краном отопителя в сборе | |
| 74 | 1/05193/01 | Шайба плоская 5,45х10х1 | |
| 75 | 1/03899/01 | Винт М6-6gх25 | |
| 76 | 5320-8101282 | Ось заслонки в сборе | |
| 77 | 853013 | Болт М5-6gх10 | |
| 78 | 1/11954/70 | Шайба 5 пружинная | |
| 79 | 5320-8109365 | Прижим троса | |
| 80 | 5320-8102056-01 | Шланг обдува ветрового стекла | |
| 81 | 5320-8102077-01 | Шланг обдува бокового стекла | |
| 81 | 5320-8102077 | Шланг обдува бокового стекла | |
| 82 | 853853 | Хомут | |
| 83 | 5320-8101277-01 | Заслонка распределителя | |
| 84 | 5320-8101257 | Распределитель левый в сборе | |
| 85 | 1/32760/01 | Винт М6-6gх12 | |
| 86 | 1/05164/77 | Шайба 6 пружинная | |
| 87 | 5320-8101060 | Радиатор отопителя в сборе | |
| 88 | 1/09022/21 | Болт ТЕМ6-6gх16 | |
| 89 | 1/05194/01 | Шайба плоская 6х12х1,5 | |
| 90 | 5320-8101023 | Уплотнитель кожуха | |
| 91 | 1/04187/00 | Закрытая скоба троса | |
| 92 | 1/05164/77 | Шайба 6 пружинная | |
| 93 | 1/58962/11 | Гайка ЕМ6-6Н | |
| 94 | 5320-8101079 | Уплотнитель радиатора | |
| 95 | 1/60431/21 | Болт М8-6gх14 | |
| 96 | 1/05166/77 | Шайба 8 пружинная | |
| 97 | 5320-8120165 | Скоба | |
| 98 | 1/58962/11 | Гайка ЕМ6-6Н | |
| 99 | 1/05164/77 | Шайба 6 пружинная | |
| 100 | 1/09022/21 | Болт ТЕМ6-6gх16 | |
| 100 | 53205-8120111 | Шланг отопителя подводящий в сборе | |
| 101 | 5320-8120143 | Шланг отопителя передний | |
| 102 | 5320-8101259 | Распределитель | |
| 103 | 5320-8118069 | Колесо рабочее с электродвигателем в сборе | |
| 104 | 1/05193/01 | Шайба плоская 5,45х10х1 | |
| 105 | 1/11954/70 | Шайба 5 пружинная | |
| 106 | 1/32740/01 | Винт М5-6gх12 | |
| 600 | 5320-8105160 | Кран отопления в сборе | |
| 3000 | 5320-8105010 | Кран сливной в сборе | |
| 3500 | 53205-8120019 | Патрубок |
Содержащиеся в справочниках-каталогах запасные части и детали не предлагаются к продаже, а носят исключительно информационный характер