Вернуться на главную
Поиск
Каталоги запчастей к технике
Грузовые автомобили и прицепы
Камский автозавод
6460
Установка стеклоочистителя и омывателя
Каталог запасных частей к технике: Камский автозавод 6460. Установка стеклоочистителя и омывателя
zoom-in
zoom-out
enlarge
shrink
circle-right
circle-left
file-text2
info
cart
Тип техники
Не выбрано
Легковые автомобили
Грузовые автомобили и прицепы
Автобусы
Сельхозтехника
Спецтехника
Двигатели
Мототехника
Марка
Не выбрано
BAW
DAF
DongFeng
FAW
Foton
HOWO
Hyundai
IVECO
JAC Motors
LGMG
MAN
Shaanxi
SITRAK
Studebaker
Tata
Volvo
Автокомпонент Плюс
БелАЗ
Брянский Арсенал
ГАЗ
ЗИЛ
КАЗ
Камский автозавод
КрАЗ
Мадара
МАЗ
МЗКТ
МоАЗ
Нефтекамский автозавод
Ставропольский Завод АвтоПрицепов
ТАТРА
Тонар
УралАЗ
ЧМЗАП
Модель
Не выбрано
4308 (2004)
4308 (2008)
4308 (Евро 3) (2013)
4308 (Евро 4) (2012)
4308-C4 (2019)
4308-C4 (2019)
4308-H3 (2019)
4308-R4 (2019)
4310
4310
43101
43114
43118 (2002)
43118 (Евро 4) (2012)
43253 (Часть-1) (2011)
43253 (Часть-2) (2011)
43253, 43255 (Евро-4) (2012)
43255 (Евро-2) (2012)
43255 (Евро-3) (2012)
4326 (2001)
4326 (2003г)
43261 (Евро-1, 2) (2007)
4350 (4х4) (2004)
43501 (4х4) (2007)
43502 (Евро 4) (2013)
45141 (2009)
45142 (2009)
45143 (2009)
5308 (Евро 3) (2012)
5308 (Евро 4) (2013)
5315
5320
53212
53228, 65111 (2004)
53229 (Евро 2) (2010)
5350 (6х6) (2004)
53501 (6х6) (2007)
53504 (6х6) (2007)
5360
53605 (Евро-4) (2013)
5410
54112
5460
5460 (2005)
5490 (2016)
55102
5511 (2003)
6350 (8х8) (2004)
63501 (8х8) (2007)
6450 (8х8) (2007)
6460
6460 (Евро 3, 4) (2013)
6460 (Евро 4) (2013)
65111 (2008)
65111 (Евро 4) (2012)
65115 (2001)
65115 (2009)
65115 (Евро-3) (2013)
65115, 65116 (Евро-4) (2010)
65116 (2006)
6520
6520 (Euro-2, 3) (2009)
6520 (Euro-4) (2012)
6520 (Euro-4) (2016)
65201 (2007)
65201 Евро 2-3 (2016)
6522 (2005)
6522 (Euro-2, 3) (2009)
6522 (Евро-4) (2016)
65226 (2009)
65226 (2013)
6540
KNORR-BREMSE применяемых на технике Камского автозавода
Общий (5320, 53212, 5410, 54112, 5511, 55102)
Самосв. установка 6520 (2011)
Схема
>
Не выбрано
Кабина с дверями окрашенная
Установка задней подвески кабины
Установка механизма опрокидывания кабины
Цилиндр в сборе
Запор кабины правый
Запор кабины левый
Окно ветровое, окно задка, установка зеркал заднего вида
Установка стеклоочистителя и омывателя
Установка вентиляционного люка крыши
Установка стекол и арматуры двери правая/левая
Установка стекол и арматуры двери правая/левая
Стеклоподъемник двери левый и правый в сборе (а)
Замок, фиксатор замка, ручка двери
Установка сидений
Сидение водителя
Механизм подрессоривания
Элементы отопления и вентиляции кабины
Установка настила рамы
Установка оперения кабины
Установка задней части переднего крыла правая/левая
Установка задних крыльев
Установка нижней подножки правая/левая
Агрегат силовой, укомплектованный для установки на автомобиль
Агрегат силовой
Двигатель с оборудованием
Установка картера агрегатов
Установка картера маховика
Картер маховика
Блок цилиндров в сборе
Блок цилиндров в сборе
Установка газораспределительного механизма
Головка цилиндра
Головка цилиндра с втулками
Коромысло клапана в сборе
Вал распределительный
Поршень с шатуном и кольцами
Установка форсунки охлаждения поршня
Клапан форсунки охлаждения поршня в сборе
Установка коленчатого вала и маховика
Вал коленчатый
Установка шкива коленчатого вала
Маховик
Установка фиксатора маховика
Установка системы вентиляции
Трубка сапуна с втулкой
Угольник сапуна
Установка электромагнитного клапана
Клапан с кронштейном и трубкой
Установка привода отбора мощности переднего
Привод агрегатов
Корпус подшипника
Вал отбора мощности
Установка силового агрегата (опора передняя)
Установка силового агрегата (опора задняя)
Установка силового агрегата (опора поддерживающая)
Установка газопровода
Установка картера масляного
Установка масляного насоса
Масляный насос с маслозаборником в сборе
Масляный насос с шестерней
Масляный насос
Крышка масляного насоса с клапаном
Крышка масляного насоса в сборе
Корпус масляного насоса в сборе
Шестерня ведомая масляного насоса
Маслозаборник
Установка фильтра и теплообменника
Фильтр масляный с теплообменником
Теплообменник масляный
Сердцевина в сборе
Фильтр очистки масла
Корпус масляного фильтра в сборе
Колпак масляного фильтра
Установка турбокомпрессора
Установка воздушного фильтра
Установка воздухозаборника
Фильтр воздушный в сборе
Установка топливопроводов
Фильтр тонкой очистки топлива
Клапан в сборе
Привод управления регулятором
Кронштейн с валом привода
Кронштейн вала привода
Тяга привода управления регулятором
Установка и привод ТНВД
Вал привода ТНВД
Насос топливный высокого давления
Насос топливный высокого давления
Топливный насос низкого давления
Крышка регулятора верхняя в сборе
Державка грузов регулятора
Рычаг регулятора
Корректор подачи топлива по наддуву
Секция топливного насоса
Установка форсунки
Форсунка
Установка топливопроводов
Установка тройника
Установка топливных баков, ФГОТ и топливопроводов
Установка управления подачи топлива
Установка системы впуска
Установка системы ОВН
Установка системы выпуска
Установка водяных труб
Установка корпуса водяных каналов
Корпус водяных каналов
Установка водяного насоса
Водяной насос
Установка обечайки вентилятора
Установка расширительного бачка
Установка радиатора и уплотнителей радиатора
Установка сцепления
Вилка выключения сцепления
Установка цилиндра сцепления
Установка подали и привода выключения сцепления
Установка картера сцепления
Привод управления механизмом переключения передач
Опора рычага переключения передач
Тяга реактивная в сборе
Картер коробки передач с пробками
Установка нижней крышки картера и трубки распылителя
Первичный вал
Установка крышки первичного вала
Промежуточный вал
Установка насоса
Основной вал
Установка пробок картера
Штоки вилок переключения передач
Механизм переключения передач
Установка боковых крышек механизма переключения передач
Установка датчиков механизма переключения передач
Комплект пружин
Механизм управления демультипликатором
Установка задней крышки картера
Картер планетарной передачи
Привод планетарной передачи
Установка заднего фланца
Синхронизатор планетарной передачи
Управление планетарной передачей
Механизм выбора передаточного числа
Установка пневмопривода управлением переключения передач
Установка карданных валов
Вал карданный заднего моста
Вал карданный среднего моста
Крестовина карданного вала
Мост задний
Картер моста заднего с механизмом блокировки в сборе
Вилка блокировки в сборе
Передача главная заднего моста
Шестерня ведущая заднего моста
Крышка подшипника в сборе
Дифференциал моста заднего
Сателлит в сборе
Водило с кожухом и сателлитами
Водило планетарной передачи
Шестерня ведомая колесной передачи в сборе
Мост средний
Картер моста среднего с механизмом блокировки в сборе
Передача главная среднего моста
Шестерня ведущая среднего моста
Крышка подшипника в сборе
Дифференциал моста среднего
Межосевой дифференциал среднего моста
Сателлит межосевого дифференциала с втулкой
Привод блокировки межосевого и межколесного дифференциала
Установка буксирной поперечины
Установка буксирной вилки
Установка передней подвески
Рессора передняя в сборе
Ушко с втулкой
Кронштейн стабилизатора в сборе
Кронштейн амортизатора левый и правый в сборе
Подвеска задняя в сборе
Подвеска задняя в сборе
Рессора задняя в сборе
Кронштейн балансира с осью
Башмак рессоры с втулками и манжетой
Башмак рессоры с втулками
Штанга реактивная в сборе
Штанга реактивная в сборе
Ось передняя с тормозами
Ось передняя в сборе
Кулак поворотный в сборе
Ступица переднего колеса
Ступица с тормозным барабаном
Ступица заднего колеса с манжетами
Ступица заднего колеса с болтами
Установка передних колес
Установка сдвоенных колес
Колесо с шиной
Держатель запасного колеса
Стакан с манжетами
Манжета
Установка насоса гидроусилителя руля
Установка рулевого механизма
Наконечник
Установка колонки рулевого управления
Рулевая колонка с карданным валом
Установка трубопроводов рулевого управления
Тяга
Наконечник тяги рулевой трапеции левый в сборе
Установка компрессора
Компрессор
Установка пневмотормозов
Установка осушителя
Установка ресиверов
Кран слива конденсата
Установка двухсекционного тормозного крана
Кран тормозной двухсекционный с педалью
Кран тормозной двухсекционный
Клапан контрольного вывода
Установка четырехконтурного защитного клапана
Клапан защитный четырехконтурный
Установка ускорительного клапана
Установка клапана управления тормозами прицепа
Установка регулятора тормозных сил
Установка клапана двухмагистрального
Установка охладителя
Установка пневмовыводов к полуприцепу
Корпус вспомогательного тормоза с заслонкой
Вал заслонки
Кран экстренного растормаживания
Цилиндр управления заслонкой в сборе
Тормоз задний
Суппорт тормоза задний
Колодка тормоза с накладками
Кронштейн с втулками
Тормозная камера тип 30/24
Тормоз передний правый/левый
Суппорт тормоза передний
Камера тормозная тип 30
Установка цилиндра выключения подачи топлива
Цилиндр пневматический с тягой
Цилиндр выключения подачи топлива пневматический
Установка аккумуляторных батарей
Установка фар передних указателей поворота
Установка фар дополнительных и противотуманных
Установка плафонов
Установка плафона освещения спального места
Установка плафона освещения вещевого ящика
Установка подкапотной лампы
Установка задних фонарей
Установка фонаря заднего противотуманного
Установка фонаря заднего хода
Установка фонарей освещения номерного знака
Установка звуковых электрических сигналов
Установка предохранителей
Установка розеток прицепа
Установка розетки переносной лампы
Установка проводов на шасси
Установка проводов на кабине
Установка бокового повторителя указателей поворота
Установка прерывателя указателей поворота
Установка малогабаритного выключателя массы
Установка реле
Установка габаритных боковых фонарей
Панель выключателей
Щиток приборов
Установка седельно-сцепного устройства
Установка коробки отбора мощности
Комплект вкладышей
Комплект вкладышей
Комплект колец
Комплект: коленвал
Комплект: гильза
Блок цилиндров в сборе
Головка цилиндра
Комплект: насос масляный с шестерней
Крестовина карданного вала
Шестерни ведущая и ведомая (комплект)
Ступица с тормозным барабаном
Ступица заднего колеса с манжетами и подшипниками
Ступица заднего колеса с тормозным барабаном и кожухом
Тяга сошки с наконечником
Комплекты для запасных частей
1
2
3
4
5
6
7
8
9
10
14
16
17
18
19
21
24
25
26
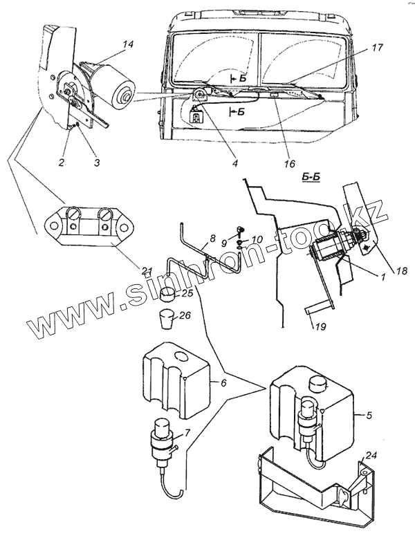
Позиция на иллюстрации
Заводской номер детали
Название детали
532057-5205001
532057-5205001
Установка стеклоочистителя
53205-5208004
53205-5208004
Установка омывателя электрического
1
5320-5205191
Втулка
2
1/09021/21
Болт М6-6gх14
3
1/05164/77
Шайба 6 пружинная
4
2717.5205
Стеклоочиститель в сборе
5
ОЭ 5.5-1,6-24-1 ЕИГА
Омыватель электрический
6
ЕИГА 231453011
Бачок омывателя
7
4ЭНЦ 1,6-24 ЕИГА.062431.002-02
Насос с электродвигателем
8
Трубопровод
Трубопровод
9
С0204-5208110-А
Жиклер
10
2101.5208084-01
Втулка
14
2717.5205100
Привод
16
3502.3777010
Реле стеклоочистителя
17
341.5205900-02
Щетка стеклоочистителя
18
271.5205800
Узел рычага
19
2717.5205500
Механизм передачи
21
IIР 502 А
Предохранитель стеклоочистителя
24
53205-5208400
Рамка крепления омывателя
25
ЕИГА.725312.004
Крышка
26
ЕИГА.714171.004
Стакан
Содержащиеся в справочниках-каталогах запасные части и детали не предлагаются к продаже, а носят исключительно информационный характер
Дополнительная информация
×
Название:
Номер:
Примечание: