Вернуться на главную
Поиск
Каталоги запчастей к технике
Грузовые автомобили и прицепы
Камский автозавод
6460
Механизм подрессоривания
Каталог запасных частей к технике: Камский автозавод 6460. Механизм подрессоривания
zoom-in
zoom-out
enlarge
shrink
circle-right
circle-left
file-text2
info
cart
Тип техники
Не выбрано
Легковые автомобили
Грузовые автомобили и прицепы
Автобусы
Сельхозтехника
Спецтехника
Двигатели
Мототехника
Марка
Не выбрано
BAW
DAF
DongFeng
FAW
Foton
HOWO
Hyundai
IVECO
JAC Motors
LGMG
MAN
Shaanxi
SITRAK
Studebaker
Tata
Volvo
Автокомпонент Плюс
БелАЗ
Брянский Арсенал
ГАЗ
ЗИЛ
КАЗ
Камский автозавод
КрАЗ
Мадара
МАЗ
МЗКТ
МоАЗ
Нефтекамский автозавод
Ставропольский Завод АвтоПрицепов
ТАТРА
Тонар
УралАЗ
ЧМЗАП
Модель
Не выбрано
4308 (2004)
4308 (2008)
4308 (Евро 3) (2013)
4308 (Евро 4) (2012)
4308-C4 (2019)
4308-C4 (2019)
4308-H3 (2019)
4308-R4 (2019)
4310
4310
43101
43114
43118 (2002)
43118 (Евро 4) (2012)
43253 (Часть-1) (2011)
43253 (Часть-2) (2011)
43253, 43255 (Евро-4) (2012)
43255 (Евро-2) (2012)
43255 (Евро-3) (2012)
4326 (2001)
4326 (2003г)
43261 (Евро-1, 2) (2007)
4350 (4х4) (2004)
43501 (4х4) (2007)
43502 (Евро 4) (2013)
45141 (2009)
45142 (2009)
45143 (2009)
5308 (Евро 3) (2012)
5308 (Евро 4) (2013)
5315
5320
53212
53228, 65111 (2004)
53229 (Евро 2) (2010)
5350 (6х6) (2004)
53501 (6х6) (2007)
53504 (6х6) (2007)
5360
53605 (Евро-4) (2013)
5410
54112
5460
5460 (2005)
5490 (2016)
55102
5511 (2003)
6350 (8х8) (2004)
63501 (8х8) (2007)
6450 (8х8) (2007)
6460
6460 (Евро 3, 4) (2013)
6460 (Евро 4) (2013)
65111 (2008)
65111 (Евро 4) (2012)
65115 (2001)
65115 (2009)
65115 (Евро-3) (2013)
65115, 65116 (Евро-4) (2010)
65116 (2006)
6520
6520 (Euro-2, 3) (2009)
6520 (Euro-4) (2012)
6520 (Euro-4) (2016)
65201 (2007)
65201 Евро 2-3 (2016)
6522 (2005)
6522 (Euro-2, 3) (2009)
6522 (Евро-4) (2016)
65226 (2009)
65226 (2013)
6540
KNORR-BREMSE применяемых на технике Камского автозавода
Общий (5320, 53212, 5410, 54112, 5511, 55102)
Самосв. установка 6520 (2011)
Схема
>
Не выбрано
Кабина с дверями окрашенная
Установка задней подвески кабины
Установка механизма опрокидывания кабины
Цилиндр в сборе
Запор кабины правый
Запор кабины левый
Окно ветровое, окно задка, установка зеркал заднего вида
Установка стеклоочистителя и омывателя
Установка вентиляционного люка крыши
Установка стекол и арматуры двери правая/левая
Установка стекол и арматуры двери правая/левая
Стеклоподъемник двери левый и правый в сборе (а)
Замок, фиксатор замка, ручка двери
Установка сидений
Сидение водителя
Механизм подрессоривания
Элементы отопления и вентиляции кабины
Установка настила рамы
Установка оперения кабины
Установка задней части переднего крыла правая/левая
Установка задних крыльев
Установка нижней подножки правая/левая
Агрегат силовой, укомплектованный для установки на автомобиль
Агрегат силовой
Двигатель с оборудованием
Установка картера агрегатов
Установка картера маховика
Картер маховика
Блок цилиндров в сборе
Блок цилиндров в сборе
Установка газораспределительного механизма
Головка цилиндра
Головка цилиндра с втулками
Коромысло клапана в сборе
Вал распределительный
Поршень с шатуном и кольцами
Установка форсунки охлаждения поршня
Клапан форсунки охлаждения поршня в сборе
Установка коленчатого вала и маховика
Вал коленчатый
Установка шкива коленчатого вала
Маховик
Установка фиксатора маховика
Установка системы вентиляции
Трубка сапуна с втулкой
Угольник сапуна
Установка электромагнитного клапана
Клапан с кронштейном и трубкой
Установка привода отбора мощности переднего
Привод агрегатов
Корпус подшипника
Вал отбора мощности
Установка силового агрегата (опора передняя)
Установка силового агрегата (опора задняя)
Установка силового агрегата (опора поддерживающая)
Установка газопровода
Установка картера масляного
Установка масляного насоса
Масляный насос с маслозаборником в сборе
Масляный насос с шестерней
Масляный насос
Крышка масляного насоса с клапаном
Крышка масляного насоса в сборе
Корпус масляного насоса в сборе
Шестерня ведомая масляного насоса
Маслозаборник
Установка фильтра и теплообменника
Фильтр масляный с теплообменником
Теплообменник масляный
Сердцевина в сборе
Фильтр очистки масла
Корпус масляного фильтра в сборе
Колпак масляного фильтра
Установка турбокомпрессора
Установка воздушного фильтра
Установка воздухозаборника
Фильтр воздушный в сборе
Установка топливопроводов
Фильтр тонкой очистки топлива
Клапан в сборе
Привод управления регулятором
Кронштейн с валом привода
Кронштейн вала привода
Тяга привода управления регулятором
Установка и привод ТНВД
Вал привода ТНВД
Насос топливный высокого давления
Насос топливный высокого давления
Топливный насос низкого давления
Крышка регулятора верхняя в сборе
Державка грузов регулятора
Рычаг регулятора
Корректор подачи топлива по наддуву
Секция топливного насоса
Установка форсунки
Форсунка
Установка топливопроводов
Установка тройника
Установка топливных баков, ФГОТ и топливопроводов
Установка управления подачи топлива
Установка системы впуска
Установка системы ОВН
Установка системы выпуска
Установка водяных труб
Установка корпуса водяных каналов
Корпус водяных каналов
Установка водяного насоса
Водяной насос
Установка обечайки вентилятора
Установка расширительного бачка
Установка радиатора и уплотнителей радиатора
Установка сцепления
Вилка выключения сцепления
Установка цилиндра сцепления
Установка подали и привода выключения сцепления
Установка картера сцепления
Привод управления механизмом переключения передач
Опора рычага переключения передач
Тяга реактивная в сборе
Картер коробки передач с пробками
Установка нижней крышки картера и трубки распылителя
Первичный вал
Установка крышки первичного вала
Промежуточный вал
Установка насоса
Основной вал
Установка пробок картера
Штоки вилок переключения передач
Механизм переключения передач
Установка боковых крышек механизма переключения передач
Установка датчиков механизма переключения передач
Комплект пружин
Механизм управления демультипликатором
Установка задней крышки картера
Картер планетарной передачи
Привод планетарной передачи
Установка заднего фланца
Синхронизатор планетарной передачи
Управление планетарной передачей
Механизм выбора передаточного числа
Установка пневмопривода управлением переключения передач
Установка карданных валов
Вал карданный заднего моста
Вал карданный среднего моста
Крестовина карданного вала
Мост задний
Картер моста заднего с механизмом блокировки в сборе
Вилка блокировки в сборе
Передача главная заднего моста
Шестерня ведущая заднего моста
Крышка подшипника в сборе
Дифференциал моста заднего
Сателлит в сборе
Водило с кожухом и сателлитами
Водило планетарной передачи
Шестерня ведомая колесной передачи в сборе
Мост средний
Картер моста среднего с механизмом блокировки в сборе
Передача главная среднего моста
Шестерня ведущая среднего моста
Крышка подшипника в сборе
Дифференциал моста среднего
Межосевой дифференциал среднего моста
Сателлит межосевого дифференциала с втулкой
Привод блокировки межосевого и межколесного дифференциала
Установка буксирной поперечины
Установка буксирной вилки
Установка передней подвески
Рессора передняя в сборе
Ушко с втулкой
Кронштейн стабилизатора в сборе
Кронштейн амортизатора левый и правый в сборе
Подвеска задняя в сборе
Подвеска задняя в сборе
Рессора задняя в сборе
Кронштейн балансира с осью
Башмак рессоры с втулками и манжетой
Башмак рессоры с втулками
Штанга реактивная в сборе
Штанга реактивная в сборе
Ось передняя с тормозами
Ось передняя в сборе
Кулак поворотный в сборе
Ступица переднего колеса
Ступица с тормозным барабаном
Ступица заднего колеса с манжетами
Ступица заднего колеса с болтами
Установка передних колес
Установка сдвоенных колес
Колесо с шиной
Держатель запасного колеса
Стакан с манжетами
Манжета
Установка насоса гидроусилителя руля
Установка рулевого механизма
Наконечник
Установка колонки рулевого управления
Рулевая колонка с карданным валом
Установка трубопроводов рулевого управления
Тяга
Наконечник тяги рулевой трапеции левый в сборе
Установка компрессора
Компрессор
Установка пневмотормозов
Установка осушителя
Установка ресиверов
Кран слива конденсата
Установка двухсекционного тормозного крана
Кран тормозной двухсекционный с педалью
Кран тормозной двухсекционный
Клапан контрольного вывода
Установка четырехконтурного защитного клапана
Клапан защитный четырехконтурный
Установка ускорительного клапана
Установка клапана управления тормозами прицепа
Установка регулятора тормозных сил
Установка клапана двухмагистрального
Установка охладителя
Установка пневмовыводов к полуприцепу
Корпус вспомогательного тормоза с заслонкой
Вал заслонки
Кран экстренного растормаживания
Цилиндр управления заслонкой в сборе
Тормоз задний
Суппорт тормоза задний
Колодка тормоза с накладками
Кронштейн с втулками
Тормозная камера тип 30/24
Тормоз передний правый/левый
Суппорт тормоза передний
Камера тормозная тип 30
Установка цилиндра выключения подачи топлива
Цилиндр пневматический с тягой
Цилиндр выключения подачи топлива пневматический
Установка аккумуляторных батарей
Установка фар передних указателей поворота
Установка фар дополнительных и противотуманных
Установка плафонов
Установка плафона освещения спального места
Установка плафона освещения вещевого ящика
Установка подкапотной лампы
Установка задних фонарей
Установка фонаря заднего противотуманного
Установка фонаря заднего хода
Установка фонарей освещения номерного знака
Установка звуковых электрических сигналов
Установка предохранителей
Установка розеток прицепа
Установка розетки переносной лампы
Установка проводов на шасси
Установка проводов на кабине
Установка бокового повторителя указателей поворота
Установка прерывателя указателей поворота
Установка малогабаритного выключателя массы
Установка реле
Установка габаритных боковых фонарей
Панель выключателей
Щиток приборов
Установка седельно-сцепного устройства
Установка коробки отбора мощности
Комплект вкладышей
Комплект вкладышей
Комплект колец
Комплект: коленвал
Комплект: гильза
Блок цилиндров в сборе
Головка цилиндра
Комплект: насос масляный с шестерней
Крестовина карданного вала
Шестерни ведущая и ведомая (комплект)
Ступица с тормозным барабаном
Ступица заднего колеса с манжетами и подшипниками
Ступица заднего колеса с тормозным барабаном и кожухом
Тяга сошки с наконечником
Комплекты для запасных частей
1
2
3
4
5
6
7
8
8
9
10
11
12
13
14
14
15
16
17
18
19
20
21
22
23
24
25
26
27
28
29
30
31
32
33
34
35
36
37
38
39
39
40
41
42
43
44
45
46
47
48
49
50
50
51
51
52
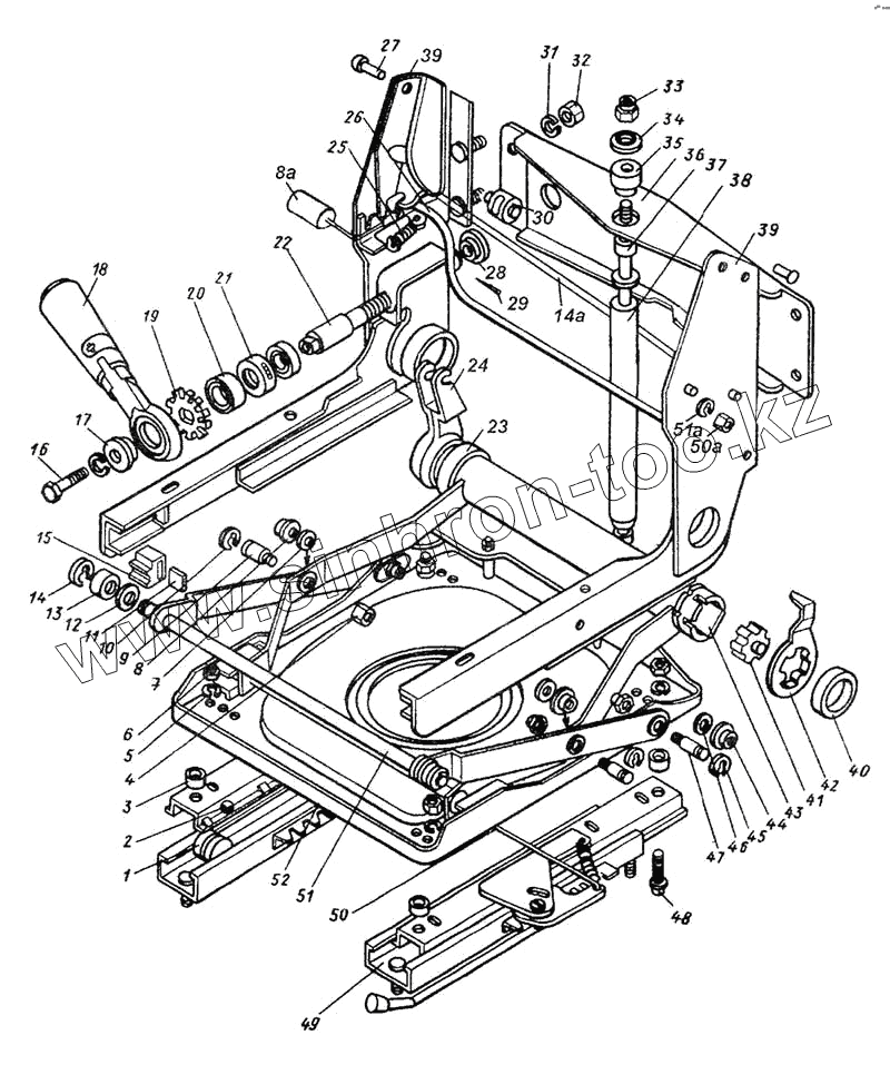
Позиция на иллюстрации
Заводской номер детали
Название детали
5460-6804010
5460-6804010
Механизм подрессоривания сидения в сборе
1
5320-6804125
Ролик механизма перемещения сиденья
2
864736
Шарик Б5
3
1/21647/11
Гайка М10х1,25-6Н
4
251646
Гайка М10х1,25-6Н ОСТ 37.001.197-75
5
1/05166/77
Шайба 8 пружинная
6
1/61008/11
Гайка М8х1,25-6Н
7
5320-6804568
Прокладка подвески сиденья
8
5320-6804617
Втулка оси шарнира
8
5320-8109044-10
Ручка управления
9
5320-6804614
Ось соединения шарниров подвески
10
1/10880/76
Шайба стопорная 9х18,5х1,1
11
5320-6804533
Сухарь буфера
12
5320-6804568
Прокладка подвески сиденья
13
5320-6804569
Ролик шарнира
14
5460-6804380
Механизм блокировки спинки сиденья (а)
14
1/10880/76
Шайба стопорная 9х18,5х1,1
15
5320-6804530
Буфер шарнира
16
1/60434/21
Болт М8-6gх20
17
5320-6804751
Подкладка ручки
18
5320-6804756
Ручка регулировки торсиона в сборе
19
5320-6804749
Звездочка винта
20
5320-6804681
Подкладка ручки
21
108903
Подшипник
22
5320-6804665
Винт регулировки торсиона
23
5320-6804592
Окантовка трубы торсиона подвески сиденья
24
5320-6804625
Вилка торсиона подвески
25
5320-6804327
Пружина регулировочная
26
5320-6804320
Механизм регулировки наклона спинки в сборе
27
1/04315/00
Заклепка 6х14
28
5320-6804741
Ограничитель винта
29
1/07969/01
Шплинт 3,7х25
30
5320-6804683
Втулка скользящая
31
1/05166/77
Шайба 8 пружинная
32
1/61096/11
Гайка глухая
33
251646
Гайка М10х1,25-6Н ОСТ 37.001.197-75
34
5320-6804675
Шайба специальная
35
5320-6804653
Буфер амортизатора наружный
36
5320-6804643
Поперечина крепления амортизатора подвески сиденья
37
5320-6804655
Буфер амортизатора внутренний
38
11.6809010ГЧ
Амортизатор
39
5460-6804511/510
Боковина подвески сиденья левая в сборе/правая в сборе
40
5320-6804592
Окантовка трубы торсиона подвески сиденья
41
5320-6804627
Держатель торсиона
42
5320-6804595
Указатель направления вращения торсиона подвески сиденья
43
5320-6004623
Торсион подвески сиденья
44
5320-6804617
Втулка оси шарнира
45
1/10880/76
Шайба стопорная 9х18,5х1,1
46
5320-6804568
Прокладка подвески сиденья
47
5320-6804614
Ось соединения шарниров подвески
48
1/32796/01
Винт с крестообразным шлицем
49
5320-6804111
Механизм перемещения сиденья водителя левый в сборе
50
251645
Гайка М8-6Н ОСТ 37.001.197-75
50
5320-6804163
Стяжка механизма перемещения сиденья
51
1/05166/77
Шайба 8 пружинная
51
5320-6804560
Шарнир подвески сиденья водителя передний в сборе
52
5320-6804540
Основание подвески сиденья в сборе
Содержащиеся в справочниках-каталогах запасные части и детали не предлагаются к продаже, а носят исключительно информационный характер
Дополнительная информация
×
Название:
Номер:
Примечание: