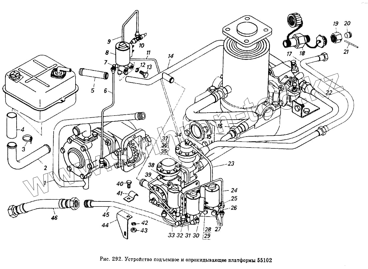
Каталог запасных частей к технике: Камский автозавод 5511. Устройство подъемное и опрокидывающее платформы 55102
1
2
3
4
5
6
7
8
9
10
11
12
13
14
15
16
17
18
19
20
21
22
23
24
25
26
27
28
29
30
31
32
33
34
35
36
37
38
39
40
41
42
43
44
45
46
| Позиция на иллюстрации | Заводской номер детали | Название детали | |
|---|---|---|---|
| 55102-8607003 | 55102-8607003 | Блок управления в сборе | |
| 1/59705/21 | 1/59705/21 | Болт М10х1,25-6gх20 | |
| 1/21647/11 | 1/21647/11 | Гайка М10х1,25-6Н | |
| 555-8609104-10 | 555-8609104-10 | Гайка накидная | |
| 555-8609104-10 | 555-8609104-10 | Гайка накидная | |
| 864811 | 864811 | Гайка накидная М14х1,5-6Н | |
| 864811 | 864811 | Гайка накидная М14х1,5-6Н | |
| 864811 | 864811 | Гайка накидная М14х1,5-6Н | |
| 864811 | 864811 | Гайка накидная М14х1,5-6Н | |
| 864811 | 864811 | Гайка накидная М14х1,5-6Н | |
| 864811 | 864811 | Гайка накидная М14х1,5-6Н | |
| 864811 | 864811 | Гайка накидная М14х1,5-6Н | |
| 864811 | 864811 | Гайка накидная М14х1,5-6Н | |
| 18.8609265 | 18.8609265 | Заглушка в сборе | |
| 864002 | 864002 | Клапан | |
| 5511-8606200 | 5511-8606200 | Клапан предохранительный в сборе | |
| 5511-8607070 | 5511-8607070 | Клапан предохранительный в сборе | |
| 864000 | 864000 | Клапан предохранительный на давление 0,12-0,24 кг/см2 | |
| 864000 | 864000 | Клапан предохранительный на давление 0,12-0,24 кг/см2 | |
| 5511-8606203 | 5511-8606203 | Колпачок клапана | |
| 864003 | 864003 | Колпачок клапана (453576512) | |
| 021-025-25-2-2 | 021-025-25-2-2 | Кольцо | |
| 5511-8609086-10 | 5511-8609086-10 | Корпус | |
| 5511-8609086-10 | 5511-8609086-10 | Корпус | |
| 5511-8607010 | 5511-8607010 | Кран управления в сборе | |
| 551107-8607010 | 551107-8607010 | Кран управления в сборе (тропический вариант) | |
| 551107-8607114 | 551107-8607114 | Кронштейн блока управления (тропический вариант.) | |
| 864815 | 864815 | Муфта 8 конусная | |
| 864815 | 864815 | Муфта 8 конусная | |
| 864815 | 864815 | Муфта 8 конусная | |
| 864815 | 864815 | Муфта 8 конусная | |
| 864815 | 864815 | Муфта 8 конусная | |
| 864815 | 864815 | Муфта 8 конусная | |
| 864815 | 864815 | Муфта 8 конусная | |
| 864815 | 864815 | Муфта 8 конусная | |
| 5511-8609103-10 | 5511-8609103-10 | Ниппель | |
| 5511-8609103-10 | 5511-8609103-10 | Ниппель | |
| 964004 | 964004 | Пружина | |
| 55102-8609094 | 55102-8609094 | Рукав | |
| 5511-8609094-10 | 5511-8609094-10 | Рукав | |
| 551107-8609118-20 | 551107-8609118-20 | Рукав (тропический вариант) | |
| 551107-8609117 | 551107-8609117 | Рукав (тропический вариант) | |
| 551027-8609094 | 551027-8609094 | Рукав (тропический вариант) | |
| 551107-8609094 | 551107-8609094 | Рукав (тропический вариант) | |
| 551027-8609090 | 551027-8609090 | Рукав высокого давления в сборе (тропический вариант) | |
| 551107-8609090 | 551107-8609090 | Рукав высокого давления в сборе (тропический вариант) | |
| 864892 | 864892 | Тройник ввертной симметричный | |
| 5511-8609135-10 | 5511-8609135-10 | Труба высокого давления от насоса в сборе (с коробкой передач модели 15) | |
| 551107-8609135 | 551107-8609135 | Труба высокого давления от насоса в сборе (тропический вариант) | |
| 551107-8609135-10 | 551107-8609135-10 | Труба высокого давления от насоса в сборе (тропический вариант, с коробкой передач модели 15) | |
| 55102-8606026 | 55102-8606026 | Трубка | |
| 55102-8606031 | 55102-8606031 | Трубка | |
| 5511-8606126 | 5511-8606126 | Трубка | |
| 5511-8606141 | 5511-8606141 | Трубка | |
| 5511-8606121 | 5511-8606121 | Трубка | |
| 5511-8606146 | 5511-8606146 | Трубка | |
| 55102-8606016 | 55102-8606016 | Трубка воздуховодная | |
| 55102-8606022 | 55102-8606022 | Трубка воздуховодная | |
| 853643 | 853643 | Шайба плоская специальная 2,5х6,2 | |
| 1/05168/70 | 1/05168/70 | Шайба 10 пружинная | |
| 5511-8609106 | 5511-8609106 | Штифт | |
| 5511-8609106 | 5511-8609106 | Штифт | |
| 5511-8607033 | 5511-8607033 | Штуцер | |
| 864001 | 864001 | Штуцер клапана | |
| 5320-3721500 | 5320-3721500 | Клапан пневмосигнала с электромагнитом в сборе | |
| 1 | 5511-8609135 | Труба высокого давления от насоса в сборе | |
| 2 | 551107-8609130-10 | Труба низкого давления | |
| 3 | 5511-8609118-20 | Рукав | |
| 4 | 1/02912/90 | Хомут L=61 | |
| 5 | 5511-8609117 | Рукав | |
| 6 | 55102-8606025 | Трубка подвода воздуха в сборе | |
| 7 | 853965 | Угольник 6 ввертный | |
| 8 | 5320-3721500 | Клапан пневмосигнала с электромагнитом в сборе | |
| 9 | 55102-8606015 | Трубка подвода воздуха в сборе | |
| 10 | 864919 | Тройник проходной | |
| 11 | 55102-8606020 | Трубка подвода воздуха в сборе | |
| 12 | 1/05168/70 | Шайба 10 пружинная | |
| 13 | 1/59705/21 | Болт М10х1,25-6gх20 | |
| 14 | 55102-8609152 | Трубка низкого давления | |
| 15 | 55102-8609141 | Трубка высокого давления в сборе | |
| 16 | 55102-8609090 | Рукав высокого давления в сборе | |
| 17 | 55102-8609143 | Трубка высокого давления в сборе | |
| 18 | Н.036.57.000 | Устройство запорное | |
| 19 | 555-8609104-10 | Гайка накидная | |
| 20 | 18.8609267 | Заглушка | |
| 21 | 5511-8609106 | Штифт | |
| 22 | 55102-8609170 | Труба высокого давления в сборе | |
| 23 | 55102-8606030 | Трубка подвода воздуха в сборе | |
| 24 | 5511-8606125 | Трубка подвода воздуха в сборе | |
| 25 | 5511-8606200 | Клапан предохранительный в сборе | |
| 26 | 864892 | Тройник ввертной симметричный | |
| 27 | 5511-8607114 | Кронштейн блока управления | |
| 28 | 1/59705/21 | Болт М10х1,25-6gх20 | |
| 29 | 1/05168/70 | Шайба 10 пружинная | |
| 30 | 864822 | Угольник ввертной | |
| 31 | 5511-8606140 | Трубка подвода воздуха в сборе | |
| 32 | 55102-8607115 | Тройник ввертный угловой | |
| 33 | 5511-8606120 | Трубка подвода воздуха в сборе | |
| 34 | 182.8607005 | Блок гидрораспределительный в сборе | |
| 35 | 1/60446/21 | Болт М8-6gх70 | |
| 36 | 1/61008/11 | Гайка М8х1,25-6Н | |
| 37 | 1/05166/70 | Шайба 8 пружинная | |
| 38 | 853973 | Штуцер ввертной задних колес | |
| 39 | 5511-8606145 | Трубка подвода воздуха в сборе | |
| 40 | 1/59705/21 | Болт М10х1,25-6gх20 | |
| 41 | 18.8609228 | Скоба | |
| 42 | 1/05168/70 | Шайба 10 пружинная | |
| 43 | 1/21647/11 | Гайка М10х1,25-6Н | |
| 44 | 55102-8609369 | Кронштейн | |
| 45 | 55102-8609135-10 | Труба высокого давления в сборе | |
| 46 | 5511-8609090-01 | Рукав высокого давления в сборе |
Содержащиеся в справочниках-каталогах запасные части и детали не предлагаются к продаже, а носят исключительно информационный характер