Вернуться на главную
Поиск
Каталоги запчастей к технике
Грузовые автомобили и прицепы
Камский автозавод
5511
Подвеска передняя
Каталог запасных частей к технике: Камский автозавод 5511. Подвеска передняя
zoom-in
zoom-out
enlarge
shrink
circle-right
circle-left
file-text2
info
cart
Тип техники
Не выбрано
Легковые автомобили
Грузовые автомобили и прицепы
Автобусы
Сельхозтехника
Спецтехника
Двигатели
Мототехника
Марка
Не выбрано
BAW
DAF
DongFeng
FAW
Foton
HOWO
Hyundai
IVECO
JAC Motors
LGMG
MAN
Shaanxi
SITRAK
Studebaker
Tata
Volvo
Автокомпонент Плюс
БелАЗ
Брянский Арсенал
ГАЗ
ЗИЛ
КАЗ
Камский автозавод
КрАЗ
Мадара
МАЗ
МЗКТ
МоАЗ
Нефтекамский автозавод
Ставропольский Завод АвтоПрицепов
ТАТРА
Тонар
УралАЗ
ЧМЗАП
Модель
Не выбрано
4308 (2004)
4308 (2008)
4308 (Евро 3) (2013)
4308 (Евро 4) (2012)
4308-C4 (2019)
4308-C4 (2019)
4308-H3 (2019)
4308-R4 (2019)
4310
4310
43101
43114
43118 (2002)
43118 (Евро 4) (2012)
43253 (Часть-1) (2011)
43253 (Часть-2) (2011)
43253, 43255 (Евро-4) (2012)
43255 (Евро-2) (2012)
43255 (Евро-3) (2012)
4326 (2001)
4326 (2003г)
43261 (Евро-1, 2) (2007)
4350 (4х4) (2004)
43501 (4х4) (2007)
43502 (Евро 4) (2013)
45141 (2009)
45142 (2009)
45143 (2009)
5308 (Евро 3) (2012)
5308 (Евро 4) (2013)
5315
5320
53212
53228, 65111 (2004)
53229 (Евро 2) (2010)
5350 (6х6) (2004)
53501 (6х6) (2007)
53504 (6х6) (2007)
5360
53605 (Евро-4) (2013)
5410
54112
5460
5460 (2005)
5490 (2016)
55102
5511 (2003)
6350 (8х8) (2004)
63501 (8х8) (2007)
6450 (8х8) (2007)
6460
6460 (Евро 3, 4) (2013)
6460 (Евро 4) (2013)
65111 (2008)
65111 (Евро 4) (2012)
65115 (2001)
65115 (2009)
65115 (Евро-3) (2013)
65115, 65116 (Евро-4) (2010)
65116 (2006)
6520
6520 (Euro-2, 3) (2009)
6520 (Euro-4) (2012)
6520 (Euro-4) (2016)
65201 (2007)
65201 Евро 2-3 (2016)
6522 (2005)
6522 (Euro-2, 3) (2009)
6522 (Евро-4) (2016)
65226 (2009)
65226 (2013)
6540
KNORR-BREMSE применяемых на технике Камского автозавода
Общий (5320, 53212, 5410, 54112, 5511, 55102)
Самосв. установка 6520 (2011)
Схема
>
Не выбрано
Кабина (сварка)
Установка кронштейнов и механизма уравновешивания кабины
Рессора кабины
Установка заднего крепления кабины, запорное устройство
Установка ограничителя подъема кабины
Основание кабины (пол)
Термоизоляция и уплотнение пола
Стеклоочиститель и его привод
Насос водяной очистки стекла
Передок кабины в сборе
Ящик вещевой
Дверка вещевого ящика
Панель приборов
Боковина кабины левая и правая
Задок кабины
Окно задка
Мотоотсек
Крыша кабины
Вентиляция крыши
Дверь боковая в сборе правая и левая
Дверь правая (сварка)
Дверь левая (сварка)
Замки и ручки двери
Сиденье водителя
Механизм регулирования положения сиденья водителя
Амортизатор однотрубный в сборе
Установка элементов отопления и вентиляции кабины
Кран сливной
Зеркало наружное заднего вида
Ручка входная левая и правая
Пепельница
Козырек противосолнечный правый и левый
Панель облицовочная
Замок, навеска и упор облицовочной панели. Крыло и брызговик, подножка
Брызговики
Замок панели
Платформа 5320-8500010
Платформа 53212-8500010
Платформа 5511-8500020
Платформа 5511-8500020-01
Платформа 55102-8500020-10
Установка тента 55102-8500004
Установка платформы 5511-8500008
Борта основные платформы 5320-8500010
Борта основные платформы 53212-8500010
Борта надставные платформы 55102-8500012
Борта дополнительные платформы 55102-8500012-10
Борта основные платформы 55102-8500020-10
Задние стойки и механизм запирания основных бортов платформы 55102-8500032
Запор заднего борта платформы 55102-8500034
Установка запора заднего борта платформы 5511-8500040
Установка упора платформы 55102-8500050
Установка торсионных помощников боковых бортов 55102-8500054-10
Борта платформы надставные 5320-8500091-02
Борта платформы надставные 53212-8500091
Основание платформы 5320-8501010
Основание платформы 53212-8501010
Основание платформы 55102-8501010-20
Каркас основания платформы 55102-8501011-10
Каркас основания платформы 5320-8501016
Каркас основания платформы 53212-8501016
Запоры бортов платформы
Ящик платформы
Установка полога надставных бортов 5320-8508004
Установка полога надставных бортов 53212-8508004
Установка каркаса тента платформы 5320-8508008
Установка каркаса тента платформы 53212-8508008
Каркас тента платформы 5320-8508008
Каркас тента платформы 53212-8508008
Тент платформы 5320-8508012
Установка тента платформы 53212-8508012
Запор стойки № 3 каркаса тента 5320-8508208
Ограничитель опрокидывания платформы 5511-8510010
Ограничитель опрокидывания платформы 5511-8510010-10
Устройство подъемное и опрокидывающее платформы 5511
Устройство подъемное и опрокидывающее платформы 55102
Канаты ограничения подъема платформы 55102-8600008
Установка опор платформы 55102-8600064-10
Надрамник опрокидывающего механизма 5511-8601010
Надрамник опрокидывающего механизма 55102-8601010-20
Гидроцилиндр опрокидывающего механизма 5511-8603010
Гидроцилиндр опрокидывающего механизма 55102-8603010-10
Установка гидроцилиндра опрокидывающего механизма
Насос опрокидывающего механизма 5511-8604000-10
Кран управления 5511-8607070
Гидрораспределитель прицепа в сборе
Бак масляный 55102-8608010
Клапан опрокидывающего механизма ограничительный 55102-8614005
Общий вид узлов и механизмов силового агрегата
Силовой агрегат, основная комплектация
Силовой агрегат, (10-я комплектация)
Силовой агрегат, (11-я комплектация)
Силовой агрегат, (22-я комплектация)
Двигатель с оборудованием в сборе, основная комплектация
Двигатель с оборудованием, основная комплектация
Блок цилиндров, картер масляный и фильтр очистки масла
Установка картера маховика
Газораспределительный механизм
Установка вала коленчатого с маховиком
Установка выпускных коллекторов
Установка насоса масляного
Установка и привод ТНВД
Подвеска силового агрегата
Блок цилиндров
Блок цилиндров
Картер маховика
Головка цилиндра
Поршень с шатуном и кольцами в сборе
Вал коленчатый
Маховик
Насос масляный
Фильтр грубой очистки масла
Радиатор масляный двигателя
Кран масляной системы
Вентиляция картера двигателя
Устройство предпусковое подогревательное
Агрегат насосный предпускового подогревателя
Насос топливный предпускового подогревателя
Нагнетатель насосного агрегата предпускового подогревателя
Котел подогревателя
Крепление котла подогревателя
Крепление топливного бачка подогревателя
Фильтр центробежный очистки масла
Установка электромагнитного клапана
Шестерня ведущая привода распределительного вала, шестерня ведомая привода топливного насоса
Система питания двигателя
Установка впускных коллекторов
Бак топливный
Трубопроводы топливные
Фильтр грубой очистки топлива в сборе
Насос топливный низкого давления (ТННД)
Управление акселератором
Привод акселератора
Установка воздушного фильтра на автомобиле КамАЗ-5511
Фильтр воздушный
Крышка регулятора верхняя
Державка грузов регулятора, муфта грузов регулятора, рычаги с корректорами регулятора
Насос топливный высокого давления (ТНВД)
Насос топливный высокого давления
Регулятор частоты вращения
Корпус ТНВД в сборе
Корпус ТНВД
Секция ТНВД
Форсунка
Фильтр тонкой очистки топлива
Муфта опережения впрыскивания топлива
Установка глушителя выхлопа
Система охлаждения двигателя
Радиатор и трубопроводы
Подвеска радиатора
Бачок расширительный и трубопроводы
Кран сливной
Установка уплотнителей радиатора
Хомут
Труба водяная правая и левая
Коробка водяная
Пробка радиатора
Насос водяной
Крыльчатка вентилятора
Управление жалюзи радиатора
Жалюзи радиатора
Бачок расширительный
Гидромуфта привода вентилятора с передней крышкой
Включатель гидромуфты привода вентилятора
Механизм сцепления
Привод управления сцеплением
Усилитель привода управления сцеплением (ПГУ)
Коробка передач с делителем в сборе
Коробка передач с картером сцепления
Картер коробки передач с валами
Вал первичный коробки передач модели 14 и 15
Валы и шестерни коробки передач модели 14 и 15
Механизм переключения передач
Привод управления механизмом переключения передач 14.1703005
Привод управления механизмом переключения передач 14.1703006
Опора с рычагом переключения передач
Опора рычага переключения передач
Делитель передач с управлением в сборе
Установка механизма переключения делителя передач
Механизм переключения делителя передач
Привод управления механизмом переключения делителя передач
Воздухораспределитель
Клапан включения делителя в сборе
Клапан редукционный
Кран управления делителем
Валы карданные
Мост задний в сборе
Картер заднего моста
Передача главная заднего моста
Дифференциал и полуоси заднего моста
Мост промежуточный
Картер моста промежуточного
Передача главная моста промежуточного
Дифференциал межосевой
Привод включения блокировки межосевого дифференциала
Рама 5511-2800010
Буфер передний и крюки буксирные
Проушина буксирная
Установка передней подвески в сборе
Подвеска передняя
Рессора передняя
Амортизатор передней подвески
Шток с поршнем
Клапан сжатия в сборе
Стабилизатор поперечной устойчивости передний
Установка задней подвески в сборе
Рессора задняя
Балансиры задней подвески
Штанга реактивная задней подвески
Ось передняя с тормозами в сборе
Ось передняя в сборе
Колеса в сборе
Колесо бездисковое
Ступица передних колес
Ступица задних колес
Держатель запасного колеса
Держатель запасного колеса 5511-3105010-20
Управление рулевое
Механизм рулевого управления
Редуктор угловой
Колесо рулевое. Крепление рулевого управления
Насос гидроусилителя руля
Крышка насоса
Фильтр насоса
Трубопроводы и радиатор масляный гидроусилителя руля
Тяги рулевые
Клапан управления гидроусилителем руля
Механизм тормозной переднего колеса правый и левый
Механизм тормозной заднего колеса правый и левый
Панель тормозная и привод
Трубопроводы пневмотормозов
Компрессор пневмотормозов
Патрубок со шлангом
Водоотделитель пневмопривода тормозной системы
Регулятор давления пневмотормозов
Ресиверы воздушные пневмотормозов
Кран тормозной двухсекционный
Клапан защитный одинарный в сборе
Клапан защитный двойной в сборе
Клапан защитный тройной в сборе
Клапан контрольного вывода в сборе
Клапан ускорительный в сборе
Камера тормозная с пружинным энергоаккумулятором типа 20/20 в сборе
Камера тормозная в сборе (тип 24)
Кран разобщительный в сборе
Головка соединительная типа "Палм"
Клапан и управление тормозами прицепа с двухпроводным приводом в сборе
Клапан управления тормозами прицепа с однопроводным приводом в сборе
Установка регулятора тормозных сил
Регулятор тормозных сил
Клапан ограничения давления
Предохранитель против замерзания
Кран тормозной обратного действия с ручным управлением в сборе
Кран аварийного растормаживания в сборе
Клапан двухмагистральный в сборе
Установка и привод вспомогательного тормоза
Цилиндр выключения подачи топлива пневматический
Цилиндр вспомогательного тормоза пневматический
Генератор
Кронштейн крепления генератора
Установка батарей аккумуляторных
Стартер
Выключатель стартера и приборов
Переключатель света комбинированный в сборе
Система освещения
Установка приборов освещения на кабине
Установка задних фонарей и фонаря заднего хода на автомобиле 5511
Сигналы звуковые электрические
Сигналы звуковые пневматические
Электропневмоклапан
Розетка штепсельная прицепа
Монтаж пучков проводов в кабине автомобиля
Монтаж пучков проводов на раме автомобиля
Прерыватель указателей поворота
Электродвигатель отопителя
Электрооборудование подогревателя
Панель приборов и выключателей
Привод спидометра
Установка датчика указателя давления масла
Установка устройства седельного 5410-2700001-01
Установка устройства седельного 54112-2700001
Устройство седельное 5410-2702010-01
Устройство седельное 54112-2702010
Устройство буксирное
Устройство тягово-сцепное
Коробка отбора мощности
Инструмент водителя и принадлежности
Бачки, банки, канистры
КамАЗ-5511
КамАЗ-55111 (Новая модификация самосвала КамАЗ-5511)
1
2
3
4
5
6
7
8
9
10
11
12
13
14
15
15
15
16
17
18
18
19
20
21
22
23
24
24
25
26
27
28
29
30
31
32
33
34
35
36
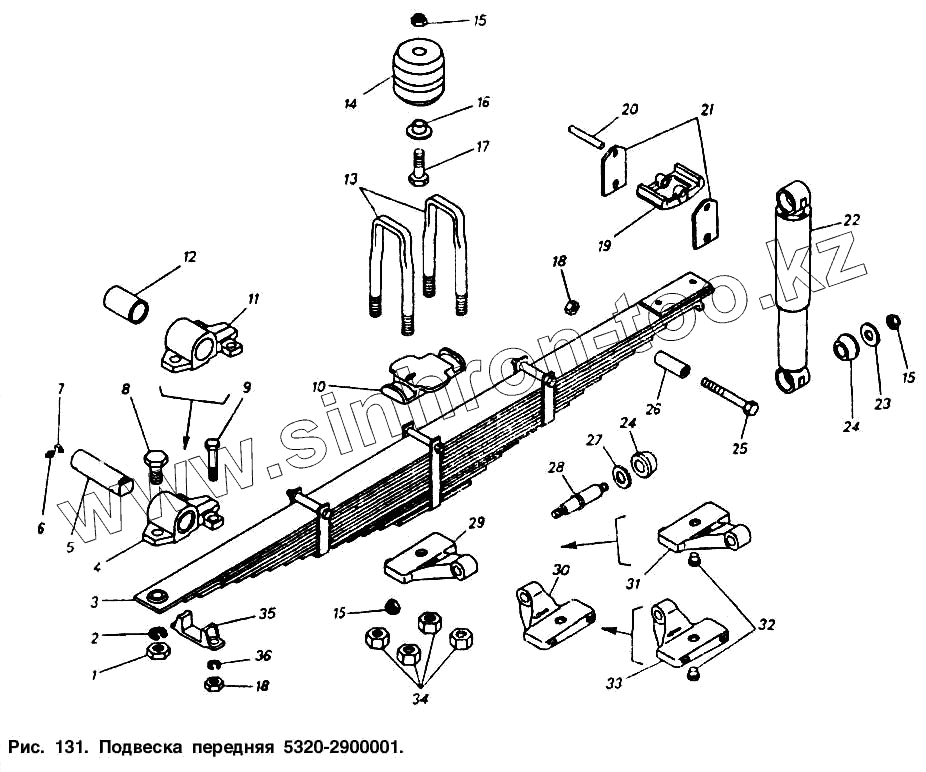
Позиция на иллюстрации
Заводской номер детали
Название детали
1
1/21643/11
Гайка М20х1,25-6Н
2
1/05174/77
Шайба 20 пружинная
3
5320-2902012
Рессора передняя в сборе
4
5320-2902020
Ушко со втулкой в сборе
5
5320-2902478
Палец ушка
6
864006
Масленка 1.3.Ц6хр.ГОСТ 19853-74
7
864010
Штуцер масленки КГ1/8"
8
Болт М20х1,5-6gх45
Болт М20х1,5-6gх45
9
1/12541/21
Болт М16х1,5-6gх80
10
5320-2902412
Накладка рессоры
11
5320-2902126
Ушко передней рессоры
12
5320-2902028
Втулка ушка
13
5320-2902408
Стремянка
14
5320-2902624
Буфер передней рессоры
15
251649
Гайка М16х1,5-6Н ОСТ 37.001.197-97
16
5320-2902635
Втулка буфера в сборе
17
1/58405/31
Болт М16х1,5-6gх50
18
1/21640/11
Гайка М14х1,5-6Н
19
5320-2902520
Сухарь
20
5320-2902547
Палец сухаря
21
5320-2902545
Вкладыш
22
53212-2905006
Амортизатор в сборе
23
53212-2905576
Шайба упорная
24
53212-2905486
Втулка крепления амортизатора
25
1/14221/31
Болт М14х1,5-6gх130
26
5320-2902487
Втулка стяжного болта
27
53212-2905574
Шайба упорная
28
53212-2905418
Палец крепления амортизатора
29
5320-2905535
Кронштейн амортизатора нижний левый в сборе
30
5320-2905534
Кронштейн амортизатора нижний правый в сборе
31
5320-2905519
Кронштейн левый
32
5320-2918428
Фиксатор
33
5320-2905518
Кронштейн амортизатора правый
34
853525
Гайка М20х1,5-6Н
35
5320-2902128-18
Накладка ушка
36
1/05172/77
Шайба 16 пружинная
Содержащиеся в справочниках-каталогах запасные части и детали не предлагаются к продаже, а носят исключительно информационный характер
Дополнительная информация
×
Название:
Номер:
Примечание: