Вернуться на главную
Поиск
Каталоги запчастей к технике
Грузовые автомобили и прицепы
Камский автозавод
5360
Установка тройника
Каталог запасных частей к технике: Камский автозавод 5360. Установка тройника
zoom-in
zoom-out
enlarge
shrink
circle-right
circle-left
file-text2
info
cart
Тип техники
Не выбрано
Легковые автомобили
Грузовые автомобили и прицепы
Автобусы
Сельхозтехника
Спецтехника
Двигатели
Мототехника
Марка
Не выбрано
BAW
DAF
DongFeng
FAW
Foton
HOWO
Hyundai
IVECO
JAC Motors
LGMG
MAN
Shaanxi
SITRAK
Studebaker
Tata
Volvo
Автокомпонент Плюс
БелАЗ
Брянский Арсенал
ГАЗ
ЗИЛ
КАЗ
Камский автозавод
КрАЗ
Мадара
МАЗ
МЗКТ
МоАЗ
Нефтекамский автозавод
Ставропольский Завод АвтоПрицепов
ТАТРА
Тонар
УралАЗ
ЧМЗАП
Модель
Не выбрано
4308 (2004)
4308 (2008)
4308 (Евро 3) (2013)
4308 (Евро 4) (2012)
4308-C4 (2019)
4308-C4 (2019)
4308-H3 (2019)
4308-R4 (2019)
4310
4310
43101
43114
43118 (2002)
43118 (Евро 4) (2012)
43253 (Часть-1) (2011)
43253 (Часть-2) (2011)
43253, 43255 (Евро-4) (2012)
43255 (Евро-2) (2012)
43255 (Евро-3) (2012)
4326 (2001)
4326 (2003г)
43261 (Евро-1, 2) (2007)
4350 (4х4) (2004)
43501 (4х4) (2007)
43502 (Евро 4) (2013)
45141 (2009)
45142 (2009)
45143 (2009)
5308 (Евро 3) (2012)
5308 (Евро 4) (2013)
5315
5320
53212
53228, 65111 (2004)
53229 (Евро 2) (2010)
5350 (6х6) (2004)
53501 (6х6) (2007)
53504 (6х6) (2007)
5360
53605 (Евро-4) (2013)
5410
54112
5460
5460 (2005)
5490 (2016)
55102
5511 (2003)
6350 (8х8) (2004)
63501 (8х8) (2007)
6450 (8х8) (2007)
6460
6460 (Евро 3, 4) (2013)
6460 (Евро 4) (2013)
65111 (2008)
65111 (Евро 4) (2012)
65115 (2001)
65115 (2009)
65115 (Евро-3) (2013)
65115, 65116 (Евро-4) (2010)
65116 (2006)
6520
6520 (Euro-2, 3) (2009)
6520 (Euro-4) (2012)
6520 (Euro-4) (2016)
65201 (2007)
65201 Евро 2-3 (2016)
6522 (2005)
6522 (Euro-2, 3) (2009)
6522 (Евро-4) (2016)
65226 (2009)
65226 (2013)
6540
KNORR-BREMSE применяемых на технике Камского автозавода
Общий (5320, 53212, 5410, 54112, 5511, 55102)
Самосв. установка 6520 (2011)
Схема
>
Не выбрано
Кабина с дверями окрашенная
Переднее крепление и механизм уравновешивания кабины
Установка кабины с оперением
Установка механизма опрокидывания кабины
Установка задней подвески кабины
Кронштейн переднего крепления кабины верхний
Рессора кабины
Установка ограничителя подъема кабины
Шпилька стопорная
Цилиндр в сборе
Запор кабины правый
Запор кабины левый
Корпус запора кабины правый
Корпус запора кабины левый
Установка стеклоочистителя
Стеклоочиститель электрический
Установка омывателя электрического
Установка панели приборов
Панель передка боковая съемная левая. Панель передка боковая съемная правая
Ящик вещевой в сборе
Дверка вещевого ящика
Ограничитель левый, правый в сборе
Установка шумоизоляционного экрана
Установка вентиляционного люка крыши
Установка стекол и арматуры двери правая. Установка стекол и арматуры двери левая
Дверь правая. Дверь левая
Стеклоподъемник двери левый в сборе. Стеклоподъемник двери правый в сборе
Замок двери правый. Замок двери левый
Фиксатор замка правый в сборе. Фиксатор замка левый в сборе
Привод замка двери правый в сборе. Привод замка двери левый в сборе
Ручка двери наружная в сборе
Ограничитель двери
Установка сидений
Сиденье водителя
Сиденье водителя
Механизм подрессоривания сиденья водителя
Сиденье пассажирское
Сиденье пассажирское с ящиком
Элементы отопления и вентиляции кабины
Кран сливной
Установка подогревателя 15.8106
Установка независимого отопителя ОН-32Д-24
Установка подогревателя, электродвигателя с насосом и топливного фильтра
Установка насоса, топливопроводов отопителя ОН-32Д-24
Установка ремней безопасности
Установка зеркал заднего вида
Пепельница в сборе
Козырек противосолнечный с обивкой левый. Козырек противосолнечный с обивкой правый
Установка боковых знаков
Установка знака двигателя и "360 TURBO"
Ручка правая. Ручка левая
Установка оперения кабины
Панель облицовочная
Установка задней части переднего крыла правая. Установка задней части переднего крыла левая
Установка задних крыльев
Установка нижней подножки правая. Установка нижней подножки левая
Замок панели
Установка панели фар
Установка боковой защиты
Установка спойлера
Платформа
Установка платформы
Каркас тента
Агрегат силовой укомплектованный для установки на автомобиль
Агрегат силовой
Двигатель с оборудованием
Установка силового агрегата (опора передняя)
Установка силового агрегата (опора задняя)
Установка силового агрегата (опора поддерживающая)
Башмак задней опоры силового агрегата
Установка картера агрегатов
Установка картера маховика
Блок цилиндров в сборе
Блок цилиндров в сборе
Заглушка водяной полости
Картер маховика
Картер агрегатов
Установка газораспределительного механизма
Головка цилиндра
Головка цилиндра с втулками
Втулка с кольцами
Поршень с шатуном и кольцами
Клапан форсунки охлаждения поршня в сборе
Установка форсунки охлаждения поршня
Установка коленчатого вала
Коленчатый вал
Шестерня коленчатого вала
Шкив
Установка гасителя крутильных колебаний и полумуфты отбора мощности
Установка шкива коленчатого вала
Установка маховика и фиксатора
Маховик
Установка привода отбора мощности переднего
Корпус подшипника
Фиксатор маховика в сборе
Привод агрегатов
Вал отбора мощности
Вал распределительный
Корпус подшипника распределительного вала со втулкой
Стойка коромысел в сборе
Коромысло клапана в сборе
Установка газопровода
Установка картера масляного
Установка масляного насоса
Масляный насос с маслозаборником в сборе
Масляный насос с шестерней
Масляный насос
Крышка масляного насоса с клапаном
Корпус масляного насоса в сборе
Крышка масляного насоса в сборе
Шестерня ведомая масляного насоса
Маслозаборник
Установка фильтра и теплообменника
Фильтр масляный с теплообменником
Фильтр очистки масла
Корпус масляного фильтра в сборе
Колпак масляного фильтра
Теплообменник масляный
Сердцевина в сборе
Установка системы вентиляции
Трубка сапуна с втулкой
Угольник сапуна
Фильтр тонкой очистки топлива жидкостного подогревателя
Установка электромагнитного клапана
Клапан с кронштейном и трубкой
Ось ведущей шестерни
Установка топливного бака, ФГОТ и топливопроводов
Бак топливный
Труба наливная топливного бака с выдвижной трубой
Пробка топливного бака в сборе
Установка топливопроводов
Установка топливопроводов
Топливозаборник
Клапан в сборе
Привод управления регулятором
Установка управления подачи топлива
Кронштейн с валом привода
Кронштейн вала привода
Тяга привода управления регулятором
Наконечник тяги рычага управления регулятором
Наконечник
Установка воздушного фильтра
Установка воздухозаборника
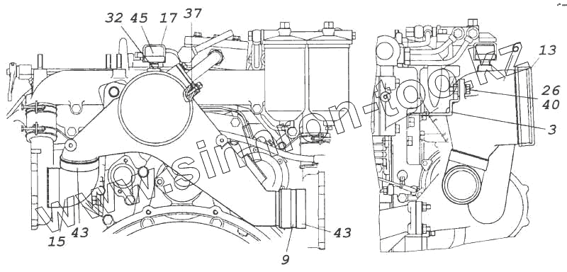
Установка тройника
Фильтр воздушный в сборе
Установка привода ТНВД
Насос топливный высокого давления
Топливный насос низкого давления
Крышка регулятора верхняя в сборе
Державка грузов регулятора
Рычаг регулятора
Корректор подачи топлива по наддуву
Секция топливного насоса
Корпус заднего подшипника
Вал привода ТНВД
Установка форсунки
Форсунка
Установка системы впуска
Фильтр тонкой очистки топлива
Пружина
Установка турбокомпрессора
Шестерня ведомая привода ТНВД
Установка системы ОНВ
Установка системы выпуска
Установка радиатора и уплотнителей радиатора
Установка водяных труб
Установка корпуса водяных каналов
Корпус водяных каналов
Установка кранов сливных системы охлаждения привода управления
Кран сливной системы охлаждения
Пробка крана
Пробка с шариком и держателем
Установка водяного насоса
Водяной насос
Установка вентилятора с муфтой привода
Установка обечайки вентилятора
Установка расширительного бачка
Установка педали и привода выключения сцепления
Установка сцепления
Педаль сцепления
Главный цилиндр управления сцеплением
Вилка выключения сцепления
Установка цилиндра сцепления
Установка картера сцепления
Привод управления механизмом переключения передач
Опора рычага переключения передач
Тяга реактивная в сборе
Установка пневмопривода управлением переключения передач
Картер коробки передач с пробками
Установка нижней крышки картера и трубки распылителя
Первичный вал
Установка крышки первичного вала
Промежуточный вал
Установка насоса
Основной вал
Установка пробок картера
Штоки вилок переключения передач
Механизм переключения передач
Установка боковых крышек механизма переключения передач
Установка датчиков механизма переключения передач
Комплект пружин
Механизм управления демультипликатором
Установка задней крышки картера
Картер планетарной передачи
Привод планетарной передачи
Установка заднего фланца
Синхронизатор планетарной передачи
Управление планетарной передачей
Механизм выбора передаточного числа
Установка карданных валов
Мост задний
Привод блокировки межколесного дифференциала
Установка буксирной поперечины
Установка передней подвески
Установка задней подвески
Рессора передняя в сборе
Ушко с втулкой и манжетами
Ушко с втулкой
Кронштейн амортизатора левый в сборе. Кронштейн амортизатора правый в сборе
Кронштейн стабилизатора в сборе
Рессора задняя
Ушко с втулкой и манжетами
Ушко с втулкой
Рессора задняя дополнительная
Ось передняя с тормозами
Ось передняя в сборе
Установка передних стальных колес
Установка сдвоенных стальных колес
Колесо 9.00x22.5 стальное с шиной
Ступица с тормозным барабаном
Держатель запасного колеса
Установка рулевого механизма
Установка колонки рулевого управления
Установка трубопроводов рулевого управления
Установка насоса гидроусилителя руля
Тяга сошки с наконечниками
Наконечник
Рулевая колонка с карданным валом
Установка пневмотормозов
Установка осушителя
Установка воздушных ресиверов
Установка двухсекционного тормозного крана
Установка четырехконтурного защитного клапана
Установка ускорительного клапана
Установка клапана управления тормозами прицепа
Установка регулятора тормозных сил
Установка кабелей АБС
Установка клапана двухмагистрального
Суппорт тормоза
Установка охладителя
Установка компрессора
Компрессор
Картер в сборе
Головка цилиндра с крышкой
Крышка задняя в сборе
Поршень в сборе
Кран слива конденсата
Кран тормозной двухсекционный с педалью
Кран тормозной двухсекционный
Клапан контрольного вывода
Клапан защитный четырехконтурный
Кран экстренного растормаживания
Камера тормозная тип 30
Камера тормозная тип 30/24
Кран аварийного растормаживания в сборе
Установка цилиндра выключения подачи топлива
Корпус вспомогательного тормоза с заслонкой
Вал заслонки
Цилиндр пневматический 30x25 с тягой
Цилиндр выключения подачи топлива пневматический
Цилиндр управления заслонкой в сборе
Электрооборудование. Расположение на автомобиле
Установка генератора
Установка аккумуляторных батарей
Установка стартера
Установка подрулевого переключателя
Панель выключателей
Установка фар и переднего указателя поворота правый
Установка фар дополнительных и противотуманных
Установка плафонов
Установка плафона освещения спального места
Установка плафона освещения вещевого ящика
Установка подкапотной лампы
Установка задних фонарей
Установка звуковых электрических сигналов
Установка предохранителей
Установка розеток прицепа
Установка розетки переносной лампы
Установка проводов на шасси
Установка проводов на кабине
Установка бокового повторителя указателей поворота
Установка прерывателя указателей поворота
Установка габаритных боковых фонарей
Установка малогабаритного выключателя массы
Установка электрооборудования подогревателя и отопителя
Установка реле
Щиток приборов
Установка трубопроводов к манометру
Установка датчиков аварийного давления воздуха
Установка электрооборудования АБС
Установка тягово-сцепного устройства
3
6
9
13
15
17
26
32
37
40
43
43
45
Позиция на иллюстрации
Заводской номер детали
Название детали
65116-1109048
65116-1109048
Установка тройника
3
740.11-1109610
Кронштейн
6
65116-1109050
Тройник
9
54112-1109278
Шланг соединительный
13
7405-1109592
Заглушка
15
43114-1109600
Шланг угловой
17
6520-1109602
Колпачок защитный
26
1/13069/21
Болт М10х1,25-6gх30
32
1/02800/60
Прокладка уплотнительная 14х20х1,5
37
1/35431/21
Шпилька М8х1,25-16х16
40
870860
Шайба тарельчатая 10
43
45104998010610
Хомут стяжной
43
45104998010690
Хомут ТОRRО70-90/12-С7W1
45
4573828009
Датчик сигнализатора засоренности воздушного фильтра 132.3839600
Содержащиеся в справочниках-каталогах запасные части и детали не предлагаются к продаже, а носят исключительно информационный характер
Дополнительная информация
×
Название:
Номер:
Примечание: