Вернуться на главную
Поиск
Каталоги запчастей к технике
Грузовые автомобили и прицепы
Камский автозавод
53504 (6х6)
43118.1800008 Установка раздаточной коробки
Каталог запасных частей к технике: Камский автозавод 53504 (6х6). 43118.1800008 Установка раздаточной коробки
zoom-in
zoom-out
enlarge
shrink
circle-right
circle-left
file-text2
info
cart
Тип техники
Не выбрано
Легковые автомобили
Грузовые автомобили и прицепы
Автобусы
Сельхозтехника
Спецтехника
Двигатели
Мототехника
Марка
Не выбрано
BAW
DAF
DongFeng
FAW
Foton
HOWO
Hyundai
IVECO
JAC Motors
LGMG
MAN
Shaanxi
SITRAK
Studebaker
Tata
Volvo
Автокомпонент Плюс
БелАЗ
Брянский Арсенал
ГАЗ
ЗИЛ
КАЗ
Камский автозавод
КрАЗ
Мадара
МАЗ
МЗКТ
МоАЗ
Нефтекамский автозавод
Ставропольский Завод АвтоПрицепов
ТАТРА
Тонар
УралАЗ
ЧМЗАП
Модель
Не выбрано
4308 (2004)
4308 (2008)
4308 (Евро 3) (2013)
4308 (Евро 4) (2012)
4308-C4 (2019)
4308-C4 (2019)
4308-H3 (2019)
4308-R4 (2019)
4310
4310
43101
43114
43118 (2002)
43118 (Евро 4) (2012)
43253 (Часть-1) (2011)
43253 (Часть-2) (2011)
43253, 43255 (Евро-4) (2012)
43255 (Евро-2) (2012)
43255 (Евро-3) (2012)
4326 (2001)
4326 (2003г)
43261 (Евро-1, 2) (2007)
4350 (4х4) (2004)
43501 (4х4) (2007)
43502 (Евро 4) (2013)
45141 (2009)
45142 (2009)
45143 (2009)
5308 (Евро 3) (2012)
5308 (Евро 4) (2013)
5315
5320
53212
53228, 65111 (2004)
53229 (Евро 2) (2010)
5350 (6х6) (2004)
53501 (6х6) (2007)
53504 (6х6) (2007)
5360
53605 (Евро-4) (2013)
5410
54112
5460
5460 (2005)
5490 (2016)
55102
5511 (2003)
6350 (8х8) (2004)
63501 (8х8) (2007)
6450 (8х8) (2007)
6460
6460 (Евро 3, 4) (2013)
6460 (Евро 4) (2013)
65111 (2008)
65111 (Евро 4) (2012)
65115 (2001)
65115 (2009)
65115 (Евро-3) (2013)
65115, 65116 (Евро-4) (2010)
65116 (2006)
6520
6520 (Euro-2, 3) (2009)
6520 (Euro-4) (2012)
6520 (Euro-4) (2016)
65201 (2007)
65201 Евро 2-3 (2016)
6522 (2005)
6522 (Euro-2, 3) (2009)
6522 (Евро-4) (2016)
65226 (2009)
65226 (2013)
6540
KNORR-BREMSE применяемых на технике Камского автозавода
Общий (5320, 53212, 5410, 54112, 5511, 55102)
Самосв. установка 6520 (2011)
Схема
>
Не выбрано
54115-5000003 Переднее крепление и механизм уравновешивания кабины
6350-5000014-04 Кабина с дверями окрашенная
54105-5000064 Установка вставных гаек на кабину
53205-5000075 Установка ремней безопасности
43114-5000079-30 Установка механизма опрокидывания кабины и запасного колеса
53205-5000120 Установка сидений
43114-5001006-20 Установка задней подвески кабины
5320-5001010 Кронштейн переднего крепления кабины верхний в сборе
5320-5001080 Рессора кабины в сборе
6350-5002051 Установка ограничителя подъема кабины
43114-5002051-10 Установка ограничителя кабины
4310-5002074 Шпилька стопорная в сборе
4310-5003010 Гидроцилиндр в сборе
4310-5003012 Цилиндр механизма подъема запасного колеса
43114-5003012 Гидроцилиндр ДЗК
4310-5003014 Цилиндр опрокидывающего механизма кабины в сборе
43114-5003014 Гидроцилиндр МОК в сборе
4310-5003038 Поршень
4310-5004010 Насос опрокидывающего механизма кабины
4310-5004016 Корпус насоса механизма опрокидывания кабины и запасного колеса
53205-5018010 Запор кабины правый
5320-5018014 Корпус запора кабины правый в сборе
5320-5018060 Кронштейн запора кабины правый - Cabin lock bracket, г. h.
53205-5205001 Установка стеклоочистителя
53205-5208004 Установка омывателя
53205-5208400 Рамка крепления омывателя в сборе
43118-5300023 Монтаж и крепление панели приборов
5320-5303012 Ящик вещевой в сборе
5320-5303020-01 Дверка вещевого ящика в сборе
5320-5303039 Ограничитель левый в сборе
5350-5713008 Установка люка крыши
5350-5713010 Крышка люка в сборе
5350-5713012 Панель крышки люка в сборе
5350-5713015 Каркас термошумоизоляции в сборе
5350-5713310 Замок крышки люка в сборе
5350-5713330 Привод замка крышки люка
53205-6100015 Дверь левая
53205-6800010 Сиденье водителя в сборе
5320-6804010 Механизм подрессоривания сиденья водителя в сборе
5320-6804111 Механизм перемещения сиденья водителя левый в сборе
5320-6804756 Ручка в сборе
53205-6810010 Сиденье пассажирское в сборе
53205-6830010 Сиденье пассажирское с ящиком в сборе
5320-8105010 Кран сливной в сборе
5320-8105015 Пробка крана в сборе
5320-8202201 Ручка левая в сборе
5320-8203010-01 Пепельница в сборе
43114-8205304 Установка штор светозащитных ветрового окна
43114-8205404 Установка штор светозащитных окон боковины
43114-8205504 Установка штор светозащитных окон боковины
53212-8208001 Установка световозвращателей на кабине
54112-8208003 Установка световозвращателей
43114-8400012-63 Установка оперения кабины
6350-8403009 Установка задней части переднего крыла
5350-8500008-75 Установка платформы
5350-8500010-75 Платформа в сборе
5350-8506008-75 Установка скамеек
5350-1000260 Агрегат силовой 740.30-260, укомплектованный для установки на автомобиль
6350-1000260 Агрегат силовой 740.50-360, укомплектованный для установки на автомобиль
740.30-1000312 Агрегат силовой 740.30-260 в сборе
740.50-1000312-02 Агрегат силовой 740.50-360 в сборе
740.30-1000412 Двигатель КамАЗ-740.30-260 с оборудованием в сборе
740.50-1000412-02 Двигатель КамАЗ-740.50-360 с оборудованием в сборе
53205-1001005 Установка силового агрегата
53229-1001005 Установка силового агрегата
65115-1001005 Установка силового агрегата
53205-1001006-11 Кронштейн крепления силового агрегата передний в сборе
53205-1001015 Кронштейн передней опоры силового агрегата в сборе
53229-1001015 Кронштейн передней опоры силового агрегата в сборе
5320-1001062-10 Башмак задней опоры силового агрегата в сборе
7406.1002003 Установка картера агрегатов
7406.1002004-20 Установка картера маховика
740.13-1002010 Блок цилиндров в сборе
740.50-1002010 Блок цилиндров в сборе
740.21-1002011 Блок цилиндров в сборе
740.1002080 Заглушка водяной полости в сборе
7406.1002260 Крышка блока цилиндров передняя в сборе
7406.1002310 Картер маховика в сборе
7406.1002320 Картер агрегатов в сборе
740.1002500 Трубка сливная в сборе
740.21-1003000 Установка головок цилиндров и механизма газораспределения
740.30-1003010 Головка цилиндра с клапанами и стойкой коромысел
740.30-1003014 Головка цилиндра с втулками
740.1003035 Втулка с кольцами в сборе
740.1003434 Заглушка в сборе
7405.1004066 Клапан форсунки охлаждения поршня в сборе
7405.1004120 Установка форсунки охлаждения поршня
740.30-1005007 Установка коленчатого вала
740.50-1005007 Установка коленчатого вала
740.30-1005008 Вал коленчатый
740.50-1005008 Вал коленчатый
7406.1005031 Шестерня в сборе
740.21-1005059-10 Установка гасителя крутильных колебаний и полумуфты отбора мощности
740.50-1005100-10 Установка маховика и фиксатора
740.30-1005115 Маховик
740.50-1005115-10 Маховик в сборе
740.50-1005116 Маховик
7406.1005200 Установка привода отбора мощности переднего
7406.1005250 Корпус подшипника в сборе
740.1005440 Фиксатор маховика в сборе
740.30-1005500 Привод агрегатов
7406.1005535 Вал отбора мощности в сборе
740.21-1006010 Вал распределительный в сборе
7482.1006036 Корпус подшипника распределительного вала с втулкой в сборе
7406.1007091 Стойка коромысел в сборе
7406.1007140 Коромысло клапана в сборе
740.1007262-01 Манжета уплотнительная клапана в сборе
7406.1008000 Установка газопровода
7403.1008020 Коллектор выпускной правый в сборе
7403.1008021 Коллектор выпускной левый в сборе
7403.1008030 Патрубок правый в сборе
7406.1008031 Патрубок левый в сборе
7406.1009001 Установка масляного картера, маслоналивного патрубка и указателя уровня
740.1009048-30 Трубка указателя уровня с кольцом в сборе
740.11-1009050-01 Указатель уровня в сборе
740.11-1011001 Установка масляного насоса
740.11-1011005 Насос масляный с маслозаборником в сборе
740.11-1011010 Насос масляный с шестерней в сборе
740.1011018-50 Корпус масляного насоса в сборе
740.1011030-50 Шестерня ведомая масляного насоса в сборе
7406.1011398-20 Маслозаборник в сборе
7405.1012001 Установка фильтра и теплообменника
740.20-1012006 Фильтр масляный с теплообменником
7406.1012010 Фильтр очистки масла в сборе
7406.1012015 Корпус масляного фильтра в сборе
740.20-1012068 Колпак масляного фильтра в сборе
740.20-1013200-10 Теплообменник масляный
740.20-1013210 Сердцевина в сборе
6350-1014001 Установка трубки вентиляции картера
740.20-1014100-10 Установка системы вентиляции
740.1014498 Трубка сапуна с втулкой в сборе
7406.1014504 Угольник сапуна в сборе
5350-1015001 Установка предпускового подогревателя ПЖД-30
7406.1015002 Установка патрубка и штуцеров системы подогрева двигателя
6350-1015017 Установка топливного бачка и топливопроводов предпускового подогревателя ПЖД-30
53205-1015017 Установка топливного бачка и топливопроводов предпускового подогревателя ПЖД-30
5350-1015061 Воронка в сборе
5320-1015090 Пробка воронки в сборе
5320-1015160 Цепочка с кольцом в сборе
5320-1015162 Цепочка в сборе
5320-1015262 Бачок топливный в сборе
5320-1015384 Кран в сборе
7406.1022800 Установка магнитного клапана и штифтовых факельных свечей
7406.1022860 Клапан с кронштейном и трубкой в сборе
7406.1029115 Шестерня ведущая в сборе
7406.1029125 Ось ведущей шестерни
541121-1101010 Бак топливный в сборе
5320-1101010-10 Бак топливный в сборе
541121-1101070 Труба наливная топливного бака с выдвижной трубкой в сборе
5320-1101070-10 Труба наливная топливного бака с выдвижной трубкой в сборе
5320-1101087-10 Сетка выдвижной трубы в сборе
5320-1101090-10 Труба выдвижная топливного бака в сборе
5320-1103010-01 Пробка топливного бака в сборе
65115-1104002 Установка топливопроводов
5320-1104012 Трубка приемная с фильтром в сборе
53212-1104012 Трубка приемная с фильтром в сборе
5410-1104012 Трубка приемная с фильтром в сборе
5410-1104012-10 Трубка приемная с фильтром в сборе
5410-1104015 Трубка приемная с краном в сборе
5410-1104015-10 Трубка приемная с краном в сборе
740.21-1104020 Клапан в сборе
5410-1104136 Трубка слива топлива в бак с краном в сборе
5410-1104160 Кран распределительный топливный в сборе
5410-1104162 Пробка распределительного топливного крана с кольцами в сборе
7406.1105010 Фильтр грубой очистки топлива (ФГОТ) с насосом предпусковой прокачки в сборе
740.1105010-1 Фильтр грубой очистки топлива (ФГОТ) в сборе
7406.1108000 Привод управления регулятором в сборе
54115-1108003 Управление подачей топлива
6520-1108003 Управление подачей топлива
7406.1108030 Кронштейн с валом привода в сборе
7406.1108038 Кронштейн вала привода в сборе
54115-1108040 Толкатель в сборе
6520-1108040 Толкатель в сборе
7406.1108050 Тяга привода управления регулятором в сборе
5320-1108054 Наконечник в сборе
740.1108054 Тяга привода управления регулятором в сборе
5320-1108120-99 Тяга ручного управления подачей топлива в сборе
5350-1109001-10 Установка воздушного фильтра
6350-1109001-10 Установка воздушного фильтра
5350-1109003-10 Установка воздухоочистителя мультициклонного
6520-1109010-10 Воздухоочиститель мультициклонный в сборе
65116-1109048 Установка тройника
53205-1109365 Хомут воздуховода в сборе
5350-1109400-10 Воздуховод в сборе
7405.1109510 Фильтр воздушный в сборе
7405.1109557 Элемент фильтрующий с предочистителем в сборе
7406.1111040 Корпус переднего подшипника в сборе
740.30-1111045 Корпус заднего подшипника в сборе
7405.1111050 Вал привода ТНВД в сборе
740.50-1112000 Установка форсунки
273.1112010-20 Форсунка в сборе
7406.1115000-30 Установка системы впуска
7406.1115012-40 Коллектор впускной правый в сборе
7406.1115014.40 Коллектор впускной левый в сборе
7406.1115030-30 Патрубок соединительный в сборе
7406.1115045-40 Патрубок объединительный в сборе
7406.1115110-20 Тройник в сборе
740.1117029 Пружина в сборе
740.21-1117010 Фильтр тонкой очистки топлива в сборе
740.30-1118000 Установка турбокомпрессоров на двигатель
740.51-1121010 Шестерня ведомая привода ТНВД в сборе
53205.1170000 Установка системы охлаждения наддувочного воздуха
6350-1170000 Установка системы охлаждения наддувочного воздуха
53205-1170125 Патрубок отводящий в сборе
53205-1170300 Теплообменник охлаждения наддувочного воздуха в сборе
53205-1170300-01 Теплообменник охлаждения наддувочного воздуха в сборе (сварка)
53205-1170400 Хомут в сборе
6350-1200001-10 Установка системы выпуска
4326-1200002-01 Установка системы выпуска
54115-1300023-10 Установка радиатора
6350-1300023-10 Установка радиатора
4310-1301005 Установка кожуха радиатора
6350-1301500 Установка кожуха защитного радиатора
7406-1303002 установка водяных труб
740.51-1303005 Установка корпуса водяных каналов
740.30-1303005-10 Установка корпуса водяных каналов
740.11-1303010 Корпус водяных каналов с термостатами в сборе
7406.1303010-10 Корпус водяных каналов с термостатами в сборе
740.20-1303013 Крышка с пробкой
7406.1303100-10 Трубка водяная правая в сборе
7406.1303101-10 Трубка водяная левая в сборе
5320-1305030 Пробка с шариком и держателем в сборе
7406.1307005 Установка водяного насоса
7406.1307010-01 Насос водяной в сборе
740.51-1308010 Установка вентилятора
740.50-1309007 Установка обечайки вентилятора
7406.1309007-10 Установка обечайки вентилятора
6520-1311005 Установка расширительного бачка
54115-1311005-10 Установка расширительного бачка
5320-1311010-30 Бачок расширительный в сборе
5320-1311050 Блок клапанов пробки расширительного бачка в сборе
5320-1311060 Пробка расширительного бачка в сборе
5320-1311086-30 Скоба верхняя в сборе
740.30-1317005 Установка электромагнитной муфты
740.30-1317500 Муфта электромагнитная привода вентилятора в сборе
740.30-1317510 Шкив со ступицей вентилятора в сборе
740.30-1317520 Ступица вентилятора с фрикционным диском в сборе
740.30-1317570 Фланец крепления датчика включения вентилятора с пробкой в сборе
5350-1600006 Установка педали и привода выключения сцепления
6350-1600006-10 Установка педали и привода выключения сцепления
19.1600010 Сцепление в сборе
154.1600300 Установка вентиляционных трубок коробки передач
161.1600300 Установка вентиляционных трубок коробки передач
17.1601008-10 Картер сцепления c крышками в сборе
17.1601010-10 Картер сцепления в сборе
53205-1602008 Педаль сцепления с кронштейном и главным цилиндром в сборе
6520-1602008 Педаль сцепления с кронштейном и главным цилиндром в сборе
53205-1602010 Педаль сцепления в сборе
6460-1602010 Педаль сцепления в сборе
5320-1602510-10 Главный цилиндр управления сцеплением в сборе
5320-1602512 Главный цилиндр в сборе
5320-1602518 Пружина главного цилиндра управления сцеплением в сборе
5320-1602560 Бачок главного цилиндра привода сцепления в сборе
5320-1602568 Толкатель поршня главного цилиндра в сборе
161.1700011 Коробка передач в сборе
154.1700056 Коробка передач с делителем, управлением и деталями сцепления в сборе
154.1700150 Коробка передач в сборе
161.1700151 Коробка передач в сборе
154.1701010 Картер коробки передач в сборе
161.1701010-10 Картер коробки передач в сборе
154.1701025 Вал первичный коробки передач в сборе
161.1701025 Вал первичный коробки передач в сборе
154.1701026 Вал первичный коробки передач с зубчатой муфтой и втулкой в сборе
154.1701027 Вал первичный коробки передач с зубчатой муфтой
161.1701027 Вал первичный коробки передач с втулкой в сборе
14.1701039-50 Крышка подшипника первичного вала в сборе
154.1701047 Вал промежуточный коробки передач в сборе
161.1701047 Вал промежуточный коробки передач в сборе
154.1701070 Крышка заднего подшипника промежуточного вала с кольцом подшипника в сборе
14.1701086 Шайба упорная блока шестерен заднего хода в сборе
154.1701100 Вал вторичный коробки передач в сборе
161.1701100 Вал вторичный коробки передач в сборе
161.1701110 Шестерня первой передачи вторичного вала в сборе
161.1701114 Шестерня четвертой передачи вторичного вала в сборе
161.1701120 Шестерня второй передачи вторичного вала в сборе
154.1701130 Шестерня третьей передачи вторичного вала в сборе
154.1701150 Шестерня второй и третьей передачи в сборе
161.1701150 Синхронизатор первой и второй передач в сборе
154.1701151 Синхронизатор четвертой и пятой передач в сборе
161.1701151 Синхронизатор третьей и четвертой передач в сборе
154.1701201 Крышка заднего подшипника вторичного вала с манжетой в сборе
14.1702010 Механизм переключения передач в сборе
161.1702010 Механизм переключения передач в сборе
14.1702013 Крышка коробки передач верхняя в сборе
14.1702026 Вилка переключения 2-й и 3-й передач в сборе
14.1702031 Вилка переключения 4-й и 5-й передач в сборе
142.1702200 Опора рычага переключения передач в сборе
161.1702200 Опора рычага переключения передач в сборе
142.1702208 Опора рычага переключения передач в сборе
161.1702208 Опора рычага переключения передач с втулкой в сборе
161.1702212 Крышка штока левая с втулкой в сборе
161.1702260 Фиксатор в сборе
154.1703005 Привод управления механизмом переключения передач
161.1703005 Привод управления механизмом переключения передач
154.1703204 Опора рычага переключения передач в сборе
161.1703204 Опора рычага переключения передач в сборе/Lever support of transfers switching, assy
154.1703520 Тяга реактивная в сборе
161.1703520 Тяга реактивная в сборе
161.1704010 Насос масляный в сборе
161.1721012 Проставка в сборе
161.1721020 Картер задний демультипликатора в сборе
161.1721022 Водило с сателлитами в сборе
161.1721201 Крышка задняя демультипликатора с манжетой в сборе
161.1722050 Вилка со штифтом в сборе
161.1722060 Фиксатор в сборе
161.1722070 Винт регулировочный в сборе
161.1723020 Клапан включения демультипликатора в сборе
161.1723070 Фиксатор блокировки переключения передач в сборе
154.1770010-10 Делитель передач с управлением в сборе
154.1770030 Картер делителя передач с втулками в сборе
154.1770040 Вал первичный делителя передач в сборе
154.1770050 Шестерня первичного вала делителя передач в сборе
154.1770160 Синхронизатор делителя передач в сборе
154.1770210 Вал промежуточный делителя передач в сборе
15.1771010 Механизм переключения делителя передач в сборе
15.1771020 Корпус механизма переключения делителя передач в сборе
15.1771050 Поршень с манжетами в сборе
15.1771110 Валик вилки механизма переключения с рычагом в сборе
154.1772005 Установка пневмопривода управлением переключения передач
15.1772010 Воздухораспределитель механизма переключения передач в сборе
15.1772020-01 Корпус воздухораспределителя с гнездом золотника в сборе
15.1772100 Редукционный клапан управления механизмом переключения в сборе
15.1772132 Кран управления делителем передач с тросом в сборе
15.1772140 Корпус крана в сборе
15.1772152 Трос крана управления с оболочкой и крышкой в сборе
15.1772160 Трос крана с золотником в сборе
15.1772174 Оболочка направляющая с гайками в сборе
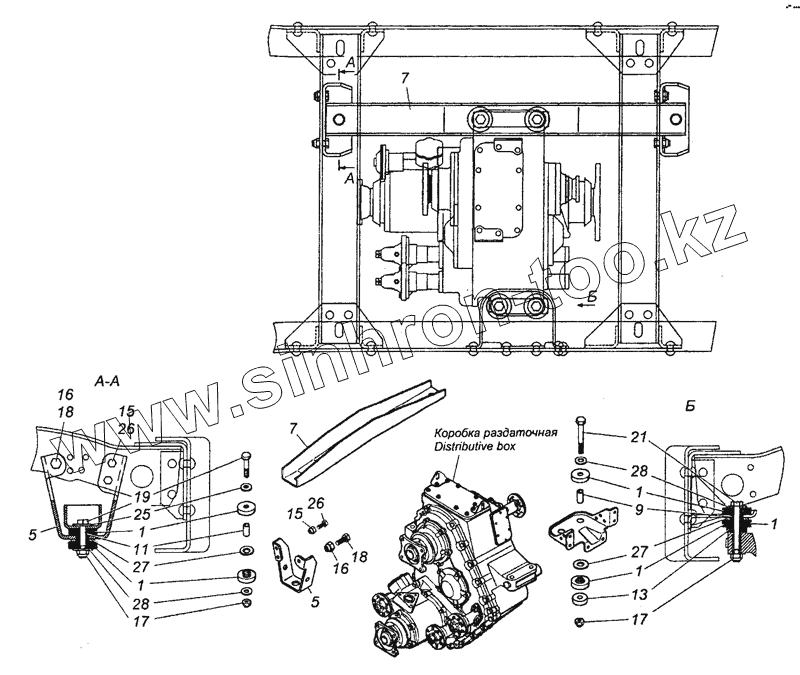
43118.1800008 Установка раздаточной коробки
65111.1800008 Установка крепления раздаточной коробки
43114-1800009 Установка управления раздаточной коробки
43118-1800009 Установка управления раздаточной коробки
6350-1800009-30 Установка управления раздаточной коробки
65111-1800020 Коробка раздаточная с коробкой отбора мощности в сборе
43114-1800600 Установка сменных шестерен привода датчика спидометра
4310-1802015 Крышка верхнего люка раздаточной коробки в сборе/Cover of top hatch of distributing box, assy
65111-1802024 Вал первичный раздаточной коробки в сборе
65111-1802027 Крышка переднего подшипника первичного вала в сборе
65111-1802084 Вал промежуточный раздаточной коробки в сборе
4310-1802104 Крышка заднего подшипника промежуточного вала в сборе
43114-1802117 Крышка переднего подшипника привода переднего моста в сборе
65111-1802150 Дифференциал раздаточной коробки в сборе
65111-1802160 Обойма дифференциала раздаточной коробки с сателлитами в сборе
65111-1802160 Обойма дифференциала раздаточной коробки в сборе
65111-1802212 Крышка заднего подшипника привода заднего моста в сборе
65111-1802230 Картер привода переднего моста в сборе
65111-1803010 Механизм включения низшей передачи в сборе
65111-1803022 Шток включения низшей передачи раздаточной коробки в сборе
4310-1804010 Кран управления раздаточной коробки в сборе
6350-2200001-10 Установка карданных валов
6350-2201006-10 Валы карданные в сборе
53205-2201011-10 Вал карданный заднего моста в сборе
53205-2201026-10 Крестовина карданного вала в сборе
6350-2202011-10 Вал карданный промежуточный с опорой в сборе
65111-2202011-10 Вал карданный основной в сборе
6350-2203011-10 Вал карданный переднего моста в сборе (сварка)
6350-2204011-10 Вал карданный промежуточный в сборе
53205-2205011-10 Вал карданный среднего моста в сборе (сварка)
6350-2205011-10 Вал карданный среднего моста в сборе (сварка)
6540-2205011-50 Вал карданный среднего моста в сборе
53205-2205026-10 Крестовина карданного вала в сборе
63501-2206011 Вал карданный среднего моста в сборе (сварка)
43118-2300020-10 Мост передний в сборе
43118-2302010-10 Передача главная переднего моста в сборе
43114-2302015 Картер редуктора переднего моста в сборе
43118-2302021 Вал ведущий переднего моста в сборе
4310-2302050 Крышка стакана подшипников в сборе
43114-2302076 Крышка подшипника в сборе
53228-2303010-10 Дифференциал переднего моста в сборе
4310-2304012 Опора шаровая поворотного кулака в сборе (сварка)
4310-2304029 Корпус поворотного кулака левый в сборе
4310-2304128 Кольцо упорное кулака шарнира полуоси
6350-2320020-10 Мост передний второй в сборе
6350-2322010-10 Передача главная переднего второго моста
6350-2322021 Вал ведущий переднего второго моста
6350-2323010-10 Дифференциал переднего второго моста
43118-2400041-10 Мост задний в сборе
55102-2401007 Картер заднего моста с механизмом блокировки в сборе
4326-2401007 Картер заднего моста с механизмом блокировки в сборе
43114-2401081 Цапфа заднего моста левая
5320-2401114 Клапан со штуцером в сборе
53205-2402011-10 Передача главная заднего моста в сборе
43253-2402011-10 Передача главная заднего моста в сборе
53205-2402015 Картер редуктора заднего моста в сборе
53205-2402021 Вал ведущий заднего моста в сборе
5320-2402048 Стакан подшипников в сборе
5320-2402050 Крышка стакана в сборе
53205-2402050 Крышка стакана подшипников в сборе
53205-2402064-10 Шестерня ведомая коническая в сборе
53205-2402076 Крышка подшипника в сборе
5320-2402108 Стакан подшипников в сборе
53229-2403011-10 Дифференциал заднего моста в сборе
53212-2403054 Сателлит дифференциала заднего моста с втулкой в сборе
55102-2409016 Вилка блокировки в сборе
43118-2411020 Привод блокировки межколесных дифференциалов
6350-2411022 Привод блокировки межколесных дифференциалов
43118-2500041-10 Мост средний
43118-2500044-10 Мост средний в сборе
53205-2502011-10 Передача главная среднего моста
5320-2502012 Шестерня ведущая коническая в сборе
43118-2502014-10 Передача главная среднего моста в сборе
5320-2502208 Крышка подшипника в сборе
53205-2506010 Дифференциал межосевой в сборе
5320-2506026 Крышка подшипника в сборе
5320-2509010 Механизм блокировки в сборе
43118-2511021 Привод блокировки межосевого дифференциала
5320-2511060 Кран включения блокировки в сборе
5320-2511066 Шток крана в сборе
6350-2800010-10 Рама в сборе
4310-2803003-20 Установка переднего буфера
4310-2803010 Буфер передний
4326-2803050 Установка настила буфера
4310-2804003 Установка заднего буфера
5410-2806040 Проушина буксирная в сборе
4310-2806116 Вилка буксирная в сборе
43114-2900001 Подвеска передняя в сборе
6350-2900001 Подвеска передняя
53228-2900002-10 Подвеска задняя в сборе
55111-2902012-01 Рессора передняя в сборе
43114-2902018 Ушко с втулкой и манжетами в сборе
65115-2902018 Ушко с втулкой и манжетами в сборе
65115-2902020 Ушко с втулкой в сборе
4310-2905006 Амортизатор передней подвески в сборе
4310-2905600 Шток с поршнем в сборе
53212-2905650 Клапан сжатия в сборе
4326-2912012 Рессора задняя в сборе
5322-2912012 Рессора задняя в сборе
5322-2912012-02 Рессора задняя в сборе
4925-2912018 Ушко с втулкой и манжетами
4925-2912020 Ушко с втулкой
5511-2918050 Ось балансирной подвески с кронштейнами в сборе
55111-2918068 Башмак рессоры с втулками и сальником в сборе
55111-2918070 Башмак рессоры с втулками в сборе
630-2919012-20 Штанга реактивная в сборе
4310-3101002-20 Установка колес
6350-3101002-10 Установка колес
43114-3101011 Колесо с шиной левое
43118-3101011 Колесо с шиной левое
43118-3103009-10 Ступица с барабаном тормоза и проставочным кольцом в сборе
43114-3103010-10 Ступица колеса с барабаном тормоза
43114-3105010 Держатель запасного колеса в сборе
6350-3105010 Держатель запасного колеса
43114-3105810-10 Держатель запасного колеса
4310-3122001 Установка крана управления давлением системы накачки шин
4310-3122010 Кран управления давлением в сборе
4310-3122034 Золотник крана
4310-3124110 Кран запора воздуха системы накачки шин в сборе
6350-3125005 Установка системы накачки шин
43118-3125005 Установка системы накачки шин
43118-3125015 Установка электромагнитного клапана
6350-3125015 Установка электромагнитных клапанов
4310-3400012 Установка рулевого механизма
6350-3400012-10 Установка агрегатов рулевого управления
5425-3400014 Установка колонки рулевого управления
6350-3400018-02 Установка трубопроводов
53205-3400018-10 Установка трубопроводов
4310-3400020 Механизм рулевой в сборе
6540-3400020-02 Механизм рулевой в сборе
4310-3401010 Картер механизма рулевого управления
6540-3401010 Картер механизма рулевого управления
4310-3401063 Вал сошки с крышкой в сборе
4310-3401710 Редуктор угловой механизма рулевого управления в сборе
4310-3401716 Корпус углового редуктора механизма рулевого управления в сборе
4310-3401720 Крышка корпуса с манжетами в сборе
4310-3401736 Шестерня ведущая углового редуктора с корпусом в сборе
4310-3401750 Шестерня ведомая углового редуктора в сборе
740.50-3407000 Установка насоса рулевого усилителя
7406.3407001 Установка насоса гидроусилителя руля
6540-3407200 Насос рулевого усилителя в сборе
4310-3407200-01 Насос рулевого усилителя в сборе
4310-3407212 Крышка насоса рулевого усилителя
4310-3407338-10 Фильтр насоса гидроусилителя руля
4310-3414010 Тяга сошки рулевого управления
4310-3414052 Тяга рулевой трапеции
5320-3414060 Наконечник рулевой трапеции правый в сборе
6350-3414130-10 Тяга промежуточная
53205-3422010-75 Вал карданный в сборе
4310-3430012 Клапан управления гидроусилителем руля в сборе
4310-3430014 Корпус клапана управления гидроусилителем руля
5320-3430220-01 Клапан обратный
4310-3444010 Колонка рулевого управления
5320-3444044 Уплотнение рулевой колонки в сборе
43501-3500006 Установка пневмотормозов
5320-3500011-10 Установка блока подготовки воздуха
6350-3500013 Установка воздушных ресиверов
4310-3500013-10 Установка воздушных ресиверов
53205-3500014 Установка двухсекционного тормозного крана
6520-3500014 Установка двухсекционного тормозного крана
6350-3500015 Установка четырехконтурного защитного клапана
4310-3500015-10 Установка четырехконтурного защитного клапана
43101-3500018 Установка ускорительных клапанов
6350-3500018 Установка ускорительного клапана
6350-3500018-10 Установка ускорительных клапанов
43501-3500022 Установка клапанов управления тормозами прицепа
43114-3500022-30 Установка клапанов управления тормозами прицепа
6350-3500022-30 Установка клапанов управления тормозами прицепа
43114-3500033 Установка регулятора тормозных сил
43501-3500033 Установка регулятора тормозных сил
6350-3500062 Установка клапана двухмагистрального
43114-3500062-10 Установка двухмагистралыного клапана
43114-3500070 Тормоз вспомогательный и его привод
6350-3500070 Тормоз вспомогательный и его привод
53212-3501090-10 Колодка тормоза с накладками в сборе
5320-3501136 Рычаг регулировочный тормоза
4310-3502010-10 Тормоз задний левый в сборе
43114-3502012 Суппорт заднего тормоза
53229-3502237 Рычаг регулировочный заднего тормоза левый в сборе
7406.3509003 Установка компрессора
53205-3509015 Компрессор в сборе
53205-3509018 Картер в сборе
53205-3509039 Головка цилиндра с крышкой в сборе
53205-3509088 крышка задняя в сборе
53205-3509154 Поршень в сборе
53205-3513015 Ресивер в сборе
16-3513110 Кран слива конденсата в сборе
5320-3514108 Кран тормозной двухсекционный с педалью в сборе
100-3514108-10 Кран тормозной двухсекционный в сборе
16-3515310 Клапан контрольного вывода в сборе
53205-3515400-10 Клапан защитный четырехконтурный в сборе
16-3515510 Кран экстренного растормаживания в сборе
100-3518010 Клапан ускорительный в сборе
24.3519200-01 Камера тормозная с пружинным энергоаккумулятором, тип 24/24, в сборе
661.3519210-10 Камера тормозная в сборе
661.3519310-10 Камера тормозная тип 30
100-3521010 Головка соединительная типа "А" в сборе
6024-3522010 Клапан управления тормозами прицепа с двухпроводным приводом в сборе
100-3522110 Клапан управления тормозами прицепа с однопроводным приводом в сборе
25.3522210 Клапан управления тормозами прицепа с клапаном обрыва в сборе
100-3533110 Упругий элемент регулятора тормозных сил в сборе
100-3537110 Кран пневматический в сборе
6029-3537310 Кран тормозной с ручным управлением в сборе
5320-3570010 Установка цилиндра выключения подачи топлива
53205-3570014 Корпус вспомогательного тормоза с заслонкой в сборе
53215-3570030 Вал заслонки в сборе
100-3570210 Цилиндр пневматический 35х65 в сборе
4310-3700023 Установка выключателя сигнала к водителю
4310-3700025 Установка плафона освещения платформы
7406.3701002-20 Установка генератора
5320-3703001 Установка аккумуляторных батарей
53228-3703001-85 Установка аккумуляторных батарей
53205-3708001 Установка выключателя приборов и стартера
740.50-3708005 Установка стартера
53215-3709002 Установка подрулевого переключателя
5320-3711002 Установка фары
4310-3712001 Установка фонарей передних
53205-3714001-10 Установка плафонов
54105-3714002-24 Установка плафона спального места
53205-3714003 Установка плафона освещения вещевого ящика
5320-3715001 Установка подкапотной лампы
6350-3716002 Установка задних фонарей
43114-3716006 Установка фонаря заднего хода
54112-3716007 Установка фонаря заднего противотуманного
55112-3716007 Установка заднего противотуманного фонаря
54115-3717001-18 Установка фонарей освещения номерного знака
4310-3719101 Установка фонаря подкузовного
5320-3721001-10 Установка звуковых электрических сигналов
53205-3722501 Установка предохранителей
43114-3723001 Установка розетки внешнего запуска
43114-3723002 Установка розетки переносной лампы
6350-3723003-22 Установка розеток прицепа
43101-3723005 Установка розетки переносной лампы
43114-3723006 Установка розетки переносной лампы
5320-3726001Установка сигнального фонаря бокового указателя поворотов
5320-3726002 Установка прерывателя указателей поворота
4310-3727002 Установка прожектора
5320-3737001 -01 Установка малогабаритного выключателя "массы"
53205-3738001 Установка фонарей автопоезда
4310-3743001 Установка противотуманных фар
43118-3747001-24 Установка реле
6520-3747195 Установка реле блокировки стартера
4310-3816001 Установка трубопроводов к шинному манометру
43114-3830001 Установка трубопроводов к манометру
43114-3830002 Установка датчиков аварийного давления воздуха
43114-7904001 Установка фильтров радиопомех
5410-2700001-01 Установка седельного устройства
5410-2702010-01 Устройство седельное
4326-2707003 Установка рым-болтов
4310-2707210 Прибор буксирный в сборе
5320-2707212 Крюк буксирного прибора в сборе
5320-2707217 Собачка защелки крюка в сборе
5320-2707222 Цепь шплинта защелки крюка в сборе
5320-2707223 Цепь шплинта защелки крюка в сборе
4310-2707235 Корпус буксирного прибора с крышкой (комплект)
4310-4204010 Коробка отбора мощности в сборе
4310-4204080 Крышка стакана коробки отбора мощности
4310-4204360 Механизм включения коробки отбора мощности
4310-4500002-01 Установка управления коробкой отбора мощности
4310-4500010 Установка лебедки
4310-4501010 Лебедка с редуктором, поперечиной и тросоукладчиком
4310-4501014 Редуктор лебедки в сборе
4310-4501024 Стакан с втулкой в сборе
4310-4501026 Стакан втулки картера редуктора лебедки в сборе
4310-4501030 Вал барабана лебедки в сборе
4310-4501230 Траверса вала барабана лебедки в сборе
4310-4501280 Ролики направляющие троса лебедки в сборе
4310-4501410 Ролик нажимной троса лебедки с рамкой
4310-4502010 Вал карданный лебедки передний
4310-4502110-01 Вал карданный лебедки задний
4310-4502210 Вал карданный промежуточный
4310-4505003 Установка блока лебедки
4310-4505010 Блок лебедки
4310-4511010 Тросоукладчик лебедки в сборе
5320-3903001 Установка инструкционных табличек
5320-3904001 Установка заводской таблички
5320-3906010 Установка ящика запчастей
5320-3910003 Установка огнетушителя
5320-3912001 Установка сумки
5320-3932002 Установка знака аварийной остановки
43501-0000310 Автомобиль КАМАЗ-43501
53501-0000310 Автомобиль КАМАЗ-53501
53504-0000310 Автомобиль КАМАЗ-53504
63501-0001310 Автомобиль КАМАЗ-63501
6450-0000310 Автомобиль КАМАЗ-6450
1
1
1
1
1
5
5
7
7
9
11
13
15
15
16
16
17
17
18
18
19
21
25
26
26
27
27
28
28
Позиция на иллюстрации
Заводской номер детали
Название детали
1
4310-1801028
Подушка подвески раздаточной коробки в сборе
5
43114-1801012-10
Кронштейн подвески раздаточной коробки правый
7
43114-1801023-10
Балка подвески раздаточной коробки
9
4310-1801040
Втулка
11
4310-1801042
Втулка распорная
13
43118-1801044
Втулка проставочная
15
251646
Гайка М10х1,25-6Н ОСТ 37.001.197-75
16
251648
Гайка М14х1,5-6Н ОСТ 37.001.197-75
17
251649
Гайка М16х1,5-6Н ОСТ 37.001.197-97
18
1/14083/21
Болт М14х1,5-6gх35
19
1/12541/21
Болт М16х1,5-6gх80
21
1/58463/21
Болт М16х1,5-6gх130
25
1/05202/01
Шайба плоская 16,8х28х3
26
870012
Болт М10х1,25-6gх30
27
862516
Шайба плоская 30х55
28
862517
Шайба
Содержащиеся в справочниках-каталогах запасные части и детали не предлагаются к продаже, а носят исключительно информационный характер
Дополнительная информация
×
Название:
Номер:
Примечание: