Вернуться на главную
Поиск
Каталоги запчастей к технике
Грузовые автомобили и прицепы
Камский автозавод
53228, 65111
Установка системы выпуска
Каталог запасных частей к технике: Камский автозавод 53228, 65111. Установка системы выпуска
zoom-in
zoom-out
enlarge
shrink
circle-right
circle-left
file-text2
info
cart
Тип техники
Не выбрано
Легковые автомобили
Грузовые автомобили и прицепы
Автобусы
Сельхозтехника
Спецтехника
Двигатели
Мототехника
Марка
Не выбрано
BAW
DAF
DongFeng
FAW
Foton
HOWO
Hyundai
IVECO
JAC Motors
LGMG
MAN
Shaanxi
SITRAK
Studebaker
Tata
Volvo
Автокомпонент Плюс
БелАЗ
Брянский Арсенал
ГАЗ
ЗИЛ
КАЗ
Камский автозавод
КрАЗ
Мадара
МАЗ
МЗКТ
МоАЗ
Нефтекамский автозавод
Ставропольский Завод АвтоПрицепов
ТАТРА
Тонар
УралАЗ
ЧМЗАП
Модель
Не выбрано
4308 (2004)
4308 (2008)
4308 (Евро 3) (2013)
4308 (Евро 4) (2012)
4308-C4 (2019)
4308-C4 (2019)
4308-H3 (2019)
4308-R4 (2019)
4310
4310
43101
43114
43118 (2002)
43118 (Евро 4) (2012)
43253 (Часть-1) (2011)
43253 (Часть-2) (2011)
43253, 43255 (Евро-4) (2012)
43255 (Евро-2) (2012)
43255 (Евро-3) (2012)
4326 (2001)
4326 (2003г)
43261 (Евро-1, 2) (2007)
4350 (4х4) (2004)
43501 (4х4) (2007)
43502 (Евро 4) (2013)
45141 (2009)
45142 (2009)
45143 (2009)
5308 (Евро 3) (2012)
5308 (Евро 4) (2013)
5315
5320
53212
53228, 65111 (2004)
53229 (Евро 2) (2010)
5350 (6х6) (2004)
53501 (6х6) (2007)
53504 (6х6) (2007)
5360
53605 (Евро-4) (2013)
5410
54112
5460
5460 (2005)
5490 (2016)
55102
5511 (2003)
6350 (8х8) (2004)
63501 (8х8) (2007)
6450 (8х8) (2007)
6460
6460 (Евро 3, 4) (2013)
6460 (Евро 4) (2013)
65111 (2008)
65111 (Евро 4) (2012)
65115 (2001)
65115 (2009)
65115 (Евро-3) (2013)
65115, 65116 (Евро-4) (2010)
65116 (2006)
6520
6520 (Euro-2, 3) (2009)
6520 (Euro-4) (2012)
6520 (Euro-4) (2016)
65201 (2007)
65201 Евро 2-3 (2016)
6522 (2005)
6522 (Euro-2, 3) (2009)
6522 (Евро-4) (2016)
65226 (2009)
65226 (2013)
6540
KNORR-BREMSE применяемых на технике Камского автозавода
Общий (5320, 53212, 5410, 54112, 5511, 55102)
Самосв. установка 6520 (2011)
Схема
>
Не выбрано
Установка кабины с оперением
Кабина с дверьми окрашенная
Переднее крепление и механизм уравновешивания кабины
Установка вставных гаек на кабину
Установка механизма опрокидывания кабины
Установка механизма опрокидывания кабины
Установка задней подвески
Кронштейн переднего крепления кабины верхний
Рессора кабины
Установка ограничителя подъема кабины
Шпилька стопорная
Гидроцилиндр
Гидроцилиндр МОК в сб.
Цилиндр в сборе
Запор кабины правый
Запор кабины левый
Корпус запора кабины правый
Корпус запора кабины левый
Кронштейн запора кабины правый и левый
Установка стеклоочистителя
Стеклоочиститель электрический
Установка омывателя электрического
Установка панели приборов
Панель передка боковая съемная левая и правая
Ящик вещевой
Дверка вещевого ящика
Ограничитель левый и правый в сб.
Установка вентиляционного люка крыши
Установка стекол и арматуры двери правая/ левая
Дверь правая и левая
Стеклоподъемник двери левый в сборе, стеклоподъемник двери правый в сборе
Замок двери правый/левый сб.
Фиксатор замка правый/ левый в сб.
Привод замка двери правый/ левый в сб.
Ручка двери наружная в сб.
Ограничитель двери
Установка сидений
Сидение водителя
Механизм подрессоривания сиденья водителя
Сиденье пассажирское
Сиденье пассажирское с ящиком
Элементы отопления и вентиляции кабины
Кран сливной
Кран отопления в сб.
Установка подогревателя 15.8106
Установка подогревателя ПЖД-12
Установка топливного бачка и топливопроводов подогревателя 15.8106
Установка топливного бачка и топливопроводов подогревателя ПЖД-12
Бачок топливный
Привод управления отоплением
Установка ремней безопасности
Установка зеркал заднего вида
Ручка правая
Пепельница в сборе
Козырек противосолнечный с обивкой левый
Установка световозвращателей на кабине
Установка задних световозвращателей
Установка боковых знаков
Установка боковых знаков
Установка знаков двигателя и «260 TURBO»
Установка надоконной полки и противосолнечных козырьков
Установка брызговиков
Установка оперения кабины
Панель облицовочная
Установка задней части переднего крыла правая
Установка задней части переднего крыла левая
Замок панели
Установка боковой защиты
Платформа
Установка платформы
Установка запоров заднего борта
Установка троса ограничения подъема платформы
Устройство опрокидывающее платформы
Самосвальная установка
Установка надрамника, ловителя-амортизатора платформы
Надрамник
Ловитель амортизатор
Установка гидроцилиндра
Гидроцилиндр
Блок управления
Установка масляного бака
Бак масляный
Фильтр масляного бака гидросистемы
Клапан ограничительный
Агрегат силовой, укомплектованный для установки на автомобиль
Агрегат силовой, укомплектованный для установки на автомобиль
Агрегат силовой КамАЗ-740.11-240, КамАЗ-740.13-260, КамАЗ-740.13-260
Двигатель с оборудованием
Двигатель с оборудованием
Двигатель без оборудования
Установка силового агрегата
Кронштейн передней опоры
Башмак задней опоры силового агрегата
Установка картера маховика
Блок цилиндров в сборе
Блок цилиндров в сборе
Блок цилиндров в сборе
Блок цилиндров в сборе
Заглушка водяной полости
Крышка блока цилиндров передняя
Картер маховика
Установка газораспределительного механизма
Головка цилиндра
Головка цилиндра с втулками
Втулка с кольцами
Заглушка с кольцом
Поршень с шатуном и кольцами
Поршень с шатуном и кольцами
Клапан форсунки охлаждения поршня в сборе
Установка форсунки охлаждения поршня
Установка вала коленчатого
Вал коленчатый в сборе
Установка гасителя крутильных колебаний и полумуфты отбора мощности
Установка маховика и фиксатора
Установка маховика и фиксатора
Маховик
Маховик
Маховик
Фиксатор маховика в сборе
Фиксатор маховика в сборе
Вал распределительный
Корпус подшипника распределительного вала с втулкой
Стойка коромысел в сборе
Коромысло клапана в сборе
Установка газопровода
Установка картера масляного, маслоналивного патрубка и указателя уровня масла
Установка картера масляного, маслозаливного патрубка и указателя уровня
Трубка указателя уровня с кольцом
Указатель уровня масла с уплотнителем в сборе
Установка масляного насоса
Установка масляного насоса
Масляный насос с маслозаборником в сборе
Масляный насос с маслозаборником в сборе
Масляный насос с шестерней
Насос масляный
Крышка масляного насоса с клапаном
Корпус насоса
Крышка масляного насоса в сборе
Шестерня ведомая масляного насоса
Маслозаборник
Установка фильтра и теплообменника
Фильтр масляный с теплообменником
Теплообменник масляный
Сердцевина в сборе
Фильтр очистки масла
Корпус масляного фильтра в сборе
Колпак масляного фильтра
Установка системы вентиляции
Установка системы вентиляции
Трубка сапуна с втулкой
Угольник сапуна
Установка электромагнитного клапана и штифтовых запальных свечей на двигатель
Шестерня ведущая привода распределительного вала
Шестерня, ведомая привода топливного насоса
Корпус переднего подшипника в сборе
Корпус заднего подшипника
Фильтр тонкой очистки топлива жидкостного подогревателя
Установка топливного бака, фильтра грубой очистки и трубопроводов
Установка топливного бака ФГОТ и топливопроводов
Установка топливного бака ФГОТ и топливопроводов
Бак топливный
Бак топливный
Труба наливная топливного бака с выдвижной трубой
Труба наливная топливного бака с выдвижной трубой
Пробка топливного бака в сборе
Пробка топливного бака в сборе
Установка топливопроводов
Установка топливопроводов
Установка топливопроводов
Трубка приемная с фильтром
Трубка приемная с фильтром
Трубка слива топлива в бак с краном
Трубка слива топлива в бак с угольником
Фильтр грубой очистки с насосом предпусковой прокачки топлива
Фильтр грубой очистки топлива в сборе
Привод управления регулятором
Установка управления подачи топлива
Кронштейн вала привода управления регулятором
Толкатель
Тяга привода управления регулятором
Наконечник
Наконечник тяги
Установка воздушного фильтра
Воздухозаборник
Тройник
Установка тройника
Фильтр воздушный в сборе
Установка и привод ТНВД
Установка и привод ТНВД
Система питания двигателя
Топливный насос низкого давления
Регулятор частоты вращения
Крышка регулятора верхняя в сборе
Державка грузов регулятора
Рычаги с корректорами
Топливный насос высокого давления
Корпус топливного насоса в сборе
Секция топливного насоса
Муфта опережения впрыскивания
Насос предпусковой прокачки топлива
Вал привода ТНВД
Вал привода ТНВД
Установка форсунки
Форсунка
Установка системы впуска
Фильтр тонкой очистки топлива
Крышка фильтра
Пружина
Установка турбокомпрессоров на двигатель
Установка системы выпуска
Установка системы выпуска
Установка системы выпуска
Установка радиатора
Установка уплотнителей радиатора
Установка водяного насоса, водяных труб и включателя гидромуфты
Труба водяная правая
Труба водяная левая
Коробка водяная
Кран сливной системы охлаждения
Пробка крана
Установка кранов сливных системы охлаждения привода управления
Пробка с шариком и держателем
Насос водяной
Установка вентилятора
Установка жалюзи радиатора
Жалюзи радиатора
Тяга управления жалюзи радиатора
Установка расширительного бачка
Бачок расширительный
Пробка расширительного бачка
Скоба верхняя
Установка гидромуфты
Гидромуфта в сборе
Колесо ведущее с ведущим валом
Вал ведущий
Колесо ведомое гидромуфты с ведомым валом
Корпус подшипника гидромуфты
Шкив привода генератора с манжетой
Включатель гидромуфты привода вентилятора
Клапан термосиловой в сборе
Установка педали и привода выключения сцепления
Установка педали и привода выключения сцепления
Установка педали и привода выключения сцепления
Сцепление
Сцепление
Картер сцепления
Картер сцепления
Картер сцепления
Рычаг оттяжной с вилкой и пружиной
Диск нажимной сцепления с кожухом
Диск нажимной с кожухом
Диск ведущий сцепления средний
Педаль сцепления с кронштейном и главным цилиндром
Педаль сцепления с кронштейном и главным цилиндром
Педаль сцепления
Педаль сцепления
Главный цилиндр управления сцеплением
Пневмогидравлический усилитель
Корпус пневмогидравлического усилителя задний
Поршень следящий с корпусом
Поршень следящий
Поршень выключения сцепления
Уплотнение поршня выключения сцепления
Диафрагма ПГУ
Клапан пневмогидравлического усилителя
Поршень пневматический
Коробка передач с картером сцепления
Картер коробки передач
Вал первичный коробки передач
Вал первичный коробки передач
Крышка подшипника первичного вала
Вал промежуточный
Вал вторичный
Крышка заднего подшипника вторичного вала
Механизм переключения передач
Механизм переключения передач
Крышка коробки передач верхняя
Вилка переключения 2-ой и 3-ей передач
Вилка переключения 4-ой и 5-ой передач
Опора рычага переключения передач
Привод управления механизмом переключения передач
Опора рычага в сборе
Опора рычага переключения передач
Кронштейн рычага переключения передач
Диск нажимной тормоза рычага
Кронштейн опоры промежуточной тяги управления
Установка крепления раздаточной коробки
Установка управления раздаточной коробки
Установка управления раздаточной коробки
Раздаточная коробка
Установка сменных шестерен привода датчика спидометра
Вал первичный раздаточной коробки
Крышка переднего подшипника первичного вала в сборе
Вал промежуточный раздаточной коробки
Дифференциал раздаточной коробки
Обойма дифференциала раздаточной коробки с сателлитами
Обойма дифференциала раздаточной коробки
Ступица шестерни низшей передачи с втулкой
Шестерня низшей передачи
Крышка заднего подшипника привода заднего моста
Картер привода переднего моста
Механизм включения низшей передачи
Шток включения низшей передачи
Шток включения высшей передачи
Кран управления раздаточной коробкой
Установка карданных валов
Установка карданных валов
Вал карданный заднего моста
Крестовина карданного вала
Вал карданный основной
Вал карданный основной
Вал карданный переднего моста
Вал карданный среднего моста
Крестовина карданного вала
Мост передний
Передача главная переднего моста
Вал ведущий переднего моста
Крышка стакана подшипников
Дифференциал переднего моста
Опора шаровая поворотного кулака
Корпус поворотного кулака правый и левого
Цапфа поворотного кулака со втулкой левая и парвая
Цапфа поворотного кулака левая, правая
Кольцо упорное кулака шарнира полуоси
Мост задний
Мост задний
Картер заднего моста
Передача главная заднего моста
Вал ведущий заднего моста
Стакан подшипников
Крышка стакана подшипников
Шестерня ведомая коническая
Стакан подшипников
Дифференциал заднего моста
Дифференциал заднего моста
Сателлит в сборе
Вилка блокировки в сборе
Привод блокировки межколесных дифференциалов
Привод блокировки межколесных дифференциалов
Мост средний
Мост средний
Картер среднего моста
Передача главная среднего моста
Передача главная среднего моста
Шестерня ведущая коническая
Крышка подшипника
Дифференциал межосевой
Крышка подшипника в сборе
Сателлит в сборе
Механизм блокировки
Привод блокировки межосевого дифференциала
Привод блокировки межосевого дифференциала
Кран включения блокировки
Шток
Установка кронштейнов
Установка переднего буфера
Передний буфер
Установка заднего буфера
Проушина буксирная
Установка передней подвески
Установка задней подвески
Рессора передняя
Ушко с втулкой и манжетами
Ушко с втулкой
Кронштейн стабилизатора в сборе
Рессора задняя
Ось балансирной подвески с кронштейнами
Башмак рессоры с втулками и сальником
Башмак рессоры с втулками
Штанга реактивная в сборе
Установка передних колес
Установка сдвоенных дисковых колес
Колесо 7,5-20 с шиной
Ступица переднего колеса с барабаном тормоза
Ступица заднего колеса с барабаном тормоза
Манжета
Держатель запасного колеса
Установка запасного колеса
Установка запасного колеса
Установка рулевого механизма
Установка колонки рулевого управления
Установка трубопроводов рулевого управления
Механизм рулевой
Картер механизма рулевого управления
Вал сошки с крышкой
Редуктор угловой механизма рулевого управления
Корпус углового редуктора механизма рулевого управления
Крышка корпуса с манжетами
Шестерня ведущая углового редуктора с корпусом
Шестерня ведомая углового редуктора
Установка насоса гидроусилителя руля
Насос рулевого усилителя
Тяга сошки
Тяга рулевой трапеции
Наконечник рулевой трапеции правый и левый
Вал карданный рулевого управления
Клапан управления гидроусилителем руля
Корпус клапана управления гидроусилителем руля
Клапан обратный
Колонка рулевого управления с замком противоугонного устройства
Колонка рулевого управления
Установка пневмотормозов
Установка пневмотормозов
Установка блока подготовки воздуха
Установка блока подготовки воздуха
Установка воздушных ресиверов
Установка воздушных ресиверов
Установка двухсекционного тормозного крана
Установка четырехконтурного защитного клапана
Установка ускорительных клапанов
Установка регулятора тормозных сил
Установка двухмагистрального клапана
Установка двухмагистрального клапана
Тормоз вспомогательный и его привод
Суппорт тормоза
Колодка тормоза с накладками
Тормоз задний правый и левый
Рычаг тормоза
Охладитель
Установка компрессора
Установка компрессора
Компрессор
Картер в сборе
Головка цилиндра с крышкой
Крышка задняя в сборе
Поршень в сборе
Кран тормозной двухсекционный с педалью
Клапан контрольного вывода
Клапан защитный четырехконтурный
Кран экстренного растормаживания
Камера тормозная тип 30
Кран аварийного растормаживания в сборе
Корпус вспомогательного тормоза с заслонкой
Цилиндр пневматический 30x25 с тягой
Цилиндр управления заслонкой в сборе
Электрооборудование. Расположение на автомобиле
Электрооборудование. Расположение на автомобиле
Установка генератора
Генератор с пальцем
Генератор с проводом
Установка аккумуляторных батарей
Установка подрулевого переключателя
Панель выключателей
Панель выключателей
Панель выключателей
Установка фар и передних указателей поворота
Установка таблички регулировки пучка света фар
Установка плафонов
Установка плафона освещения вещевого ящика
Установка подкапотной лампы
Установка задних фонарей
Установка задних фонарей
Установка фонаря заднего хода
Установка фонаря заднего хода
Установка фонаря заднего противотуманного
Установка электромеханического корректора
Установка звуковых электрических сигналов
Установка предохранителей
Установка розетки переносной лампы
Установка проводов на шасси
Установка проводов на шасси
Установка проводов на кабине
Установка проводов на кабине
Установка бокового повторителя указателя поворота
Установка прерывателя указателей поворота
Установка боковых габаритных фонарей на переднем крыле
Установка задних контурных фонарей
Установка малогабаритного выключателя массы
Установка габаритных фонарей
Установка электрооборудования подогревателя
Установка электрооборудования подогревателя ПЖД-12
Установка реле
Монтаж реле блокировки стартера
Щиток приборов
Щиток приборов
Установка индикатора засоренности воздушного фильтра
Установка датчиков указателя уровня топлива
Установка трубопроводов к манометру
Установка датчиков аварийного давления воздуха
Коробка отбора мощности с насосом
Коробка отбора мощности
Установка коробки отбора мощности с насосом
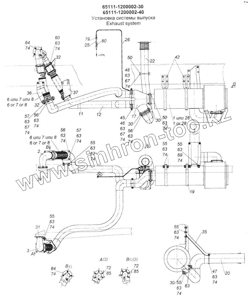
65111-1200002-40
65111-1200002-30
1
1
2
6
6
6
6
7
7
7
7
8
8
8
8
11
12
17
19
20
22
25
26
28
28
30
30
30
31
31
32
32
36
37
39
42
45
46
47
48
50
50
55
55
55
55
55
55
56
56
56
57
57
60
63
63
63
63
63
63
63
63
63
63
63
63
63
63
63
63
63
64
64
67
67
67
67
69
72
72
74
74
74
74
74
74
74
74
74
74
74
74
74
74
74
74
74
74
79
80
85
85
Позиция на иллюстрации
Заводской номер детали
Название детали
65111-1200002-40
65111-1200002-40
Установка системы выпуска
65111-1200002-30
65111-1200002-30
Установка системы выпуска
1
6520-1201010
Глушитель выпуска
2
54115-1203010-50
Патрубок приемный
6
54115-1203012-01
Металлорукав
7
54115-1203012-02
Металлорукав
8
54115-1203012-03
Металлорукав
11
4326-1203014-22
Труба левая
12
4326-1203015-21
Труба правая
17
65115-1203035-10
Коробка переключения газов
19
54115-1203047
Хомут
20
43114-1203048-31
Труба выпускная
22
65111-1203048-10
Труба обогрева платформы
25
65115-1203201
Трубка
26
65111-1203202
Трубка
28
6520-1201010-01
Глушитель выпуска
29
5320-1203020
Прокладка фланца
30
54115-1203020
Прокладка
31
53215-1203023
Прокладка
32
54115-1203023
Прокладка
36
43114-1203030-31
Кронштейн левой трубы
37
4326-1203031-10
Кронштейн правой трубы
39
4326-1203033-01
Кронштейн выпускной трубы
42
54115-1203041
Кронштейн
45
54115-1203060
Хомут
46
54115-1203061
Стремянка
47
6520-1203061
Стремянка
48
65111-1203061
Стремянка
50
65111-1203069
Проставка
55
1/59709/21
Болт М10х1,25-6gх35
56
1/13070/21
Болт М10х1,25-6gх40
57
1/12347/21
Болт М10х1,25-6gх45
60
1/59724/31
Болт М10х1,25-6gх130
63
1/21647/11
Гайка М10х1,25-6Н
64
1/21647/40
Гайка М10х1,25-6Н
67
1/26386/01
Шайба плоская 10,6х18х2
69
1/26468/01
Шайба плоская 10,2х25х2
72
1/05166/77
Шайба 8 пружинная
74
1/05168/77
Шайба 10 пружинная
79
864866
Штуцер фланцевый проходной
80
864892
Тройник ввертной симметричный
85
853578
Гайка М8-6Н
Содержащиеся в справочниках-каталогах запасные части и детали не предлагаются к продаже, а носят исключительно информационный характер
Дополнительная информация
×
Название:
Номер:
Примечание: