Вернуться на главную
Поиск
Каталоги запчастей к технике
Грузовые автомобили и прицепы
Камский автозавод
5308 (Евро 4)
5308-8100005 Установка системы отопления
Каталог запасных частей к технике: Камский автозавод 5308 (Евро 4). 5308-8100005 Установка системы отопления
zoom-in
zoom-out
enlarge
shrink
circle-right
circle-left
file-text2
info
cart
Тип техники
Не выбрано
Легковые автомобили
Грузовые автомобили и прицепы
Автобусы
Сельхозтехника
Спецтехника
Двигатели
Мототехника
Марка
Не выбрано
BAW
DAF
DongFeng
FAW
Foton
HOWO
Hyundai
IVECO
JAC Motors
LGMG
MAN
Shaanxi
SITRAK
Studebaker
Tata
Volvo
Автокомпонент Плюс
БелАЗ
Брянский Арсенал
ГАЗ
ЗИЛ
КАЗ
Камский автозавод
КрАЗ
Мадара
МАЗ
МЗКТ
МоАЗ
Нефтекамский автозавод
Ставропольский Завод АвтоПрицепов
ТАТРА
Тонар
УралАЗ
ЧМЗАП
Модель
Не выбрано
4308 (2004)
4308 (2008)
4308 (Евро 3) (2013)
4308 (Евро 4) (2012)
4308-C4 (2019)
4308-C4 (2019)
4308-H3 (2019)
4308-R4 (2019)
4310
4310
43101
43114
43118 (2002)
43118 (Евро 4) (2012)
43253 (Часть-1) (2011)
43253 (Часть-2) (2011)
43253, 43255 (Евро-4) (2012)
43255 (Евро-2) (2012)
43255 (Евро-3) (2012)
4326 (2001)
4326 (2003г)
43261 (Евро-1, 2) (2007)
4350 (4х4) (2004)
43501 (4х4) (2007)
43502 (Евро 4) (2013)
45141 (2009)
45142 (2009)
45143 (2009)
5308 (Евро 3) (2012)
5308 (Евро 4) (2013)
5315
5320
53212
53228, 65111 (2004)
53229 (Евро 2) (2010)
5350 (6х6) (2004)
53501 (6х6) (2007)
53504 (6х6) (2007)
5360
53605 (Евро-4) (2013)
5410
54112
5460
5460 (2005)
5490 (2016)
55102
5511 (2003)
6350 (8х8) (2004)
63501 (8х8) (2007)
6450 (8х8) (2007)
6460
6460 (Евро 3, 4) (2013)
6460 (Евро 4) (2013)
65111 (2008)
65111 (Евро 4) (2012)
65115 (2001)
65115 (2009)
65115 (Евро-3) (2013)
65115, 65116 (Евро-4) (2010)
65116 (2006)
6520
6520 (Euro-2, 3) (2009)
6520 (Euro-4) (2012)
6520 (Euro-4) (2016)
65201 (2007)
65201 Евро 2-3 (2016)
6522 (2005)
6522 (Euro-2, 3) (2009)
6522 (Евро-4) (2016)
65226 (2009)
65226 (2013)
6540
KNORR-BREMSE применяемых на технике Камского автозавода
Общий (5320, 53212, 5410, 54112, 5511, 55102)
Самосв. установка 6520 (2011)
Схема
>
Не выбрано
5308-1000250-22 Агрегат силовой, укомплектованный для установки на автомобиль
5308-1001000-10 Установка кронштейнов силового агрегата
5308-1001005-10, 5308-1001005-20 Установка силового агрегата
4308-1009001, 4308-1009001-10, 4308-1009001-20, 4308-1009001-20 Установка деталей крепления указателя уровня масла
5308-1080010-10 Капотирование нижнее моторного отсека
5308-1100050, 5308-1100050-10 Установка топливного бака
5308-1105068, 4308-1105068, 4308-1105068-10, 5308-1105068-10 Установка фильтра грубой очистки топлива и топливопроводов
5308-1109001-10 Установка воздушного фильтра
4308-1109003-10, 4308-1109003-20 Установка воздухозаборника
4308-1109400-10, 4308-1109400-20 Воздухозаборник с уплотнителем
4308-1200009 Установка системы выпуска
4308-1208002 Установка бака нейтрализующей жидкости
65115-1208055, 6540-1208055 Бак нейтрализующей жидкости в сборе с кронштейном
65115-1208055-10, 6540-1208055-10 Бак нейтрализующей жидкости
65115-1208500-10 Установка насоса дозирующего
65115-1208650 Клапан в сборе
65115-1208650-10 Клапан в сборе
5308-1300023-50 Установка блока охлаждения
5308-1301005-65 Блок охлаждения
5308-1308005-55 Установка вентилятора с вязкостной муфтой
5308-1311005-20 Установка бачка расширительного
5320-1311060 Пробка расширительного бачка
5308-1311086-20 Скоба верхняя
5308-1580004-10 Установка нижнего шумоизоляционного экрана КПП
20.1600010, 20.1600010-01, 20.1600010-10, 20.1600010-20 Сцепление
5308-1600006-20 Установка педали и привода выключения сцепления
5460-1602008, 5460-1602008-20 Педаль сцепления с кронштейном и главным цилиндром
5320-1602510-10 Главный цилиндр управления сцеплением
5320-1602568 Толкатель поршня главного цилиндра
5320-1602560 Бачок главного цилиндра привода сцепления
5308-1700005-10 Установка коробки передач на двигатель
43085-1703005-20 Привод управления механизмом переключения передач
53602-1703204, 5308-1703204 Опора рычага переключения передач
4308-1703494 Вилка со втулками
14.1703248-60 Рукоятка рычага переключения передач
43085-1703325 Тяга
6460-1703520 Тяга реактивная
5308-2200001-32 Установка карданных валов
5308-2800010-15, 5308-2800010-16, 53082-2800010-15, 53082-2800010-16 Рама
5308-2804003 Установка заднего буфера
5308-2809001-55 Установка переднего противоподкатного защитного устройства
5308-2900001-30 Установка передней подвески
65115-2902012-15 Рессора передняя
5308-2900002-40 Установка задней подвески
5308-2919068-40 Рычаг верхний с реактивными штангами
5308-2919490-40 Балка задней подвески со стяжкой
4308-3000012-54 Ось передняя с тормозами
4308-3000015-50 Ось передняя
4308-3001012-50 Кулак поворотный
4308-3101702-50 Установка передних колес
4308-3101703-50, 4308-3101703-54 Установка сдвоенных колес
4308-3101711-50, 4308-3101711-54 Колесо 7,5x19,5 с шиной
5308-3105010 Установка держателя запасного колеса
4308-3103009-54 Ступица переднего колеса с диском тормоза, подшипником и манжетой
4308-3103010-54 Ступица переднего колеса с диском тормоза
4308-3400002-19 Установка рулевого колеса
5308-3400014-10 Установка колонки рулевого управления
6520-3406014-19 Установка крана регулировки рулевой колонки
5308-3422010-10 Вал карданный
53205-3422012 Шарнир карданный
5308-3422014-10 Шарнир с втулкой
6520-3444075-19 Колонка рулевого управления с кронштейном
6520-3444008-19 Колонка рулевого управления
6520-3444010-19 Колонка рулевого управления
5308-3400012-10 Установка рулевого механизма
5308-3414010-10 Тяга сошки с наконечниками
5308-3400018-10 Установка трубопроводов
5308-3400019-10 Установка бачка и насоса ГУР
5297-3414052, 5297-3414052-01 Тяга рулевой трапеции
5308-3500006-55 Установка пневмотормозов
5308-3506001 -04 Установка пневмопривода тормозов передней оси
5308-3542005-04 Блок передних модуляторов АБС
5308-3506170-04 Установка охладителя
5308-3511001-04 Блок подготовки воздуха
5308-3500011-06, 5308-3500011-02, 5308-3500011-07, 5308-3500011-09 Установка осушителя
5308-3511013 Ресивер в сборе с фитингами
5308-3531010-04 Установка клапана накачки шин
5308-3570009 Клапан электромагнитный в сборе
5460-3500080-05, 65201-3500080-10 Установка пневмопривода в кабине
6520-3500014-34, 4308-3500014-34, 6350-3500014-03 Установка двухсекционного тормозного крана
5320-3514108 Кран тормозной двухсекционный с педалью
100-3514108-10 Кран тормозной двухсекционный
5308-3513005 Ресивер малый в сборе с фитингами
5308-3513006 Ресивер в сборе с фитингами
16-3513110 Кран слива конденсата
5308-3513007 Ресивер в сборе с фитингами
5308-3506002-54 Пневмопривод заднего моста
5308-3513008 Ресивер в сборе с фитингами
4308-3518010-36 Блок управления тормозами задней тележки
5350-3518001-01 Ускорительный клапан с глушителем
2233-3518010-20 Ускорительный клапан с глушителем
2233-3522010-10 Клапан управления тормозами прицепа с двухпроводным приводом и глушителем
5308-3542007-04, 4308-3542007-36, 4308-3542007-90 Блок управления тормозами второго контура
65115-3521001, 65115-3521002 Головка соединительная в сборе
16-3515310 Клапан контрольного вывода
5308-3501011, 5308-3501010, 5308-3501010-10, 5308-3501011-10 Тормоз передний левый
53205-3541109-01, 53205-3541109-02, 53205-3541109-03 Датчик скорости с втулкой
5308-3509000-01 Установка подвода воздуха к компрессору тормозов
5308-3570010 Корпус вспомогательного тормоза с пневмоцилиндром
5308-3570014 Корпус вспомогательного тормоза с заслонкой
53205-3570205, 53205-3570205-10, 53205-3570205-20 Пневмоцилиндр вспомогательного тормоза
53215-3570210, 53215-3570210-20 Цилиндр пневматический ф35х65
5308-3700001-21, 5308-3700001-22, 5308-3700001-23 Электрооборудование
5308-3700001-21, 5308-3700001-22, 5308-3700001-23 Светотехника
5308-3700060-21 Электрооборудование. Расположение на панели приборов
5308-3703001-20 Установка аккумуляторных батарей
5320-3721001-10 Установка звуковых электрических сигналов
65115-3722002 Установка блока предохранителей
43114-3723003-70, 431147-3723003-70 Установка розеток прицепа
53205-3723005, 532157-3723005, Установка розетки переносной лампы
5320-3737001-01, 532007-3737001-01, 4310-3737001-01 Установка малогабаритного выключателя массы
5308-3741001-20 Установка электрооборудования подогревателя
65115-3741016-70 Установка электрооборудования системы подогрева топлива на панели приборов
65115-3741018 Установка электрооборудования обогрева зеркал на кабине
65115-3741300-01 Установка контактора подогревателя воздуха
5308-3700086-21 Электрооборудование. Расположение на платформе
5308-3802001 Пломбировка спидометра
4308-3830005 Установка датчиков указателя давления воздуха
4308-3830002 Установка датчиков аварийного давления воздуха
65115-3840001 Установка тахографа
6520-3840002-50 Пломбировка датчика скорости
5308-3805010 Щиток приборов
6520-4000100-24 Система управления двигателем. Расположение на панели приборов
6520-4000200-24 Система управления двигателем. Расположение на кабине
6520-4000300-24 Система управления двигателем. Расположение на шасси
43253-4000120-10 АБС. Расположение на панели приборов
43253-4000220-10, 43253-4000220-20 АБС. Расположение на кабине
5308-4000013-12 Система управления пневматической подвеской. Расположение на автомобиле
65115-4000016-24 Система нейтрализации. Расположение на автомобиле
5308-4030010-04 Электромагнитный клапан ECAS с соединительной арматурой
43253-5000012-11 Кабина в сборе с оперением
5308-5000014-01 Кабина с дверями окрашенная
5460-5000121 Установка сиденья водителя
5460-5000122 Установка сиденья пассажира
5460-5000123 Установка среднего сиденья
5308-5000007 Установка подвески кабины и ограничителя подъема кабины
4308-5000003 Переднее крепление и механизм уравновешивания кабины
5308-5002051-10 Установка ограничителя подъема кабины
53205-5001003 Установка элементов передней подвески кабины
5308-5001006-20 Установка задней подвески кабины
5308-5001006-40 Установка задней подвески кабины
5308-5001008-20, 5308-5001009-20
4308-5001006-20 Установка задней подвески кабины
4308-5001005 Установка элементов задней подвески кабины
5308-5000079-20 Установка механизма опрокидывания кабины
53205-5114250 Установка усилителя противоударного
53205-5101250 Установка облицовок порогов
65115-5206005 Установка ветровых стекол
6520-5205001 Установка стеклоочистителя
65115-5208004 Установка омывателя
6560-5300023-10 Установка панели приборов
6560-5325300 Щиток нижний с приборами
6522-5325160 Установка поручней панели приборов и облицовок стоек
53205-5310001 Установка ручки передка
54105-5413010 Установка дверок боковин
65115-5603005 Установка стекол окна задка
5308-5614200-20 Установка шумоизоляционного экрана над двигателем
53205-5713008 Установка вентиляционного люка крыши
65115-6100005 Установка стекол и арматуры двери
65115-6105011 Установка замков и ручек двери левая
65115-6102005 Установка обивок двери
65115-6103005 Установка форточек двери
65115-6104005 Установка стеклоподъемников двери
65115-6110005 Установка опускных стекол
65115-6114005 Установка подлокотников двери
53205-6100015 Дверь левая
53205-6100014 Дверь правая
65115-6108005 Установка косынок передка и ограничителя открывания двери
54115-6800900-02 Схема подключения пневмосистемы сидений
6460-6800900-02 Схема подключения пневмосистемы сидений
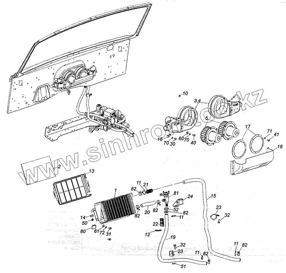
5308-8100005 Установка системы отопления
4308-8101060 Радиатор отопителя
5320-8101060-04 Радиатор отопителя
5320-8118027 Улитка вентилятора с распределителем левая
5320-8118069 Колесо рабочее с электродвигателем
5308-8106004 Установка подогревателя 14TC с автономным топливным бачком
5308-8106005 Установка подогревателя и электронасоса
5320-8105010 Кран сливной
5308-8106320 Топливный бачок с кронштейном
5460-8201002-01 Установка зеркал заднего вида
6522-8202005 Установка поручней входа
65115-8213005 Установка надоконных полок
53205-8212300 Установка окантовок и уплотнителей
65115-8212180 Установка маркировки светоотражающей на кабине
65205-8212008-01 Установка заводских боковых знаков
43255-8400006-07 Установка оперения кабины
63501-8401009 Установка облицовочной панели
4308-8403010-50 Установка задней части переднего крыла правая
4308-8403011 -50 Установка задней части переднего крыла левая
4308-8404003-40 Установка задних крыльев
5308-8410003-10 Установка боковой защиты
5308-8416012 Установка облицовки буфера
5308-8500008-10 Установка платформы
5308-8500010-10 Платформа
5308-8508008-10 Каркас тента
5308-8508012-10 Установка тента
5308-8521008-10 Установка кронштейнов на раму
5308-8500005-10 Установка световозвращающей маркировки на платформе
4308-2707001 Установка тягово-сцепного устройства
1
1
1
2
3
4
5
10
11
11
11
11
12
13
14
15
16
17
18
19
20
21
22
23
23
24
30
31
32
32
40
41
50
51
52
60
61
70
70
71
80
81
82
82
82
82
82
82
Позиция на иллюстрации
Заводской номер детали
Название детали
5308-8100005-10
5308-8100005-10
Установка системы отопления
5308-8100005
5308-8100005
Установка системы отопления
1
5320-8101060-04
Радиатор отопителя
1
4308-8101060
Радиатор отопителя
2
5320-8101294
Фильтроэлемент
3
5320-8118026
Улитка с распределителем правая в сборе
4
5320-8118027
Улитка с распределителем левая в сборе
5
5320-8118069
Колесо рабочее с электродвигателем в сборе
10
5320-1310277
Втулка оболочки троса
11
53205-3401228
Хомут
12
5320-3724119
Прокладка защитная пучка проводов
13
5320-8101290
Рамка фильтра
14
5320-8101292
Держатель
15
6460-8106057
Шланг отопителя подводящий в сборе
16
5320-8109365
Прижим троса
17
5320-8118093
Кольцо фланца
18
5320-8118101-01
Кожух
19
63501-8120111
Шланг отопителя подводящий
20
5320-8120143
Шланг отопителя передний
21
5320-8120150
Оболочка шланга отопителя
22
6520-8120151
Оболочка шланга отопителя
23
5320-8120165
Скоба
24
5320-8120167
Скоба отводящего шланга
30
853013
Болт М5-6gх10
31
1\09022\21
Болт М6-6gx16
32
1\38258\27
Болт М8-6gx20
40
1\32740\01
Винт М5-6gx12
41
1\32760\01
Винт М6-6gx12
50
1\58962\11
Гайка М6-6Н
51
1\61023\11
Гайка М8-6Н
52
1\07269\11
Гайка низкая М24х1.5-6Н
60
1\05193\01
Шайба плоская 5x10
61
1\05194\01
Шайба плоская 6x12
70
1\11954\73
Шайба пружинная 5
71
1\05164\77
Шайба пружинная 6
80
1\04187\01
Скоба крепежная 18
81
1001-8105160
Кран отопителя
82
45104998010890
Хомут ТОRRО20-32/12-С7W1
Содержащиеся в справочниках-каталогах запасные части и детали не предлагаются к продаже, а носят исключительно информационный характер
Дополнительная информация
×
Название:
Номер:
Примечание: