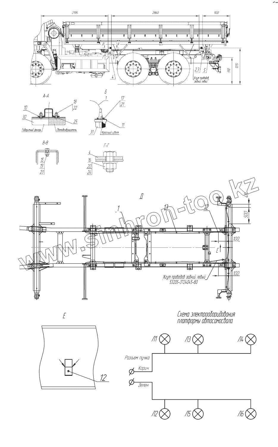
Каталог запасных частей к технике: Камский автозавод 45143. 55102-3731001-80 Установка боковых габаритных фонарей
53205-3724045-80
1
1
2
3
4
4
5
10
11
12
13
15
16
17
18
19
20
21
22
23
24
25
30
31
| Позиция на иллюстрации | Заводской номер детали | Название детали | |
|---|---|---|---|
| 53205-3724045-80 | 53205-3724045-80 | Жгут проводов задний левый | |
| 1 | 45143-3724073-80 | Пучок проводов габаритных фонарей | |
| 2 | 55102-3731030-80 | Кронштейн бокового фонаря правый | |
| 3 | 55102-3731031-80 | Кронштейн бокового габаритного фонаря левый | |
| 4 | 55102-3731070-80 | Кронштейн бокового габаритного фонаря | |
| 5 | 55102-3731040-80 | Кронштейн заднего контурного фонаря | |
| 10 | 96742-3731016 | Накладка | |
| 11 | 96742-3731021 | Чехол контурного фонаря | |
| 12 | 42112-3724193 | Скоба | |
| 13 | 4960-3724195 | Хомут | |
| 15 | 1/60434/21 | Болт М8-6gх20 | |
| 16 | 1/55403/21 | Болт М12х1,25-6gх25 | |
| 17 | 1/58964/11 | Гайка М5-6Н | |
| 18 | 1/58962/11 | Гайка ЕМ6-6Н | |
| 19 | 1/61008/11 | Гайка М8х1,25-6Н | |
| 20 | 1/61015/11 | Гайка М12х1,25-6Н | |
| 21 | 1/11954/70 | Шайба пружинная | |
| 22 | 1/05164/70 | Шайба 6 пружинная | |
| 23 | 1/05166/70 | Шайба 8 пружинная | |
| 24 | 1/05170/70 | Шайба 12 пружинная | |
| 25 | 1/6154/71 | Шайба зубчатая 6 | |
| 30 | 457372603 | Фонарь боковой габаритный 431.3731-01 (24В) маркерный | |
| 31 | 4573720512 | Фонарь контурный задний 381.3731 |
Содержащиеся в справочниках-каталогах запасные части и детали не предлагаются к продаже, а носят исключительно информационный характер