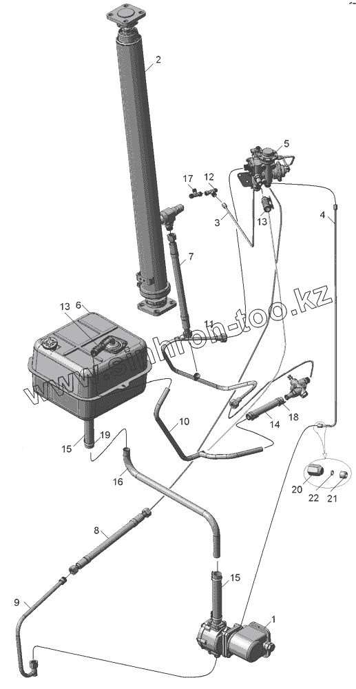
Каталог запасных частей к технике: Камский автозавод 45141. Устройство опрокидывания платформы 45141-8600000
1
2
3
4
5
6
7
8
9
10
11
12
13
13
14
15
15
16
17
18
19
20
21
22
| Позиция на иллюстрации | Заводской номер детали | Название детали | |
|---|---|---|---|
| 1 | 5511-4202001-20 | Установка коробки отбора мощности с насосом | |
| 2 | 5511-8603001-10 | Установка гидроцилиндра | |
| 3 | 45141-8606015 | Трубка подвода воздуха | |
| 4 | 45141-8606020 | Трубка подвода воздуха | |
| 5 | 5511-8607001-20 | Установка блока управления | |
| 6 | 5511-8608001-10 | Установка бака масляного | |
| 7 | 5511-8609090-01 | Рукав высокого давления в сборе | |
| 8 | 55102-8609090 | Рукав высокого давления в сборе | |
| 9 | 45141-8609135 | Труба высокого давления | |
| 10 | 5511-8609152 | Труба низкого давления | |
| 11 | 5511-8609170-10 | Труба высокого давления | |
| 12 | 5511-8606062 | Тройник ввертный (с коробкой передач модели 15) | |
| 13 | 5511-8609116 | Рукав | |
| 14 | 5511-8609117 | Рукав | |
| 15 | 5511-8609121 | Рукав длина 260 | |
| 16 | 45141-8609130 | Труба низкого давления | |
| 17 | 864892 | Тройник ввертной симметричный | |
| 18 | 1/02906/90 | Хомут крепления соединительных муфт в сборе | |
| 19 | 1/02912/90 | Хомут L=61 | |
| 20 | 864811 | Гайка накидная М14х1,5-6Н | |
| 21 | 96741-3506501 | Муфта | |
| 22 | 96741-3506521 | Кольцо уплотнительное |
Содержащиеся в справочниках-каталогах запасные части и детали не предлагаются к продаже, а носят исключительно информационный характер