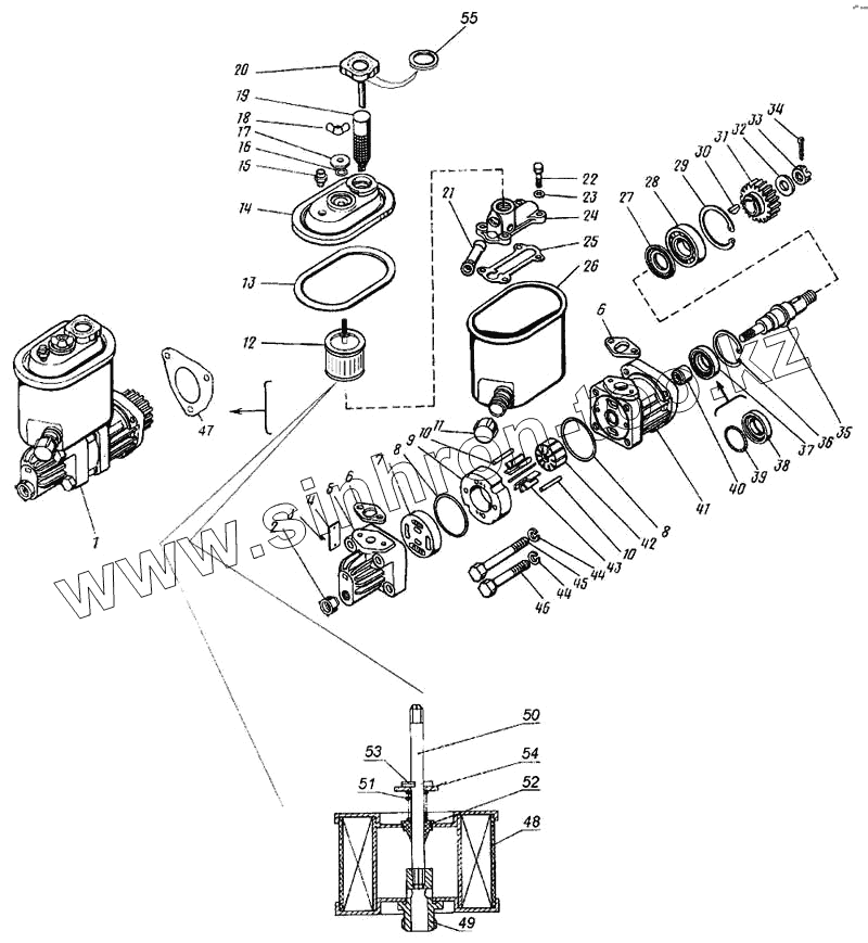
Каталог запасных частей к технике: Камский автозавод 4326. Насос гидроусилителя руля левого вращения
1
2
3
4
5
6
6
7
8
8
9
10
10
11
12
13
14
15
16
17
18
19
20
21
22
23
24
25
26
27
28
29
30
31
32
33
34
35
36
37
38
39
40
41
42
43
44
44
45
46
47
48
49
50
51
52
53
54
55
| Позиция на иллюстрации | Заводской номер детали | Название детали | |
|---|---|---|---|
| 1 | 4310-3407200-01 | Насос в сборе | |
| 2 | 853889 | Пробка транспортная | |
| 3 | Заклепка 2х6,37 | Заклепка 2х6,37 | |
| 4 | 130-3903183-04 | Табличка 40х20 | |
| 5 | 53212-3407212 | Крышка в сборе | |
| 6 | 5320-3407437-01 | Прокладка уплотнительная | |
| 7 | 5320-3407255 | Диск распределительный | |
| 8 | 864217 | Кольцо уплотнительное | |
| 9 | 5320-3407253 | Статор насоса | |
| 10 | 853757 | Штифт 5х43 | |
| 11 | 853883-01 | Пробка транспортная | |
| 12 | 4310-3407338-10 | Фильтр в сборе | |
| 13 | 5320-3407413 | Прокладка уплотнительная крышки бачка | |
| 14 | 53212-3407400 | Крышка бачка в сборе | |
| 15 | 864000 | Клапан предохранительный на давление 0,12-0,24 кг/см2 | |
| 16 | 864218 | Кольцо уплотнительное | |
| 17 | 1/26470/01 | Шайба плоская 8,45х25х2,5 | |
| 18 | 1/01020/01 | Гайка-барашек | |
| 19 | 5320-3407328 | Фильтр заливной в сборе | |
| 20 | 5320-3407350 | Пробка заливной горловины бачка в сборе | |
| 21 | 5320-3407441 | Трубка бачка | |
| 22 | 1/09026/21 | Болт М6-6gх25 | |
| 23 | 1/05194/01 | Шайба плоская 6х12х1,5 | |
| 24 | 5320-3407435 | Коллектор насоса | |
| 25 | 5320-3407439 | Прокладка коллектора насоса | |
| 26 | 5320-3407300-01 | Бачок насоса в сборе | |
| 27 | 5320-3407220 | Кольцо маслоотгонное | |
| 28 | 305А | Подшипник 305А | |
| 29 | 862806 | Кольцо Б 62 ГОСТ 13943-68 | |
| 30 | 853803 | Шпонка сегментная 5х7,5х19 | |
| 31 | 5320-3407240 | Шестерня привода насоса гидроусилителя руля | |
| 32 | 1/35507/01 | Шайба плоская 16х30 | |
| 33 | 853536 | Гайка М16х1,5-6Н | |
| 34 | 1/07970/01 | Шплинт 4х30 | |
| 35 | 5320-3407217 | Валик насоса | |
| 36 | 740.1308131 | Кольцо Б47 | |
| 37 | 864121 | Манжета 24х46 в сборе | |
| 38 | 864122 | Корпус манжеты | |
| 39 | 864424 | Пружина | |
| 40 | 154901Е | Подшипник игольчатый | |
| 41 | 5320-3407211 | Корпус насоса | |
| 42 | 5320-3407248 | Ротор насоса | |
| 43 | 5320-3407251 | Лопасть насоса | |
| 44 | 1/05168/77 | Шайба 10 пружинная | |
| 45 | 853043 | Болт М10х1,25-6gх90 | |
| 46 | 853041 | Болт М10х1,25-6gх70 | |
| 47 | 740-3407032 | Прокладка насоса | |
| 48 | 4310-3407359-10 | Элемент фильтрующий | |
| 49 | 4310-3407361 | Труба | |
| 50 | 4310-3407362 | Шпилька | |
| 51 | 4310-3407363 | Пружина | |
| 52 | 4310-3407763 | Шайба | |
| 53 | 258012 | Шплинт | |
| 54 | 1/26470/01 | Шайба плоская 8,45х25х2,5 | |
| 55 | 5320-3407358 | Прокладка пробки |
Содержащиеся в справочниках-каталогах запасные части и детали не предлагаются к продаже, а носят исключительно информационный характер