Каталог запасных частей к технике: Камский автозавод 4326. Механизм управления рулевого в сборе
1
2
3
4
4
4
5
6
7
8
9
9
9
10
11
12
13
14
15
16
17
18
19
20
21
22
23
24
25
26
27
28
29
30
31
32
33
33
34
35
36
37
38
39
40
41
42
43
44
45
46
47
48
49
50
51
52
53
54
55
56
57
58
59
60
61
62
63
64
65
66
67
68
69
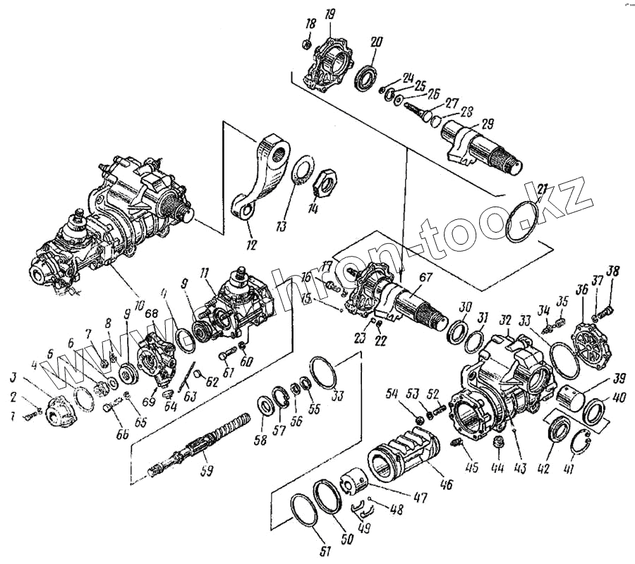
| Позиция на иллюстрации | Заводской номер детали | Название детали | |
|---|---|---|---|
| 1 | 853354 | Болт М8-6gх30 | |
| 2 | 1/05166/73 | Шайба 8 пружинная | |
| 3 | 4310-3401079 | Крышка передняя | |
| 4 | 864201 | Кольцо уплотнительное | |
| 5 | 853512 | Гайка М25х1,5-6Н | |
| 6 | 5320-3401373 | Шайба пружинная | |
| 7 | 1/21647/21 | Гайка М10х1,25-6Н | |
| 8 | 1/05168/73 | Шайба 10 пружинная | |
| 9 | 819705К2 | Подшипник упорный | |
| 10 | 4310-3400020 | Механизм рулевого управления в сборе | |
| 11 | 4310-3401710 | Редуктор угловой в сборе | |
| 12 | 4310-3401090 | Сошка рулевого управления | |
| 13 | 853631 | Шайба | |
| 14 | 853567 | Гайка | |
| 15 | 864707-16 | Шарик-заглушка | |
| 16 | 1/13069/21 | Болт М10х1,25-6gх30 | |
| 17 | 1/05168/73 | Шайба 10 пружинная | |
| 18 | 251648 | Гайка М14х1,5-6Н ОСТ 37.001.197-75 | |
| 19 | 4310-3401083 | Крышка боковая | |
| 20 | 4310-3401029-10 | Манжета уплотнительная вала сошки | |
| 21 | 864206 | Кольцо уплотнительное | |
| 22 | 864203 | Кольцо уплотнительное редуктора руля | |
| 23 | 5320-3401791 | Втулка | |
| 24 | 864204 | Кольцо уплотнительное | |
| 25 | 862803 | Кольцо упорное | |
| 26 | 5320-3401140 | Шайба регулировочная | |
| 27 | 5320-3401163 | Винт регулировочный | |
| 28 | 5320-3401176 | Шайба упорная | |
| 29 | 4310-3401065 | Вал сошки | |
| 30 | 4310-3401029-10 | Манжета уплотнительная вала сошки | |
| 31 | 4310-3401789 | Шайба упорная уплотнительной манжеты вала сошки | |
| 32 | 4310-3401015 | Картер механизма рулевого управления | |
| 33 | 864207 | Кольцо уплотнительное рулевого механизма | |
| 34 | 5320-3401371 | Клапан перепускной | |
| 35 | 5320-3401377 | Колпачок клапана | |
| 36 | 4310-3401529 | Крышка задняя картера рулевого управления | |
| 37 | 1/05168/73 | Шайба 10 пружинная | |
| 38 | 1/13069/21 | Болт М10х1,25-6gх30 | |
| 39 | 4310-3401076 | Втулка картера | |
| 40 | 864190 | Манжета вала сошки в сборе | |
| 41 | 864194 | Кольцо упорное | |
| 42 | 4310-3401030 | Манжета наружная сальника сошки вала в сборе | |
| 43 | 864707 | Шарик-заглушка | |
| 44 | 2101-2401046 | Пробка магнитная в сборе | |
| 45 | 4310-3401417 | Винт установочный | |
| 46 | 4310-3401411 | Рейка-поршень | |
| 47 | 5320-3401038 | Гайка шариковая | |
| 48 | 864707 | Шарик-заглушка | |
| 49 | 5320-3401179 | Желоб шариковой гайки | |
| 50 | 4310-3401415 | Кольцо уплотнительное рейки-поршня | |
| 51 | 864208 | Кольцо распорное | |
| 52 | 1/35466/21 | Шпилька М10х1,25х20х35 | |
| 53 | 1/05168/73 | Шайба 10 пружинная | |
| 54 | 1/21647/21 | Гайка М10х1,25-6Н | |
| 55 | 862812 | Кольцо упорное втулки | |
| 56 | 5320-3401361 | Кольцо уплотнительное винта рулевого управления | |
| 57 | 5320-3401391 | Кольцо распорное | |
| 58 | 5320-3401403 | Втулка плавающая | |
| 59 | 4310-3401359 | Винт рулевого управления | |
| 60 | 1/05166/73 | Шайба 8 пружинная | |
| 61 | 1/13438/31 | Болт М10х1,25-6gх50 | |
| 62 | 379432 | Пломба | |
| 63 | 258266 | Проволока | |
| 64 | 4310-3401780 | Колпачок регулировочного винта предохранительного клапана | |
| 65 | 1/05168/73 | Шайба 10 пружинная | |
| 66 | 853034 | Болт М10х1,5-6gх65 | |
| 67 | 4310-3401063 | Вал сошки с регулировочным винтом и боковой крышкой | |
| 68 | 4310-3430012 | Клапан управления гидроусилителем руля в сборе | |
| 69 | 4310-3430175 | Пружина предохранительного клапана |
Содержащиеся в справочниках-каталогах запасные части и детали не предлагаются к продаже, а носят исключительно информационный характер