Вернуться на главную
Поиск
Каталоги запчастей к технике
Грузовые автомобили и прицепы
Камский автозавод
4326
Корпус в сборе топливного насоса
Каталог запасных частей к технике: Камский автозавод 4326. Корпус в сборе топливного насоса
zoom-in
zoom-out
enlarge
shrink
circle-right
circle-left
file-text2
info
cart
Тип техники
Не выбрано
Легковые автомобили
Грузовые автомобили и прицепы
Автобусы
Сельхозтехника
Спецтехника
Двигатели
Мототехника
Марка
Не выбрано
BAW
DAF
DongFeng
FAW
Foton
HOWO
Hyundai
IVECO
JAC Motors
LGMG
MAN
Shaanxi
SITRAK
Studebaker
Tata
Volvo
Автокомпонент Плюс
БелАЗ
Брянский Арсенал
ГАЗ
ЗИЛ
КАЗ
Камский автозавод
КрАЗ
Мадара
МАЗ
МЗКТ
МоАЗ
Нефтекамский автозавод
Ставропольский Завод АвтоПрицепов
ТАТРА
Тонар
УралАЗ
ЧМЗАП
Модель
Не выбрано
4308 (2004)
4308 (2008)
4308 (Евро 3) (2013)
4308 (Евро 4) (2012)
4308-C4 (2019)
4308-C4 (2019)
4308-H3 (2019)
4308-R4 (2019)
4310
4310
43101
43114
43118 (2002)
43118 (Евро 4) (2012)
43253 (Часть-1) (2011)
43253 (Часть-2) (2011)
43253, 43255 (Евро-4) (2012)
43255 (Евро-2) (2012)
43255 (Евро-3) (2012)
4326 (2001)
4326 (2003г)
43261 (Евро-1, 2) (2007)
4350 (4х4) (2004)
43501 (4х4) (2007)
43502 (Евро 4) (2013)
45141 (2009)
45142 (2009)
45143 (2009)
5308 (Евро 3) (2012)
5308 (Евро 4) (2013)
5315
5320
53212
53228, 65111 (2004)
53229 (Евро 2) (2010)
5350 (6х6) (2004)
53501 (6х6) (2007)
53504 (6х6) (2007)
5360
53605 (Евро-4) (2013)
5410
54112
5460
5460 (2005)
5490 (2016)
55102
5511 (2003)
6350 (8х8) (2004)
63501 (8х8) (2007)
6450 (8х8) (2007)
6460
6460 (Евро 3, 4) (2013)
6460 (Евро 4) (2013)
65111 (2008)
65111 (Евро 4) (2012)
65115 (2001)
65115 (2009)
65115 (Евро-3) (2013)
65115, 65116 (Евро-4) (2010)
65116 (2006)
6520
6520 (Euro-2, 3) (2009)
6520 (Euro-4) (2012)
6520 (Euro-4) (2016)
65201 (2007)
65201 Евро 2-3 (2016)
6522 (2005)
6522 (Euro-2, 3) (2009)
6522 (Евро-4) (2016)
65226 (2009)
65226 (2013)
6540
KNORR-BREMSE применяемых на технике Камского автозавода
Общий (5320, 53212, 5410, 54112, 5511, 55102)
Самосв. установка 6520 (2011)
Схема
>
Не выбрано
Установка кронштейнов и механизма уравновешивания кабины
Подвеска задняя кабины
Установка механизма опрокидывания кабины и запасного колеса
Стеклоочиститель и его привод. Насос водяной очистки стекла
Сиденье водителя
Сиденья водителя и пассажира
Дверь
Дверь
Стеклоподъемник двери
Замок роторного типа
Элементы отопления и вентиляции кабины
Зеркала
Панель облицовочная
Крыло, брызговик и подножка
Двигатель
Силовой агрегат
Установка силового агрегата
Комплекты для запасных частей
Комплекты для запасных частей
Комплекты для запасных частей
Комплекты для запасных частей
Комплекты для запасных частей
Установка картера маховика
Блок цилиндров
Картер масляный в сборе
Газораспределительный механизм
Головка цилиндра
Поршень с шатуном и кольцами в сборе
Комплекты запасных частей
Вал коленчатый
Комплект запасных частей
Вал коленчатый
Маховик
Вал распределительный
Газораспределительный механизм
Насос масляный
Фильтр грубой очистки масла
Фильтр центробежный очистки масла
Радиатор масляный в сборе
Кран масляной системы в сборе
Вентиляция картера двигателя
Привод распределительного вала и топливного насоса
Газопровод
Установка и привод ТНВД
Бак топливный
Фильтр грубой очистки в сборе
Фильтр тонкой очистки топлива
Привод акселератора
Установка топливного бака, фильтра грубой очистки топлива и топливопроводов
Привод акселератора
Система питания двигателя
Система питания двигателя
Топливный насос низкого давления
Регулятор частоты вращения
Крышка регулятора верхняя
Державка грузов регулятора. Рычаги с корректорами
Топливный насос высокого давления
Корпус в сборе топливного насоса
Корпус в сборе топливного насоса
Секция ТНВД
Форсунка
Муфта опережения впрыскивания
Установка электромагнитного клапана
Система питания воздухом
Фильтр воздушный в сборе
Система питания воздухом
Трубопроводы впускные
Установка турбокомпрессора ТКР-7Н-1
Турбокомпрессор ТКР-7Н, левый
Система выпуска газа
Установка радиатора и уплотнителей радиатора
Установка жалюзи радиатора
Трубы и шланги
Трубы водяные
Насос водяной в сборе
Установка расширительного бачка
Гидромуфта привода вентилятора
Выключатель годромуфты
Сцепление
Привод управления сцеплением
Усилитель привода управления сцеплением
Коробка передач (комплект для запасных частей)
Картер коробки передач
Валы и шестерни коробки передач
Механизм переключения передач
Привод управления механизмом переключения передач
Привод управления механизмом переключения передач
Опора рычага переключения передач
Подвеска коробки раздаточной
Коробка раздаточная с коробкой отбора мощности
Вал первичный раздаточной коробки
Вал промежуточный раздаточной коробки
Дифференциал коробки раздаточной
Картер привода переднего моста
Механизм выключения низшей передачи раздаточной коробки
Механизм выключения высшей передачи раздаточной коробки
Привод управления раздаточной коробки
Установка валов карданных
Вал карданный основной с карданами в сборе
Вал карданный переднего моста с карданами в сборе
Вал карданный заднего моста с карданами в сборе
Мост передний
Передача главная моста переднего
Дифференциал моста переднего
Кулак поворотный правый моста переднего
Кулак поворотный левый моста переднего
Мост задний в сборе
Картер моста заднего
Передача главная моста заднего
Дифференциал и полуоси моста заднего
Вилка блокировки
Привод блокировки МКД
Механизм блокировки МКД
Рама в сборе 4326
Буфер передний и буфер задний
Установка передней подвески
Установка задней подвески
Рессора задняя
Колеса и ступицы колес
Шина
Ступица
Держатель запасного колеса 4326
Привод воздуха к шинам
Механизм управления рулевого в сборе
Редуктор угловой в сборе
Колесо рулевое, вал карданный и колонка
Насос гидроусилителя руля левого вращения
Трубопроводы и радиатор масляный гидроусилителя руля
Тяги рулевые
Тормоза рабочие передние
Тормоза рабочие задние
Трубопроводы пневмо-привода тормозных систем
Трубопроводы пневмо-привода тормозных систем
Патрубок со шлангом
Компрессор пневмотормозов
Установка компрессора
Водоотделитель пневмо-тормозов тормозной системы
Регулятор давления пневмотормозов
Ресиверы пневмотормозов
Кран тормозной двухсекционный
Кран тормозной двухсекционный с педалью
Клапан защитный четырехконтурный
Клапан контрольного вывода
Клапан ускорительный в сборе
Камера тормозная в сборе
Камера тормозная с пружинным энергоаккумулятором типа 24/24 в сборе
Кран разобщительный в сборе
Головки соединительные типа: "А", "Палм"
Клапан управления тормозами прицепа с двухпроводным приводом в сборе
Клапан управления тормозами прицепа с однопроводным приводом в сборе
Кран тормозной обратного действия с ручным управлением в сборе
Кран аварийного растормаживания в сборе
Клапан двухмагистральный в сборе
Цилиндр вспомогательного тормоза пневматический
Цилиндр выключения подачи топлива пневматический
Регулятор тормозных сил в сборе
Привод тормоза вспомогательного
Генератор
Установка батарей аккумуляторных и выключателя массы
Стартер
Переключатель света комбинированный в сборе
Панель выключателей
Электродвигатели отопителя
Розетка штепсельная прицепа
Розетка штепсельная лампы переносной на раме в сборе
Предохранители электрических цепей и электродвигатель вентилятора
Фары и фонари передние
Фары и фонари передние
Установка приборов освещения на кабине
Установка задних фонарей
Сигналы звуковые низкого и высокого тонов
Прожектор прерыватель указателей поворота и резистор факельноо устройства облегчения пуска
Электропроводка
Панель приборов и выключателей
Выключатели и спидометр
Прибор буксирный в сборе
Установка коробки отбора мощности
Установка управления коробкой отбора мощности
Установка лебедки
Тросоукладчик лебедки в сборе
Редуктор лебедки
Кинематическая схема трансмиссии 4326
33
34
35
35
36
36
37
38
39
40
41
42
43
44
45
46
47
48
49
50
51
52
53
54
55
56
57
57
58
59
60
61
62
63
64
65
66
67
68
69
70
71
72
73
74
75
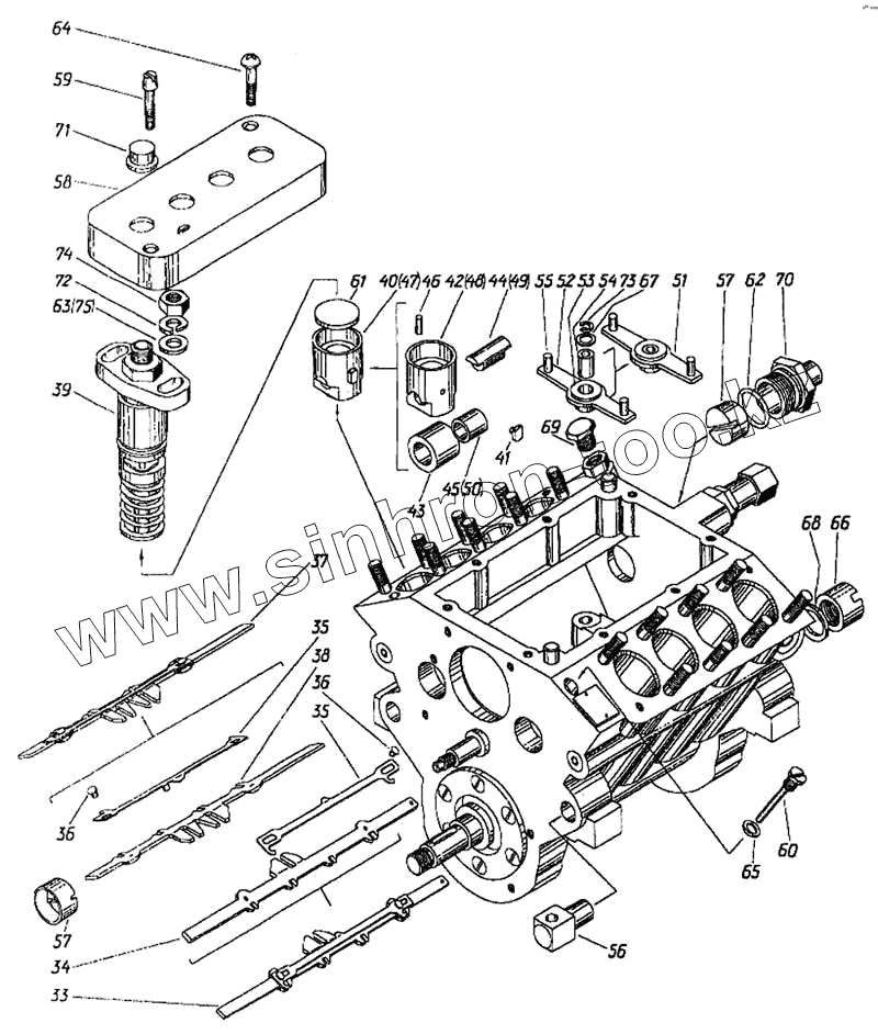
Позиция на иллюстрации
Заводской номер детали
Название детали
33
33.1111027-01
Рейка левая в сборе
34
33.1111039
Рейка левая
35
33.1111044-10
Фиксатор рейки
36
33.1111057-10
Ось рейки
37
331111031-01
Рейка правая в сборе
38
33.1111040
Рейка правая
39
33.1111050-01
Секция ТНВД в сборе
40
33.1111136
Толкатель плунжера в сборе
41
33.1111117-01
Сухарь толкателя
42
33.1111138
Толкатель
43
33.1111140
Ролик
44
33.1111142
Ось ролика
45
33.1111144
Втулка
46
870751-П
Штифт
47
33.1111136-02
Толкатель
48
33.1111138-20
Толкатель
49
33.1111142-20
Ось
50
33.1111144-20
Втулка
51
33.1111400
Рычаг реек в сборе
52
33.1111402
Рычаг реек
53
33.1111404
Втулка
54
33.1111406
Втулка внутренняя
55
33.1111408
Палец рычага реек
56
33.1111028
Палец
57
33.1111042
Втулка рейки
58
33.1111098
Кожух защитный
59
33.1111126
Винт крепления кожуха
60
33.1111418
Винт стопорный
61
33.1111575
Пята толкателя
62
33.1112342
Кольцо уплотнительное
63
320-88727
Шайба плоская 10х18
64
870355-П29
Винт М6-6gх32
65
870455-П
Прокладка 8х12х1
66
870501-П29
Гайка кольцевая
67
870615-П2
Шайба 7
68
870869-П29
Шайба 14 пружинная
69
870885-П29
Пробка М14х1,5
70
870890-П29
Пробка М27х1,5-6g
71
870941-П
Заглушка штуцера
72
1/05168/77
Шайба 10 пружинная
73
1/10877/76
Шайба стопорная 5х11х0,7
74
1/21647/21
Гайка М10х1,25-6Н
75
1/26386/71
Шайба плоская 10х18
Содержащиеся в справочниках-каталогах запасные части и детали не предлагаются к продаже, а носят исключительно информационный характер
Дополнительная информация
×
Название:
Номер:
Примечание: