Вернуться на главную
Поиск
Каталоги запчастей к технике
Грузовые автомобили и прицепы
Камский автозавод
4326
Клапан ускорительный в сборе
Каталог запасных частей к технике: Камский автозавод 4326. Клапан ускорительный в сборе
zoom-in
zoom-out
enlarge
shrink
circle-right
circle-left
file-text2
info
cart
Тип техники
Не выбрано
Легковые автомобили
Грузовые автомобили и прицепы
Автобусы
Сельхозтехника
Спецтехника
Двигатели
Мототехника
Марка
Не выбрано
BAW
DAF
DongFeng
FAW
Foton
HOWO
Hyundai
IVECO
JAC Motors
LGMG
MAN
Shaanxi
SITRAK
Studebaker
Tata
Volvo
Автокомпонент Плюс
БелАЗ
Брянский Арсенал
ГАЗ
ЗИЛ
КАЗ
Камский автозавод
КрАЗ
Мадара
МАЗ
МЗКТ
МоАЗ
Нефтекамский автозавод
Ставропольский Завод АвтоПрицепов
ТАТРА
Тонар
УралАЗ
ЧМЗАП
Модель
Не выбрано
4308 (2004)
4308 (2008)
4308 (Евро 3) (2013)
4308 (Евро 4) (2012)
4308-C4 (2019)
4308-C4 (2019)
4308-H3 (2019)
4308-R4 (2019)
4310
4310
43101
43114
43118 (2002)
43118 (Евро 4) (2012)
43253 (Часть-1) (2011)
43253 (Часть-2) (2011)
43253, 43255 (Евро-4) (2012)
43255 (Евро-2) (2012)
43255 (Евро-3) (2012)
4326 (2001)
4326 (2003г)
43261 (Евро-1, 2) (2007)
4350 (4х4) (2004)
43501 (4х4) (2007)
43502 (Евро 4) (2013)
45141 (2009)
45142 (2009)
45143 (2009)
5308 (Евро 3) (2012)
5308 (Евро 4) (2013)
5315
5320
53212
53228, 65111 (2004)
53229 (Евро 2) (2010)
5350 (6х6) (2004)
53501 (6х6) (2007)
53504 (6х6) (2007)
5360
53605 (Евро-4) (2013)
5410
54112
5460
5460 (2005)
5490 (2016)
55102
5511 (2003)
6350 (8х8) (2004)
63501 (8х8) (2007)
6450 (8х8) (2007)
6460
6460 (Евро 3, 4) (2013)
6460 (Евро 4) (2013)
65111 (2008)
65111 (Евро 4) (2012)
65115 (2001)
65115 (2009)
65115 (Евро-3) (2013)
65115, 65116 (Евро-4) (2010)
65116 (2006)
6520
6520 (Euro-2, 3) (2009)
6520 (Euro-4) (2012)
6520 (Euro-4) (2016)
65201 (2007)
65201 Евро 2-3 (2016)
6522 (2005)
6522 (Euro-2, 3) (2009)
6522 (Евро-4) (2016)
65226 (2009)
65226 (2013)
6540
KNORR-BREMSE применяемых на технике Камского автозавода
Общий (5320, 53212, 5410, 54112, 5511, 55102)
Самосв. установка 6520 (2011)
Схема
>
Не выбрано
Установка кронштейнов и механизма уравновешивания кабины
Подвеска задняя кабины
Установка механизма опрокидывания кабины и запасного колеса
Стеклоочиститель и его привод. Насос водяной очистки стекла
Сиденье водителя
Сиденья водителя и пассажира
Дверь
Дверь
Стеклоподъемник двери
Замок роторного типа
Элементы отопления и вентиляции кабины
Зеркала
Панель облицовочная
Крыло, брызговик и подножка
Двигатель
Силовой агрегат
Установка силового агрегата
Комплекты для запасных частей
Комплекты для запасных частей
Комплекты для запасных частей
Комплекты для запасных частей
Комплекты для запасных частей
Установка картера маховика
Блок цилиндров
Картер масляный в сборе
Газораспределительный механизм
Головка цилиндра
Поршень с шатуном и кольцами в сборе
Комплекты запасных частей
Вал коленчатый
Комплект запасных частей
Вал коленчатый
Маховик
Вал распределительный
Газораспределительный механизм
Насос масляный
Фильтр грубой очистки масла
Фильтр центробежный очистки масла
Радиатор масляный в сборе
Кран масляной системы в сборе
Вентиляция картера двигателя
Привод распределительного вала и топливного насоса
Газопровод
Установка и привод ТНВД
Бак топливный
Фильтр грубой очистки в сборе
Фильтр тонкой очистки топлива
Привод акселератора
Установка топливного бака, фильтра грубой очистки топлива и топливопроводов
Привод акселератора
Система питания двигателя
Система питания двигателя
Топливный насос низкого давления
Регулятор частоты вращения
Крышка регулятора верхняя
Державка грузов регулятора. Рычаги с корректорами
Топливный насос высокого давления
Корпус в сборе топливного насоса
Корпус в сборе топливного насоса
Секция ТНВД
Форсунка
Муфта опережения впрыскивания
Установка электромагнитного клапана
Система питания воздухом
Фильтр воздушный в сборе
Система питания воздухом
Трубопроводы впускные
Установка турбокомпрессора ТКР-7Н-1
Турбокомпрессор ТКР-7Н, левый
Система выпуска газа
Установка радиатора и уплотнителей радиатора
Установка жалюзи радиатора
Трубы и шланги
Трубы водяные
Насос водяной в сборе
Установка расширительного бачка
Гидромуфта привода вентилятора
Выключатель годромуфты
Сцепление
Привод управления сцеплением
Усилитель привода управления сцеплением
Коробка передач (комплект для запасных частей)
Картер коробки передач
Валы и шестерни коробки передач
Механизм переключения передач
Привод управления механизмом переключения передач
Привод управления механизмом переключения передач
Опора рычага переключения передач
Подвеска коробки раздаточной
Коробка раздаточная с коробкой отбора мощности
Вал первичный раздаточной коробки
Вал промежуточный раздаточной коробки
Дифференциал коробки раздаточной
Картер привода переднего моста
Механизм выключения низшей передачи раздаточной коробки
Механизм выключения высшей передачи раздаточной коробки
Привод управления раздаточной коробки
Установка валов карданных
Вал карданный основной с карданами в сборе
Вал карданный переднего моста с карданами в сборе
Вал карданный заднего моста с карданами в сборе
Мост передний
Передача главная моста переднего
Дифференциал моста переднего
Кулак поворотный правый моста переднего
Кулак поворотный левый моста переднего
Мост задний в сборе
Картер моста заднего
Передача главная моста заднего
Дифференциал и полуоси моста заднего
Вилка блокировки
Привод блокировки МКД
Механизм блокировки МКД
Рама в сборе 4326
Буфер передний и буфер задний
Установка передней подвески
Установка задней подвески
Рессора задняя
Колеса и ступицы колес
Шина
Ступица
Держатель запасного колеса 4326
Привод воздуха к шинам
Механизм управления рулевого в сборе
Редуктор угловой в сборе
Колесо рулевое, вал карданный и колонка
Насос гидроусилителя руля левого вращения
Трубопроводы и радиатор масляный гидроусилителя руля
Тяги рулевые
Тормоза рабочие передние
Тормоза рабочие задние
Трубопроводы пневмо-привода тормозных систем
Трубопроводы пневмо-привода тормозных систем
Патрубок со шлангом
Компрессор пневмотормозов
Установка компрессора
Водоотделитель пневмо-тормозов тормозной системы
Регулятор давления пневмотормозов
Ресиверы пневмотормозов
Кран тормозной двухсекционный
Кран тормозной двухсекционный с педалью
Клапан защитный четырехконтурный
Клапан контрольного вывода
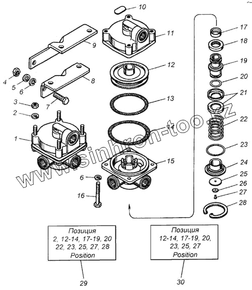
Клапан ускорительный в сборе
Камера тормозная в сборе
Камера тормозная с пружинным энергоаккумулятором типа 24/24 в сборе
Кран разобщительный в сборе
Головки соединительные типа: "А", "Палм"
Клапан управления тормозами прицепа с двухпроводным приводом в сборе
Клапан управления тормозами прицепа с однопроводным приводом в сборе
Кран тормозной обратного действия с ручным управлением в сборе
Кран аварийного растормаживания в сборе
Клапан двухмагистральный в сборе
Цилиндр вспомогательного тормоза пневматический
Цилиндр выключения подачи топлива пневматический
Регулятор тормозных сил в сборе
Привод тормоза вспомогательного
Генератор
Установка батарей аккумуляторных и выключателя массы
Стартер
Переключатель света комбинированный в сборе
Панель выключателей
Электродвигатели отопителя
Розетка штепсельная прицепа
Розетка штепсельная лампы переносной на раме в сборе
Предохранители электрических цепей и электродвигатель вентилятора
Фары и фонари передние
Фары и фонари передние
Установка приборов освещения на кабине
Установка задних фонарей
Сигналы звуковые низкого и высокого тонов
Прожектор прерыватель указателей поворота и резистор факельноо устройства облегчения пуска
Электропроводка
Панель приборов и выключателей
Выключатели и спидометр
Прибор буксирный в сборе
Установка коробки отбора мощности
Установка управления коробкой отбора мощности
Установка лебедки
Тросоукладчик лебедки в сборе
Редуктор лебедки
Кинематическая схема трансмиссии 4326
1
2
2
3
4
5
6
6
7
8
9
10
11
12
12
12
13
13
13
14
14
14
15
16
17
17
17
18
18
18
19
19
19
20
20
20
21
22
22
23
23
23
24
25
25
25
26
27
27
27
28
28
29
30
Позиция на иллюстрации
Заводской номер детали
Название детали
1
100-3518010
Клапан ускорительный в сборе
2
305890
Шайба 8 пружинная
3
250510
Гайка М8-6Н
4
1/61008/11
Гайка М8х1,25-6Н
5
1/05196/01
Шайба плоская 8х17
6
1/05166/77
Шайба 8 пружинная
7
1/60436/21
Болт М8-6gх25
8
5320-3518019
Кронштейн крепления ускорительного клапана
9
5320-3518019-10
Кронштейн
10
100-3512099
Табличка
11
100-3518040
Корпус верхний
12
100-3518036
Поршень
13
100-3518037
Кольцо
14
100-3518038
Кольцо
15
100-3518020
Корпус нижний в сборе
16
301543
Болт М8-6g
17
100-3518025
Кольцо клапана
18
100-3518026
Кольцо клапана
19
100-3518024
Корпус клапана
20
100-3522063
Кольцо
21
100-3518027
Колпачок
22
100-3518030
Пружина
23
100-3512031
Кольцо
24
100-3518035
Колпачок
25
100-3514046
Клапан
26
100-3514047
Шайба
27
100-3514048
Заклепка
28
489317
Кольцо упорное
29
100-3518009
Комплект запасных частей
30
100-3518009-10
Комплект запасных частей
Содержащиеся в справочниках-каталогах запасные части и детали не предлагаются к продаже, а носят исключительно информационный характер
Дополнительная информация
×
Название:
Номер:
Примечание: