Вернуться на главную
Поиск
Каталоги запчастей к технике
Грузовые автомобили и прицепы
Камский автозавод
43114
Установка коробки раздаточной
Каталог запасных частей к технике: Камский автозавод 43114. Установка коробки раздаточной
zoom-in
zoom-out
enlarge
shrink
circle-right
circle-left
file-text2
info
cart
Тип техники
Не выбрано
Легковые автомобили
Грузовые автомобили и прицепы
Автобусы
Сельхозтехника
Спецтехника
Двигатели
Мототехника
Марка
Не выбрано
BAW
DAF
DongFeng
FAW
Foton
HOWO
Hyundai
IVECO
JAC Motors
LGMG
MAN
Shaanxi
SITRAK
Studebaker
Tata
Volvo
Автокомпонент Плюс
БелАЗ
Брянский Арсенал
ГАЗ
ЗИЛ
КАЗ
Камский автозавод
КрАЗ
Мадара
МАЗ
МЗКТ
МоАЗ
Нефтекамский автозавод
Ставропольский Завод АвтоПрицепов
ТАТРА
Тонар
УралАЗ
ЧМЗАП
Модель
Не выбрано
4308 (2004)
4308 (2008)
4308 (Евро 3) (2013)
4308 (Евро 4) (2012)
4308-C4 (2019)
4308-C4 (2019)
4308-H3 (2019)
4308-R4 (2019)
4310
4310
43101
43114
43118 (2002)
43118 (Евро 4) (2012)
43253 (Часть-1) (2011)
43253 (Часть-2) (2011)
43253, 43255 (Евро-4) (2012)
43255 (Евро-2) (2012)
43255 (Евро-3) (2012)
4326 (2001)
4326 (2003г)
43261 (Евро-1, 2) (2007)
4350 (4х4) (2004)
43501 (4х4) (2007)
43502 (Евро 4) (2013)
45141 (2009)
45142 (2009)
45143 (2009)
5308 (Евро 3) (2012)
5308 (Евро 4) (2013)
5315
5320
53212
53228, 65111 (2004)
53229 (Евро 2) (2010)
5350 (6х6) (2004)
53501 (6х6) (2007)
53504 (6х6) (2007)
5360
53605 (Евро-4) (2013)
5410
54112
5460
5460 (2005)
5490 (2016)
55102
5511 (2003)
6350 (8х8) (2004)
63501 (8х8) (2007)
6450 (8х8) (2007)
6460
6460 (Евро 3, 4) (2013)
6460 (Евро 4) (2013)
65111 (2008)
65111 (Евро 4) (2012)
65115 (2001)
65115 (2009)
65115 (Евро-3) (2013)
65115, 65116 (Евро-4) (2010)
65116 (2006)
6520
6520 (Euro-2, 3) (2009)
6520 (Euro-4) (2012)
6520 (Euro-4) (2016)
65201 (2007)
65201 Евро 2-3 (2016)
6522 (2005)
6522 (Euro-2, 3) (2009)
6522 (Евро-4) (2016)
65226 (2009)
65226 (2013)
6540
KNORR-BREMSE применяемых на технике Камского автозавода
Общий (5320, 53212, 5410, 54112, 5511, 55102)
Самосв. установка 6520 (2011)
Схема
>
Не выбрано
Установка кабины
Кабина с дверями окрашенная
Переднее крепление и механизм уравновешивания кабины
Установка вставных гаек на кабину
Установка цилиндра и трубопроводов опрокидывающего механизма кабины и ДЗК
Установка цилиндра и трубопроводов опрокидывающего механизма кабины
Установка задней подвески кабины
Кронштейн верхний
Рессора кабины
Установка ограничителя подъема кабины
Цилиндр механизма подъёма запасного колеса
Цилиндр МОК
Цилиндр
Насос опрокидывающего механизма кабины
Запор кабины правый
Запор кабины левый
Кронштейн запора кабины правый
Кронштейн запора кабины левый
Установка стеклоочистителя
Стеклоочиститель
Установка омывателя электрического
Установка панели приборов
Панель передка боковая съемная правая
Панель передка боковая съемная левая
Ящик вещевой в сборе
Дверка в сборе
Ограничитель правый
Ограничитель левый
Установка вентиляционного люка крыши
Установка стекол и арматуры двери правая
Установка стекол и арматуры двери правая
Установка стекол и арматуры двери левая
Установка стекол и арматуры двери левая
Стеклоподъемник двери правый
Стеклоподъемник двери левый
Фиксатор замка правый
Фиксатор замка левый
Установка сидений
Сиденье водителя
Механизм подрессоривания
Сиденье пассажирское
Сиденье пассажирское с ящиком
Установка системы отопления
Установка вентилятора кабины
Кран отопления
Привод управления отоплением
Установка ремней безопасности
Установка зеркал заднего вида
Ручка правая
Ручка левая
Пепельница в сборе
Козырек противосолнечный с обивкой правый
Козырек противосолнечный с обивкой левый
Установка штор светозащитных ветрового окна
Установка штор светозащитных окон боковины
Установка штор светозащитных окон задка
Установка световозвращателей на кабине
Установка задних световозвращателей
Установка бокового знака
Установка оперения кабины
Панель облицовочная
Установка задней части переднего крыла правая
Установка задней части переднего крыла левая
Замок облицовочной панели
Установка обтекателей
Платформа
Основание платформы
Каркас основания платформы
Борт №1 боковой правый
Запор бортов
Установка среднего сидения
Скамейка №1 боковая
Скамейка №2 боковая
Спинка сиденья средняя
Установка каркаса тента
Агрегат силовой КАМАЗ-7403.10
Агрегат силовой КамАЗ-7403.10
Двигатель с оборудованием
Установка силового агрегата
Установка масляных радиаторов
Кронштейн передней опоры силового агрегата
Башмак задней опоры силового агрегата
Блок цилиндров
Блок цилиндров
Крышка блока передняя
Установка картера маховика
Картер маховика
Газораспределительный механизм
Головка цилиндра
Головка цилиндра
Поршень с шатуном и кольцами
Шатун
Установка полумуфты отбора мощности
Установка вала коленчатого
Вал коленчатый
Шестерня
Установка маховика и фиксатора
Маховик
Фиксатор маховика
Вал распределительный
Корпус подшипника
Стойка коромысел
Коромысло клапана
Установка газопровода
Установка картера масляного
Трубка направляющая указателя уровня масла с кольцом
Указатель уровня масла с уплотнителем
Установка насоса масляного
Насос масляный с шестерней
Трубка всасывающая масляного насоса
Фильтр очистки масла
Кран
Игла запорная крана
Пробка крана
Установка трубки вентиляции картера
Установка системы вентиляции
Труба сапуна с втулкой
Угольник сапуна
Фильтр центробежный масляный
Установка электромагнитного клапана и штифтовых запальных свечей на двигатель
Корпус переднего подшипника
Полумуфта ведущая привода топливного насоса
Фланец ведущей полумуфты
Установка предпускового подогревателя ПЖД-30
Установка агрегата насосного
Насос топливный предпускового подогревателя
Нагнетатель насосного агрегата
Котел подогревателя
Крепление котла подогревателя
Крепление топливного бачка подогревателя
Установка топливных баков, ФГОТ и топливопроводов
Бак топливный
Трубка слива в бак с краном
Труба наливная топливного бака с выдвижной трубой
Пробка топливного бака в сборе
Установка топливопроводов
Установка топливопроводов
Трубка приемная с фильтром
Фильтр грубой очистки топлива
Привод управления регулятором
Установка управления подачи топлива
Кронштейн вала привода управления регулятором
Толкатель
Тяга привода управления регулятором
Наконечник тяги
Наконечник
Установка воздушного фильтра
Воздухозаборник
Тройник
Фильтр воздушный
Установка насоса топливного высокого давления
Система питания двигателя
Топливный насос низкого давления
Регулятор частоты вращения
Крышка регулятора верхняя
Державка грузов регулятора
Рычаги с корректорами
Насос топливный высокого давления
Корпус в сборе топливного насоса
Корпус в сборе топливного насоса
Секция топливного насоса
Муфта опережения впрыскивания
Установка форсунок
Форсунка
Установка системы впуска (применяется с установкой ТКР 7403.1118000-12)
Фильтр топливный
Крышка
Пружина
Установка турбокомпрессоров на двигателе
Установка глушителя выхлопа
Установка радиатора
Установка уплотнителей радиатора
Установка кожуха радиатора
Установка водяного насоса, водяных труб и включателя гидромуфты
Коробка водяная
Насос водяной
Установка жалюзи радиатора
Жалюзи радиатора
Тяга управления жалюзи радиатора
Установка расширительного бачка
Установка гидромуфты
Гидромуфта привода вентилятора с передней крышкой
Колесо ведущее с ведущим валом
Вал ведущий
Колесо ведомое с ведомым валом
Корпус подшипника
Шкив привода генератора с манжетой
Включатель гидромуфты
Клапан термосиловой
Установка педали и привода выключения сцепления
Сцепление
Установка вентиляционных трубок
Картер сцепления
Картер сцепления
Рычаг оттяжной с вилкой и пружиной
Диск нажимной сцепления с кожухом
Диск ведущий средний
Педаль сцепления с кронштейном и главным цилиндром
Педаль сцепления
Главный цилиндр управления
Усилитель пневмогидравлический
Корпус пневмогидравлического усилителя задний
Поршень следящий с корпусом
Поршень выключения сцепления
Уплотнение поршня выключения сцепления
Клапан пневмогидравлического усилителя
Поршень пневматический
Коробка передач с картером сцепления
Картер коробки передач
Вал первичный коробки передач
Вал первичный коробки передач с втулкой
Крышка подшипника первичного вала
Крышка подшипника первичного вала
Вал промежуточный
Вал вторичный коробки передач
Крышка заднего подшипника вторичного вала
Механизм переключения передач
Механизм переключения передач
Крышка коробки передач верхняя
Вилка переключения второй и третьей передач
Вилка переключения четвертой и пятой передач
Опора рычага переключения передач
Привод управления механизмом переключения передач
Опора рычага переключения передач
Опора рычага переключения передач
Диск нажимной тормоза рычага
Кронштейн рычага переключения передач
Кронштейн опоры промежуточной тяги
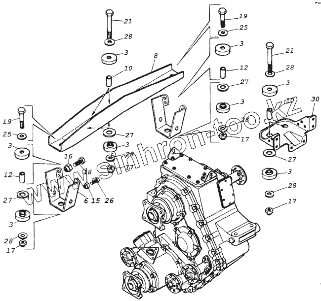
Установка коробки раздаточной
Установка управления раздаточной коробкой
Установка управления раздаточной коробкой
Коробка раздаточная
Установка сменных шестерен привода спидометра
Вал первичный раздаточной коробки
Крышка переднего подшипника первичного вала
Вал промежуточный раздаточной коробки
Дифференциал раздаточной коробки
Обойма дифференциала раздаточной коробки с сателлитами
Обойма дифференциала раздаточной коробки
Ступица шестерни низшей передачи с втулкой
Шестерня низшей передачи
Крышка заднего подшипника привода заднего моста
Картер привода переднего моста
Картер привода переднего моста
Картер привода переднего моста
Механизм включения низшей передачи
Механизм включения высшей передачи
Шток включения низшей передачи
Шток включения высшей передачи
Кран управления раздаточной коробки
Установка карданных валов
Вал карданный заднего моста с карданами
Крестовина карданного вала
Вал карданный основной
Вал карданный переднего моста с карданами
Вал карданный среднего моста
Крестовина карданного вала
Мост передний
Мост передний
Мост передний
Мост передний
Передача главная переднего моста
Вал ведущий переднего моста
Крышка стакана подшипников
Дифференциал переднего моста
Опора шаровая поворотного кулака
Корпус поворотного кулака правый
Корпус поворотного кулака левый
Цапфа с втулкой правая
Цапфа с втулкой левая
Цапфа поворотного кулака правая
Цапфа поворотного кулака левая
Кольцо упорное
Мост задний
Мост задний
Картер заднего моста с механизмом блокировки
Цапфа правая
Цапфа левая
Передача главная заднего моста
Вал ведущий
Стакан подшипников
Крышка стакана подшипников
Шестерни ведомая коническая и ведущая цилиндрическая
Стакан подшипников
Дифференциал заднего моста
Сателлит с втулкой
Вилка блокировки в сборе
Привод межколесной блокировки
Мост средний
Мост средний
Картер среднего моста
Передача главная среднего моста
Крышка подшипника
Установка переднего буфера
Буфер передний
Установка заднего буфера
Вилка буксирная
Установка буксирного прибора
Крюк буксирного прибора
Корпус буксирного прибора с крышкой
Установка передней подвески
Установка задней подвески
Рессора передняя
Ушко с втулкой и манжетами
Ушко с втулкой
Амортизатор передней подвески
Рессора задняя
Кронштейн балансира с осью
Башмак рессоры с втулками и сальником
Башмак рессоры с втулками
Штанга реактивная
Установка колес
Колесо с шиной правое
Ступица колеса с барабаном тормоза
Держатель запасного колеса
Установка крана управления
Кран управления
Золотник
Головка подвода воздуха
Штуцер головки подвода воздуха
Кран запора воздуха
Установка системы накачки шин
Установка системы накачки шин
Установка рулевого механизма
Установка колонки рулевого управления
Установка трубопроводов рулевого управления
Механизм рулевой
Вал сошки с крышкой
Редуктор угловой
Насос рулевого усилителя (Вариант замены 4310-3407200-01)
Насос гидроусилителя руля
Фильтр насоса гидроусилителя руля
Тяга сошки
Тяга рулевой трапеции
Наконечник тяги рулевой трапеции правый
Наконечник тяги рулевой трапеции левый
Вал карданный рулевого управления
Клапан управления гидроусилителем руля
Корпус клапана управления гидроусилителем руля
Клапан обратный
Установка пневмотормозов
Установка пневмотормозов
Установка блока подготовки воздуха
Установка воздушных ресиверов
Установка тормозного крана
Установка четырехконтурного защитного клапана
Установка ускорительных клапанов
Установка клапана управления тормозами прицепа
Установка клапана двухмагистрального
Установка вспомогательного тормоза
Суппорт переднего тормоза
Колодка тормоза с накладками
Колодка тормоза с накладками
Колодка тормоза с накладками
Колодка тормоза
Рычаг регулировочный переднего тормоза
Тормоз задний правый
Суппорт заднего тормоза
Рычаг регулировочный правый
Рычаг регулировочный левый
Установка компрессора
Компрессор
Картер в сборе
Головка цилиндра с крышкой
Крышка задняя в сборе
Поршень в сборе
Кран слива конденсата
Кран тормозной двухсекционный с педалью
Кран тормозной двухсекционный
Клапан контрольного вывода
Клапан контрольного вывода
Клапан защитный четырехконтурный
Кран экстренного растормаживания
Кран экстренного растормаживания (Вариант замены 53205-3515510)
Камера тормозная с пружинным энергоаккумулятором тип 24/24
Камера тормозная тип 24
Кран разобщительный
Головка соединительная типа "А"
Клапан управления тормозами прицепа с однопроводным приводом
Кран пневматический
Корпус вспомогательного тормоза с заслонкой
Цилиндр
Электрооборудование. Расположение на автомобиле
Установка выключателя сигнала к водителю
Установка плафона освещения платформы
Генератор с пальцем
Установка аккумуляторных батарей
Установка фары
Установка фонарей передних
Установка плафонов
Установка плафона освещения вещевого ящика
Установка подкапотной лампы
Установка задних фонарей
Установка фонаря заднего хода
Установка фонаря подкузовной подсветки
Установка звуковых электрических сигналов
Установка предохранителей
Установка розетки внешнего запуска
Установка розетки переносной лампы
Установка розеток прицепа
Установка розетки переносной лампы
Установка розетки командира
Установка проводов на шасси
Установка проводов на шасси
Установка проводов на кабине
Установка проводов на кабине
Установка проводов на кабине
Установка бокового повторителя указателей поворота
Установка прерывателя указателей поворота
Установка прожектора
Установка малогабаритного выключателя массы
Установка фонарей автопоезда
Установка реле блокировки стартера
Установка противотуманных фар
Установка реле
Установка выключателя приборов и стартера
Установка подрулевого переключателя
Панель выключателей
Щиток приборов
Установка индикатора ИЗВ-700
Установка трубопроводов к шинному манометру
Установка трубопроводов к манометру
Установка датчиков аварийного давления воздуха
Установка фильтров радиопомех
3
3
3
3
3
3
3
3
6
8
10
10
12
12
15
16
17
17
17
17
18
19
19
21
21
25
25
26
27
27
27
27
28
28
28
28
28
28
30
Позиция на иллюстрации
Заводской номер детали
Название детали
43114-1800008
43114-1800008
Установка коробки раздаточной
3
4310-1801028
Подушка подвески раздаточной коробки в сборе
6
4310-1801012
Кронштейн подвески раздаточной коробки правый
8
4310-1801023
Балка подвески раздаточной коробки
10
4310-1801040
Втулка
12
4310-1801042
Втулка распорная
15
251646
Гайка М10х1,25-6Н ОСТ 37.001.197-75
16
251648
Гайка М14х1,5-6Н ОСТ 37.001.197-75
17
251649
Гайка М16х1,5-6Н ОСТ 37.001.197-97
18
1/14083/21
Болт М14х1,5-6gх35
19
1/12541/21
Болт М16х1,5-6gх80
21
1/59818/31
Болт М16х1,5-6gх120
25
1/05202/01
Шайба плоская 16,8х28х3
26
870012
Болт М10х1,25-6gх30
27
862516
Шайба плоская 30х55
28
862517
Шайба
30
4310-1801022
Кронштейн подвески раздаточной коробки левый
Содержащиеся в справочниках-каталогах запасные части и детали не предлагаются к продаже, а носят исключительно информационный характер
Дополнительная информация
×
Название:
Номер:
Примечание: