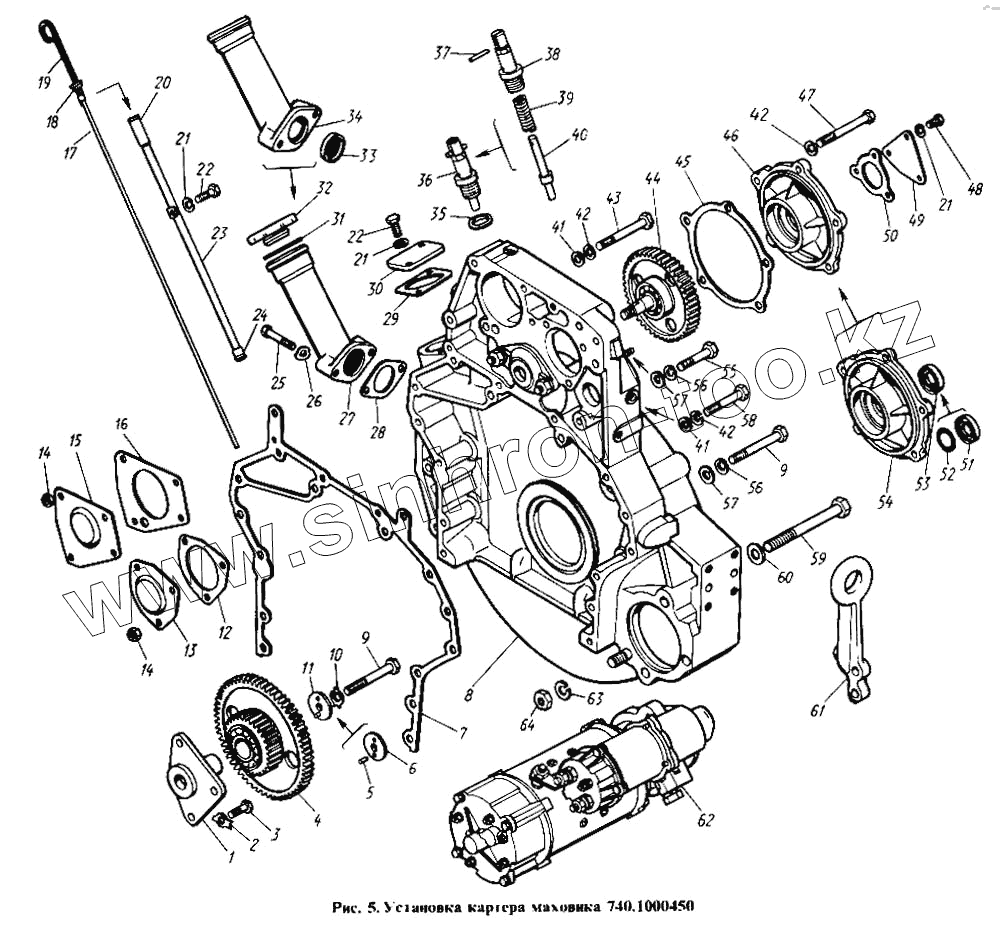
Каталог запасных частей к технике: Камский автозавод 4310. Установка картера маховика
1
2
3
4
5
6
7
8
9
9
10
11
12
13
14
14
15
16
17
18
19
20
21
21
21
22
22
23
24
25
26
27
28
29
30
31
32
33
34
35
36
37
38
39
40
41
41
42
42
42
43
44
45
46
47
48
49
50
51
52
53
54
55
56
56
57
57
58
59
60
61
62
63
64
| Позиция на иллюстрации | Заводской номер детали | Название детали | |
|---|---|---|---|
| 1 | 740.1029128 | Ось ведущей шестерни распределительного вала | |
| 2 | 870851 | Шайба замковая 10 | |
| 3 | 1/59707/31 | Болт М10х1,25-6gх25 | |
| 4 | 740.1029114 | Шестерня ведущая в сборе | |
| 5 | 870768 | Штифт цилиндрический 5х13 | |
| 6 | 740.1029142 | Шайба упорная | |
| 7 | 740.1002314-10 | Прокладка картера маховика | |
| 8 | 740.1002310 | Картер маховика в сборе | |
| 9 | 1/55415/31 | Болт М12х1,25-6gх90 | |
| 10 | 870852 | Шайба замковая 12 | |
| 11 | 740.1029140 | Шайба упорная в сборе | |
| 12 | 740.3407032 | Прокладка насоса гидроусилителя руля | |
| 13 | 740.1002522 | Заглушка | |
| 14 | 1/21647/21 | Гайка М10х1,25-6Н | |
| 15 | 740.1002518 | Заглушка | |
| 16 | 740.3509403-10 | Прокладка картера компрессора | |
| 17 | 740.1009050 | Указатель уровня масла с уплотнителем в сборе | |
| 18 | 740.1009055 | Уплотнитель указателя уровня масла | |
| 19 | 740.1009051 | Указатель уровня масла в сборе | |
| 20 | 740.1009048-20 | Трубка указателя уровня в сборе | |
| 21 | 1/05166/73 | Шайба 8 пружинная | |
| 22 | 1/60434/21 | Болт М8-6gх20 | |
| 23 | 740.1009049-20 | Трубка указателя уровня | |
| 24 | 15.1772052 | Кольцо уплотнительное | |
| 25 | 1/60439/21 | Болт М8-6gх35 | |
| 26 | 1/26013/73 | Шайба 8 волнистая | |
| 27 | 740.1009135 | Патрубок маслоналивной в сборе | |
| 28 | 740.1009145-10 | Прокладка маслоналивного патрубка | |
| 29 | 740.1014128 | Прокладка сапуна | |
| 30 | 740.1014126-20 | Фланец | |
| 31 | 5320-1311105 | Прокладка крышки | |
| 32 | 5320-1311103-01 | Пробка наливной горловины | |
| 33 | 740.1009144 | Сетка | |
| 34 | 740.1009138 | Патрубок | |
| 35 | 1/02634/60 | Прокладка 22х28х1,5 | |
| 36 | 740.1005440-10 | Фиксатор маховика в сборе | |
| 37 | 870758 | Штифт 6х36 | |
| 38 | 740.1005444 | Корпус фиксатора | |
| 39 | 740.1005446 | Пружина фиксатора | |
| 40 | 740.1005442-10 | Фиксатор | |
| 41 | 1/26386/01 | Шайба плоская 10,6х18х2 | |
| 42 | 1/05168/73 | Шайба 10 пружинная | |
| 43 | 1/59716/21 | Болт М10х1,25-6gх90 | |
| 44 | 740.1029120 | Шестерня ведомая в сборе | |
| 45 | 740.1029178 | Прокладка корпуса подшипника | |
| 46 | 740.1029175 | Корпус заднего подшипника в сборе | |
| 47 | 1/59718/21 | Болт М10х1,25-6gх100 | |
| 48 | 1/60432/21 | Болт М8-6gх16 | |
| 49 | 14.3802072 | Заглушка | |
| 50 | 740.3813856 | Прокладка датчика | |
| 51 | 740.1029244 | Манжета | |
| 52 | 740.1029242 | Пружина | |
| 53 | 740.1029240 | Манжета в сборе | |
| 54 | 740.1029176 | Корпус заднего подшипника | |
| 55 | 1/55409/21 | Болт М12х1,25-6gх55 | |
| 56 | 1/05170/73 | Шайба 12 пружинная | |
| 57 | 1/05200/01 | Шайба плоская 12х22х3 | |
| 58 | 1/13437/21 | Болт М10х1,25-6gх65 | |
| 59 | 1/59821/21 | Болт М16х1,5-6gх140 | |
| 60 | 1/05202/01 | Шайба плоская 16,8х28х3 | |
| 61 | 740.1002358 | Рым-болт задний | |
| 62 | 740.3708000 | Стартер СТ142Б в сборе | |
| 63 | 1/05172/77 | Шайба 16 пружинная | |
| 64 | 1/21641/11 | Гайка М16х1,5-6Н |
Содержащиеся в справочниках-каталогах запасные части и детали не предлагаются к продаже, а носят исключительно информационный характер