Каталог запасных частей к технике: Камский автозавод 4310. Насос гидроусилителя руля
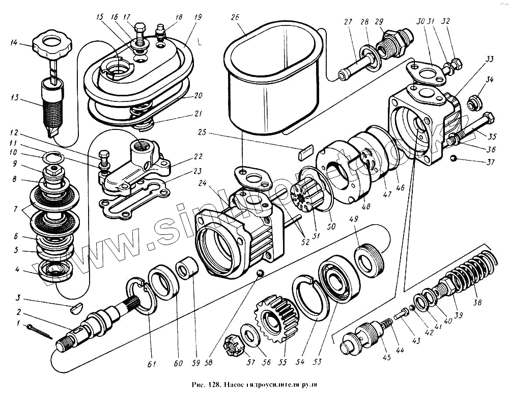
1
2
3
4
5
6
7
8
9
10
11
12
13
14
15
16
17
18
19
20
21
22
23
24
25
26
27
28
29
30
31
32
33
34
35
36
37
38
39
40
41
42
43
44
45
46
47
48
49
50
51
52
53
54
55
56
57
58
59
60
61
| Позиция на иллюстрации | Заводской номер детали | Название детали | |
|---|---|---|---|
| 1/05168/73 | 1/05168/73 | Шайба 10 пружинная | |
| 1/59716/21 | 1/59716/21 | Болт М10х1,25-6gх90 | |
| 1/05166/73 | 1/05166/73 | Шайба 8 пружинная | |
| 1/05166/73 | 1/05166/73 | Шайба 8 пружинная | |
| 1/26386/01 | 1/26386/01 | Шайба плоская 10,6х18х2 | |
| 53212-3407338 | 53212-3407338 | Фильтр насоса в сборе | |
| 5320-3407483 | 5320-3407483 | Указатель уровня масла | |
| 53212-3407340 | 53212-3407340 | Труба фильтра с днищем в сборе | |
| 740.3407116 | 740.3407116 | Трубка низкого давления насоса гидроусилителя руля | |
| 740.3407110 | 740.3407110 | Трубка высокого давления насоса гидроусилителя руля | |
| 870921 | 870921 | Скоба специальная | |
| 864124 | 864124 | Пружина манжеты | |
| 740.3407032 | 740.3407032 | Прокладка насоса гидроусилителя руля | |
| 1/59717/21 | 1/59717/21 | Болт крепления насоса | |
| 1/60434/21 | 1/60434/21 | Болт М8-6gх20 | |
| 1/60438/21 | 1/60438/21 | Болт М8-6gх30 | |
| 53212-3407270 | 53212-3407270 | Клапан перепускной в сборе | |
| 870920 | 870920 | Кляммер 13 | |
| 4310-3407212 | 4310-3407212 | Крышка насоса гидроусилителя руля в сборе | |
| 740.3407034 | 740.3407034 | Прокладка | |
| 5320-3407412 | 5320-3407412 | Пластина | |
| 5320-3407764 | 5320-3407764 | Пластина | |
| 4310-3407200 | 4310-3407200 | Насос гидроусилителя руля в сборе | |
| 4310-3407213 | 4310-3407213 | Крышка насоса | |
| 1 | 1/07970/01 | Шплинт 4х30 | |
| 2 | 5320-3407217 | Валик насоса | |
| 3 | 853803 | Шпонка сегментная 5х7,5х19 | |
| 4 | 5320-3407341 | Днище фильтра | |
| 5 | 5320-3407429 | Манжета уплотнительная фильтра насоса | |
| 6 | 5320-3407765 | Пластина фильтра нижняя | |
| 7 | 5320-3407359 | Элемент фильтрующий насоса в сборе | |
| 8 | 5320-3407763 | Пластина фильтра насоса | |
| 9 | 53212-3407361 | Труба фильтра насоса | |
| 10 | 1/34012/76 | Кольцо 24 стопорное | |
| 11 | 1/05194/01 | Шайба плоская 6х12х1,5 | |
| 12 | 1/09026/21 | Болт | |
| 13 | 5320-3407328 | Фильтр заливной в сборе | |
| 14 | 5320-3407350 | Пробка заливной горловины бачка в сборе | |
| 15 | 864218 | Кольцо уплотнительное | |
| 16 | 1/26470/01 | Шайба плоская 8,45х25х2,5 | |
| 17 | 1/60439/21 | Болт М8-6gх35 | |
| 18 | 864000 | Клапан предохранительный на давление 0,12-0,24 кг/см2 | |
| 19 | 53212-3407400 | Крышка бачка в сборе | |
| 20 | 5320-3407413 | Прокладка уплотнительная крышки бачка | |
| 21 | 5320-3407363 | Пружина фильтра | |
| 22 | 5320-3407435 | Коллектор насоса | |
| 23 | 5320-3407439 | Прокладка коллектора насоса | |
| 24 | 5320-3407211 | Корпус насоса | |
| 25 | 5320-3407251 | Лопасть насоса | |
| 26 | 5320-3407300-01 | Бачок насоса в сборе | |
| 27 | 5320-3407441 | Трубка бачка | |
| 28 | 853634 | Шайба плоская | |
| 29 | 5320-3407322-10 | Штуцер возвратный бачка | |
| 30 | 5320-3407437-01 | Прокладка уплотнительная | |
| 31 | 1/05168/77 | Шайба 10 пружинная | |
| 32 | 853043 | Болт М10х1,25-6gх90 | |
| 33 | 5320-3407213 | Крышка насоса | |
| 34 | 864843 | Седло уплотнительное | |
| 35 | 853041 | Болт М10х1,25-6gх70 | |
| 36 | 1/05168/77 | Шайба 10 пружинная | |
| 37 | 864712 | Шарик Б 4,0-60 | |
| 38 | 5320-3407281 | Пружина перепускного клапана | |
| 39 | 5320-3407277 | Седло предохранительного клапана | |
| 40 | 853646 | Шайба регулировочная, толщиной 0,7 мм | |
| 41 | 853645 | Шайба регулировочная 10,2х14х0,5 | |
| 42 | 864712 | Шарик Б 4,0-60 | |
| 43 | 5320-3407275 | Направляющая пружины | |
| 44 | 5320-3407272 | Пружина предохранительного клапана | |
| 45 | 53212-3407271 | Золотник перепускной | |
| 46 | 864217 | Кольцо уплотнительное | |
| 47 | 5320-3407255 | Диск распределительный | |
| 48 | 5320-3407253 | Статор насоса | |
| 49 | 5320-3407220 | Кольцо маслоотгонное | |
| 50 | 853041 | Болт М10х1,25-6gх70 | |
| 51 | 5320-3407248 | Ротор насоса | |
| 52 | 853757 | Штифт 5х43 | |
| 53 | 864713 | Подшипник 6-305 | |
| 54 | 862806 | Кольцо Б 62 ГОСТ 13943-68 | |
| 55 | 5320-3407240 | Шестерня привода насоса гидроусилителя руля | |
| 56 | 1/35507/01 | Шайба плоская 16х30 | |
| 57 | 853536 | Гайка М16х1,5-6Н | |
| 58 | 864712 | Шарик Б 4,0-60 | |
| 59 | 864714 | Подшипник игольчатый | |
| 60 | 864121 | Манжета 24х46 в сборе | |
| 61 | 740.1308131 | Кольцо Б47 |
Содержащиеся в справочниках-каталогах запасные части и детали не предлагаются к продаже, а носят исключительно информационный характер