Вернуться на главную
Поиск
Каталоги запчастей к технике
Грузовые автомобили и прицепы
Камский автозавод
4310
Кран управления давлением системы накачивания шин
Каталог запасных частей к технике: Камский автозавод 4310. Кран управления давлением системы накачивания шин
zoom-in
zoom-out
enlarge
shrink
circle-right
circle-left
file-text2
info
cart
Тип техники
Не выбрано
Легковые автомобили
Грузовые автомобили и прицепы
Автобусы
Сельхозтехника
Спецтехника
Двигатели
Мототехника
Марка
Не выбрано
BAW
DAF
DongFeng
FAW
Foton
HOWO
Hyundai
IVECO
JAC Motors
LGMG
MAN
Shaanxi
SITRAK
Studebaker
Tata
Volvo
Автокомпонент Плюс
БелАЗ
Брянский Арсенал
ГАЗ
ЗИЛ
КАЗ
Камский автозавод
КрАЗ
Мадара
МАЗ
МЗКТ
МоАЗ
Нефтекамский автозавод
Ставропольский Завод АвтоПрицепов
ТАТРА
Тонар
УралАЗ
ЧМЗАП
Модель
Не выбрано
4308 (2004)
4308 (2008)
4308 (Евро 3) (2013)
4308 (Евро 4) (2012)
4308-C4 (2019)
4308-C4 (2019)
4308-H3 (2019)
4308-R4 (2019)
4310
4310
43101
43114
43118 (2002)
43118 (Евро 4) (2012)
43253 (Часть-1) (2011)
43253 (Часть-2) (2011)
43253, 43255 (Евро-4) (2012)
43255 (Евро-2) (2012)
43255 (Евро-3) (2012)
4326 (2001)
4326 (2003г)
43261 (Евро-1, 2) (2007)
4350 (4х4) (2004)
43501 (4х4) (2007)
43502 (Евро 4) (2013)
45141 (2009)
45142 (2009)
45143 (2009)
5308 (Евро 3) (2012)
5308 (Евро 4) (2013)
5315
5320
53212
53228, 65111 (2004)
53229 (Евро 2) (2010)
5350 (6х6) (2004)
53501 (6х6) (2007)
53504 (6х6) (2007)
5360
53605 (Евро-4) (2013)
5410
54112
5460
5460 (2005)
5490 (2016)
55102
5511 (2003)
6350 (8х8) (2004)
63501 (8х8) (2007)
6450 (8х8) (2007)
6460
6460 (Евро 3, 4) (2013)
6460 (Евро 4) (2013)
65111 (2008)
65111 (Евро 4) (2012)
65115 (2001)
65115 (2009)
65115 (Евро-3) (2013)
65115, 65116 (Евро-4) (2010)
65116 (2006)
6520
6520 (Euro-2, 3) (2009)
6520 (Euro-4) (2012)
6520 (Euro-4) (2016)
65201 (2007)
65201 Евро 2-3 (2016)
6522 (2005)
6522 (Euro-2, 3) (2009)
6522 (Евро-4) (2016)
65226 (2009)
65226 (2013)
6540
KNORR-BREMSE применяемых на технике Камского автозавода
Общий (5320, 53212, 5410, 54112, 5511, 55102)
Самосв. установка 6520 (2011)
Схема
>
Не выбрано
Кабина (сварка)
Установка кронштейнов и механизма уравновешивания кабины
Подвеска задняя кабины
Установка цилиндра и трубопроводов опрокидывающего механизма кабины
Рессора кабины
Установка ограничителя подъема кабины
Цилиндр опрокидывающего механизма кабины
Клапан запорный
Насос опрокидывающего механизма кабины и запасного колеса
Насос опрокидывающего механизма кабины и запасного колеса
Запор кабины правый
Запор кабины левый
Основание кабины (пол)
Стеклоочиститель и его привод
Насос водяной очистки стекла
Передок кабины
Панель приборов в сборе
Монтаж и крепление панели приборов
Ящик вещевой
Дверка вещевого ящика
Боковина кабины левая и правая
Задок кабины
Окно задка
Крыша кабины
Люки крыши
Дверь правая (сварка)
Дверь левая (сварка)
Дверь боковая в сборе: правая и левая
Ручка, замок, привод замка, фиксатор двери
Сиденье водителя
Установка сиденья водителя, подвеска и механизмы регулирования
Установка элементов отопления и вентиляции кабины
Кран сливной
Зеркало наружное заднего вида
Ручка входная левая и правая
Пепельница
Козырек противосолнечный правый и левый
Панель облицовочная
Крыло и брызговик
Замок панели
Платформа в сборе
Основание платформы в сборе
Каркас основания платформы в сборе
Борта платформы
Сиденья платформы
Скамейка платформы средняя в сборе
Установка каркаса тента
Каркас тента платформы
Двигатель с оборудованием (основная комплектация)
Установка масляных радиаторов и маслопроводов
Блок цилиндров, картер масляный и фильтр очистки масла
Установка картера маховика
Газораспределительный механизм
Установка вала коленчатого с маховиком
Установка выпускных коллекторов
Установка насоса масляного
Установка и привод ТНВД
Подвеска силового агрегата
Блок цилиндров
Блок цилиндров
Картер маховика
Головка цилиндра
Поршень с шатуном и кольцами в сборе
Вал коленчатый
Маховик
Насос масляный
Фильтр грубой очистки масла
Радиатор масляный двигателя
Кран масляной системы
Вентиляция картера двигателя
Устройство предпусковое подогревательное(1)
Устройство предпусковое подогревательное(2)
Устройство предпусковое подогревательное(3)
Устройство предпусковое подогревательное(4)
Устройство предпусковое подогревательное(5)
Устройство предпусковое подогревательное(6)
Устройство предпусковое подогревательное(7)
Фильтр центробежный очистки масла
Установка электромагнитного клапана
Шестерня ведущая привода распределительного вала и шестерня ведомая привода топливного насоса
Система питания двигателя
Установка впускных коллекторов
Бак топливный, пробка топливного бака
Трубопроводы топливные
Фильтр грубой очистки топлива
Насос топливный низкою давления (ТННД)
Акселератор
Установка воздухоочистителя
Фильтр воздушный
Крышка регулятора верхняя
Державка грузов регулятора, муфта грузов регулятора и рычаги с корректорами регулятора
Насос топливный высокого давления (ТНВД)
Насос топливный высокого давления
Регулятор частоты вращения
Корпус ТНВД в сборе
Корпус ТНВД
Секция ТНВД
Форсунка
Фильтр тонкой очистки топлива
Муфта опережения впрыскивания топлива
Глушитель выхлопа
Система охлаждения двигателя
Радиатор и трубопроводы
Подвеска радиатора
Бачок расширительный и трубопроводы
Кран сливной
Установка уплотнителей радиатора
Хомут
Труба водяная правая и левая
Коробка водяная
Пробка радиатора
Насос водяной
Крыльчатка вентилятора
Управление жалюзи радиатора
Жалюзи радиатора
Бачок расширительный
Гидромуфта привода вентилятора с передней крышкой
Включатель гидромуфты привода вентилятора
Сцепление
Привод управления сцеплением
Усилитель пневмогидравлический привода сцепления (ПГУ)
Коробка передач в сборе
Коробка передач
Валы и шестерни коробки передач
Механизм переключения передач
Привод управления механизмом переключения передач
Привод управления механизмом переключения передач
Опора с рычагом переключения передач
Опора рычага переключения передач
Подвеска раздаточной коробки
Коробка раздаточная с коробкой отбора мощности в сборе
Вал первичный раздаточной коробки
Вал промежуточный раздаточной коробки
Дифференциал раздаточной коробки
Картер привода переднего моста
Механизм включения низшей передачи раздаточной коробки
Механизм включения высшей передачи раздаточной коробки
Вал карданный заднего моста с карданами в сборе
Вал карданный основной с карданами в сборе
Вал карданный переднего моста карданами в сборе
Вал карданный среднего моста с карданами в сборе
Мост передний в сборе
Главная передача переднего моста
Дифференциал и полуоси переднего моста
Кулак поворотный переднего моста правый
Кулак поворотный переднего моста левый
Мост задний в сборе
Картер заднего моста
Передача главная заднего моста
Дифференциал и полуоси заднего моста
Мост промежуточный в сборе
Картер промежуточного моста
Главная передача промежуточного моста
Рама в сборе
Буфер передний и буфер задний
Установка передней подвески
Амортизатор передней подвески с пальцами в сборе
Установка задней подвески (в сборе)
Установка задней подвески
Рессора задняя
Кронштейн балансира с осью
Башмак рессоры с втулками и сальником
Штанга реактивная с пальцами
Колеса, ступицы колес
Установка держателя запасного колеса
Держатель запасного колеса
Шины в сборе
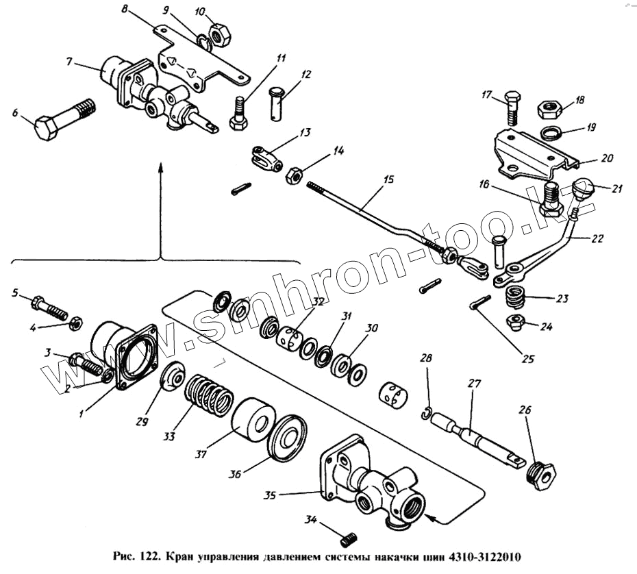
Кран управления давлением системы накачивания шин
Подвод воздуха к шинам
Трубопроводы системы накачивания шин
Управление рулевое в сборе
Редуктор угловой в сборе
Колесо рулевое, крепление рулевого управления
Насос гидроусилителя руля
Радиатор масляный рулевого управления и трубопроводы
Тяги рулевые
Клапан управления гидроусилителем руля
Тормоза рабочие передние
Тормоза рабочие задние
Педаль тормозная и привод
Компрессор пневмотормозов
Патрубок со шлангом
Водоотделитель пневмопривода тормозной системы
Регулятор давления пневмотормозов
Ресиверы пневмотормозов
Кран тормозной двухсекционный
Клапан защитный тройной
Клапан защитный одинарный
Клапан контрольного вывода
Клапан ускорительный
Камера тормозная (тип 24)
Камера тормозная с пружинным энергоаккумулятором (тип 20/20)
Кран разобщительный в сборе
Головка соединительная типа "Палм"
Клапан и управление тормозами прицепа с двухпроводным приводом
Клапаны управления тормозами прицепа с однопроводным приводом в сборе
Кран тормозной с ручным управлением в сборе
Краны аварийного растормаживания стояночного тормоз
Клапан двухмагистральный перепускной
Установка и привод тормоза вспомогательного
Цилиндр вспомогательного тормоза пневматический
Цилиндр выключения подачи топлива пневматический
Генератор
Кронштейн крепления генератора
Установка аккумуляторных батарей и выключателя массы
Стартер
Переключатель комбинированный в сборе
Панель выключателей
Электрооборудование
Фары, фонари передние
Установка приборов освещения на кабине
Установка задних фонарей
Электрический и пневматический звуковые сигналы, электропневмоклапан
Прожектор, прерыватель указателей поворота
Электрооборудование подогревателя
Щиток приборов
Устройство тягово-сцепное. Подгруппа 2707
Установка коробки отбора мощности
Коробка отбора мощности
Камера включения коробки отбора мощности в сборе
Установка лебедки
Редуктор лебедки
Тросоукладчик лебедки, барабан троса и поперечина
Ролик опорный малый в сборе
Ролики, направляющие, трос лебедки в сборе
Ролик опорный троса лебедки
Ролики троса лебедки передние в сборе
Валы карданные лебедки
Тросоукладчик лебедки в сборе
Инструмент водителя и принадлежности
Бачки, банки, канистры
Как пользоваться каталогом
Техническая характеристика
Автомобиль в сборе
1
2
3
4
5
6
7
8
9
10
11
12
13
14
15
16
17
18
19
20
21
22
23
24
25
26
27
28
29
30
31
32
33
34
35
36
37
Позиция на иллюстрации
Заводской номер детали
Название детали
4310-3122034
4310-3122034
Золотник крана в сборе
1
4310-3122060
Крышка клапана
2
1/11954/70
Шайба 5 пружинная
3
1/32742/01
Винт М5-6gх16
4
1/58962/11
Гайка ЕМ6-6Н
5
853065
Болт М6-6gх30
6
1/60440/21
Болт М8-6gх40
7
4310-3122010
Кран управления давлением в сборе
8
4310-3122025
Кронштейн крана
9
1/05166/77
Шайба 8 пружинная
10
1/61008/11
Гайка М8х1,25-6Н
11
1/09022/21
Болт ТЕМ6-6gх16
12
260012
Палец 6х20
13
509501
Вилка
14
1/58962/11
Гайка ЕМ6-6Н
15
4310-3122019
Тяга рычага
16
1/60432/21
Болт М8-6gх16
17
1/55410/21
Болт
18
1/61008/11
Гайка М8х1,25-6Н
19
1/05166/77
Шайба 8 пружинная
20
4310-3122016
Кронштейн рычага
21
4310-3727045
Рукоятка прожектора в сборе
22
4310-3122015
Рычаг крана
23
4310-3122017
Пружина
24
251647
Гайка М12х1,25-6Н ОСТ 37.001.197-97
25
1/07957/01
Шплинт 1,8х10
26
4310-3122038
Направляющая
27
4310-3122032
Золотник крана
28
862826
Кольцо упорное
29
4310-3122063
Шайба упорная
30
4310-3122035
Сальник
31
4310-3122071
Кольцо распорное
32
4310-3122073-01
Втулка крана
33
4310-3122061
Пружина клапана
34
1/03892/01
Винт М5-6gх8
35
4310-3122031
Корпус крана
36
4310-3122080
Диафрагма клапана
37
4310-3122059
Стакан направляющий
Содержащиеся в справочниках-каталогах запасные части и детали не предлагаются к продаже, а носят исключительно информационный характер
Дополнительная информация
×
Название:
Номер:
Примечание: