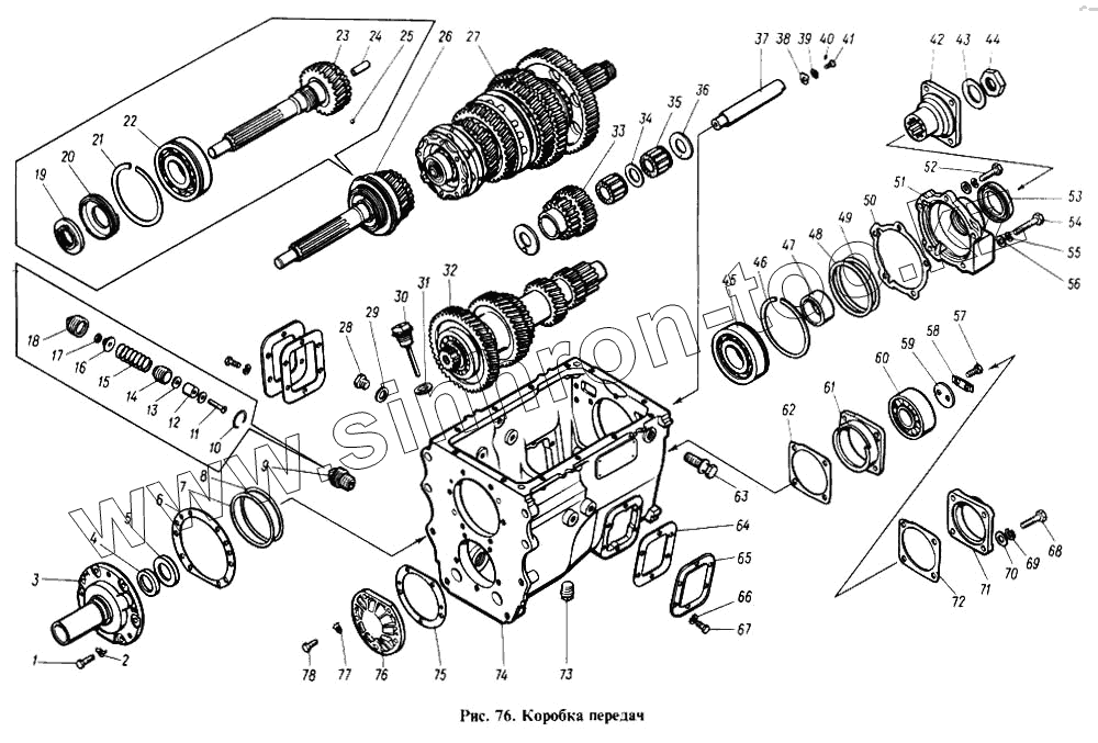
Каталог запасных частей к технике: Камский автозавод 4310. Коробка передач
1
2
3
4
5
6
7
8
9
10
11
12
13
14
15
16
17
18
19
20
21
22
23
24
25
26
27
28
29
30
31
32
33
34
35
36
37
38
39
40
41
42
43
44
45
46
47
48
49
50
51
52
53
54
55
56
57
58
59
60
61
62
63
64
65
66
67
68
69
70
71
72
73
74
75
76
77
78
| Позиция на иллюстрации | Заводской номер детали | Название детали | |
|---|---|---|---|
| 1/43290/07 | 1/43290/07 | Заглушка чашечная | |
| 1/59705/21 | 1/59705/21 | Болт М10х1,25-6gх20 | |
| 870754 | 870754 | Штифт-заглушка | |
| 14.1701088 | 14.1701088 | Штифт упорной шайбы | |
| 14.1701087 | 14.1701087 | Шайба упорная блока зубчатых колес | |
| 14.1701444 | 14.1701444 | Стержень указателя уровня масла | |
| 864179 | 864179 | Пружина манжеты | |
| 14.1701346 | 14.1701346 | Пружина манжеты | |
| 14.1701245 | 14.1701245 | Пружина | |
| 14.1701245 | 14.1701245 | Пружина | |
| 14.1701442 | 14.1701442 | Пробка резьбовая указателя уровня масла | |
| 870884 | 870884 | Пробка КГ 1/8" масляного канала | |
| 864181 | 864181 | Манжета в сборе | |
| 864709 | 864709 | Подшипник шариковый | |
| 14.1701010 | 14.1701010 | Картер коробки передач в сборе | |
| 141.1701201-10 | 141.1701201-10 | Крышка заднего подшипника вторичного вала с манжетой в сборе | |
| 14.1701039 | 14.1701039 | Крышка подшипника первичного вала в сборе | |
| 14.1701308 | 14.1701308 | Магнит с основанием в сборе | |
| 14.1701342 | 14.1701342 | Манжета | |
| 14.1701233-01 | 14.1701233-01 | Манжета | |
| 14.1701244-01 | 14.1701244-01 | Манжета | |
| 14.1701340 | 14.1701340 | Манжета в сборе | |
| 1 | 1/13069/21 | Болт М10х1,25-6gх30 | |
| 2 | 870851 | Шайба замковая 10 | |
| 3 | 14.1701040 | Крышка подшипника | |
| 4 | 14.1701230-01 | Манжета с пружиной в сборе | |
| 5 | 14.1701238-01 | Манжета с пружиной в сборе | |
| 6 | 14.1701042 | Прокладка крышки первичного вала | |
| 7 | 14.1701035 | Прокладка регулировочная | |
| 8 | 14.1701036 | Прокладка регулировочная | |
| 9 | 14.1701306 | Пробка сливная с магнитом в сборе | |
| 10 | 14.1701315 | Кольцо запорное магнита | |
| 11 | 1/03776/03 | Винт крепления магнита | |
| 12 | 14.1701310 | Магнит | |
| 13 | 870637 | Шайба магнита | |
| 14 | 14.1701313 | Кожух магнита | |
| 15 | 14.1701314 | Кольцо пружинное магнита | |
| 16 | 14.1701312 | Основание магнита | |
| 17 | 1/58962/11 | Гайка ЕМ6-6Н | |
| 18 | 14.1701316 | Пробка сливная | |
| 19 | 870512 | Гайка специальная М52х2-Л-6Н | |
| 20 | 14.1701096 | Кольцо маслонагнетающее | |
| 21 | 14.1701034 | Кольцо стопорное | |
| 22 | 15.1701032 | Подшипник шариковый первичного вала задний | |
| 23 | 14.1701030 | Вал первичный коробки передач | |
| 24 | 14.1701043 | Втулка маслопропускная первичного вала | |
| 25 | 864711 | Шарик-фиксатор БV7.938 мм | |
| 26 | 14.1701025 | Вал первичный коробки передач в сборе | |
| 27 | 14.1701100 | Вал вторичный коробки передач в сборе | |
| 28 | 1/55400/23 | Болт М12х1,25-6gх16 | |
| 29 | 1/02826/60 | Прокладка пробки | |
| 30 | 14.1701440 | Указатель уровня масла в коробке передач в сборе | |
| 31 | 870632 | Шайба уплотнительная 30х42х2 | |
| 32 | 14.1701047 | Вал промежуточный коробки передач в сборе | |
| 33 | 14.1701082 | Блок шестерен заднего хода | |
| 34 | 14.1701084 | Втулка промежуточная подшипников блока зубчатых колес | |
| 35 | 14.1701083 | Подшипник роликовый | |
| 36 | 14.1701086 | Шайба упорная блока шестерен заднего хода в сборе | |
| 37 | 14.1701092 | Ось блока шестерен заднего хода | |
| 38 | 870862 | Шайба 11 стопорная | |
| 39 | 1/05168/73 | Шайба 10 пружинная | |
| 40 | 870764 | Штифт 3,6х5 | |
| 41 | 870030 | Болт | |
| 42 | 141.1701240 | Фланец крепления кардана к вторичному валу | |
| 43 | 14.1701243 | Пружина тарельчатая НД 70х40х4х1,5 ГОСТ 3057-90 | |
| 44 | 870510 | Гайка специальная М39х2-6Н | |
| 45 | 14.170032 | Подшипник шариковый вторичного вала задний | |
| 46 | 14.1701034 | Кольцо стопорное | |
| 47 | 141.1701242 | Втулка распорная | |
| 48 | 14.1701035 | Прокладка регулировочная | |
| 49 | 14.1701036 | Прокладка регулировочная | |
| 50 | 14.1701203 | Прокладка крышки подшипника | |
| 51 | 141.1701205 | Крышка подшипника | |
| 52 | 1/55407/21 | Болт М12х1,25-6gх45 | |
| 53 | 864180 | Манжета с пружиной в сборе | |
| 54 | 1/55414/21 | Болт М12х1,25-6gх80 | |
| 55 | 1/05170/73 | Шайба 12 пружинная | |
| 56 | 1/05200/01 | Шайба плоская 12х22х3 | |
| 57 | 1/55404/33 | Болт М12х1,25-6gх30 | |
| 58 | 14.1701076 | Планка стопорная болтов упорной шайбы | |
| 59 | 14.1701060 | Шайба упорная | |
| 60 | 14.1701073 | Подшипник роликовый сферический | |
| 61 | 14.1701078 | Стакан заднего подшипника промежуточного вала | |
| 62 | 14.1701075 | Прокладка крышки заднего подшипника промежуточного вала | |
| 63 | 14.1701350 | Рым-болт | |
| 64 | 14.1701021 | Прокладка крышки люка | |
| 65 | 14.1701020 | Крышка люка привода отбора мощности коробки передач | |
| 66 | 1/05168/73 | Шайба 10 пружинная | |
| 67 | 1/59703/21 | Болт М10х1,25-6gх16 | |
| 68 | 1/55409/21 | Болт М12х1,25-6gх55 | |
| 69 | 1/05170/73 | Шайба 12 пружинная | |
| 70 | 1/05200/01 | Шайба плоская 12х22х3 | |
| 71 | 14.1701074 | Крышка заднего подшипника промежуточного вала | |
| 72 | 14.1701075 | Прокладка крышки заднего подшипника промежуточного вала | |
| 73 | 45 9939 1005 | Пробка сливная | |
| 74 | 14.1701015 | Картер коробки передач | |
| 75 | 14.1701069 | Прокладка | |
| 76 | 14.1701068 | Крышка переднего подшипника промежуточного вала | |
| 77 | 870851 | Шайба замковая 10 | |
| 78 | 1/59707/21 | Болт М10х1,25-6gх25 |
Содержащиеся в справочниках-каталогах запасные части и детали не предлагаются к продаже, а носят исключительно информационный характер