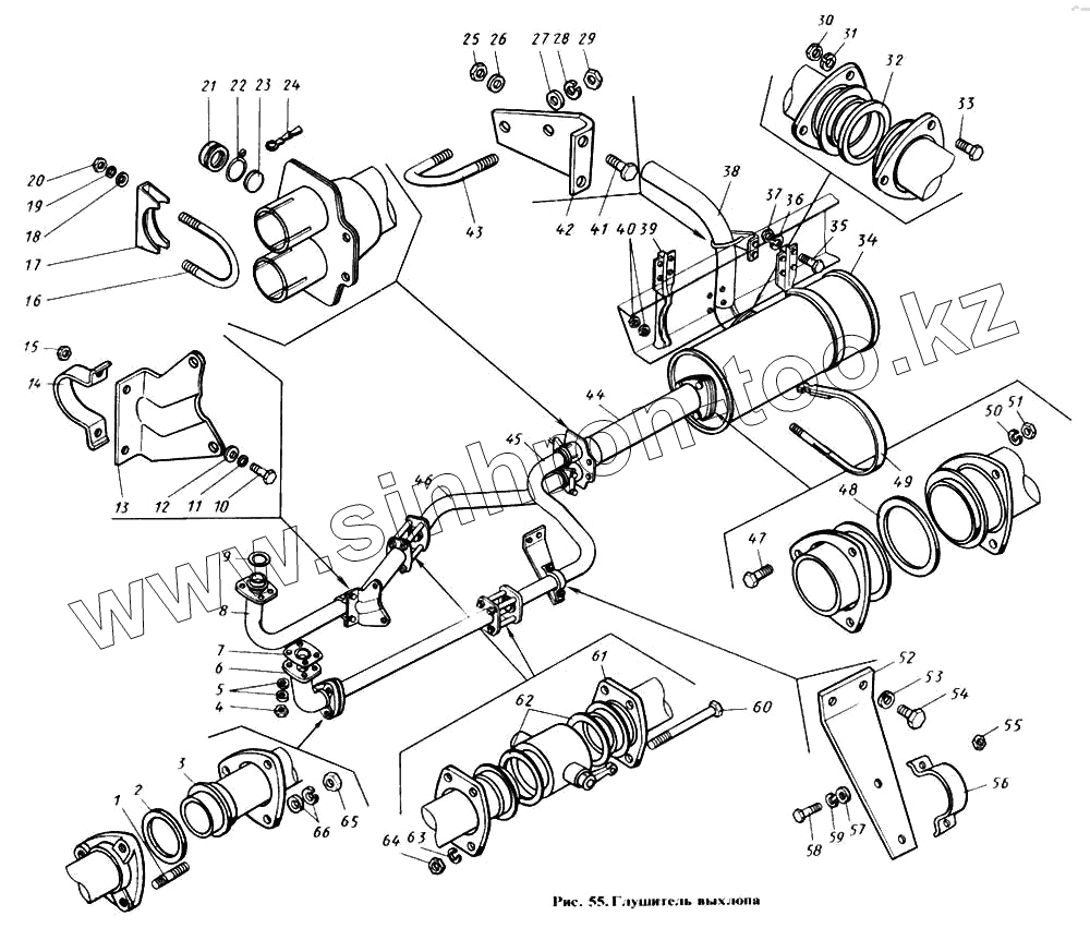
Каталог запасных частей к технике: Камский автозавод 4310. Глушитель выхлопа
1
2
3
4
5
6
7
8
9
10
11
12
13
14
15
16
17
18
19
20
21
22
23
24
25
26
27
28
29
30
31
32
33
34
35
36
37
38
39
40
41
42
43
44
45
46
47
48
49
50
51
52
53
54
55
56
57
58
59
60
61
62
63
64
65
66
| Позиция на иллюстрации | Заводской номер детали | Название детали | |
|---|---|---|---|
| 1/61008/21 | 1/61008/21 | Гайка М8-6Н | |
| 1/21647/40 | 1/21647/40 | Гайка М10х1,25-6Н | |
| 1/05166/77 | 1/05166/77 | Шайба 8 пружинная | |
| 1/05168/77 | 1/05168/77 | Шайба 10 пружинная | |
| 1/05196/01 | 1/05196/01 | Шайба плоская 8х17 | |
| 5320-1203057 | 5320-1203057 | Стремянка хомута | |
| 5320-1203063 | 5320-1203063 | Хомут | |
| 4310-1203168 | 4310-1203168 | Переходник приемной трубы глушителя в сборе | |
| 863420-01 | 863420-01 | Прокладка | |
| 1 | 1/35303/31 | Шпилька | |
| 2 | 863420-01 | Прокладка | |
| 3 | 4310-1203011 | Труба приемная глушителя передняя левая в сборе | |
| 4 | 1/21647/40 | Гайка М10х1,25-6Н | |
| 5 | 1/05168/77 | Шайба 10 пружинная | |
| 6 | 4310-1203169 | Переходник | |
| 7 | 4310-1203020 | Прокладка уплотнительная переходника в сборе | |
| 8 | 4310-1203010 | Труба приемная глушителя передняя правая в сборе | |
| 9 | 863420-01 | Прокладка | |
| 10 | 1/60438/21 | Болт М8-6gх30 | |
| 11 | 1/05166/77 | Шайба 8 пружинная | |
| 12 | 1/05196/01 | Шайба плоская 8х17 | |
| 13 | 4310-1203181 | Кронштейн крепления трубы приемной передней правой | |
| 14 | 5320-1203033 | Хомут трубы приемной передней левой | |
| 15 | 1/61008/11 | Гайка М8х1,25-6Н | |
| 16 | 5320-1203057 | Стремянка хомута | |
| 17 | 5320-1203063 | Хомут | |
| 18 | 1/05196/01 | Шайба плоская 8х17 | |
| 19 | 1/05166/77 | Шайба 8 пружинная | |
| 20 | 1/61008/21 | Гайка М8-6Н | |
| 21 | 5320-1203619 | Заглушка газоотборника | |
| 22 | 5320-1203623 | Петля заглушки | |
| 23 | 5320-1203621 | Прокладка | |
| 24 | 5320-1015160 | Цепь с кольцами в сборе | |
| 25 | 1/21647/11 | Гайка М10х1,25-6Н | |
| 26 | 1/05168/77 | Шайба 10 пружинная | |
| 27 | 1/26386/01 | Шайба плоская 10,6х18х2 | |
| 28 | 1/05168/77 | Шайба 10 пружинная | |
| 29 | 1/21647/11 | Гайка М10х1,25-6Н | |
| 30 | 1/21647/11 | Гайка М10х1,25-6Н | |
| 31 | 1/05168/77 | Шайба 10 пружинная | |
| 32 | 5511-1203023 | Прокладка | |
| 33 | 1/59709/21 | Болт М10х1,25-6gх35 | |
| 34 | 4310-1201010 | Глушитель в сборе | |
| 35 | 1/59707/21 | Болт М10х1,25-6gх25 | |
| 36 | 1/05168/77 | Шайба 10 пружинная | |
| 37 | 1/21647/11 | Гайка М10х1,25-6Н | |
| 38 | 43105-1203048 | Труба выпускная глушителя выхлопа в сборе | |
| 39 | 5320-1203041 | Кронштейн крепления глушителя к раме | |
| 40 | 1/21647/11 | Гайка М10х1,25-6Н | |
| 41 | 1/13069/21 | Болт М10х1,25-6gх30 | |
| 42 | 43105-1203069 | Кронштейн крепления выпускной трубы | |
| 43 | 5511-1203065 | Стремянка хомута | |
| 44 | 5320-1203012 | Рукав с тройником в сборе | |
| 45 | 4310-1203051 | Труба | |
| 46 | 4310-1203214 | Труба приемная глушителя задняя правая в сборе | |
| 47 | 1/59709/21 | Болт М10х1,25-6gх35 | |
| 48 | 5320-1203020 | Прокладка фланца | |
| 49 | 5320-1203047 | Хомут в сборе | |
| 50 | 1/05168/77 | Шайба 10 пружинная | |
| 51 | 1/21647/11 | Гайка М10х1,25-6Н | |
| 52 | 4310-1203183 | Кронштейн крепления трубы приемной левой | |
| 53 | 1/05170/77 | Шайба 12 пружинная | |
| 54 | 1/55404/21 | Болт М12х1,25-6gх30 | |
| 55 | 1/61008/21 | Гайка М8-6Н | |
| 56 | 5320-1203033 | Хомут трубы приемной передней левой | |
| 57 | 1/05196/01 | Шайба плоская 8х17 | |
| 58 | 1/60438/21 | Болт М8-6gх30 | |
| 59 | 1/05166/77 | Шайба 8 пружинная | |
| 60 | 1/59722/21 | Болт М10х1,25-6gх120 | |
| 61 | 5320-1203018 | Фланец натяжной | |
| 62 | 863420-01 | Прокладка | |
| 63 | 1/05168/77 | Шайба 10 пружинная | |
| 64 | 1/21647/11 | Гайка М10х1,25-6Н | |
| 65 | 1/61015/40 | Гайка | |
| 66 | 1/05170/77 | Шайба 12 пружинная |
Содержащиеся в справочниках-каталогах запасные части и детали не предлагаются к продаже, а носят исключительно информационный характер