Каталог запасных частей к технике: Камский автозавод 4310. Установка сиденья водителя, подвеска и механизмы регулирования
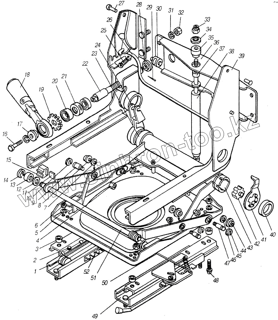
1
2
3
4
4
5
5
6
7
8
9
10
11
12
13
14
15
16
17
18
19
20
21
22
23
24
25
26
27
28
29
30
31
32
33
34
35
36
37
38
39
40
41
42
43
44
45
46
47
48
49
50
51
52
| Позиция на иллюстрации | Заводской номер детали | Название детали | |
|---|---|---|---|
| 5320-6804510 | 5320-6804510 | Боковина подвески сиденья правая в сборе | |
| 1/38381/71 | 1/38381/71 | Болт М8-6gх20 | |
| 1/41143/10 | 1/41143/10 | Болт приварной | |
| 1/41410/10 | 1/41410/10 | Болт приварной | |
| 232694 | 232694 | Винт М10х1,25-6gх20 ОСТ 37.001.128-96 | |
| 1/32796/01 | 1/32796/01 | Винт с крестообразным шлицем | |
| 5320-6804127 | 5320-6804127 | Вкладыш ролика | |
| 5320-6804121 | 5320-6804121 | Втулка крепления механизма перемещения | |
| 5320-6834167 | 5320-6834167 | Втулка пружины | |
| 5320-6804565 | 5320-6804565 | Втулка рычага | |
| 251644 | 251644 | Гайка М6-6Н ОСТ 37.001.197-75 | |
| 251645 | 251645 | Гайка М8-6Н ОСТ 37.001.197-75 | |
| 251646 | 251646 | Гайка М10х1,25-6Н ОСТ 37.001.197-75 | |
| 251645 | 251645 | Гайка М8-6Н ОСТ 37.001.197-75 | |
| 5320-6804321 | 5320-6804321 | Гребенка регулировки наклона спинки сиденья водителя левая | |
| 5320-6804322 | 5320-6804322 | Гребенка регулировки наклона спинки сиденья водителя правая | |
| 1/21617/70 | 1/21617/70 | Держатель | |
| 1/21617/70 | 1/21617/70 | Держатель | |
| 5320-6834159 | 5320-6834159 | Держатель ручки фиксатора | |
| 1/04315/00 | 1/04315/00 | Заклепка 6х14 | |
| 5320-6833068 | 5320-6833068 | Заматрасовка подушки | |
| 5320-6833060 | 5320-6833060 | Каркас подушки в сборе | |
| 5320-6804313 | 5320-6804313 | Кронштейн крепления спинки сиденья левый | |
| 5320-6804312 | 5320-6804312 | Кронштейн крепления спинки сиденья правый | |
| 5320-6815076 | 5320-6815076 | Кронштейн спинки пассажирского сиденья левый в сборе | |
| 5320-6815077 | 5320-6815077 | Кронштейн спинки пассажирского сиденья правый в сборе | |
| 5320-6834169 | 5320-6834169 | Кронштейн штока | |
| 5320-6804111 | 5320-6804111 | Механизм перемещения сиденья водителя левый в сборе | |
| 5320-6804110 | 5320-6804110 | Механизм перемещения сиденья водителя правый в сборе | |
| 5320-6804110 | 5320-6804110 | Механизм перемещения сиденья водителя правый в сборе | |
| 5320-6804134 | 5320-6804134 | Направляющая механизма продольного перемещения сиденья верхняя в сборе | |
| 5320-6804138 | 5320-6804138 | Направляющая механизма продольного перемещения сиденья нижняя в сборе | |
| 5320-6832310 | 5320-6832310 | Обивка подушки одноместного сиденья в сборе | |
| 5320-6832310-01 | 5320-6832310-01 | Обивка подушки одноместного сиденья в сборе | |
| 5320-6832610 | 5320-6832610 | Обивка спинки одноместного сиденья в сборе | |
| 5320-6832610-01 | 5320-6832610-01 | Обивка спинки одноместного сиденья в сборе | |
| 5320-6833020 | 5320-6833020 | Основание подушки в сборе | |
| 5320-6831010 | 5320-6831010 | Остов одноместного сиденья в сборе | |
| 5320-6804159 | 5320-6804159 | Ось стопора | |
| 5320-6834177 | 5320-6834177 | Ось фиксатора одноместного сиденья | |
| 5320-6815137 | 5320-6815137 | Палец кронштейна спинки | |
| 5320-6817010 | 5320-6817010 | Подставка пассажирского сиденья в сборе | |
| 5320-6833011 | 5320-6833011 | Подушка одноместного сиденья | |
| 5320-6833010 | 5320-6833010 | Подушка одноместного сиденья в сборе | |
| 5320-6833010-01 | 5320-6833010-01 | Подушка одноместного сиденья в сборе | |
| 5320-6834140 | 5320-6834140 | Проставка механизма перемещения одноместного сиденья в сборе | |
| 5320-6804753 | 5320-6804753 | Проставка ручки | |
| 5320-6815139 | 5320-6815139 | Пружина кронштейна спинки | |
| 5320-6834155 | 5320-6834155 | Пружина механизма регулирования угла наклона спинки | |
| 5320-6834165 | 5320-6834165 | Пружина механизма регулирования угла наклона спинки | |
| 5320-6833117 | 5320-6833117 | Пружина подушки внутренняя левая | |
| 5320-6833116 | 5320-6833116 | Пружина подушки внутренняя правая | |
| 5320-6833113 | 5320-6833113 | Пружина подушки наружная левая | |
| 5320-6833114 | 5320-6833114 | Пружина подушки наружная правая | |
| 5320-6804755 | 5320-6804755 | Пружина ручки | |
| 5320-6804161 | 5320-6804161 | Пружина стопора | |
| 5320-6833086 | 5320-6833086 | Рамка верхняя | |
| 5320-6804157 | 5320-6804157 | Ручка привода стопора в сборе | |
| 5320-6834157 | 5320-6834157 | Ручка фиксатора | |
| 4310-6830010 | 4310-6830010 | Сиденье одноместное в сборе | |
| 5320-6833115 | 5320-6833115 | Скрепка крепления пружин | |
| 5320-6804140 | 5320-6804140 | Стопор механизма продольного перемещения в сборе | |
| 5320-6834179 | 5320-6834179 | Стяжка механизма перемещения одноместного сиденья | |
| 5320-6834171 | 5320-6834171 | Упор пружины | |
| 5320-6804743 | 5320-6804743 | Упор пружины ручки | |
| 5320-6834153 | 5320-6834153 | Фиксатор механизма регулирования угла наклона спинки | |
| 1/05196/01 | 1/05196/01 | Шайба плоская 8х17 | |
| 5320-6834181 | 5320-6834181 | Шайба | |
| 1/05201/01 | 1/05201/01 | Шайба плоская 14,8х26х3 | |
| 1/05196/01 | 1/05196/01 | Шайба плоская 8х17 | |
| 1/26462/01 | 1/26462/01 | Шайба плоская 8,45х35х3 | |
| 1/35505/01 | 1/35505/01 | Шайба плоская 12,2х24х3 | |
| 1/05166/21 | 1/05166/21 | Шайба 8 пружинная | |
| 1/05166/77 | 1/05166/77 | Шайба 8 пружинная | |
| 1/10880/76 | 1/10880/76 | Шайба стопорная 9х18,5х1,1 | |
| 1/10876/76 | 1/10876/76 | Шайба стопорная 4х9х0,7 | |
| 5320-6804570 | 5320-6804570 | Шарнир подвески сиденья водителя задний в сборе | |
| 1/07969/01 | 1/07969/01 | Шплинт 3,7х25 | |
| 1/41621/10 | 1/41621/10 | Штифт упругий | |
| 5320-6834163 | 5320-6834163 | Шток механизма регулирования угла наклона спинки | |
| 1 | 5320-6804125 | Ролик механизма перемещения сиденья | |
| 2 | 864736 | Шарик Б5 | |
| 3 | 1/21647/11 | Гайка М10х1,25-6Н | |
| 4 | 251646 | Гайка М10х1,25-6Н ОСТ 37.001.197-75 | |
| 4 | 5320-6804592 | Окантовка трубы торсиона подвески сиденья | |
| 5 | 5320-6804327 | Пружина регулировочная | |
| 5 | 1/05166/77 | Шайба 8 пружинная | |
| 6 | 1/61008/11 | Гайка М8х1,25-6Н | |
| 7 | 5320-6804568 | Прокладка подвески сиденья | |
| 8 | 5320-6804617 | Втулка оси шарнира | |
| 9 | 5320-6804614 | Ось соединения шарниров подвески | |
| 10 | 1/10880/76 | Шайба стопорная 9х18,5х1,1 | |
| 11 | 5320-6804533 | Сухарь буфера | |
| 12 | 5320-6804568 | Прокладка подвески сиденья | |
| 13 | 5320-6804569 | Ролик шарнира | |
| 14 | 1/10880/76 | Шайба стопорная 9х18,5х1,1 | |
| 15 | 5320-6804530 | Буфер шарнира | |
| 16 | 1/60434/21 | Болт М8-6gх20 | |
| 17 | 5320-6804751 | Подкладка ручки | |
| 18 | 5320-6804756 | Ручка регулировки торсиона в сборе | |
| 19 | 5320-6804749 | Звездочка винта | |
| 20 | 5320-6804681 | Подкладка ручки | |
| 21 | 864767 | Подшипник | |
| 22 | 5320-6804665 | Винт регулировки торсиона | |
| 23 | 5320-6804592 | Окантовка трубы торсиона подвески сиденья | |
| 24 | 5320-6804625 | Вилка торсиона подвески | |
| 25 | 5320-6804327 | Пружина регулировочная | |
| 26 | 5320-6804320 | Механизм регулировки наклона спинки в сборе | |
| 27 | 1/04315/00 | Заклепка 6х14 | |
| 28 | 5320-6804741 | Ограничитель винта | |
| 29 | 1/07969/01 | Шплинт 3,7х25 | |
| 30 | 5320-6804683 | Втулка скользящая | |
| 31 | 1/05166/77 | Шайба 8 пружинная | |
| 32 | 1/61096/11 | Гайка глухая | |
| 33 | 251646 | Гайка М10х1,25-6Н ОСТ 37.001.197-75 | |
| 34 | 5320-6804675 | Шайба специальная | |
| 35 | 5320-6804653 | Буфер амортизатора наружный | |
| 36 | 5320-6804643 | Поперечина крепления амортизатора подвески сиденья | |
| 37 | 5320-6804655 | Буфер амортизатора внутренний | |
| 38 | 5320-6804672 | Амортизатор однотрубный в сборе | |
| 39 | 5320-6804511 | Боковина подвески сиденья левая в сборе | |
| 40 | 5320-6804592 | Окантовка трубы торсиона подвески сиденья | |
| 41 | 5320-6804627 | Держатель торсиона | |
| 42 | 5320-6804595 | Указатель направления вращения торсиона подвески сиденья | |
| 43 | 5320-6804623 | Торсион подвески сиденья | |
| 44 | 5320-6804617 | Втулка оси шарнира | |
| 45 | 1/10880/76 | Шайба стопорная 9х18,5х1,1 | |
| 46 | 5320-6804568 | Прокладка подвески сиденья | |
| 47 | 5320-6804614 | Ось соединения шарниров подвески | |
| 48 | 1/32796/01 | Винт с крестообразным шлицем | |
| 49 | 5320-6804111 | Механизм перемещения сиденья водителя левый в сборе | |
| 50 | 5320-6804163 | Стяжка механизма перемещения сиденья | |
| 51 | 5320-6804560 | Шарнир подвески сиденья водителя передний в сборе | |
| 52 | 5320-6804540 | Основание подвески сиденья в сборе |
Содержащиеся в справочниках-каталогах запасные части и детали не предлагаются к продаже, а носят исключительно информационный характер