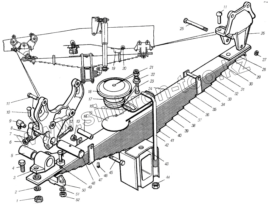
Каталог запасных частей к технике: Камский автозавод 4310. Установка передней подвески
1
2
3
4
5
6
7
8
9
10
11
11
12
13
14
15
16
17
18
19
20
21
22
23
24
25
26
27
28
29
30
31
32
33
34
35
36
37
38
39
40
41
42
43
44
45
46
47
48
49
50
51
52
| Позиция на иллюстрации | Заводской номер детали | Название детали | |
|---|---|---|---|
| 5320-2918428 | 5320-2918428 | Фиксатор | |
| 5320-2403072 | 5320-2403072 | Втулка разжимная шпильки полуоси | |
| 853307 | 853307 | Шпилька | |
| 1/05168/77 | 1/05168/77 | Шайба 10 пружинная | |
| 1/05172/77 | 1/05172/77 | Шайба 16 пружинная | |
| 4310-5290001 | 4310-5290001 | Установка передней подвески в сборе | |
| 4310-2902408 | 4310-2902408 | Стремянка правая | |
| 5320-2902007 | 5320-2902007 | Рессора передняя в сборе | |
| 4310-2902556 | 4310-2902556 | Проставка | |
| 4310-2902430 | 4310-2902430 | Подушка передней рессоры | |
| 4310-2902418 | 4310-2902418 | Подкладка | |
| 4310-2905529 | 4310-2905529 | Площадка крепления кронштейна амортизатора | |
| 5320-2902051 | 5320-2902051 | Лист № 8 с хомутами в сборе | |
| 1/21647/11 | 1/21647/11 | Гайка М10х1,25-6Н | |
| 853510 | 853510 | Гайка | |
| 1/21641/11 | 1/21641/11 | Гайка М16х1,5-6Н | |
| 2447068 | 2447068 | Заклепка | |
| 45 9712 0246 | 45 9712 0246 | Заклепка 12х30 | |
| 5320-2902133 | 5320-2902133 | Накладка листа | |
| 4310-2905519 | 4310-2905519 | Кронштейн амортизатора передней подвески нижний | |
| 4310-2902444 | 4310-2902444 | Кронштейн правый | |
| 5320-2902101 | 5320-2902101 | Лист № 1 | |
| 53212-2905650 | 53212-2905650 | Клапан сжатия в сборе | |
| 1 | 1/21643/11 | Гайка М20х1,25-6Н | |
| 2 | 1/05174/77 | Шайба 20 пружинная | |
| 3 | 5320-2902126 | Ушко передней рессоры | |
| 4 | 45 9348 2755 | Болт М20х1,5 | |
| 5 | 5320-2902028 | Втулка ушка | |
| 6 | 1/21640/11 | Гайка М14х1,5-6Н | |
| 7 | 1/05171/77 | Шайба 14 пружинная | |
| 8 | 4310-2902445 | Кронштейн левый | |
| 9 | Масленка 2345Ц6 | Масленка 2345Ц6 | |
| 10 | 1/30232/00 | Заклепка 16х50 | |
| 11 | 1/30230/00 | Заклепка 16х45 | |
| 12 | 1/58621/31 | Болт М14х1,5-6gх80 | |
| 13 | 1/21647/11 | Гайка М10х1,25-6Н | |
| 14 | 5320-2902068 | Втулка распорная | |
| 15 | 4310-2902631 | Опора буфера | |
| 16 | 4310-2902412 | Накладка | |
| 17 | 5320-2902624 | Буфер передней рессоры | |
| 18 | 5320-2902632 | Чашка буфера (45351370994) | |
| 19 | 4310-2902684 | Буфер дополнительный в сборе | |
| 20 | 141-9707721 | Болт | |
| 21 | 252649 | Гайка | |
| 22 | 5320-2902635 | Втулка буфера в сборе | |
| 23 | 1/59811/21 | Болт М16х1,5-6gх60 | |
| 24 | 5320-2902015 | Лист № 1 с накладкой в сборе | |
| 25 | 43105-2902485 | Палец | |
| 26 | 4110-5290245 | Кронштейн передней рессоры задний в сборе | |
| 27 | Кольцо Б16 | Кольцо Б16 | |
| 28 | 5320-2902102 | Лист № 2 | |
| 29 | 5320-2902103 | Лист № 3 | |
| 30 | 5320-2902104 | Лист № 4 | |
| 31 | 5320-2902105 | Лист № 5 | |
| 32 | 5320-2902106 | Лист № 6 | |
| 33 | 5320-2902107 | Лист № 7 | |
| 34 | 5320-2902108 | Лист № 8 | |
| 35 | 5320-2902109 | Лист № 9 | |
| 36 | 5320-2902110 | Лист № 10 | |
| 37 | 5320-2902111 | Лист № 11 | |
| 38 | 5320-2902112 | Лист № 12 | |
| 39 | 5320-2902113 | Лист № 13 | |
| 40 | 5320-2902114 | Лист № 14 | |
| 41 | 5320-2902115 | Лист № 15 | |
| 42 | 4310-2902409 | Стремянка левая | |
| 43 | 4310-2902555 | Проставка в сборе | |
| 44 | 853510 | Гайка | |
| 45 | 1/59718/21 | Болт М10х1,25-6gх100 | |
| 46 | 1/29979/00 | Заклепка 12х22 | |
| 47 | 5320-2902060 | Хомут | |
| 48 | 5320-2902478 | Палец ушка | |
| 49 | 1/12541/21 | Болт М16х1,5-6gх80 | |
| 50 | 5320-2902128-10 | Накладка ушка | |
| 51 | 1/05172/77 | Шайба 16 пружинная | |
| 52 | 1/21641/11 | Гайка М16х1,5-6Н |
Содержащиеся в справочниках-каталогах запасные части и детали не предлагаются к продаже, а носят исключительно информационный характер