Каталог запасных частей к технике: Камский автозавод 4310. Система охлаждения двигателя
1
2
3
4
5
6
7
8
9
10
10
10
11
12
13
14
15
15
16
16
16
16
17
17
18
19
20
21
21
21
21
21
21
21
22
22
23
24
24
24
24
25
26
26
27
28
29
30
31
31
31
32
33
34
35
36
37
38
39
40
41
41
42
42
43
44
45
46
47
48
49
50
51
52
53
53
53
54
54
55
56
57
58
59
60
61
62
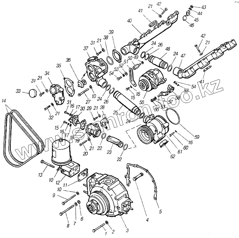
| Позиция на иллюстрации | Заводской номер детали | Название детали | |
|---|---|---|---|
| 1 | 1/55418/31 | Болт М12х1,25-6gх120 | |
| 2 | 1/26015/73 | Шайба волнистая 12 | |
| 3 | 740-1318010 | Гидромуфта в сборе | |
| 4 | 740-1318082 | Вал привода гидромуфты | |
| 5 | 740-1002265-10 | Прокладка | |
| 6 | 870628 | Шайба плоская 12х26 | |
| 7 | 1/05170/73 | Шайба 12 пружинная | |
| 8 | 1/55420/31 | Болт М12х1,25-6gх140 | |
| 9 | 1/59726/31 | Болт М10х1,25-6gх140 | |
| 10 | 1/26014/73 | Шайба 10 волнистая | |
| 11 | 740-1017024-10 | Прокладка | |
| 12 | 740-1017010-30 | Фильтр центробежный очистки масла в сборе | |
| 13 | 1/59722/21 | Болт М10х1,25-6gх120 | |
| 14 | 740-1307170-20 | Ремень «стат» 1-8,5х8х1320 | |
| 15 | 1/60436/21 | Болт М8-6gх25 | |
| 16 | 1/05166/73 | Шайба 8 пружинная | |
| 17 | 1/26467/01 | Шайба плоская 8х20х2 | |
| 18 | 740-1318218-11 | Прокладка | |
| 19 | 740-1303168 | Патрубок | |
| 20 | 1/60445/21 | Болт М8-6gх65 | |
| 21 | 1/26013/73 | Шайба 8 волнистая | |
| 22 | 740-1303172 | Кольцо уплотнительное | |
| 23 | 740-1303152 | Труба подводящая | |
| 24 | 740-1303099 | Кольцо уплотнительное | |
| 25 | 740-1303090 | Труба перепускная | |
| 26 | 740-1303272 | Кольцо запорное | |
| 27 | 1/59718/21 | Болт М10х1,25-6gх100 | |
| 28 | 740-1303024 | Прокладка | |
| 29 | 1/60438/21 | Болт М8-6gх30 | |
| 30 | 740-1318210-01 | Включатель гидромуфты в сборе | |
| 31 | 1/60439/21 | Болт М8-6gх35 | |
| 32 | 1/60442/21 | Болт М8-6gх50 | |
| 33 | 870835 | Заглушка | |
| 34 | 740-1303130 | Патрубок | |
| 35 | 740-1303214 | Прокладка | |
| 36 | ТС 107-1306100-01 | Термостат в сборе | |
| 37 | 740-1303176 | Коробка водяная в сборе | |
| 38 | 740-1303018 | Кольцо уплотнительное | |
| 39 | 740-1303016 | Фланец соединительный | |
| 40 | 740-1303100 | Трубка водяная правая и сборе | |
| 41 | 740-1303268 | Прокладка | |
| 42 | 1/60433/21 | Болт М8х55 | |
| 43 | 1/58962/21 | Гайка М6-6Н | |
| 44 | 1/05164/73 | Шайба 6 пружинная | |
| 45 | 740-3509294 | Фланец трубки | |
| 46 | 740-1303128 | Прокладка | |
| 47 | 740-1303101 | Труба водяная левая | |
| 48 | 740-1303256 | Трубка водяная соединительная | |
| 49 | 1/05201/01 | Шайба плоская 14,8х26х3 | |
| 50 | 740-3701792 | Проставка планки | |
| 51 | 740-3701790 | Планка крепления генератора | |
| 52 | 1/26468/01 | Шайба плоская 10,2х25х2 | |
| 53 | 1/05168/73 | Шайба 10 пружинная | |
| 54 | 1/59707/21 | Болт М10х1,25-6gх25 | |
| 55 | 740-3701008-40 | Генератор с пальцем в сборе | |
| 56 | 1/21647/21 | Гайка М10х1,25-6Н | |
| 57 | 1/26386/01 | Шайба плоская 10,6х18х2 | |
| 58 | 740-3701770 | Кронштейн генератора в сборе | |
| 59 | 740-1307075 | Кольцо уплотнительное | |
| 60 | 1/60444/21 | Болт М8-6gх60 | |
| 61 | 740-1307010-02 | Насос водяной в сборе | |
| 62 | 740-1307266 | Заглушка транспортная |
Содержащиеся в справочниках-каталогах запасные части и детали не предлагаются к продаже, а носят исключительно информационный характер