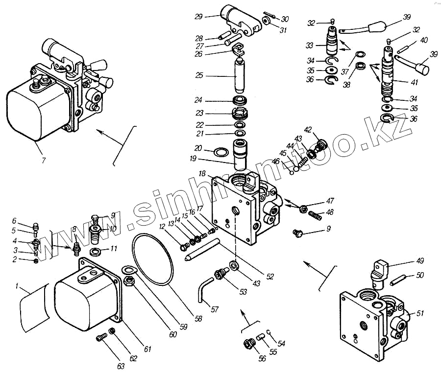
Каталог запасных частей к технике: Камский автозавод 4310. Насос опрокидывающего механизма кабины и запасного колеса
1
2
3
4
5
6
7
8
9
9
10
11
12
13
14
15
16
17
18
19
20
21
22
23
24
25
26
27
28
29
30
31
32
32
33
34
34
35
35
36
36
37
38
39
39
40
41
42
43
43
44
45
46
47
48
49
50
51
52
53
54
55
56
57
58
59
60
61
62
63
| Позиция на иллюстрации | Заводской номер детали | Название детали | |
|---|---|---|---|
| 1 | 4310-5004018 | Табличка инструкционная | |
| 2 | 853643 | Шайба плоская специальная 2,5х6,2 | |
| 3 | 864004 | Пружина | |
| 4 | 864001 | Штуцер клапана | |
| 5 | 864002 | Клапан | |
| 6 | 864003 | Колпачок клапана (453576512) | |
| 7 | 4310-5004010 | Насос опрокидывающего механизма кабины в сборе | |
| 8 | 864013 | Клапан предохранительный в сборе | |
| 9 | 864341 | Пробка КГ 1/8" | |
| 10 | 4310-5004105 | Горловина заливная | |
| 11 | 1/02813/80 | Прокладка уплотнительная 16х22х1 | |
| 12 | 4310-5004067 | Пробка предохранительного клапана | |
| 13 | 853645 | Шайба регулировочная 10,2х14х0,5 | |
| 14 | 853646 | Шайба регулировочная, толщиной 0,7 мм | |
| 15 | 5320-3407272 | Пружина предохранительного клапана | |
| 16 | 4310-5004065 | Направляющая пружины | |
| 17 | 864732 | Шарик БIV 2,5Н | |
| 18 | 4310-5004016 | Корпус в сборе | |
| 19 | 4310-5004023 | Втулка | |
| 20 | 864231 | Кольцо уплотнительное | |
| 21 | 864211 | Кольцо уплотнительное | |
| 22 | 4310-5004025 | Шайба | |
| 23 | 4310-5004027 | Гайка | |
| 24 | 4310-5004031 | Грязесъемник | |
| 25 | 4310-5004035 | Плунжер нагнетательный | |
| 26 | 4310-5004037 | Скоба | |
| 27 | 260038 | Палец 8х35 | |
| 28 | 4310-5004043 | Палец нажимной | |
| 29 | 4310-5004041 | Рукоятка | |
| 30 | 1/07964/01 | Шплинт разводной 3х20 | |
| 31 | 1/05196/01 | Шайба плоская 8х17 | |
| 32 | 1/37461/01 | Винт М6-6gх8 | |
| 33 | 4310-5004057 | Золотник | |
| 34 | 1/34010/76 | Кольцо стопорное 20 | |
| 35 | 2/26241/40 | Шайба плоская 5х22 | |
| 36 | 862824 | Кольцо упорное | |
| 37 | 864232 | Кольцо уплотнительное | |
| 38 | 4310-5004051 | Кольцо уплотнительное | |
| 39 | 4310-5004054 | Ручка | |
| 40 | 1/41641/71 | Штифт упругий 4х25 | |
| 41 | 4310-5004047 | Золотник реверсивный | |
| 42 | 4310-5004063 | Пробка | |
| 43 | 862524 | Шайба | |
| 44 | 4310-5004061 | Пружина | |
| 45 | 864723 | Шарик Б IV 9,525Н | |
| 46 | 864707 | Шарик-заглушка | |
| 47 | 1/07259/11 | Гайка низкая М6 | |
| 48 | 243180 | Винт М6х30 | |
| 49 | 4310-5004021 | Серьга | |
| 50 | 1/03369/10 | Штифт 6х38 | |
| 51 | 4310-5004017 | Корпус | |
| 52 | 4310-5004083 | Фильтр всасывающий | |
| 53 | 4310-5004074 | Жиклер в сборе | |
| 54 | 4310-5004080 | Кольцо запорное | |
| 55 | 4310-5004071 | Фильтр | |
| 56 | 4310-5004079 | Жиклер | |
| 57 | 4310-5004077 | Труба | |
| 58 | 864233 | Кольцо уплотнительное | |
| 59 | 1/26017/71 | Шайба волнистая 16 | |
| 60 | 1/07914/11 | Гайка низкая М16х1,5-6Н | |
| 61 | 4310-5004103 | Бачок | |
| 62 | 1/26012/71 | Шайба волнистая 6 | |
| 63 | 1/32764/01 | Винт М6-6gх20 |
Содержащиеся в справочниках-каталогах запасные части и детали не предлагаются к продаже, а носят исключительно информационный характер