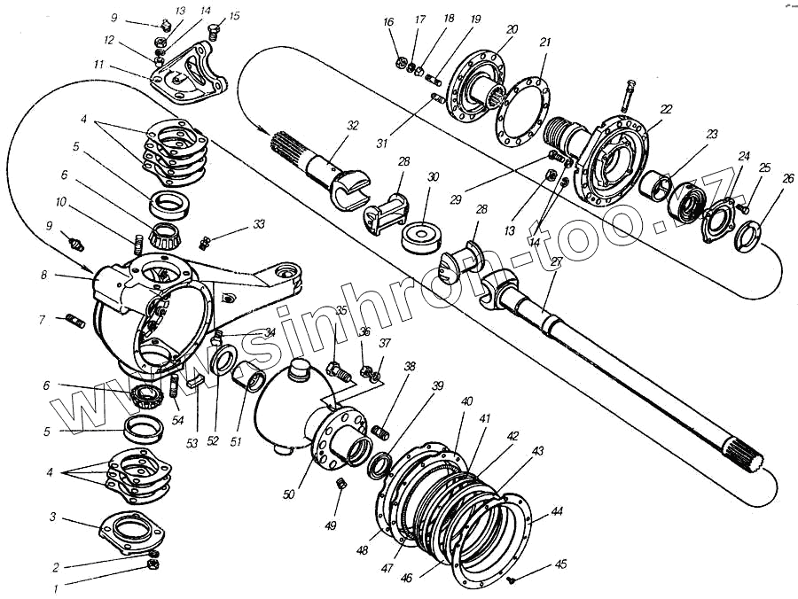
Каталог запасных частей к технике: Камский автозавод 4310. Кулак поворотный переднего моста правый
1
2
3
4
4
4
4
4
5
5
6
6
7
8
9
9
10
11
12
13
13
14
14
15
16
17
18
19
20
21
22
23
24
25
26
27
28
28
29
30
31
32
33
34
35
36
37
38
39
40
41
42
43
44
45
46
47
48
49
50
51
52
53
54
| Позиция на иллюстрации | Заводской номер детали | Название детали | |
|---|---|---|---|
| 4310-2304128 | 4310-2304128 | Кольцо упорное кулака шарнира в сборе | |
| 43104096 | 43104096 | Кольцо уплотнительное в сборе | |
| 4310-2304019 | 4310-2304019 | Шкворень поворотного кулака | |
| 4310-2304080 | 4310-2304080 | Цапфа поворотного кулака правая в сборе | |
| 4310-2304078 | 4310-2304078 | Цапфа поворотного кулака правая со втулкой в сборе | |
| 864754 | 864754 | Подшипник роликовый конический в сборе | |
| 4310-2304012 | 4310-2304012 | Опора шаровая поворотного кулака с шкворнями в сборе | |
| 4310-2304028 | 4310-2304028 | Корпус поворотного кулака правый в сборе | |
| 1 | 1/21641/11 | Гайка М16х1,5-6Н | |
| 2 | 1/05172/77 | Шайба 16 пружинная | |
| 3 | 4310-2304038 | Накладка поворотного кулака нижняя | |
| 4 | 4310-2304074 | Прокладка регулировочная | |
| 4 | 4310-2304075 | Прокладка регулировочная | |
| 4 | 4310-2304076 | Прокладка регулировочная | |
| 4 | 4310-2304077 | Прокладка регулировочная | |
| 5 | 864755 | Кольцо подшипника наружное | |
| 6 | 864756 | Кольцо внутреннее с сепаратором и роликами в сборе | |
| 7 | 1/35305/31 | Шпилька (45993459) | |
| 8 | 4310-2304030 | Корпус поворотного кулака правый | |
| 9 | 864006 | Масленка 1.3.Ц6хр.ГОСТ 19853-74 | |
| 10 | 1/18005/31 | Шпилька М16х1,5-6gх22х40 | |
| 11 | 4310-2304037 | Накладка поворотного кулака верхняя | |
| 12 | 5320-2403072 | Втулка разжимная шпильки полуоси | |
| 13 | 1/21641/11 | Гайка М16х1,5-6Н | |
| 14 | 1/05172/77 | Шайба 16 пружинная | |
| 15 | 1/42577/21 | Болт самоконтрящийся | |
| 16 | 1/61015/21 | Гайка М12х1,25-6Н | |
| 17 | 1/05170/77 | Шайба 12 пружинная | |
| 18 | 4310-2403072 | Втулка разжимная шпильки полуоси заднего моста | |
| 19 | 853312 | Шпилька | |
| 20 | 4310-2304090 | Фланец ведущий ступицы переднею колеса | |
| 21 | 4310-2304091 | Прокладка полуоси | |
| 22 | 4310-2304084 | Цапфа правая | |
| 23 | 4310-2304083 | Втулка | |
| 24 | 4310-2304129 | Кольцо упорное | |
| 25 | 1/42381/21 | Болт самоконтрящийся | |
| 26 | 4310-2304068 | Шайба упорная | |
| 27 | 4310-2304064 | Кулак шарнира внутренний правый | |
| 28 | 4310-2304066 | Вкладыш кулака шарнира | |
| 29 | 3/55404/21 | Болт крепления цапфы | |
| 30 | 4310-2304067 | Диск шарнира | |
| 31 | 1/35302/31 | Шпилька | |
| 32 | 4310-2304062 | Кулак шарнира переднего моста наружный | |
| 33 | 864000 | Клапан предохранительный на давление 0,12-0,24 кг/см2 | |
| 34 | 1/59805/21 | Болт ограничивающий поворот колес | |
| 35 | 1/42717/21 | Болт самоконтрящийся | |
| 36 | 1/21642/11 | Гайка | |
| 37 | 1/05173/77 | Шайба пружинная | |
| 38 | 1/35647/31 | Шпилька | |
| 39 | 864169 | Сальник шаровой опоры в сборе | |
| 40 | 4310-2304092 | Обойма сальника | |
| 41 | 4310-2304093 | Манжета сальника | |
| 42 | 4310-2304095 | Кольцо распорное | |
| 43 | 4310-2304099 | Кольцо уплотнительное внутреннее | |
| 44 | 4310-2304097 | Крышка сальника | |
| 45 | 1/38255/11 | Болт с пружинной шайбой в сборе | |
| 46 | 432104089 | Кольцо уплотнительное наружное | |
| 47 | 4310-2304094 | Пружина сальника | |
| 48 | 4310-2304098 | Прокладка | |
| 49 | 864341 | Пробка КГ 1/8" | |
| 50 | 4310-2304014 | Опора шаровая | |
| 51 | 4310-2304035 | Втулка шаровой опоры | |
| 52 | 4310-2304068 | Шайба упорная | |
| 53 | 4310-2304049 | Заглушка корпуса | |
| 54 | 1/18005/31 | Шпилька М16х1,5-6gх22х40 |
Содержащиеся в справочниках-каталогах запасные части и детали не предлагаются к продаже, а носят исключительно информационный характер