Каталог запасных частей к технике: Камский автозавод 4310. Акселератор
1
2
3
4
5
6
7
8
9
10
11
12
13
14
15
16
17
18
19
20
21
22
23
24
25
26
27
28
29
30
31
32
33
34
35
36
37
38
39
40
41
42
43
44
45
46
47
48
49
50
50
51
52
53
54
55
56
57
58
59
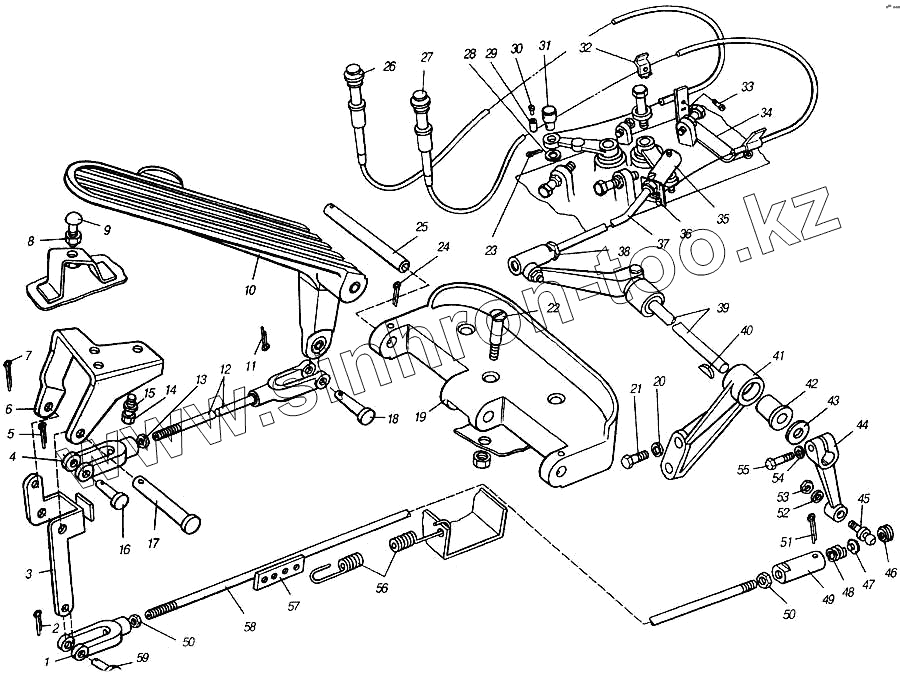
| Позиция на иллюстрации | Заводской номер детали | Название детали | |
|---|---|---|---|
| 740-1108038 | 740-1108038 | Кронштейн вала привода управления регулятором в сборе | |
| 1/61015/11 | 1/61015/11 | Гайка М12х1,25-6Н | |
| 1/05170/77 | 1/05170/77 | Шайба 12 пружинная | |
| 740-1108050 | 740-1108050 | Тяга рычага управления регулятором в сборе | |
| 5320-1108034 | 5320-1108034 | Тяга педали в сборе | |
| 5320-1108042 | 5320-1108042 | Тяга промежуточная акселератора в сборе | |
| 1 | 863400 | Вилка | |
| 2 | 1/07964/01 | Шплинт разводной 3х20 | |
| 3 | 5320-1108017 | Рычаг акселератора передний | |
| 4 | 863400 | Вилка | |
| 5 | 1/07964/01 | Шплинт разводной 3х20 | |
| 6 | 5320-1108021 | Кронштейн | |
| 7 | 1/07964/01 | Шплинт разводной 3х20 | |
| 8 | 1/21647/11 | Гайка М10х1,25-6Н | |
| 9 | 853017 | Болт упорный М10х1,25-6gх45 | |
| 10 | 5320-1108010 | Педаль акселератора в сборе | |
| 11 | 1/07964/01 | Шплинт разводной 3х20 | |
| 12 | 5320-1108035 | Тяга педали с вилкой в сборе | |
| 13 | 1/61008/11 | Гайка М8х1,25-6Н | |
| 14 | 1/60434/21 | Болт М8-6gх20 | |
| 15 | 1/05166/77 | Шайба 8 пружинная | |
| 16 | 260034 | Палец 8х25 | |
| 17 | 260068 | Палец 10х60 | |
| 18 | 260058 | Палец 10х30 | |
| 19 | 5320-1108025 | Подпятник педали | |
| 20 | 1/05166/73 | Шайба 8 пружинная | |
| 21 | 1/60436/21 | Болт М8-6gх25 | |
| 22 | 1/33042/01 | Винт М8-6gх45 | |
| 23 | 1/07964/01 | Шплинт разводной 3х20 | |
| 24 | 1/07348/01 | Шплинт 2,7х40 | |
| 25 | 5320-3504033 | Ось педали | |
| 26 | 5320-1108130 | Тяга ручного останова двигателя в сборе | |
| 27 | 5320-1108120-11 | Тяга ручного управления акселератором в сборе | |
| 28 | 1/05196/01 | Шайба плоская 8х17 | |
| 29 | 5320-1108143 | Зажим тяги | |
| 30 | 1/03893/01 | Винт М5-6gх10 | |
| 31 | 5320-1108147 | Картер масляный в сборе | |
| 32 | 5320-8109055 | Прижим оболочки тяги | |
| 33 | 1/03893/01 | Винт М5-6gх10 | |
| 34 | 740-1108305 | Кронштейн | |
| 35 | 740-1108054 | Наконечник тяги в сборе | |
| 36 | 740-1108053 | Ушко тяги | |
| 37 | 740-1108051 | Тяга | |
| 38 | 1/61023/11 | Гайка М8-6Н низкая | |
| 39 | 740-1108045 | Вал привода управления регулятором | |
| 40 | 870803 | Шпонка сегментная 3х5х13 | |
| 41 | 740-1108039 | Кронштейн вала привода | |
| 42 | 740-1108040 | Втулка | |
| 43 | 870635 | Шайба плоская 12,5х21х1,5 | |
| 44 | 740-1108072 | Рычаг привода управления регулятором | |
| 45 | 740-1108061 | Палец | |
| 46 | 870891 | Пробка М12х1-6gх8 | |
| 47 | 740-1108059 | Сухарь | |
| 48 | 740-1108058 | Пружина | |
| 49 | 740-1108056 | Наконечник тяга | |
| 50 | 1/61008/11 | Гайка М8х1,25-6Н | |
| 51 | 1/07951/01 | Шплинт разводной 1,5х20 | |
| 52 | 1/05166/73 | Шайба 8 пружинная | |
| 53 | 1/61023/11 | Гайка М8-6Н низкая | |
| 54 | 1/05164/73 | Шайба 6 пружинная | |
| 55 | 1/09026/21 | Болт М6-6gх25 | |
| 56 | 5320-1108068-01 | Пружина | |
| 57 | 5320-1108072 | Скоба пружины | |
| 58 | 5320-1108043 | Тяга промежуточная | |
| 59 | 260034 | Палец 8х25 |
Содержащиеся в справочниках-каталогах запасные части и детали не предлагаются к продаже, а носят исключительно информационный характер