Вернуться на главную
Поиск
Каталоги запчастей к технике
Грузовые автомобили и прицепы
Камский автозавод
43101
Ресиверы пневмотормозов
Каталог запасных частей к технике: Камский автозавод 43101. Ресиверы пневмотормозов
zoom-in
zoom-out
enlarge
shrink
circle-right
circle-left
file-text2
info
cart
Тип техники
Не выбрано
Легковые автомобили
Грузовые автомобили и прицепы
Автобусы
Сельхозтехника
Спецтехника
Двигатели
Мототехника
Марка
Не выбрано
BAW
DAF
DongFeng
FAW
Foton
HOWO
Hyundai
IVECO
JAC Motors
LGMG
MAN
Shaanxi
SITRAK
Studebaker
Tata
Volvo
Автокомпонент Плюс
БелАЗ
Брянский Арсенал
ГАЗ
ЗИЛ
КАЗ
Камский автозавод
КрАЗ
Мадара
МАЗ
МЗКТ
МоАЗ
Нефтекамский автозавод
Ставропольский Завод АвтоПрицепов
ТАТРА
Тонар
УралАЗ
ЧМЗАП
Модель
Не выбрано
4308 (2004)
4308 (2008)
4308 (Евро 3) (2013)
4308 (Евро 4) (2012)
4308-C4 (2019)
4308-C4 (2019)
4308-H3 (2019)
4308-R4 (2019)
4310
4310
43101
43114
43118 (2002)
43118 (Евро 4) (2012)
43253 (Часть-1) (2011)
43253 (Часть-2) (2011)
43253, 43255 (Евро-4) (2012)
43255 (Евро-2) (2012)
43255 (Евро-3) (2012)
4326 (2001)
4326 (2003г)
43261 (Евро-1, 2) (2007)
4350 (4х4) (2004)
43501 (4х4) (2007)
43502 (Евро 4) (2013)
45141 (2009)
45142 (2009)
45143 (2009)
5308 (Евро 3) (2012)
5308 (Евро 4) (2013)
5315
5320
53212
53228, 65111 (2004)
53229 (Евро 2) (2010)
5350 (6х6) (2004)
53501 (6х6) (2007)
53504 (6х6) (2007)
5360
53605 (Евро-4) (2013)
5410
54112
5460
5460 (2005)
5490 (2016)
55102
5511 (2003)
6350 (8х8) (2004)
63501 (8х8) (2007)
6450 (8х8) (2007)
6460
6460 (Евро 3, 4) (2013)
6460 (Евро 4) (2013)
65111 (2008)
65111 (Евро 4) (2012)
65115 (2001)
65115 (2009)
65115 (Евро-3) (2013)
65115, 65116 (Евро-4) (2010)
65116 (2006)
6520
6520 (Euro-2, 3) (2009)
6520 (Euro-4) (2012)
6520 (Euro-4) (2016)
65201 (2007)
65201 Евро 2-3 (2016)
6522 (2005)
6522 (Euro-2, 3) (2009)
6522 (Евро-4) (2016)
65226 (2009)
65226 (2013)
6540
KNORR-BREMSE применяемых на технике Камского автозавода
Общий (5320, 53212, 5410, 54112, 5511, 55102)
Самосв. установка 6520 (2011)
Схема
>
Не выбрано
Кабина (сварка) 4310-5000020
Установка кронштейнов и механизма уравновешивания кабины М5320-5000003
Подвеска задняя кабины 4310-5000005
Установка цилиндра и трубопроводов опрокидывающего механизма кабины 4310-5000079
Рессора кабины 5320-5001080
Установка ограничителя подъема кабины 4310-5002051
Цилиндр опрокидывающего механизма кабины 4310-5003014
Клапан запорный 4310-5003160
Насос опрокидывающего механизма кабины и запасного колеса 4310-5004009
Насос опрокидывающего механизма кабины и запасного колеса 4310-5004010
Запор кабины
Запор кабины
Основания кабины (пол) 4310-5100010
Ковер пола
Термоизоляция пола
Уплотнители пола
Рама ветрового окна
Стеклоочиститель и его привод
Стекла и уплотнение
Насос водяной очистки стекла
Передок кабины 5320-5300010
Панель приборов в сборе 4310-5300023МЧ
Монтаж и крепление панели приборов 4310-5300023МЧ
Ящик вещевой 5320-5303012
Дверка вещевого ящика 5320-5303020
Термошумоизоляция внутренней панели
Боковина кабины левая 4310-5400011 и правая 4310-5400010
Обивка боковины кабины
Боковина кабины
Обивка боковины кабины (КамАЗ-43106)
Задок кабины 5320-5600010
Обивка задка
Окно задка
Термоизоляция задка
Мотоотсек
Крыша кабины 5320-5700020
Обивка крыши
Термоизоляция крыши
Люки крыши
Дверь правая (сварка) 5320-6100014
Дверь левая (сварка) 5320-6100015
Дверь боковая в сборе правая 5320-6100010, левая 5320-6100011
Замки и ручки двери
Сиденье водителя 5320-6800010
Механизм регулирования положения сиденья водителя 5320-6804110
Установка элементов отопления и вентиляции кабины
Кран сливной 5320-8105010
Зеркала
Ручка входная левая 5320-8202201, правая 5320-8202200
Буквы эмблемы
Ремни безопасности
Пепельница передняя в сборе
Козырек
Панель облицовочная 5320-8401010
Крыло, брызговик и подножка
Замок панели 5320-8406010
Обтекатели
Платформа в сборе 4310-8500010
Основание платформы в сборе 4310-8501010
Каркас основания платформы в сборе 4310-8501016
Борта платформы 4310-8500010
Борт платформы боковой (КамАЗ-43106)
Борт платформы задний (КамАЗ-43106)
Сиденья платформы 4310-8500010
Скамейка платформы средняя в сборе 4310-8506150
Тент платформы
Каркас тента платформы 4310-8508008
Двигатель с оборудованием, основная комплектация
Установка масляных радиаторов и маслопроводов
Блок цилиндров, картер масляный и фильтр очистки масла
Установка картера маховика
Газораспределительный механизм
Установка вала коленчатого с маховиком
Установка выпускных коллекторов
Установка насоса масляного
Подвеска силового агрегата в сборе
Блок цилиндров
Блок цилиндров 740.1002011
Картер маховика 740.1002310
Головка цилиндра 740.1003010-30
Поршень с шатуном и кольцами в сборе 740.1004010-10, 740.1004010-14
Вал коленчатый 740.1005008
Маховик 740.1005115-10
Насос масляный 740.1011014-30
Фильтр грубой очистки масла 740.1012010-01
Радиатор масляный двигателя 54112-1013010
Кран масляной системы 5320-1013095
Вентиляция картера двигателя
Устройство предпусковое подогревательное
Устройство предпусковое подогревательное
Устройство предпусковое подогревательное
Устройство предпусковое подогревательное
Устройство предпусковое подогревательное
Устройство предпусковое подогревательное
Устройство предпусковое подогревательное
Фильтр центробежный очистки масла 740-1017010-30
Установка электромагнитного клапана 740.1022800
Шестерня ведущая привода распределительного вала 740.1029114, шестерня ведомая привода топливного насоса 740.1029120
Установка и привод ТНВД
Система питания двигателя
Установка впускных коллекторов
Бак топливный
Бак топливный (КамАЗ-43106)
Кронштейн крепления топливного бака
Трубопроводы топливные
Трубопроводы топливные (КамАЗ-43106)
Фильтр грубой очистки топлива в сборе 740.1105010
Насос топливный низкого давления (ТННД) 33.1106010
Акселератор
Установка воздухоочистителя
Фильтр воздушный
Крышка регулятора верхняя 33.1110024
Державка грузов регулятора 33.1110040, муфта грузов регулятора 33.1110060, рычаги с корректорами регулятора 33.1110160
Насос топливный высокого давления 33.1111007-10
Насос топливный высокого давления 33.1111007-02
Регулятор частоты вращения 33.1111007-02
Корпус ТНВД в сборе 33.1111020
Пара плунжерная
Форсунка 33.1112010
Фильтр тонкой очистки топлива 740.1117010
Муфта опережения впрыскивания топлива 33.1121010-01
Глушитель выхлопа
Система охлаждения двигателя
Радиатор и трубопроводы 5320-1300023
Подвеска радиатора 5320-1300023
Бачок расширительный и трубопроводы 5320-1300023
Кран сливной 5320-1300023
Установка уплотнителей радиатора 5320-1301003
Хомут 5320-1303030
Труба водяная правая 740.1303100. Труба водяная левая 740.1303101
Коробка водяная 740.1303178
Пробка радиатора 5320-1304010
Насос водяной 740.1307010-02
Крыльчатка вентилятора 740.1308012
Управление жалюзи радиатора 5320-1310012
Жалюзи радиатора 5320-1310110
Бачок расширительный 5320-1311010
Гидромуфта привода вентилятора с передней крышкой 740.1318010
Включатель гидромуфты привода вентилятора 740.1318210-01
Сцепление
Привод управления сцеплением
Усилитель привода управления сцеплением (ПГУ)
Коробка передач в сборе 14.1700026
Коробка передач
Валы и шестерни коробки передач
Механизм переключения передач
Привод управления механизмом переключения передач 14.1703005
Привод управления механизмом переключения передач 14.1703006
Опора с рычагом переключения передач 14.1703204
Опора рычага переключения передач 14.1703206
Коробка раздаточная с коробкой отбора мощности в сборе 4310-1800020
Вал промежуточный коробки раздаточной в сборе 4310-1802084
Вал промежуточный коробки раздаточной в сборе 4310-1802084
Дифференциал коробки раздаточной
Дифференциал коробки раздаточной
Картер привода переднего моста
Механизм включения низшей передачи раздаточной коробки
Механизм включения высшей передачи раздаточной коробки
Привод управления механизмом переключения передач
Вал карданный заднего моста с карданами в сборе 5320-2201011
Вал карданный основной с карданами в сборе 4310-2202011
Вал карданный переднего моста с карданами в сборе 4310-2203011
Вал карданный среднего моста с карданами в сборе 4310-2205011
Мост передний в сборе 4310-2300010
Передача главная моста переднего 4310-2300010
Дифференциал моста переднего 4310-2303010
Кулак поворотный правый моста переднего 4310-2300010
Кулак поворотный левый моста переднего 4310-2300010
Кулаки поворотные моста переднего (КамАЗ-43106, остальное см. КамАЗ-4310)
Мост задний в сборе 4310-2400010
Картер моста заднего 4310-2400010
Передача главная моста заднего 4310-2400010
Дифференциал и полуоси моста заднего 4310-2400010
Мост промежуточный в сборе 4310-2500010
Картер моста промежуточного 4310-2500010
Картер моста промежуточного (КамАЗ-43106, остальное см. КамАЗ-4310)
Передача главная моста промежуточного 4310-2502010
Рама в сборе 4310-2800010
Буфер передний 4310-2803010 и буфер задний 4310-2804015
Прибор буксирный в сборе 4310-2707210
Установка передней подвески 43105-2900001
Амортизатор в сборе
Установка задней подвески (в сборе) 4310-2900002
Установка задней подвески 4310-2900002
Рессора задняя 5320-2912007-10
Кронштейн балансира с осью 5320-2918052
Башмак рессоры с втулками и сальником 4310-2918068
Штанга реактивная с пальцами 4310-2919012
Колеса и ступицы колес
Держатель запасного колеса в сборе 4310-3105010
Держатель запасного колеса 4310-3105010
Шины в сборе 4310-3106010-10
Кран управления давлением системы накачивания шин 4310-3122010
Подвод воздуха к шинам
Трубопроводы системы накачивания шин
Механизм управления рулевого в сборе 4310-3400020
Редуктор угловой в сборе 4310-3401710
Колесо рулевое, вал карданный и колонка управления рулевого
Насос гидроусилителя руля левого вращения 53212-3407200
Крышка насоса гидроусилителя руля 53212-3407212
Фильтр насоса гидроусилителя руля 53212-3407338
Трубопроводы и радиатор масляный гидроусилителя руля
Тяги рулевые
Клапан управления гидроусилителем руля 4310-3430012
Тормоза рабочие передние
Тормоза рабочие задние
Педаль тормозная и привод
Трубопроводы пневмопривода тормозных систем
Компрессор пневмотормозов 5320-3509015
Патрубок со шлангом 740.3509279
Водоотделитель пневмотормозов тормозной системы 11.3511010
Регулятор давления пневмотормозов 100-3512010
Ресиверы пневмотормозов
Кран тормозной двухсекционный 100-3514010
Клапан защитный тройной в сборе 100-3515210
Клапан защитный одинарный в сборе 100-3515010
Клапан контрольного вывода в сборе 100-3515310
Клапан ускорительный в сборе 100-3518010
Камера тормозная в сборе 100-3519210
Камера тормозная с пружинным энергоаккумулятором типа 20/20 в сборе 100-3519100-10
Кран разобщительный в сборе ТОО-3520010
Головки соединительные типа: «А» - 100-3521010, «Палм» - 100-3521110
Клапан управления с двухпроводным приводом в сборе 100-3522010
Клапан управления тормозами прицепа с однопроводным приводом в сборе 100-3522110
Кран тормозной обратного, действия с ручным управлением в сборе 100-3537010
Кран аварийного растормаживания в сборе 100-3537110
Клапан двухмагистральный в сборе 100-3562010
Привод тормоза вспомогательного
Тормоз вспомогательный и его привод (КамАЗ-43106)
Цилиндр вспомогательного тормоза пневматический 100-3570210
Цилиндр выключения подачи топлива пневматический 100-3570110
Генератор 740.3701008-40
Кронштейн крепления генератора 740.3701770
Установка батарей аккумуляторных и выключателя массы
Стартер 740.3708000
Электродвигатели отопителя
Розетка штепсельная прицепа в сборе 5320-3723100
Розетка штепсельная лампы переносной на раме в сборе 5320-3723230
Предохранители электрических цепей и электродвигатель вентилятора
Фары и фонари передние
Установка приборов освещения на кабине
Установка задних фонарей
Сигналы звуковые среднего тона 5320-3721260, высокого тона 5320-3721252
Сигнал пневматический в сборе 5320-3721410
Прожектор, прерыватель указателей поворота и резистор факельного устройства облегчения пуска
Электрооборудование подогревателя
Фары противотуманные
Реле разного назначения
Переключатель света комбинированный в сборе 5320-3709210
Панель выключателей 4310-3710428
Выключатели и спидометр
Щиток приборов 4310-3805010-10, 4310-3805010-14
Датчик указателя уровня топлива 5320-3827010
Датчик указателя температуры охлаждающей жидкости 5320-3828010
Датчики указателя давления масла 5320-3829010
Манометр шинный
Манометр воздуха двухстрелочный
Манометры (КамАЗ-43106)
Амперметр (КамАЗ-43106)
Индикатор засоренности воздухоочистителя 5320-3814010
Установка коробки отбора мощности 4310-1800020
Коробка отбора мощности 4310-4204010
Камера включения коробки отбора мощности в сборе 4310-4204360
Установка лебедки
Редуктор лебедки 4310-4501014
Тросоукладчик лебедки, барабан троса и поперечина
Ролик опорный малый в сборе 4310-4501344
Ролики направляющие троса лебедки в сборе 4310-4501280
Ролик опорный троса лебедки 4310-4501294
Ролики троса лебедки передние в сборе 4310-4501248
Валы карданные лебедки
Тросоукладчик лебедки в сборе 4310-4511010
Инструмент шанцевый
Комплект запасных частей индивидуальный
Инструмент водителя и принадлежности
Шприц для смазки, канистры, огнетушитель, бачок, утеплитель передка, насос топливоперекачивающий и приспособление для накачивания шин
Таблички инструкционные
Таблички инструкционные (КамАЗ-43106)
Таблички заводские автомобиля
Автомобиль в сборе
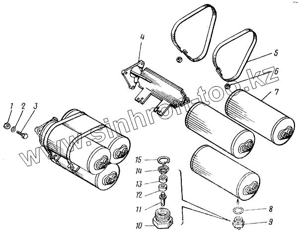
1
2
3
4
5
6
7
8
9
10
11
12
13
14
15
Позиция на иллюстрации
Заводской номер детали
Название детали
1/21640/11
1/21640/11
Гайка М14х1,5-6Н
1/05171/70
1/05171/70
Шайба 14 пружинная
1/14220/21
1/14220/21
Болт М14х1,5-6gх55
1
1/61015/11
Гайка М12х1,25-6Н
2
1/05170/70
Шайба 12 пружинная
3
1/55409/21
Болт М12х1,25-6gх55
4
54112-3513081
Кронштейн крепления ресиверов в сборе
5
54112-3513185
Хомут в сборе
6
251646
Гайка М10х1,25-6Н ОСТ 37.001.197-75
7
5320-3513014
Ресивер в сборе
8
1/02634/60
Прокладка 22х28х1,5
9
100-3513110
Кран слива конденсата в сборе
10
100-3513120
Корпус
11
100-3513124
Толкатель
12
100-3513125
Клапан
13
100-3513127
Тарелка пружины
14
100-3513126
Пружина
15
489315
Кольцо упорное
Содержащиеся в справочниках-каталогах запасные части и детали не предлагаются к продаже, а носят исключительно информационный характер
Дополнительная информация
×
Название:
Номер:
Примечание: