Вернуться на главную
Поиск
Каталоги запчастей к технике
Грузовые автомобили и прицепы
Камский автозавод
4308 (Евро 3)
5460-6804010 Механизм подрессоривания
Каталог запасных частей к технике: Камский автозавод 4308 (Евро 3). 5460-6804010 Механизм подрессоривания
zoom-in
zoom-out
enlarge
shrink
circle-right
circle-left
file-text2
info
cart
Тип техники
Не выбрано
Легковые автомобили
Грузовые автомобили и прицепы
Автобусы
Сельхозтехника
Спецтехника
Двигатели
Мототехника
Марка
Не выбрано
BAW
DAF
DongFeng
FAW
Foton
HOWO
Hyundai
IVECO
JAC Motors
LGMG
MAN
Shaanxi
SITRAK
Studebaker
Tata
Volvo
Автокомпонент Плюс
БелАЗ
Брянский Арсенал
ГАЗ
ЗИЛ
КАЗ
Камский автозавод
КрАЗ
Мадара
МАЗ
МЗКТ
МоАЗ
Нефтекамский автозавод
Ставропольский Завод АвтоПрицепов
ТАТРА
Тонар
УралАЗ
ЧМЗАП
Модель
Не выбрано
4308 (2004)
4308 (2008)
4308 (Евро 3) (2013)
4308 (Евро 4) (2012)
4308-C4 (2019)
4308-C4 (2019)
4308-H3 (2019)
4308-R4 (2019)
4310
4310
43101
43114
43118 (2002)
43118 (Евро 4) (2012)
43253 (Часть-1) (2011)
43253 (Часть-2) (2011)
43253, 43255 (Евро-4) (2012)
43255 (Евро-2) (2012)
43255 (Евро-3) (2012)
4326 (2001)
4326 (2003г)
43261 (Евро-1, 2) (2007)
4350 (4х4) (2004)
43501 (4х4) (2007)
43502 (Евро 4) (2013)
45141 (2009)
45142 (2009)
45143 (2009)
5308 (Евро 3) (2012)
5308 (Евро 4) (2013)
5315
5320
53212
53228, 65111 (2004)
53229 (Евро 2) (2010)
5350 (6х6) (2004)
53501 (6х6) (2007)
53504 (6х6) (2007)
5360
53605 (Евро-4) (2013)
5410
54112
5460
5460 (2005)
5490 (2016)
55102
5511 (2003)
6350 (8х8) (2004)
63501 (8х8) (2007)
6450 (8х8) (2007)
6460
6460 (Евро 3, 4) (2013)
6460 (Евро 4) (2013)
65111 (2008)
65111 (Евро 4) (2012)
65115 (2001)
65115 (2009)
65115 (Евро-3) (2013)
65115, 65116 (Евро-4) (2010)
65116 (2006)
6520
6520 (Euro-2, 3) (2009)
6520 (Euro-4) (2012)
6520 (Euro-4) (2016)
65201 (2007)
65201 Евро 2-3 (2016)
6522 (2005)
6522 (Euro-2, 3) (2009)
6522 (Евро-4) (2016)
65226 (2009)
65226 (2013)
6540
KNORR-BREMSE применяемых на технике Камского автозавода
Общий (5320, 53212, 5410, 54112, 5511, 55102)
Самосв. установка 6520 (2011)
Схема
>
Не выбрано
4308-0001060-НЗ Автомобильное шасси КАМАЗ-4308 (EBPO-3). Комплектовочная ведомость.
4308-0001064-Н3 Автомобильное шасси КАМАЗ-4308 (EBPO-3). Комплектовочная ведомость.
4308-1000253-30 Агрегат силовой, укомплектованный для установки на автомобиль
4308-1000253-40 Агрегат силовой, укомплектованный для установки на автомобиль
4308-1001000-03 Установка кронштейнов силового агрегата
4308-1001000-13 Установка кронштейнов силового агрегата
4308-1001005-03 Установка силового агрегата
4308-1001005-13 Установка силового агрегата
4308-1009001 Установка деталей крепления указателя уровня масла
4308-1080010 Капотирование нижнего моторного отсека
4308-1080010-30 Установка шумоизоляционного экрана силового агрегата нижнего
4308-1100030-10 Установка топливных баков, ФГОТ и топливопроводов
53215-1101010-04 Бак топливный
53215-1103001 Установка крышки топливного бака
65115-1104012-02 Трубка приемная с фильтром
5297-1108002 Установка педали электронного управления подачей топлива
4308-1109001-10 Установка воздушного фильтра
4308-1109003-10 Установка воздухозаборника
4308-1109400-10 Воздухозаборник с уплотнителем
4308-1170003 Установка системы охлаждения наддувочного воздуха
5308-1170000 Установка системы охлаждения наддувочного воздуха
4308-1200003-10 Установка системы выпуска
4308-1200005 Установка системы выпуска
4308-1300023-10 Установка радиатора
4308-1300023-50 Установка радиатора
4308-1308005-20 Установка вентилятора с вязкостной муфтой
43085-1308005 Установка вентилятора с вязкостной муфтой
4308-1311005-10 Установка бачка расширительного
4308-1311005-50 Установка расширительного бачка
4308-1311010 Бачок расширительный
5308-1311010 Бачок расширительный
4308-1311086 Скоба наружная
43255-1311086 Скоба наружная
4308-1580004 Установка шумоизоляционного экрана нижнего КПП
4308-1580004-10 Установка шумоизоляционного экрана нижнего КПП
4308-1600006-60 Установка педали и привода выключения сцепления
4308-1600006-70 Установка педали и привода выключения сцепления
4308-1602008-30 Педаль сцепления с кронштейном и главным цилиндром
5320-1602510-10 Главный цилиндр управления сцеплением
5320-1602560 Бачок главного цилиндра привода сцепления
5320-1602568 Толкатель поршня главного цилиндра
4308-1600010-60 Установка сцепления и коробки передач
43255-1609509-10 Установка пневмогидравлического усилителя
4308-1703005-81 Привод управления механизмом переключения передач
4308-1703005-82 Привод управления механизмом переключения передач
4308-1703204 Опора рычага переключения передач
4308-1703325-81 Тяга в сборе
4308-1703325-82 Тяга
6540-1703520-06 Тяга реактивная
4308-2200001-94 Установка карданных валов
4308-2200001-95 Установка карданных валов
4308-2201006-94 Вал карданный трехшарнирный
4308-2201006-95 Вал карданный трехшарнирный
4308-2201011-90 Вал карданный заднего моста
4308-2201017-90 Вал карданный с шарниром
53205-2201020 Шарнир приварной
53205-2201026-10 Крестовина карданного вала
53205-2201050 Вилка скользящая с шарниром
4308-2202011-28 Вал карданный промежуточный с опорой
4308-2202011-29 Вал карданный промежуточный с опорой
4308-2202017-28 Вал карданный с шарниром
4308-2202017-29 Вал карданный с шарниром
43081-2400015-10 Мост задний
43081-2402011-10 Передача главная заднего моста
43081-2402015 Картер редуктора заднего моста
43081-2402021-10 Шестерня ведущая заднего моста
43081-2402048 Стакан подшипников
43081-2402050 Крышка подшипника
43081-2403011-10 Дифференциал межколесный
53212-2403054 Сателлит дифференциала заднего моста с втулкой
4308-2411020-03 Привод блокировки межколесного дифференциала
4308-2707001 Установка тягово-сцепного устройства
4308-2800010-63 Рама
4308-2801003-20 Установка буксирной поперечины
4308-2803001 Установка переднего противоподкатного защитного устройства
4308-2803004 Установка облицовки буфера
4308-2804003 Установка заднего буфера
5410-2806040 Установка буксирной проушины
4308-2900001 Установка передней подвески
4308-2902012-15 Рессора передняя
4308-2900002 Установка задней подвески
65115-2902012-15 Рессора передняя
4308-2913012-10 Рессора дополнительная
4308-2900002-20 Установка задней подвески
4308-4000013-11 Система управления пневматической подвеской. Расположение на автомобиле.
4308-3000012 Ось передняя с тормозами
4308-3000015 Ось передняя
4308-3001012 Кулак поворотный
4308-3001024 Опорный подшипник поворотного кулака
4308-3101702 Установка передних колес
4308-3101703 Установка сдвоенных колес
4308-3101711 Колесо 6,75x19,5 с шиной
4308-3103009 Ступица колеса с диском тормоза, подшипником и манжетой
4308-3103010 Ступица колеса с диском тормоза
4308-3104009-42 Ступица заднего колеса с диском тормоза, подшипником и манжетами
4308-3104010-42 Ступица заднего колеса с диском тормоза
4308-3105010-50 Установка держателя запасного колеса
4308-3400012-40 Установка рулевого механизма
4308-3400014-40 Установка колонки рулевого управления
4308-3400018-45 Установка трубопроводов
4308-3400018-47 Установка трубопроводов и бачка насоса ГУР
4308-3400019-45 Установка бачка и насоса ГУР
4308-3400019-47 Установка насоса ГУР
4308-3414010-40 Тяга сошки с наконечниками
4308-3422010-40 Вал карданный
53205-3422012 Шарнир карданный
4308-3422014-40 Шарнир с втулкой
6520-3444008-19 Колонка рулевого управления
6520-3444010-19 Колонка рулевого управления
4308-3500006-23 Установка пневмотормозов
4308-3500011-03 Установка осушителя
4308-3500013-03 Установка ресиверов
16-3513110 Кран слива конденсата
4308-3500014 Установка двухсекционного тормозного крана
65115-3514108 Кран тормозной двухсекционный с педалью
4308-3500015-03 Четырехконтурный защитный клапан с соединительной арматурой
53205-3515400-10 Клапан защитный четырехконтурный
4308-3500018-20 Ускорительный клапан с соединительной арматурой
100-3518010-10 Клапан ускорительный
4308-3500022-20 Установка клапана управления тормозами прицепа
4308-3500033 Установка регулятора тормозных сил
4308-3500037-31 Установка кабелей АБС
4308-3500042-31 Установка модуляторов АБС
4308-3500062 Установка двухмагистрального клапана
4308-3501010 Тормоз передний
4308-3502011 Тормоз задний левый
5308-3509000 Установка подвода воздуха к компрессору тормозов
4308-3506180 Установка охладителя
16-3515310 Клапан контрольного вывода
16-3515510 Кран экстренного растормаживания
6460-3570014-10 Корпус вспомогательного тормоза с заслонкой
53205-3570205 Пневмоцилиндр вспомогательного тормоза
53205-3570210 Цилиндр пневматический ф35х65
4308-3501011-01 Тормоз передний левый
5308-3501011 Тормоз передний левый
4308-3502011-01 Тормоз задний левый
308-3502011 Тормоз задний левый
Дисковый тормозной механизм с осевым расположением тормозной камеры.
Комплект датчиков предельного износа для дискового тормозного механизма с осевым расположением тормозной камеры. (KNORR-BREMSE)
Дисковый тормозной механизм с подвижной скобой
4308-3700001-50 Электрооборудование. Расположение на автомобиле
4308-3703001 Установка аккумуляторных батарей
4308-3710004-30 Установка выключателя аккумуляторной батареи
4308-3710001-40 Установка выключателей
4308-3711001 Установка фар
4308-3711003 Установка противотуманных фар
4308-3712001 Установка передних указателей поворота
53205-3714001-10 Установка плафонов
54105-3714002-24 Установка плафона освещения спального места
53205-3714003 Установка плафона освещения вещевого ящика
5320-3715001 Установка подкапотной лампы
53215-3716002 Установка задних фонарей
5320-3721001-10 Установка звуковых электрических сигналов
4308-3722001-30 Установка предохранителей
53602-3722002 Установка блока предохранителей
43114-3723003-70 Установка розеток прицепа
53205-3723005 Установка розетки переносной лампы
53215-3726001 Установка бокового повторителя указателей поворота
54115-3731001 Установка боковых габаритных фонарей на переднем крыле
5320-3737001-01 Установка малогабаритного выключателя массы
53205-3738001 Установка фонарей автопоезда
5425-3738002 Установка габаритных фонарей
65228-3741001 Установка электрооборудования подогревателя
4308-3741001-12 Установка элетрооборудования подогревателя
6520-3741001-92 Установка электрооборудования подогревателя
4308-3741060-12 Установка таймера
65115-3741008 Установка оборудования обогрева зеркал
65115-3741300 Установка контактора подогревателя воздуха
4308-3747001-50 Установка реле
53215-3759001 Установка преобразователя напряжения
740.62-3800001-10 Установка датчиков на двигателе
740.62-3800001-11 Установка датчика на двигателе
4308-3805001-42 Установка щитка приборов
4308-3805010-42 Щиток приборов
4308-3830002 Установка датчиков аварийного давления воздуха
4308-3830005 Установка датчиков указателя давления воздуха
5308-3859001-40 Установка электрооборудования АБС
4308-4000001-14 Электроника. Расположение на автомобиле
6520-4011033 Установка переключателей на панели приборной
6520-4011035-14 Установка индикации на щитке приборов
4308-4011037 Установка датчика педали сцепления
6520-4011040 Установка выключателя моторного тормоза
65115-4012001 Установка предохранителей
6520-4012002 Установка реле
4308-4071003-13 Установка проводов на шасси
4308-4071004-13 Установка проводов на кабине
4308-5000006-40 Установка кабины с оперением
4308-5000003 Переднее крепление и механизм уравновешивания кабины
4308-5000014-04 Кабина с дверями окрашенная
4308-5000075-20 Установка ремней безопасности
4308-5000079-10 Установка механизма опрокидывания кабины
6520-5000120-08 Установка сидений
4308-5001006-01 Установка задней подвески кабины
5320-5001010 Кронштейн переднего крепления кабины верхний
5320-5001080 Рессора кабины
4308-5002051 Установка ограничителя подъема кабины
4310-5002074 Шпилька стопорная
4310-5003010-20 Гидроцилиндр
4310-5003038-20 Поршень
6520-5205001 Установка стеклоочистителя
6520-5208004 Установка омывателя
4308-5300023 Установка панели приборов
4308-5301003 Установка панели боковой съемной левая
53205-5310010 Ручка передка
6522-5325160 Установка поручней панели приборов
4308-5614200-40 Установка шумоизоляционных экранов двигателя
4308-5614200-30 Установка шумоизоляционных экранов двигателя
53205-5713008 Установка вентиляционного люка крыши
53205-6100005 Установка стекол и арматуры двери левой
53205-6100014 Дверь правая
53205-6100015 Дверь левая
5320-6103051-01 Стекло форточки двери
53205-6103210 Стекло двери опускное
53205-6104011 Стеклоподъемник двери
53205-6104030 Механизм стеклоподъемника двери
5320-6104060 Ручка стеклоподъемника
5320-6105020-10 Замок двери правый
5320-6105035-10 Фиксатор замка левый
5320-6105080 Привод замка двери правый в сборе
5320-6105150 Ручка двери наружная
5320-6106083 Ограничитель двери
5460-6800010 Сиденье водителя
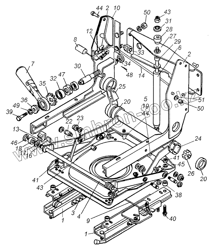
5460-6804010 Механизм подрессоривания
53205-6830010 Сиденье пассажирское с ящиком
6520-6810010 Сиденье пассажирское
4308-7900000 Радиооборудование
5480-7901001 Установка автомагнитолы
5480-7909001 Установка громкоговорителей
4308-8100005 Установка системы отопления кабины
5320-8102030 Сопло обдува ветрового стекла
5320-8105160-01 Кран отопления
5320-8118027 Улитка вентилятора с распределителем левая
5320-8118069 Колесо рабочее с электродвигателем
4308-8109020 Привод управления отоплением
5308-8106001 Установка подогревателя 14TC-01
5308-8106003 Установка подогревателя DBW 2016
4308-8106009 Установка подогревателя 11 ТС
5320-8105010 Кран сливной
5320-8105015 Пробка крана
5460-8201002 Установка зеркал заднего вида
53205-8202011 Поручень входа
53205-8213005 Установка надоконной полки и противосолнечных козырьков
5320-8204011\10 Козырек противосолнечный с обивкой левый\правый
54115-8213005 Установка надоконной полки и противосолнечных козырьков
4308-8400006-10 Установка оперения кабины
4308-8401010 Панель облицовочная
4308-8403010 Установка задней части переднего крыла правая
4308-8403010-30 Установка задней части переднего крыла правая
4308-8403011 Установка задней части переднего крыла левая
4308-8404003-11 Установка задних крыльев
5320-8407011 Петля облицовочной панели левая
5308-8410003 Установка боковой защиты
4308-8417011 Установка облицовки фар левая
4308-8521008-80 Установка кронштейнов на раме
4308-8521008-88 Установка кронштейнов на раме
1
1
1
2
2
2
3
4
5
6
7
8
9
10
10
12
13
14
16
17
18
19
20
20
22
23
24
25
26
27
28
29
30
31
32
33
34
35
36
38
39
40
41
41
43
43
44
44
45
46
47
48
49
50
50
51
Позиция на иллюстрации
Заводской номер детали
Название детали
1
5320-6804111
Механизм перемещения сиденья водителя левый в сборе
1
5320-6804110
Механизм перемещения сиденья водителя правый в сборе
2
5460-6804510
Боковина правая
2
5460-6804511
Боковина левая
3
5320-6804540
Основание подвески сиденья в сборе
4
5320-6804560
Шарнир подвески сиденья водителя передний в сборе
5
5320-6804570
Шарнир подвески сиденья водителя задний в сборе
6
11.6809010
Амортизатор сидения
7
5320-6804756
Ручка регулировки торсиона в сборе
8
5320-8109044-10
Ручка управления
9
5320-6804163
Стяжка механизма перемещения сиденья
10
5320-6804312
Кронштейн крепления спинки сиденья правый
10
5320-6804313
Кронштейн крепления спинки сиденья левый
12
5320-6804327
Пружина регулировочная
13
5320-6804530
Буфер шарнира
14
5460-6804380
Механизм блокировки спинки сиденья (а)
16
5320-6804533
Сухарь буфера
17
5320-6804568
Прокладка подвески сиденья
18
5320-6804569-10
Ролик шарнира
19
5320-6804585
Буфер
20
5320-6804592
Окантовка трубы торсиона подвески сиденья
22
5320-6804614
Ось соединения шарниров подвески
23
5320-6804617
Втулка оси шарнира
24
5320-6804623
Торсион подвески сиденья
25
5320-6804625
Вилка торсиона подвески
26
5320-6804627
Держатель торсиона
27
5320-6804643
Поперечина крепления амортизатора подвески сиденья
28
5320-6804653
Буфер амортизатора наружный
29
5320-6804655
Буфер амортизатора внутренний
30
5320-6804665
Винт регулировки торсиона
31
5320-6804675
Шайба специальная
32
5320-6804681-01
Подкладка ручки
33
5320-6804683
Втулка скользящая
34
5320-6804741
Ограничитель винта
35
5320-6804749
Звездочка винта
36
5320-6804751
Подкладка ручки
38
1/21647/11
Гайка М10х1,25-6Н
39
1/60434/21
Болт М8-6gх20
40
1/32796/01
Винт с крестообразным шлицем
41
1/61008/11
Гайка М8х1,25-6Н
43
251646
Гайка М10х1,25-6Н ОСТ 37.001.197-75
44
1/04315/00
Заклепка 6х14
45
1/05166/77
Шайба 8 пружинная
46
1/10880/76
Шайба стопорная 9х18,5х1,1
47
108903
Подшипник
48
1/07969/01
Шплинт 3,7х25
49
1/05166/77
Шайба 8 пружинная
50
251645
Гайка М8-6Н ОСТ 37.001.197-75
51
1/05166/77
Шайба 8 пружинная
Содержащиеся в справочниках-каталогах запасные части и детали не предлагаются к продаже, а носят исключительно информационный характер
Дополнительная информация
×
Название:
Номер:
Примечание: