Вернуться на главную
Поиск
Каталоги запчастей к технике
Грузовые автомобили и прицепы
Камский автозавод
4308
4308-3830002 Установка датчиков аварийного давления воздуха
Каталог запасных частей к технике: Камский автозавод 4308. 4308-3830002 Установка датчиков аварийного давления воздуха
zoom-in
zoom-out
enlarge
shrink
circle-right
circle-left
file-text2
info
cart
Тип техники
Не выбрано
Легковые автомобили
Грузовые автомобили и прицепы
Автобусы
Сельхозтехника
Спецтехника
Двигатели
Мототехника
Марка
Не выбрано
BAW
DAF
DongFeng
FAW
Foton
HOWO
Hyundai
IVECO
JAC Motors
LGMG
MAN
Shaanxi
SITRAK
Studebaker
Tata
Volvo
Автокомпонент Плюс
БелАЗ
Брянский Арсенал
ГАЗ
ЗИЛ
КАЗ
Камский автозавод
КрАЗ
Мадара
МАЗ
МЗКТ
МоАЗ
Нефтекамский автозавод
Ставропольский Завод АвтоПрицепов
ТАТРА
Тонар
УралАЗ
ЧМЗАП
Модель
Не выбрано
4308 (2004)
4308 (2008)
4308 (Евро 3) (2013)
4308 (Евро 4) (2012)
4308-C4 (2019)
4308-C4 (2019)
4308-H3 (2019)
4308-R4 (2019)
4310
4310
43101
43114
43118 (2002)
43118 (Евро 4) (2012)
43253 (Часть-1) (2011)
43253 (Часть-2) (2011)
43253, 43255 (Евро-4) (2012)
43255 (Евро-2) (2012)
43255 (Евро-3) (2012)
4326 (2001)
4326 (2003г)
43261 (Евро-1, 2) (2007)
4350 (4х4) (2004)
43501 (4х4) (2007)
43502 (Евро 4) (2013)
45141 (2009)
45142 (2009)
45143 (2009)
5308 (Евро 3) (2012)
5308 (Евро 4) (2013)
5315
5320
53212
53228, 65111 (2004)
53229 (Евро 2) (2010)
5350 (6х6) (2004)
53501 (6х6) (2007)
53504 (6х6) (2007)
5360
53605 (Евро-4) (2013)
5410
54112
5460
5460 (2005)
5490 (2016)
55102
5511 (2003)
6350 (8х8) (2004)
63501 (8х8) (2007)
6450 (8х8) (2007)
6460
6460 (Евро 3, 4) (2013)
6460 (Евро 4) (2013)
65111 (2008)
65111 (Евро 4) (2012)
65115 (2001)
65115 (2009)
65115 (Евро-3) (2013)
65115, 65116 (Евро-4) (2010)
65116 (2006)
6520
6520 (Euro-2, 3) (2009)
6520 (Euro-4) (2012)
6520 (Euro-4) (2016)
65201 (2007)
65201 Евро 2-3 (2016)
6522 (2005)
6522 (Euro-2, 3) (2009)
6522 (Евро-4) (2016)
65226 (2009)
65226 (2013)
6540
KNORR-BREMSE применяемых на технике Камского автозавода
Общий (5320, 53212, 5410, 54112, 5511, 55102)
Самосв. установка 6520 (2011)
Схема
>
Не выбрано
4308-5000003 Переднее крепление и механизм уравновешивания кабины
4308-5000014 Кабина с дверями окрашенная
4308-5000014-04 Кабина с дверями окрашенная
4308-5001006 Установка задней подвески кабины
4308-5001006-01 Установка задней подвески кабины
5320-5001010 Кронштейн переднего крепления кабины верхний
5320-5001080 Рессора кабины
4308-5002051 Установка ограничителя подъема кабины
4310-5002074 Шпилька стопорная
4308-5018010 Запор кабины правый
5320-5018014 Корпус запора кабины правый
5320-5018060 Кронштейн запора кабины правый
4308-5000079-10 Установка механизма опрокидывания кабины
6520-5205001 Установка стеклоочистителя
6520-5208004 Установка омывателя
4308-5300023 Установка панели приборов
4308-5614200 Установка шумоизоляционного экрана
4308-5614200-30 Установка шумоизоляционных экранов двигателя
53205-5713008 Установка вентиляционного люка крыши
53205-6100005 Установка стекол и арматуры двери левой
53205-6100014 Дверь правая
5320-6103051-01 Стекло форточки двери
53205-6103210 Стекло двери опускное
53205-6104011/010 Стеклоподъемник двери
53205-6104030 Механизм стеклоподъемника двери
5320-6104060 Ручка стеклоподъемника
5320-6105020-10 Замок двери правый
5320-6105035-10 Фиксатор замка левый
5320-6105080 Привод замка двери правый
5320-6105150 Ручка двери наружная
5320-6106083 Ограничитель двери
53205-5000120-11 Установка сидений
6520-5000120-08 Установка сидений
53205-6800010 Сидение водителя
5320-6804010 Механизм подрессоривания сиденья водителя
5320-6804111 Механизм перемещения сиденья водителя
5320-6804756 Ручка регулировки торсиона
53205-6810010 Сиденье пассажирское
53205-6830010 Сиденье пассажирское с ящиком
4308-8100005 Установка системы отопления кабины
5320-8102030 Сопло обдува ветрового стекла
5320-8105010 Кран сливной
5320-8105015 Пробка крана
5320-8105160 Кран отопления
4308-8106007 Установка подогревателя
4308-8109020 Привод управления отоплением
5320-8118027 Улитка вентилятора с распределителем левая
5320-8118069 Колесо рабочее с электродвигателем
4308-5000075 Установка ремней безопасности
53205-8201002 Установка зеркал заднего вида
5320-8204011-10 Козырек противосолнечный с обивкой левый\правый
53205-8213005 Установка надоконной полки и противосолнечных козырьков
4308-8400006 Установка оперения кабины
4308-8400006-10 Установка оперения кабины
4308-8403010 Установка задней части переднего крыла правая
4308-8403011 Установка задней части переднего крыла левая
4308-8404003 Установка задних крыльев
5320-8406010-01 Замок панели
5320-8406100 Личинка замка панели
5320-8407011 Петля облицовочной панели левая
4308-8410003-20 Установка боковой защиты
4308-8410003-30 Установка боковой защиты
4308-8500008-20 Установка платформы
4308-1000250 Агрегат силовой, укомплектованный для установки на автомобиль
4308-1000254 Агрегат силовой, укомплектованный для установки на автомобиль
4308-1001005-50 Установка силового агрегата
4308-1009001 Установка деталей крепления указателя уровня масла
4308-1080010 Капотирование нижнего моторного отсека
4308-1100010 Установка топливных баков, ФГОТ и топливопроводов
4308-1100030 Установка топливных баков, ФГОТ и топливопроводов
5320-1101010-10 Бак топливный (250 л)
5320-1101070-10 Труба наливная топливного бака с выдвижной трубой в сборе
5320-1103010-01 Пробка топливного бака
65115-1104012 Трубка приемная с фильтром
4308-1108003 Установка управления подачей топлива
5320-1108054 Наконечник в сборе
5320-1108120-99 Тяга ручного управления подачей топлива
4308-1109001-02 Установка воздушного фильтра
5308-1109003 Установка воздухозаборника
740.1109510-03 Фильтр воздушный
4308-1170000 Установка системы охлаждения наддувочного воздуха
4308-1170000-01 Установка системы охлаждения наддувочного воздуха
4308-1200002 Установка системы выпуска
4308-1300023 Установка радиатора
4308-1308005-10 Установка вентилятора с вязкостной муфтой
4308-1308005-30 Установка вентилятора с вязкостной муфтой
4308-1311005 Установка расширительного бачка
4308-1311005-30 Установка расширительного бачка
4308-1311010 Бачок расширительный
4308-1311086 Скоба наружная
5320-1305030 Пробка с шариком и держателем
4308-1600005 Установка коробки передач и механизма выключения сцепления
4308-1600006 Установка педали и привода выключения сцепления
4308-1600010 Сцепление
4308-1601008 Картер сцепления
4308-1601010 Вилка выключения сцепления с пластиной в сборе
4308-1602008 Педаль сцепления с кронштейном и главным цилиндром
5320-1602510-10 Главный цилиндр управления сцеплением
5320-1602512 Главный цилиндр
5320-1602560 Бачок главного цилиндра привода сцепления
5320-1602568 Толкатель
141.1700108-10 Коробка передач с картером сцепления
14.1701010 Картер коробки передач
141.1701025-30 Вал первичный коробки передач
141.1701027-30 Вал первичный коробки передач с втулкой
14.1701039-60 Крышка подшипника первичного вала - Primary shaft bearing cover
14.1701047 Вал промежуточный
141.1701100-20 Вал вторичный
14.1701200 Крышка заднего подшипника вторичного вала
14.1701201 Крышка заднего подшипника вторичного вала
14.1702010 Механизм переключения передач
14.1702013 Крышка коробки передач верхняя
14.1702026 Вилка переключения 2-ой и 3-ей передач
14.1702031 Вилка переключения 4-ой и 5-ой передач
142.1702200 Опора рычага переключения передач
142.1702208 Опора рычага переключения передач
4308-1703005 Привод управления механизмом переключения передач
4308-1703005-50 Привод управления механизмом переключения передач
4308-1703204 Опора рычага переключения передач в сбор
4308-1703325 Тяга в сборе
4308-1703494 Вилка с втулками в сборе
4308-1703520 Тяга реактивная в сборе
4308-2200001-51 Установка карданных валов
4308-2200001-52 Установка карданных валов
4308-2200001-73 Установка карданных валов - Cardan shafts installation
4308-2200001-74 Установка карданных валов
4308-2200001-80 Установка карданных валов
4308-2201006-73 Вал карданный трехшарнирный
4308-2201006-74 Вал карданный трехшарнирный
4308-2201006-80 Вал карданный трехшарнирный
4308-2201011-20 Вал карданный заднего моста
4308-2201011-51 Вал карданный заднего моста
4308-2201011-52 Вал карданный заднего моста
4308-2201017-20 Вал карданный с шарниром
4308-2201017-51 Вал карданный с шарниром
4308-2201017-52 Вал карданный с шарниром
53205-2201020 Шарнир приварной
53205-2201026-10 Крестовина карданного вала в сборе
53205-2201050 Вилка скользящая с шарниром
4308-2202011-70 Вал карданный промежуточный с опорой
4308-2202011-72 Вал карданный промежуточный с опорой
4308-2202017-70 Вал карданный с шарниром
53205-2205026-10 Крестовина карданного вала в сборе
43081-2400015-10 Мост задний
43081-2401114 Сапун
43081-2402011-10 Передача главная заднего моста
43081-2402015 Картер редуктора заднего моста
43081-2402021-10 Шестерня ведущая заднего моста
43081-2402048 Стакан подшипников
43081-2402050 Крышка подшипника
43081-2403011-10 Дифференциал межколесный
53212-2403054 Сателлит дифференциала заднего моста с втулкой в сборе
4308-2411010-55 Привод блокировки межколесного дифференциала
4308-2411020-03 Привод блокировки межколесного дифференциала
5320-2511060 Кран включения блокировки
5320-2511066 Шток
4308-2800010 Рама
4308-2800010-40 Рама
4308-2800010-50 Рама
4308-2801003-10 Установка буксирной поперечины
4308-2803004 Установка облицовки буфера
4308-2804003 Установка заднего буфера
5410-2806040 Установка буксирной проушины
4308-2900001 Установка передней подвески
4308-2900002 Установка задней подвески
4308-2902012-10 Рессора передняя
65115-2902012-10 Рессора передняя
65115-2902020 Ушко со втулкой
4308-2913012-10 Рессора дополнительная
4308-3000012 Ось передняя с тормозами
4308-3000015 Ось передняя
4308-3001012 Кулак поворотный
4308-3001024 Опорный подшипник поворотного кулака
4308-3101702 Установка передних колес
4308-3101703 Установка сдвоенных колес
4308-3101711 Колесо 6,75x19,5 с шиной
4308-3103009 Ступица колеса с диском тормоза, подшипником и манжетой
4308-3103010 Ступица колеса с диском тормоза
4308-3104009-42 Ступица заднего колеса с диском тормоза, подшипником и манжетами
4308-3104010-42 Ступица заднего колеса с диском тормоза
4308-3105010 Установка держателя запасного колеса
4308-3105010-50 Установка держателя запасного колеса
4308-3400012-30 Установка рулевого механизма
4308-3414010-10 Тяга с наконечниками
4308-3400014-01 Установка рулевой колонки
4308-3400018-30 Установка трубопроводов и бачка насоса ГУР
4308-3400018-41 Установка трубопроводов и бачка насоса ГУР
5297-3414052 Тяга рулевой трапеции
6520-3414055 Наконечник тяги
53205-3422010 Вал карданный рулевого управления
53205-3422012 Шарнир карданный
53205-3422014 Шарнир с втулкой
53205-3422122 Уплотнитель с втулкой
53205-3444009 Рулевая колонка
4308-3500006 Установка пневмотормозов
4308-3500006-22 Установка пневмотормозов
4308-3500006-40 Установка пневмотормозов
4308-3500006-47 Установка пневмотормозов
4308-3500011-12 Установка осушителя
4308-3500011-16 Установка осушителя
4308-3500013 Установка ресиверов
6520-3500014 Установка двухсекционного тормозного крана
4308-3500015 Установка четырехконтурного защитного клапана
4308-3500018 Установка ускорительного клапана
4308-3500018-20 Ускорительный клапан с соединительной арматурой
4308-3500022-10 Установка клапана управления тормозами прицепа
4308-3500022-20 Установка клапана управления тормозами прицепа
4308-3500033 Установка регулятора тормозных сил
4308-3500037-41 Установка кабелей АБС
4308-3500037-51 Установка кабелей АБС
4308-3500037-91 Установка кабелей АБС
4308-3500042-41 Установка модуляторов АБС
4308-3500062 Установка двухмагистрального клапана
4308-3501010 Тормоз передний
4308-3502011 Тормоз задний левый
4308-3506180 Установка охладителя
4308-3509003 Установка подвода воздуха к компрессору
5320-3514108 Кран тормозной двухсекционный с педалью
53205-3515400-10 Клапан защитный четырехконтурный
100-3518010-10 Клапан ускорительный
6460-3570014-10 Корпус вспомогательного тормоза с заслонкой
53205-3570205 Пневмоцилиндр вспомогательного тормоза в сборе
53205-3570210 Цилиндр пневматический 35x65
4308-3700001-24 Электрооборудование. Расположение на автомобиле
4308-3700001-27 Электрооборудование. Расположение на автомобиле
4308-3700001-30 Электрооборудование. Расположение на автомобиле
4308-3700001-39 Электрооборудование. Расположение на автомобиле
4308-3703001 Установка аккумуляторных батарей
4308-3710001-30 Установка выключателей
4308-3710001-40 Установка выключателей
4308-3710004-30 Установка выключателя аккумуляторной батареи
4308-3711003 Установка противотуманных фар
4308-3712001 Установка передних указателей поворота
53205-3714001-10 Установка плафонов
54105-3714002-24 Установка плафона освещения спального места
53205-3714003 Установка плафона освещения вещевого ящика
5320-3715001 Установка подкапотной лампы
53215-3716002 Установка задних фонарей
5320-3721001-10 Установка звуковых электрических сигналов
4308-3722001-30 Установка предохранителей
53602-3722002 Установка блока предохранителей
43114-3723003-70 Установка розеток прицепа
53205-3723005 Установка розетки переносной лампы
53215-3726001 Установка бокового повторителя указателей поворота
54115-3731001 Установка боковых габаритных фонарей на переднем крыле
53215-3731001-10 Установка боковых габаритных фонарей
53215-3731002 Установка задних контурных фонарей
5320-3737001-01 Установка малогабаритного выключателя массы
53205-3738001 Установка фонарей автопоезда
5425-3738002 Установка габаритных фонарей
65228-3741001 Установка электрооборудования подогревателя
4308-3747001-30 Установка реле
4308-3747001-40 Установка реле
65115-3741008 Установка оборудования обогрева зеркал
53215-3759001 Установка преобразователя напряжения
4308-3805001-30 Установка щитка приборов
4308-3805001-39 Установка щитка приборов
4308-3805010-30 Щиток приборов
4308-3805010-39 Щиток приборов
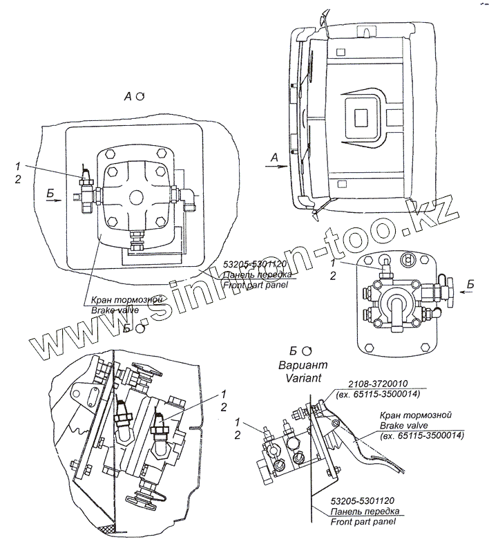
4308-3830002 Установка датчиков аварийного давления воздуха
4308-3859001-41 Установка электрооборудования АБС
43081-3859001-41 Установка электрооборудования АБС
4308-2707001 Установка тягово-сцепного устройства
5511-4202001-20 Установка коробки отбора мощности с насосом
5511-4202005-20 Коробка отбора мощности с насосом
5511-4202010-20 Коробка отбора мощности
1
1
1
1
2
2
2
2
Позиция на иллюстрации
Заводской номер детали
Название детали
1
1/02984/60
Прокладка 12,2х18х1,5
2
4573826193
Датчик аварийного давления воздуха ММ124Д ТУ 37.003.546-76
Содержащиеся в справочниках-каталогах запасные части и детали не предлагаются к продаже, а носят исключительно информационный характер
Дополнительная информация
×
Название:
Номер:
Примечание: