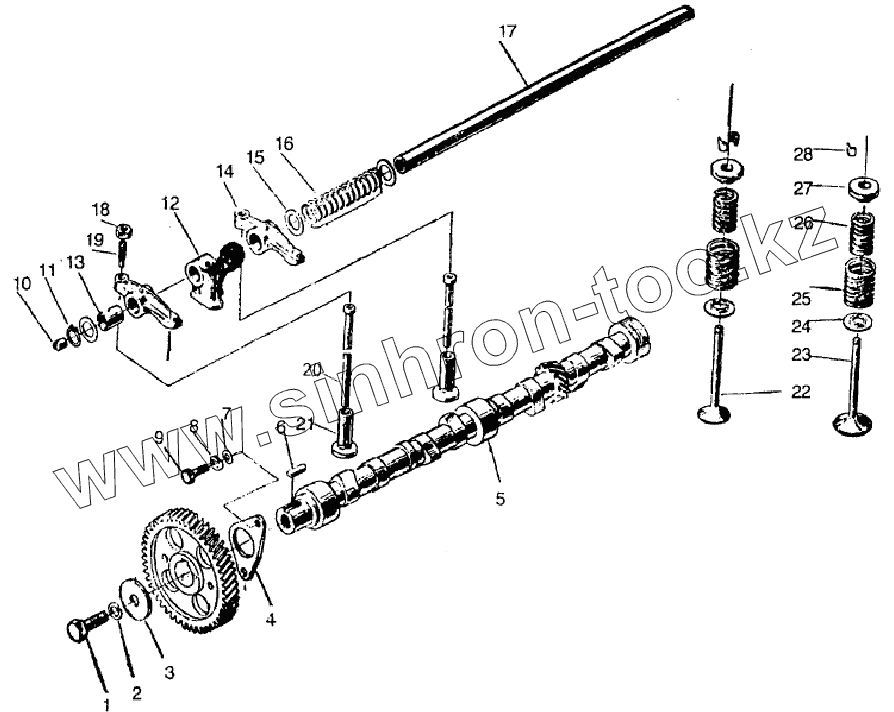
Каталог запасных частей к технике: JAC Motors HFC 1020K-D126. Valve-actuating mechanism
1
2
3
4
5
6
7
8
9
10
11
12
13
14
15
16
17
18
19
20
21
22
23
24
25
26
27
28
| Позиция на иллюстрации | Заводской номер детали | Название детали | |
|---|---|---|---|
| YSD490Q-03207 | YSD490Q-03207 | Rocker shaft rear bracket | |
| 1 | GB5783-86 | Bolt | |
| 2 | GB93-87 | Spring washer | |
| 3 | Y480G-02012 | Camshaft timing clamping plate | |
| 4 | YSD400Q-02010 | Camshaft thrust plate | |
| 5 | YSD490Q-02010 | Camshaft | |
| 6 | GB1096-79 | Flatx key | |
| 7 | GB848-85 | Washer | |
| 8 | GB93-87 | Spring washer | |
| 9 | GB5783-86 | Bolt | |
| 10 | YSD490Q-03208 | Rocker shaft screw plug | |
| 11 | GB894.1-86 | Retainer ring 10 | |
| 12 | YSD490Q-03202 | Rocker shaft bracket | |
| 13 | YSD490-03212 | Rocker arm bush | |
| 14 | YSD490Q-03211 | Rocker | |
| 15 | YSD490Q-03026 | Washer | |
| 16 | YSD490Q-03204 | Rocker shaft spacer spring | |
| 17 | YSD490Q-03205a | Rocker shaft | |
| 18 | GB6171-86 | Nut M8x1 | |
| 19 | YSD490Q-03201 | Adjusting screw | |
| 20 | YSD490Q-06003 | Push rod | |
| 21 | YSD490Q-06002A | Valve tappet | |
| 22 | YSD490Q-03014 | Valve | |
| 23 | YSD490Q-03014 | Valve | |
| 24 | YSD490Q-03010 | Valve spring lower seat | |
| 25 | YSD490Q-03007 | Outer valve spring | |
| 26 | YSD490Q-03017 | Inner valve spring | |
| 27 | YSD490Q-03009 | Valve spring upper seat | |
| 28 | YSD490Q-03008 | Valve collets |
Содержащиеся в справочниках-каталогах запасные части и детали не предлагаются к продаже, а носят исключительно информационный характер