Вернуться на главную
Поиск
Каталоги запчастей к технике
Грузовые автомобили и прицепы
JAC Motors
HFC 1020K-D126
FUEL SUPPLY SYSTEM
Каталог запасных частей к технике: JAC Motors HFC 1020K-D126. FUEL SUPPLY SYSTEM
zoom-in
zoom-out
enlarge
shrink
circle-right
circle-left
file-text2
info
cart
Тип техники
Не выбрано
Легковые автомобили
Грузовые автомобили и прицепы
Автобусы
Сельхозтехника
Спецтехника
Двигатели
Мототехника
Марка
Не выбрано
BAW
DAF
DongFeng
FAW
Foton
HOWO
Hyundai
IVECO
JAC Motors
LGMG
MAN
Shaanxi
SITRAK
Studebaker
Tata
Volvo
Автокомпонент Плюс
БелАЗ
Брянский Арсенал
ГАЗ
ЗИЛ
КАЗ
Камский автозавод
КрАЗ
Мадара
МАЗ
МЗКТ
МоАЗ
Нефтекамский автозавод
Ставропольский Завод АвтоПрицепов
ТАТРА
Тонар
УралАЗ
ЧМЗАП
Модель
Не выбрано
HFC 1020K-D126 (2006)
HFC 1020K-D134 (2010)
HFC 1020KR-D127 (2007)
Схема
>
Не выбрано
1001D4 engine equipment
CYLNDER HEAD COVER
Cylinder head,thermostat, intake manifold and exhaust manifold
Valve-actuating mechanism
Timing gear train
Cylinder blocktiming gear casing and flywheel housing
Pistona and connecting rod assembly
Crankshaft and flywheel
LUBRICATING OIL PUMP AND OIL PIPE ASSEMBLY
OIL SUMP
Cooling system equipment
COOLINNG WATER PUMP FAN AND PULIEY
FUEL SUPPLY SYSTEM
1100D4 Fuel supply system equipment
1108D102 Speedup gearing
1109DF4JC Air-cleaner equipment
1200D126 Exhaust system
1607D4-sg0 Clutch pipeline equipment
Clutch
1602D4 Clutch controlling equipment
Clutch shell
1703D124 Transmission shelves handing equipment
Seat, gear shift control assembly
Main case shell and it’s attachment
1st Shaft and intermediate shaft
2nd Shaft assembly
Fork shaft assembly
Transmission equipment
Steering system
2901D4XZ Front suspension assembly
Rear suspension assembly
3501D120XZ Front brake assembly
3502D120 Rear brake assembly
3506D126 Brake pipe system
3508D4 Parking brake control system
3507Q5 Parking brake
3000D120XZ Front axle assembly
3003600D0 Steering connecting rod assembly
2400D120 Rear axle assembly
3101D4 Wheel assembly
3105D4 Spare tire regulator system
5000E0 Cab assembly
2803D0 Front bomper
5101E0 Parts for cabin floor
5107D4 Engine cover
5110D2 Cab insulation gasket
5206D4 Front windshield glass
5301D4 Front surround
5302E0 Side plate, front side
5305D114 Instrument panel assembly
5402D4 Door pole-inner garnish board
5603D4 Rear windshield glass
5702D4 Front peak inner decoration and ventilation
5703E0 Roof air ventilator equipment
6100E0 Door equipment
6102D4 Door plate assembly
6103E0 Door window
6104E0 Door glass elevator
6105E0 Door lock unit
6106E0 Door hinge assembly
6107D4 Door seal parts
6109E0 Door limitator assembly
6800D2 Drivers seat
7200D2 Double seats
8201E0 Inner rear view mirror
8202D2 Outer rear view mirror
8204D2 Sunshade plate
8212D2 Safety belt system
8220E0 Armrest assembly
8401D4 Viel
8403D4 Front keep-off mud board
8405D4 Footplate
5002DF4JC Cab reversal mechanism
5004D0 Cab lock mechanism
2800D126 Frame unit
8500D4-sg0 Cargo box equipment
8701D124 Side guard bar equipment
8702B10JC Rear guard bar equipment
37D110 Electric equipment (I)
37D110 Electric equipment (II)
37D110 Electric equipment (III)
37D110 Electric equipment (IV)
37D110 Electric equipment (V)
37D110 Electric equipment (VI)
37D110 Electric equipment (VII)
37D110 ELECTRICAL EQUIPMENT (VIII)
38D4JC Instruments
79E4QZ-yc0 Telecommunication equipment
Electrical system
8101D126 Warm air pipe equipment
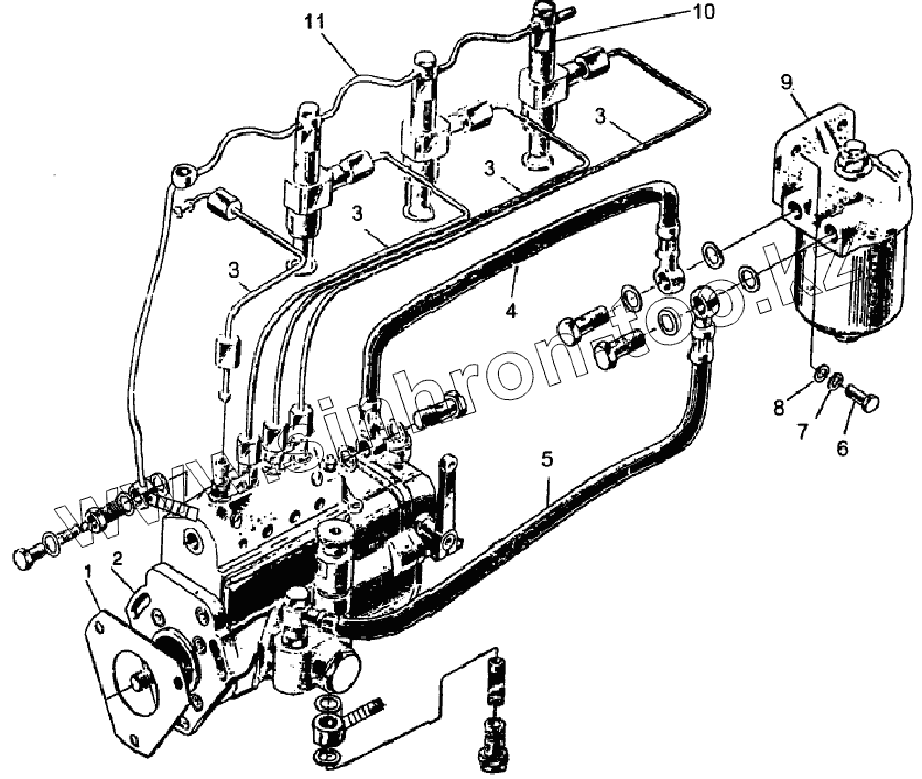
1
2
3
3
3
3
4
5
6
7
8
9
10
11
Позиция на иллюстрации
Заводской номер детали
Название детали
1
Y480G-02002
Furl injection pump gasdet
2
YSD490Q-5-10100
Fuel injection pump
3
YSD490Q-10500
High pressure fuel pipe
4
YSD490Q-10800a
Fuel feed pipe from fuel filter to fuel injection p
5
YSD490Q-10900a
Fuel feedfrom fuel supply pump to fuel filter
6
GB5783-86
Bolt
7
GB93-87
Spring washer
8
GB848-85
Washer
9
YSD490Q-10600a
Fuel filter
10
YSD490Q-10700
Fuel injector
11
YSD490Q-47-10400
Fuel return pipe
Содержащиеся в справочниках-каталогах запасные части и детали не предлагаются к продаже, а носят исключительно информационный характер
Дополнительная информация
×
Название:
Номер:
Примечание: