Вернуться на главную
Поиск
Каталоги запчастей к технике
Грузовые автомобили и прицепы
IVECO
Stralis
Головка блока цилиндров
Каталог запасных частей к технике: IVECO Stralis. Головка блока цилиндров
zoom-in
zoom-out
enlarge
shrink
circle-right
circle-left
file-text2
info
cart
Тип техники
Не выбрано
Легковые автомобили
Грузовые автомобили и прицепы
Автобусы
Сельхозтехника
Спецтехника
Двигатели
Мототехника
Марка
Не выбрано
BAW
DAF
DongFeng
FAW
Foton
HOWO
Hyundai
IVECO
JAC Motors
LGMG
MAN
Shaanxi
SITRAK
Studebaker
Tata
Volvo
Автокомпонент Плюс
БелАЗ
Брянский Арсенал
ГАЗ
ЗИЛ
КАЗ
Камский автозавод
КрАЗ
Мадара
МАЗ
МЗКТ
МоАЗ
Нефтекамский автозавод
Ставропольский Завод АвтоПрицепов
ТАТРА
Тонар
УралАЗ
ЧМЗАП
Модель
Не выбрано
EuroTech CURSOR (2005)
Stralis (2005)
Схема
>
Не выбрано
Система подъема кабины
Фиксация кабины
Кронштейны подвески кабины
Кронштейны подвески кабины
Кронштейн подвески кабины
Зеркала заднего вида
Бачок стеклоомывателя
Бардачок
Внутренняя обшивка, передняя
Внутренняя обшивка, правая
Внутренняя обшивка, левая
Внутренняя обшивка
Внутренняя обшивка, поручень
Внутренняя обшивка, задний поручень
Внутренняя обшивка, задняя
Приборная панель, крепежные элементы
Крепление платы электронного управления E.C.U.
Группа верхних поручней
Холодильник в кабине
Карман для документов
Крепление платы контрольных приборов
Отделка приборной панели
Пневматическое сиденье
Сиденье пассажира и подлокотники
Пневматическая подвеска сиденья
Промежуточное сиденье
Основание сиденья
Верхнее спальное место
Штора на роликах
Предохранительный пояс
Наклейка с информацией об ограничителе скорости
Солнцезащитный козырек
Пол кабины
Задняя стенка кабины
Боковая стенка кабины правая
Боковая стенка кабины правая
Крыша и спойлеры
Анкерная балка кабины
Двери кабины
Двери кабины, уплотнения двери
Двери кабины, замок правой двери
Двери кабины, замок левой двери
Ручки и замки двери
Дверная панель, обшивка
Стекла двери
Стекла двери
Стеклоподъемник правой двери
Стеклоподъемник левой двери
Деталь правой двери
Обшивка двери
Детали левой двери
Левая дверь
Правая дверь
Установочные элементы
Ветровое стекло
Ветровое стекло
Боковая панель двери
Передний бампер
Бампер с кронштейном
Ступеньки
Предупреждающие и информационные наклейки и шильды
Изоляция двигателя
Резиновая прокладка на передней панели
Панели потолка кабины
Передняя панель
Рамка лобового стекла
Передняя решетка
Уголки кабины
Боковой ограничительный брус
Боковой ограничительный брус
Боковой ограничительный брус
Боковой ограничительный брус
Спойлеры
Передние щитки
Грязезащита передних колесных арок
Устройство и крепление пластиковых щитков
Верхняя защита двигателя
Крепление левой панели
Ступеньки кабины
Солнцезащитный козырек
Дополнительная защита
Типовые эмблемы
Типовые эмблемы
Типовые эмблемы
Отопитель/кондиционер
Компрессор кондиционера
Вентиляция/обогрев
Установка печки салона и ее соединения
Отопитель/кондиционер
Двигатель в сборе
Опоры крепления двигателя
Подвеска двигателя, опоры крепления
Передний сальник
Картер распределительного механизма
Клапанная крышка
Вал с рокерами
Коленчатый вал
Маховик двигателя
Демпфер вибраций
Шатуны и поршни
Шестерни газораспределительного механизма
Шестерни газораспределительного механизма
Шестерни газораспределительного механизма
Двигатель с тормозом на выхлопе, установка группы трубок
Двигатель с тормозом на выхлопе, узел электроклапан+кронштейн
Звукоизоляция
Датчики двигателя
Блок цилиндров
Блок цилиндров, вентиляция картера
Головка блока цилиндров
Топливный бак
Топливный бак
Педаль акселератора
Топливный фильтр
Топливная магистраль отопителя
Насос-форсунки
Топливный насос
Топливные магистрали
Труба впуска воздуха
Воздушный фильтр
Топливный фильтр
Турбокомпрессор и трубки
Турбокомпрессор, трубка выхода воздуха
Воздухозаборник
Выпускная система, теплоизоляция
Выпускная система, глушитель сбоку
Система выхлопа, глушитель
Система выхлопа, тормоз на выхлопе
Выпускной коллектор
Масляные форсунки охлаждения поршней
Масляный поддон
Масляный щуп
Масляный щуп
Система смазки, масляный насос
Система смазки, регулятор давления масла
Система смазки, маслозаборник
Система смазки, масляный фильтр
Система смазки, линия возврата масла
Теплообменник
Система смазки, линия маслоподачи
Система охлаждения, шланги радиатора
Система охлаждения, расширительный бачок
Система охлаждения
Система охлаждения, водяной насос
Система охлаждения, трубки системы охлаждения
Система охлаждения, входная трубка компрессора
Система охлаждения, выходная трубка компрессора
Система охлаждения, термостат
Ремни вентилятора
Ремни вентилятора
Ремни вентилятора
Система охлаждения, выход воды с головки блока
Система охлаждения, выход воды на турбокомпрессор
Система охлаждения, входная трубка на турбокомпрессор
Система охлаждения, входная трубка охлаждения
Система охлаждения, выходная трубка охлаждения
Вентилятор
Вентилятор
Механизм сцепления
Картер сцепления
Узел сцепления
Управление сцеплением
Сцепление, трубопроводы
Главный цилиндр сцепления
Коробка передач
Система охлаждения, коробка передач
Управление коробкой передач, блокировка дифференциала
Управление коробкой передач, тяги управления трансмиссией
Управление коробкой передач, блокировка дифференциала
Управление коробкой передач
Управление коробкой передач
Карданный вал
Задняя ось
Трубка сапуна
Поперечина коробки передач
Угловой кронштейн седла
Седло
Рама шасси
Рама, передняя поперечина
Передняя буксирная сцепка
Крепление седла
Рессорная подвеска, стабилизатор передний
Рессорная подвеска, стабилизатор передний
Рессорная подвеска, стабилизатор задний
Пневматическая подвеска задняя
Передний амортизатор
Задний амортизатор
Рессорная подвеска передняя
Воздушный ресивер, пневматическая подвеска
Пневматическая подвеска, трубки
Пневматическая подвеска
Передняя ось
Штуцер накачки колеса
Запасное колесо
Крепление колеса
Опора запасного колеса
Рулевой привод
Рулевое колесо
Рулевое управление
Рулевой механизм, трубопроводы
Реактивные тяги
Блок педалей
Насос гидроусилителя рулевого управления
Магистрали усилителя рулевого управления
Система торможения двигателем
Пневматическая система, тормоз задней оси
Пневматическая система, теплозащитный экран
Пневматическая система ретардера
Воздушный фильтр/трубки
Пневматическая система, тормозная система
Пневматическая система, тормозная система
Пневматическая система, тормозная система
Пневматическая система, рабочий тормозной цилиндр
Пневматическая система, линии кабина-шасси
Пневматическая система, соединение с прицепом
Пневматическая система, воздухоосушитель
Пневматическая система, линии воздушного компрессора
Пневматическая система, осушитель воздуха
Пневматическая система, выключатель давления
Пневматическая система, плата соединений
Пневматическая система, система трубопроводов, передняя часть
Пневматическая система, воздушный ресивер
Пневматическая система, выключатель давления
Пневматическая система, пневматический клаксон
Пневматическая система, подвеска кабины (рама)
Воздушный компрессор
Воздушный компрессор, воздушные магистрали к двигателю
Звукоизоляция воздушного компрессора
Пневматическая система, магистрали сервоуправления сцеплением
Пневматическая система, магистрали стояночного тормоза
Пневматическая система, пневматическая подвеска сидений
Пневматическая система, наклон рулевой колонки
Пневматическая система, элементы тормозной системы
Электрооборудование двигателя
Блок электронного управления
Стартер
Генератор
Электрооборудование
Электрооборудование
Аккумуляторные батареи
Электрооборудование, боковые фонари
Электропроводка, передние фары
Дополнительное освещение, противотуманные фары
Электрооборудование, аккумуляторы
Электрооборудование, рама
Электрооборудование, тормозная система ABS-EBS
Электрооборудование, выключатель батарей
Электрооборудование, задние фонари и оборудование
Электрооборудование, электроблокировка дифференциала
Электрооборудование, кондиционер
Электрооборудование, боковые лампы
Проход электрокабеля, отопитель кабины
Электрооборудование, выключатель
Электрооборудование, электровыключатели
Электрооборудование кабины
Электрооборудование, стеклоочистители
Электрооборудование, блоки тормозной системы ABS/EBS в кабине
Электрооборудование, гидравлический ретардер
Электрооборудование, интерьер верха кабины
Электрооборудование, подогреватель топливного фильтра
Электрооборудование, радиоприемник, громкоговорители
Электрооборудование, воздухоосушитель
Электрооборудование, вентиляционный люк в крыше кабины
Электрооборудование, тахограф
Электрооборудование, электрокабели датчиков температуры
Электрооборудование, воздушный клаксон
Электрооборудование, дополнительное наружное освещение
Электрооборудование, подогрев сидений
Электрооборудование, иммобилайзер
Электрооборудование, дистанционный выключатель
Электрооборудование, подъем кабины
Электрооборудование, подъем кабины
Электрооборудование, блокировка замка рулевого управления
Электрооборудование, пневмоподвеска
Блок предохранителей
Предпусковой подогрев
Тормозные башмаки
Домкрат
Набор инструментов
Аксессуары
Домкрат
1
2
3
4
4
4
4
5
6
7
8
9
9
9
9
10
12
13
13
14
15
15
16
16
19
20
21
22
23
24
25
26
27
28
29
31
32
33
34
35
36
41
42
42
42
45
45
45
48
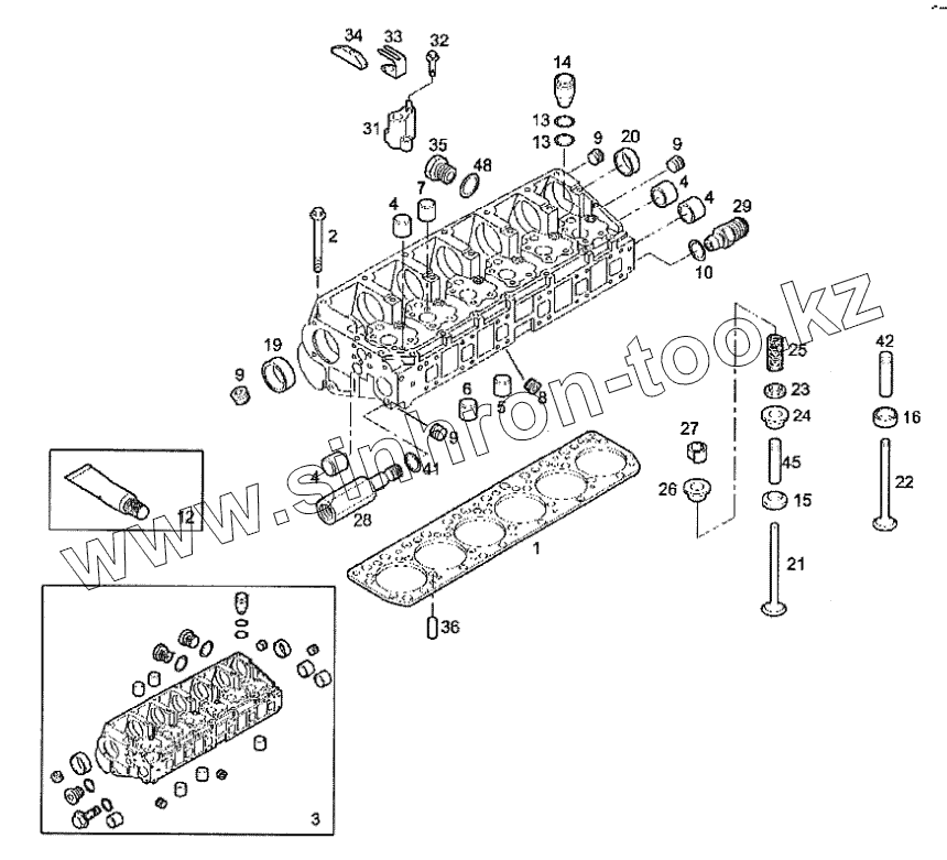
Позиция на иллюстрации
Заводской номер детали
Название детали
1
500382172
Прокладка головки блока
2
98473384
Болт М16х2х170
3
500380776
Головка цилиндров
4
14282470
Заглушка (D=28мм)
5
16991370
Заглушка (D=45мм)
6
16990570
Заглушка (D=20мм)
7
16990770
Заглушка (D=25мм)
8
98472270
Резьбовая пробка
9
98472271
Резьбовая пробка
10
99489018
Уплотняющая прокладка (D=12мм)
12
1905682
Герметик "LOCITE"
13
17278881
Круглое кольцо (D=23,5мм, SP=1,7мм)
14
99461442
Седло насос-форсунки
15
500390566
Седло клапана +0.20
15
99456802
Седло клапана стандарт
16
500390567
Седло клапана +0.20
16
99447343
Седло клапана стандарт
19
99440675
Втулка
20
500306966
Втулка
21
500354685
Впускной клапан
22
500354687
Выпускной клапан
23
99444425
Чашка пружины нижняя
24
40101573
Чашка
25
98483264
Пружина клапана
26
98471361
Чашка пружины
27
98499819
Сухарики
28
500328252
Штуцер соединения
29
500304562
Пробка сапуна
31
500324912
Цилиндр тормоза двигателя
32
16691124
Винт под торцевой ключ М8х50
33
98488328
Удерживающая пружина М12х35
34
500387999
Клапанный мост
35
16992411
Резьбовая пробка М16х1,5
36
500314967
Направляющая (D=10мм)
41
98474308
Уплотняющая прокладка (D=14х22мм)
42
500391436
Направляющая клапана
42
500391437
Направляющая клапана +0,2
42
500391438
Направляющая клапана +0,4
45
500391440
Направляющая клапана
45
500391441
Направляющая клапана +0,2
45
500391442
Направляющая клапана +0,4
48
99489019
Шайба (D=16х24мм, SP=1,5)
Содержащиеся в справочниках-каталогах запасные части и детали не предлагаются к продаже, а носят исключительно информационный характер
Дополнительная информация
×
Название:
Номер:
Примечание: