Каталог запасных частей к технике: IVECO EuroTech CURSOR. Рулевое управление
2
2
3
3
4
5
6
7
8
9
10
11
12
12
13
14
14
15
16
17
19
20
20
21
21
22
23
23
24
25
26
26
27
28
29
30
30
31
31
31
32
33
34
35
35
36
37
38
41
43
44
45
46
49
50
51
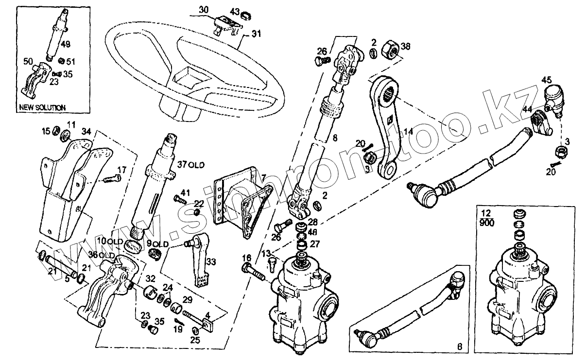
| Позиция на иллюстрации | Заводской номер детали | Название детали | |
|---|---|---|---|
| 2 | 1136009 | Фиксирующая гайка М10х1,25 | |
| 3 | 4702125 | Замковая гайка М24х1,5 | |
| 4 | 4855718 | Болт | |
| 5 | 8127622 | Ось шарнира | |
| 6 | 41005463 | Рулевая тяга | |
| 7 | 8132988 | Рулевой кронштейн | |
| 8 | 8139398 | Рулевой вал | |
| 9 | 8140230 | Пружина сжатия | |
| 10 | 8140232 | Чашка | |
| 11 | 8140233 | Шайба | |
| 12 | 41028790 | Рулевой механизм | |
| 12 | 8161688 | Рулевое управление с усилителем в сборе "ZF" | |
| 13 | 8162411 | Подогнанный болт М20х1,5х45 | |
| 14 | 41033761 | Сошка рулевая | |
| 14 | 8163604 | Рулевая сошка | |
| 15 | 16112125 | Гайка М10х1 | |
| 16 | 16339634 | Болт М20х1,5х45 | |
| 17 | 16675734 | Болт М10х25 | |
| 19 | 16855201 | Шплинт оси шарнира (D=2,5мм) | |
| 20 | 16860501 | Шплинт оси шарнира (D=5мм) | |
| 21 | 16865273 | Стопорное кольцо (D=12мм, H=1мм) | |
| 22 | 16984631 | Гайка М16 | |
| 23 | 17089574 | Шайба (D=8х16мм) | |
| 24 | 17090574 | Шайба (D=10х27мм, SP=2,8) | |
| 25 | 17094914 | Шайба (D=8,4х16мм) | |
| 26 | 80003142 | Подогнанный болт | |
| 27 | 93157023 | Уплотнение вала | |
| 28 | 93191067 | Чашка | |
| 29 | 98408932 | Скользящий башмак | |
| 30 | 98473979 | Крышка антрацитовая серая | |
| 30 | 98409011 | Крышка темно-серая | |
| 31 | 99477952 | Рулевое колесо (D=465мм) | |
| 31 | 98479622 | Рулевое колесо в сборе, (D=500мм) | |
| 31 | 98417368 | Рулевое колесо в сборе, (D=530мм) | |
| 32 | 98427343 | Втулка | |
| 33 | 98427376 | Ограничительный рычаг | |
| 34 | 98437258 | Кронштейн рулевого управления | |
| 35 | 98437469 | Болт с прорезью | |
| 36 | 98437501 | Подшипник рулевого управления | |
| 37 | 98437503 | Опора руля | |
| 38 | 93192405 | Гайка М45х1,5х5 | |
| 41 | 16682934 | Болт М16х60 | |
| 43 | 500330901 | Шестигранная гайка | |
| 44 | 4831108 | Хомут | |
| 45 | 4833822 | Наконечник "LEMFOERDER" правый | |
| 46 | 93191068 | Уплотнение | |
| 49 | 99454818 | Соединительная трубка | |
| 50 | 41002412 | Рулевой подшипник М16 | |
| 51 | 41002445 | Пружина сжатия М16 |
Содержащиеся в справочниках-каталогах запасные части и детали не предлагаются к продаже, а носят исключительно информационный характер