Вернуться на главную
Поиск
Каталоги запчастей к технике
Грузовые автомобили и прицепы
IVECO
EuroTech CURSOR
Крепление кабины
Каталог запасных частей к технике: IVECO EuroTech CURSOR. Крепление кабины
zoom-in
zoom-out
enlarge
shrink
circle-right
circle-left
file-text2
info
cart
Тип техники
Не выбрано
Легковые автомобили
Грузовые автомобили и прицепы
Автобусы
Сельхозтехника
Спецтехника
Двигатели
Мототехника
Марка
Не выбрано
BAW
DAF
DongFeng
FAW
Foton
HOWO
Hyundai
IVECO
JAC Motors
LGMG
MAN
Shaanxi
SITRAK
Studebaker
Tata
Volvo
Автокомпонент Плюс
БелАЗ
Брянский Арсенал
ГАЗ
ЗИЛ
КАЗ
Камский автозавод
КрАЗ
Мадара
МАЗ
МЗКТ
МоАЗ
Нефтекамский автозавод
Ставропольский Завод АвтоПрицепов
ТАТРА
Тонар
УралАЗ
ЧМЗАП
Модель
Не выбрано
EuroTech CURSOR (2005)
Stralis (2005)
Схема
>
Не выбрано
Пневмоподвеска кабины
Подвеска кабины
Подвеска кабины
Элементы системы наклона кабины
Трубопроводы системы наклона кабины
Трубопроводы системы наклона кабины
Трубопроводы системы наклона кабины
Задние соединения кабины
Крепление кабины
Крепление кабины
Бачок стеклоочистителя
Бачок стеклоочистителя
Стеклоочиститель
Стеклоочиститель
Покрытие пола
Покрытие пола
Внутренние элементы отделки
Защита рулевого управления
Защита двигателя
Пневматические трубопроводы сиденья
Пневматические трубопроводы
Рукоятки
Замок зажигания
Приборная панель
Отделка приборной панели
Отделка приборной панели
ABS/EBS оборудование в кабине
Воздухозаборник
Центральная консоль
Внешнее зеркало водителя
Каркас кабины
Пол кабины
Внешняя отделка крыши
Панели крыши кабины
Рама ветрового стекла
Элементы передней панели
Боковая стенка
Двери кабины
Двери кабины
Двери кабины
Двери кабины
Двери кабины
Правая дверь кабины
Левая дверь кабины
Боковые стекла
Боковые стекла
Правая внутренняя дверная панель
Левая внутренняя дверная панель
Правая облицовка двери
Левая облицовка двери
Элементы крепления
Правый дверной замок
Дверная ручка
Ветровое стекло
Ветровое стекло
Боковая панель
Передняя панель
Передняя панель
Защитная решетка
Передние угловые панели
Передняя внутренняя облицовка
Боковые панели
Заглушки кабины
Центральная верхняя полка
Задние рукоятки
Дополнительные детали
Передний брызговик
Задний брызговик
Солнцезащитный козырек
Шторка
Шторка
Идентификационные таблички
Расположение табличек
Водяные трубопроводы системы обогрева
Трубопроводы системы кондиционирования
Обогреватель
Обогреватель
Компрессор кондиционера
Компрессор кондиционера
Элементы крепления двигателя
Подвеска двигателя
Подвеска двигателя
Подвеска двигателя
Блок цилиндров
Блок цилиндров
Передняя крышка картера
Задняя крышка картера
Задняя крышка картера
Прокладки двигателя
Прокладки двигателя
Головка блока цилиндров
Головка блока цилиндров
Головка блока цилиндров
Крышка головки блока цилиндров
Крышка головки блока цилиндров
Вал рокеров
Вал рокеров
Коленчатый вал
Маховик двигателя
Маховик двигателя
Гаситель вибраций (демпфер)
Гаситель вибраций (демпфер)
Шатуны и поршни
Шатуны и поршни
Шестерни распределительного вала
Шестерни распределительного вала
Шестерни распределительного вала
Шестерни распределительного вала
Распределительный вал
Механизм газораспределения
Механизм газораспределения
Механизм газораспределения
Электронный блок управления
Датчики
Датчики
Детали двигателя
Детали двигателя
Детали головки блока цилиндров
Детали коленчатого вала
Детали коленчатого вала
Система пуска
Система пуска с ручным управлением
Электромагнитный клапан
Электромагнитный клапан
Насос-форсунка
Насос-форсунка
Насос-форсунка
Электрооборудование системы впрыска
Система впрыска топлива
Трубопроводы турбокомпрессора
Трубопроводы турбокомпрессора
Трубопроводы турбокомпрессора
Трубопроводы турбокомпрессора
Блок управления впрыском
Топливопроводы двигателя
Топливный насос
Топливный насос
Топливные трубопроводы
Топливный бак
Топливный бак
Топливный фильтр
Топливный фильтр
Топливный фильтр
Топливный фильтр
Система подачи топлива
Топливная линия
Топливопровод к обогревателю
Трубопроводы турбонагнетателя
Трубопровод двигателя
Система трубопроводов
Топливопровод обогревателя
Трубопроводы дополнительного отопителя
Воздушный фильтр
Осушитель воздуха
Трубопроводы воздушного фильтра
Трубопроводы воздушного фильтра
Выпускной коллектор
Выпускной коллектор
Выпускной коллектор
Глушитель
Глушитель
Глушитель
Система выпуска
Теплозащита
Маслораспылитель
Масляный поддон
Масляный поддон
Линия подачи масла
Система смазки
Датчик уровня масла
Датчик уровня масла
Масломерный щуп
Масляный насос
Регулятор давления масла
Масляный фильтр
Масляные трубопроводы
Трубопровод подачи масла
Возвратный маслопровод
Теплообменник
Теплообменник
Радиатор
Радиатор
Трубопроводы охлаждающей жидкости
Трубопровод охлаждающей жидкости
Трубопровод охлаждающей жидкости
Трубопровод охлаждающей жидкости
Трубопровод охлаждающей жидкости
Трубопровод охлаждающей жидкости
Клиновой ремень
Клиновой ремень
Натяжитель клинового ремня
Натяжитель клинового ремня
Натяжитель клинового ремня
Водяной насос
Водяной насос
Водяной насос
Расширительный бачок
Система охлаждения коробки передач
Система охлаждения коробки передач
Система охлаждения
Турбина охлаждающей системы
Турбина охлаждающей системы
Регулятор температуры
Управление вентилятором
Вентилятор
Вентилятор
Привод вентилятора
Сцепление
Картер сцепления
Крепежные детали сцепления
Трубопроводы сцепления
Трубопроводы сцепления
Трубопроводы сцепления
Сервопривод сцепления
Управление сцеплением
Управление переключением передач
Управление переключением передач
Управление переключением передач
Механизм переключения передач
Механизм переключения передач
Коробка передач
Коробка передач
Задний мост
Задний мост
Задний мост
Задний стабилизатор
Задний амортизатор
Задний амортизатор
Блокировка дифференциала
Система управления блокировкой дифференциала
Система управления блокировкой дифференциала
Трубопроводы сапуна
Штанги заднего моста
Рама
Рама
Рама
Седельно-сцепное устройство
Уголки седельно-сцепного устройства
Передний бампер
Боковая площадка
Передняя поперечина
Задняя поперечина
Передний бампер
Задний бампер
Переднее прицепное устройство
Передняя рессора
Передний мост
Передний мост
Передний мост
Передний стабилизатор
Передний стабилизатор
Стабилизатор
Стабилизатор
Передний амортизатор
Передний амортизатор
Пневмоподвеска
Пневмоподвеска
Пневмоподвеска
Пневмоподвеска
Пневмоподвеска
Детали пневмоподвески
Рулевой привод
Рулевой привод
Рулевое управление
Рулевое колесо
Насос усилителя рулевого управления
Насос усилителя рулевого управления
Трубопроводы усилителя рулевого управления
Трубопроводы усилителя рулевого управления
Трубопроводы рулевого управления
Педаль акселератора
Узел педалей
Узел педалей
Элементы тормозной системы
Клапаны системы ABS
Тормозная система, задние элементы
Пневматические тормозные цилиндры
Тормозная система, передние элементы
Пневматическая тормозная система
Пневматическая тормозная система
Пневматическая система ретардера
Трубопроводы
Трубопроводы стояночного тормоза
Трубопроводы тормозных цилиндров
Система трубопроводов кабина/шасси
Пневматические трубопроводы
Соединения тормозной системы
Соединительная пластина
Передняя система трубопроводов
Элементы пневматической системы на раме
Педаль моторного тормоза
Воздушный компрессор
Воздушный компрессор
Электрооборудование двигателя
Генератор
Генератор
Проводка двигателя
Электропроводка на раме
Электропроводка EBS на раме
Элементы системы ABS/EBS
Электрооборудование на раме
Электрооборудование на раме
Предохранители и реле
Электрооборудование кабины
Электрооборудование интардера
Электрооборудование кабины
Электрооборудование кабины
Предохранители и реле
Электрооборудование кабины
Электрооборудование кабины
Детали тахографа
Управление системой отбора мощности
Управление механизмом отбора мощности
Управление механизмом отбора мощности
Коробка отбора мощности задняя
Механизм отбора мощности задний
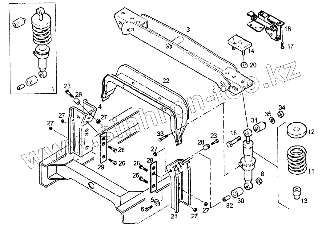
1
3
4
5
6
8
11
12
13
14
15
17
18
18
20
21
22
23
23
26
26
26
26
27
27
27
27
27
27
28
28
29
29
30
31
32
33
34
35
Позиция на иллюстрации
Заводской номер детали
Название детали
1
500377861
Амортизатор в сборе
3
41028590
Поперечина
4
41001327
Кронштейн кабины правый
5
17096214
Шайба (D=24х44мм)
6
16615324
Болт с шестигранной головкой М16х80
8
16750621
Шестигранная гайка М16х1,5
11
41001889
Пружина сжатия
12
41001891
Кольцо
13
8188693
Резиновая вставка
14
41028594
Резиновая вставка
15
41028593
Резьбовая шпилька
17
16587924
Болт М12х25
18
98405163
Замок
18
98496993
Замок в сборе (L=1450-1560мм)
20
16984331
Гайка М10
21
41001326
Кронштейн кабины левый
22
8189999
Поперечина
23
16680734
Болт М14х2х60
26
16680334
Болт М14х40
27
16984531
Гайка М14
28
42091502
Втулка
29
41006476
Пластина
30
42532853
Сайлент-блок
31
42532854
Сайлент-блок с втулкой
32
93190941
Втулка для "FICHTEL&SACHS"
33
3799470
Болт с шестигранной головкой
34
17157821
Шестигранная гайка М16
35
41020555
Шайба
Содержащиеся в справочниках-каталогах запасные части и детали не предлагаются к продаже, а носят исключительно информационный характер
Дополнительная информация
×
Название:
Номер:
Примечание: